\n",
"\n",
"# EDS Detector Efficiency \n",
"\n",
"\n",
"[Download](https://raw.githubusercontent.com/gduscher/MSE672-Introduction-to-TEM/main/Spectroscopy/CH4_15-Detector.ipynb)\n",
" \n",
"\n",
"[](\n",
" https://colab.research.google.com/github/gduscher/MSE672-Introduction-to-TEM/blob/main//Spectroscopy/CH4_15-Detector.ipynb)\n",
"\n",
"part of \n",
"\n",
" **[MSE672: Introduction to Transmission Electron Microscopy](../_MSE672_Intro_TEM.ipynb)**\n",
"\n",
"**Spring 2026** \n",
"by Gerd Duscher\n",
"\n",
"Microscopy Facilities \n",
"Institute of Advanced Materials & Manufacturing \n",
"Materials Science & Engineering \n",
"The University of Tennessee, Knoxville\n",
"\n",
"Background and methods to analysis and quantification of data acquired with transmission electron microscopes."
]
},
{
"cell_type": "markdown",
"metadata": {},
"source": [
"## Load relevant python packages\n",
"### Check Installed Packages"
]
},
{
"cell_type": "code",
"execution_count": 1,
"metadata": {},
"outputs": [
{
"name": "stdout",
"output_type": "stream",
"text": [
"done\n"
]
}
],
"source": [
"import sys\n",
"import importlib.metadata\n",
"def test_package(package_name):\n",
" \"\"\"Test if package exists and returns version or -1\"\"\"\n",
" try:\n",
" version = importlib.metadata.version(package_name)\n",
" except importlib.metadata.PackageNotFoundError:\n",
" version = '-1'\n",
" return version\n",
"\n",
"if test_package('pyTEMlib') < '0.2026.1.1':\n",
" print('installing pyTEMlib')\n",
" !{sys.executable} -m pip install --upgrade pyTEMlib -q\n",
"\n",
"print('done')"
]
},
{
"cell_type": "markdown",
"metadata": {},
"source": [
"## First we import the essential libraries\n",
"All we need here should come with the annaconda or any other package"
]
},
{
"cell_type": "code",
"execution_count": 1,
"metadata": {},
"outputs": [
{
"name": "stdout",
"output_type": "stream",
"text": [
"notebook version: 2026.01.22\n"
]
}
],
"source": [
"%matplotlib widget\n",
"import matplotlib.pyplot as plt\n",
"import numpy as np\n",
"import sys\n",
"import os\n",
"if 'google.colab' in sys.modules:\n",
" from google.colab import output\n",
" from google.colab import drive\n",
" output.enable_custom_widget_manager()\n",
"\n",
"from pyTEMlib.xrpa_x_sections import x_sections\n",
"\n",
"__notebook_version__ = '2026.01.22'\n",
"print('notebook version: ', __notebook_version__)"
]
},
{
"cell_type": "markdown",
"metadata": {},
"source": [
"## Bremsstrahlung and EDS Background\n",
"\n",
"At low energies, the [Bremsstrahlung](CH4_13-Bremsstrahlung.ipynb) above does not look anything like the background we obtain in the EDS spectrum.\n",
"\n",
"This is due to the response of the EDS detector system\n",
"\n",
".\n"
]
},
{
"cell_type": "markdown",
"metadata": {},
"source": [
"## Detector Response\n",
"\n",
"The detector response depends on the material. The detected X-ray photons need to be absorbed in the Si detector. This absorption is then dependent on the silicon aborption coefficients (per energy).\n",
"Everything that absorbs X-ray photons before it reaches the detector crystal will weken the signal according to the photoabsorption in that material layers. Obviously we want to keep the thicknesses of those layers as thin as possible.\n",
"\n",
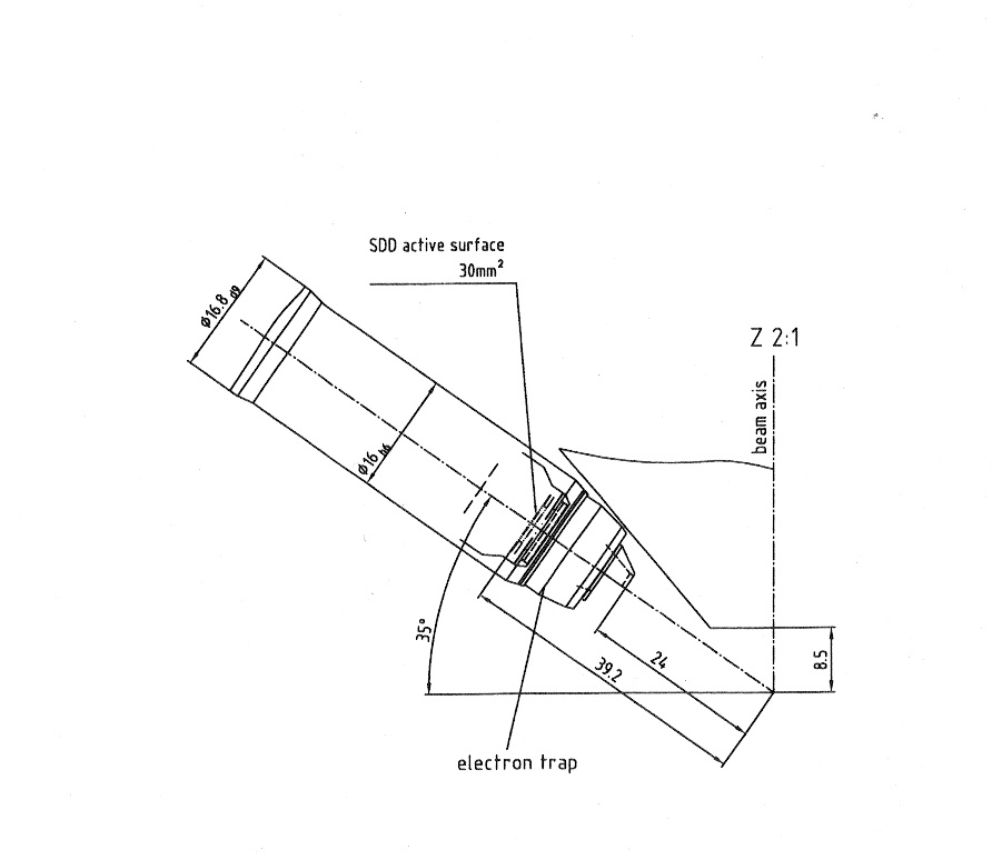
"Let's look at the design of a detector:\n",
"\n",
"\n",
"\n",
"\n",
"\n",
"For the detector there is actually only one type common anymore (the liquid notrogen cooled Si(Li) detectors are phased out) and that is the Silicon droft detector (SDD):\n",
"\n",
"\n",
"\n",
"In front of the detector is usually a window. Only high vacuum system can have a window-less system otherwise ice would build up on the Peltier-cooled detector crystal.\n",
"This window is rather fragile and relative expensive to replace so be carfull with handling the detector system on that end.\n",
"\n",
"\n",
""
]
},
{
"cell_type": "markdown",
"metadata": {},
"source": [
"## Signal - Photoelectric absorption of X-ray photon.\n",
"\n",
"Whole energy of X-ray photon is transferred to inner shell electron of a silicon atom.\n",
"\n",
"This ejected electron has now the kinetic energy of the X-ray photon minus its binding energy in the atom (K: 1838 eV, L: 98 eV)\n",
"\n",
"The ejected electron undergoes inelastic scattering and creates electron hole pairs (valence to conduction band) in the process (besides other effects)\n",
"\n",
"Charge generation process requires about 3.6 eV per electron hole pair\n",
"\n",
"So the number of created charge carriers $𝑛$ is proportional to the original photon energy $𝐸_𝑝$:\n",
"\n",
"$$ n = \\frac{E_p} {3.6 eV} $$\n",
"\n",
" \n",
" "
]
},
{
"cell_type": "markdown",
"metadata": {},
"source": [
"## Detector Efficiency\n",
"### Photoabsorption \n",
"If we only look at the crystal we see that we have a contact and the Silicon crystal. However there is also a thin deadlayer on the top of the crystal that will absorb X-rays without detecting it.\n",
"We will talk more about detectors in the **EDS resolution section**\n",
"\n",
"Detection and wekening of the signal through absorption are both governed by photoabsorption cross section.\n",
"\n",
"The mass absorption coefficiencts $ \\mu/ \\rho$ (a function of energy) are taken from the [Mass Absorption Coefficients from NIST](https://physics.nist.gov/PhysRefData/FFast/html/form.html)\n",
"\n",
"Select the element and as *Type of Data* select **Mass Photoabsorption Coefficient (cm^2/g)**\n",
"\n",
"I collected all the data in a pickled dictionary which we open below and then test the content.\n"
]
},
{
"cell_type": "code",
"execution_count": 2,
"metadata": {},
"outputs": [
{
"name": "stdout",
"output_type": "stream",
"text": [
"Edges of Si:\n",
"M2 : 0.005 keV\n",
"M1 : 0.011 keV\n",
"L3 : 0.099 keV\n",
"L2 : 0.099 keV\n",
"L1 : 0.149 keV\n",
"K1 : 1.839 keV\n"
]
},
{
"data": {
"application/vnd.jupyter.widget-view+json": {
"model_id": "e36e1523d2d94fd2aef1babf115741aa",
"version_major": 2,
"version_minor": 0
},
"image/png": "iVBORw0KGgoAAAANSUhEUgAAAoAAAAHgCAYAAAA10dzkAAAAOnRFWHRTb2Z0d2FyZQBNYXRwbG90bGliIHZlcnNpb24zLjEwLjcsIGh0dHBzOi8vbWF0cGxvdGxpYi5vcmcvTLEjVAAAAAlwSFlzAAAPYQAAD2EBqD+naQAAaL9JREFUeJzt3Xd8U+XiBvAnSZN0p3tB2VBANigUUFFGZSNXUNEKPxFUFCzjIogDUeGKCqhcEBFBmXoFvF7QMmSJ7ELFAhaVDV1Am+4kTd7fH20OTVugK816vp9PPjQnb855c3raPrzryIQQAkRERETkMuS2rgARERER1S0GQCIiIiIXwwBIRERE5GIYAImIiIhcDAMgERERkYthACQiIiJyMQyARERERC6GAZCIiIjIxTAAEhEREbkYBkAiIiIiF8MASERERORiGACJiIiIXAwDIBEREZGLYQAkIiIicjEMgES3cfjwYTz66KNo0KAB1Go1QkNDER0djalTp1qU69WrF3r16mWxTSaTYfbs2dLzPXv2QCaTYc+ePdaveDXMnj0bMplMeqhUKjRu3BivvPIKsrKyypW7fv16rR17yZIlWLVqVa3t704aNWqEQYMG1cmxatvtztOFCxcgk8nq7BxW5JdffsHIkSNRr149qFQqaDQadO/eHUuXLkVeXp7N6lVVQghs2LAB999/P0JCQuDu7o769esjJiYGX3zxhdWOu27dOixatKjC18r+LiGqLW62rgCRPdq6dSuGDBmCXr16Yf78+QgPD0dKSgqOHTuGDRs24KOPPpLKLlmy5K7769SpEw4ePIjWrVtbs9o1Fh8fD41Gg5ycHPz444/4+OOPceTIERw4cAAymcwqx1yyZAmCgoIwZswYq+zfWdzuPIWHh+PgwYNo2rSpTer11ltvYc6cOejevTveeecdNG3aFPn5+Thw4ABmz56Ns2fPYuHChTapW1XNnDkT77//PsaNG4d//vOf8PHxwcWLF7Fr1y7897//xXPPPWeV465btw5JSUmIi4sr99rBgwdRv359qxyXXBsDIFEF5s+fj8aNG2Pbtm1wc7v1Y/LEE09g/vz5FmUrE+p8fX3RrVu3Wq9nbevcuTOCgoIAAH379sWNGzewevVqHDhwAD169LBx7ZxHQUEB3N3dayVUq9Vqm11b//nPfzBnzhyMHTsWy5cvt/g8/fv3x/Tp03Hw4MHbvl8IgcLCQnh4eNRFde+ooKAAixYtwjPPPIPPP//c4rUxY8bAZDLZpF6O8HuDHBO7gIkqcOPGDQQFBVmEPzO53PLHpqIu4LJu1wV8+PBhDB48GIGBgXB3d0fTpk3LtQLs378fvXv3ho+PDzw9PdG9e3ds3brVosyqVasgk8mwe/duvPjiiwgKCkJgYCCGDx+Oa9euVfpzl2X+43Px4kWL7WlpaXjyySeh0WgQGhqKZ599Flqt1qJMYWEhZs6cicaNG0OlUqFevXp46aWXLLqUGzVqhFOnTmHv3r1S93OjRo2k1y9duoSnn34aISEhUKvVaNWqFT766KNyf4zffvttdO3aFQEBAfD19UWnTp2wYsUKCCEq/FybN29Gu3bt4O7ujiZNmuCTTz6xeN1kMuHdd99FVFQUPDw84Ofnh3bt2uHjjz+2KFeV78327dvx7LPPIjg4GJ6entDpdFKX+okTJzB8+HD4+vpCo9Hg6aefRkZGRqXO0+26gOviupkzZw78/f3xySefVBhmfXx80K9fP+m5TCbDyy+/jM8++wytWrWCWq3GV199Ven65ufnY9q0aWjcuDHc3d0REBCALl26YP369VKZc+fO4YknnkBERIQ0dKN3795ITEy842fJy8uDTqdDeHh4ha+X/bnX6/V499130bJlS6jVagQHB+P//u//LL5vZuvWrUN0dDS8vb3h7e2NDh06YMWKFQCKf39s3boVFy9etBiGUfqcle0CTkpKwtChQ+Hv7w93d3d06NBBOo9m5t8569evx6xZsxAREQFfX1/06dMHycnJdzwX5BrYAkhUgejoaHzxxReYNGkSnnrqKXTq1AlKpbJWj7Ft2zYMHjwYrVq1woIFC9CgQQNcuHAB27dvl8rs3bsXffv2Rbt27bBixQqo1WosWbIEgwcPxvr16/H4449b7PO5557DwIEDsW7dOly+fBn//Oc/8fTTT2PXrl3VquNff/0FAAgODrbY/o9//AOPP/44xo4di99//x0zZ84EAHz55ZcAilt2hg0bhp9//hkzZ87E/fffj5MnT+Ktt97CwYMHcfDgQajVamzevBmPPfYYNBqN1JWuVqsBABkZGejevTv0ej3eeecdNGrUCFu2bMG0adPw999/W3S9X7hwAc8//zwaNGgAADh06BAmTpyIq1ev4s0337Soe2JiIuLi4jB79myEhYVh7dq1eOWVV6DX6zFt2jQAxS3As2fPxuuvv44HHngABoMBf/zxh0V4rer35tlnn8XAgQOxevVq5OXlWVxPjz76KEaOHIkXXngBp06dwhtvvIHTp0/j8OHDUCqVdzxPFamL6yYlJQVJSUl4/PHH4enpedtyZX3//ff45Zdf8OabbyIsLAwhISGVru+UKVOwevVqvPvuu+jYsSPy8vKQlJSEGzduSPsfMGAAjEYj5s+fjwYNGuD69es4cOCAxfeuIkFBQWjWrBmWLFmCkJAQDBgwAFFRURUGW5PJhKFDh+KXX37B9OnT0b17d1y8eBFvvfUWevXqhWPHjkmtmm+++SbeeecdDB8+HFOnToVGo0FSUpL0n6olS5Zg/Pjx+Pvvv7F58+a7nr/k5GR0794dISEh+OSTTxAYGIg1a9ZgzJgxSEtLw/Tp0y3Kv/baa+jRowe++OILZGdn49VXX8XgwYNx5swZKBSKux6PnJggonKuX78uevbsKQAIAEKpVIru3buLefPmiZycHIuyDz74oHjwwQcttgEQb731lvR89+7dAoDYvXu3tK1p06aiadOmoqCg4Lb16NatmwgJCbE4ZlFRkWjTpo2oX7++MJlMQgghVq5cKQCICRMmWLx//vz5AoBISUm54+d96623BACRmpoqDAaDyMzMFGvWrBEeHh4iMjJSqqO53Pz58y3eP2HCBOHu7i7VJz4+vsJy33zzjQAgPv/8c2nbPffcU+78CSHEjBkzBABx+PBhi+0vvviikMlkIjk5ucLPYjQahcFgEHPmzBGBgYFSnYQQomHDhkImk4nExESL9/Tt21f4+vqKvLw8IYQQgwYNEh06dLjTKavy9+aZZ54ptw/z+Zw8ebLF9rVr1woAYs2aNdK2252n8+fPCwBi5cqV1a5bda6bQ4cOCQBixowZty1TFgCh0WjEzZs3LbZXtr5t2rQRw4YNu+3+r1+/LgCIRYsWVbpOpR05ckQ0aNBA+rn38fERgwYNEl9//bXFdbR+/XoBQGzcuNHi/UePHhUAxJIlS4QQQpw7d04oFArx1FNP3fG4AwcOFA0bNqzwtbK/S5544gmhVqvFpUuXLMr1799feHp6iqysLCHErd85AwYMsCj37bffCgDi4MGDd6wTOT92ARNVIDAwEL/88guOHj2Kf/3rXxg6dCjOnj2LmTNnom3btjWeBXv27Fn8/fffGDt2LNzd3Sssk5eXh8OHD+Oxxx6Dt7e3tF2hUCA2NhZXrlwp15UzZMgQi+ft2rUDUL4L93bCwsKgVCrh7++Pp59+Gp06dUJ8fHy5OlZ0nMLCQqSnpwOA1HJUdsLCiBEj4OXlhZ9//vmuddm1axdat26N++67z2L7mDFjIISwaJ3atWsX+vTpA41GA4VCAaVSiTfffBM3btyQ6mR2zz33oH379hbbRo0ahezsbBw/fhwAcN999+G3337DhAkTsG3bNmRnZ1uUr8735h//+MdtP+tTTz1l8XzkyJFwc3PD7t27b/ue27HFdVMVDz/8MPz9/atV3/vuuw8//fQTZsyYgT179qCgoMBi3wEBAWjatCk++OADLFiwACdOnCg3XMBkMqGoqEh6GI1G6bV7770Xf/31F+Lj4/Haa68hOjoaP//8M5555hkMGTJEGlKwZcsW+Pn5YfDgwRb76tChA8LCwqShHjt27IDRaMRLL71Ua+dv165d6N27NyIjIy22jxkzBvn5+eXGXNbl95YcCwMg0R106dIFr776Kv7zn//g2rVrmDx5Mi5cuFBuIkhVmccJ3Wl2X2ZmJoQQFY5JioiIAACLri+gOLiWZu4mLPuH8nZ27tyJo0ePIjExEdevX8f+/fsrnORyt+PcuHEDbm5u5bqOZTIZwsLCytW7Ijdu3KjUZz9y5Ig0zmz58uX49ddfcfToUcyaNcuiTmZhYWHl9mneZt7nzJkz8eGHH+LQoUPo378/AgMD0bt3bxw7dgxA9b43txtbVlGd3NzcEBgYWKnzVFZdXTfm7vbz589XqX5l61WV+n7yySd49dVX8f333+Ohhx5CQEAAhg0bhj///BNA8fX1888/IyYmBvPnz0enTp0QHByMSZMmIScnB0DxuEWlUik9ys6eViqViImJwXvvvYdt27bh8uXL6NWrF7Zs2YKffvoJQPEY2KysLKhUKot9KZVKpKamSv9BrMzPeVVV9ufCrKa/E8h5cQwgUSUplUq89dZbWLhwIZKSkmq0L3MwunLlym3L+Pv7Qy6XIyUlpdxr5gH65hm7taV9+/a1ss/AwEAUFRUhIyPDIgQKIZCamop77723UvuozGffsGEDlEoltmzZYtFS+f3331e439TU1NtuM/+xdHNzw5QpUzBlyhRkZWVh586deO211xATE4PLly9X63tzpxm/qampqFevnvS8qKgIN27cKPfHuzLq6roJDw9H27ZtsX37duTn51d6HGDZ81CV+np5eeHtt9/G22+/jbS0NKk1cPDgwfjjjz8AAA0bNpQmWJw9exbffvstZs+eDb1ej88++wzjx4+3WAvyTmMpgeJrIi4uDnv27EFSUhIGDBggTZaJj4+v8D0+Pj4ALH/Oy7bYVVdlfy6I7oYtgEQVqOgXLACcOXMGwK3/bVdXixYt0LRpU3z55ZfQ6XQVlvHy8kLXrl2xadMmi/+tm0wmrFmzBvXr10eLFi1qVA9r6d27NwBgzZo1Fts3btyIvLw86XWg+A9wRa0RvXv3xunTp6VuWbOvv/4aMpkMDz30EIDiQOHm5mYxoL2goACrV6+usG6nTp3Cb7/9ZrFt3bp18PHxQadOncqV9/Pzw2OPPYaXXnoJN2/exIULF2r9e7N27VqL599++y2KioosZpff7jyVVZfXzRtvvIHMzExMmjSpwhnXubm5FpOaarO+oaGhGDNmDJ588kkkJycjPz+/XJkWLVrg9ddfR9u2baXrKCIiAl26dJEebdu2BQAYDIbbtriW/bkfNGgQbty4AaPRaLEv8yMqKgoA0K9fPygUCixduvSO56Cy31ug+Odi165d5WZpf/311/D09OSyMVRpbAEkqkBMTAzq16+PwYMHo2XLljCZTEhMTMRHH30Eb29vvPLKKzU+xr///W8MHjwY3bp1w+TJk9GgQQNcunQJ27ZtkwLBvHnz0LdvXzz00EOYNm0aVCoVlixZgqSkJKxfv95qizPXVN++fRETE4NXX30V2dnZ6NGjhzQLuGPHjoiNjZXKtm3bFhs2bMA333yDJk2awN3dHW3btsXkyZPx9ddfY+DAgZgzZw4aNmyIrVu3YsmSJXjxxRelUDBw4EAsWLAAo0aNwvjx43Hjxg18+OGHt23ZiYiIwJAhQzB79myEh4djzZo12LFjB95//32pFWvw4MFo06YNunTpguDgYFy8eBGLFi1Cw4YN0bx5cwC1+73ZtGkT3Nzc0LdvX2kWcPv27TFy5Mi7nqeK1NV1M2LECLzxxht455138Mcff2Ds2LHSQtCHDx/GsmXL8Pjjj1ssBVOT+nbt2hWDBg1Cu3bt4O/vjzNnzmD16tWIjo6Gp6cnTp48iZdffhkjRoxA8+bNoVKpsGvXLpw8eRIzZsy4Yx20Wi0aNWqEESNGoE+fPoiMjERubi727NmDjz/+GK1atcLw4cMBFK8HunbtWgwYMACvvPIK7rvvPiiVSly5cgW7d+/G0KFD8eijj6JRo0Z47bXX8M4776CgoEBaOun06dO4fv063n77bQDF39tNmzZh6dKl6Ny5M+RyObp06VJhPd966y1s2bIFDz30EN58800EBARg7dq12Lp1K+bPnw+NRlPVbyO5KtvNPyGyX998840YNWqUaN68ufD29hZKpVI0aNBAxMbGitOnT1uUre4sYCGEOHjwoOjfv7/QaDRCrVaLpk2blpsR+ssvv4iHH35YeHl5CQ8PD9GtWzfxv//9z6KMeTbn0aNHLbbf7rhlmWejZmRkVKuc+fjnz5+XthUUFIhXX31VNGzYUCiVShEeHi5efPFFkZmZafHeCxcuiH79+gkfHx8BwGI25MWLF8WoUaNEYGCgUCqVIioqSnzwwQfCaDRa7OPLL78UUVFRQq1WiyZNmoh58+aJFStWlKtTw4YNxcCBA8V3330n7rnnHqFSqUSjRo3EggULLPb30Ucfie7du4ugoCChUqlEgwYNxNixY8WFCxcsytXke1P6fCYkJIjBgwcLb29v4ePjI5588kmRlpZWqfNU0SzgmtatsteN2d69e8Vjjz0mwsPDhVKpFL6+viI6Olp88MEHIjs7WyoHQLz00ksV7qMy9Z0xY4bo0qWL8Pf3l77XkydPFtevXxdCCJGWlibGjBkjWrZsKby8vIS3t7do166dWLhwoSgqKrrjZ9DpdOLDDz8U/fv3Fw0aNBBqtVq4u7uLVq1aienTp4sbN25YlDcYDOLDDz8U7du3F+7u7sLb21u0bNlSPP/88+LPP/+0KPv111+Le++9VyrXsWNHi+/XzZs3xWOPPSb8/PyETCYTpf80l/1dIoQQv//+uxg8eLDQaDRCpVKJ9u3bl/v+m7+H//nPfyy23+56IdcjE+I2K6USEZFVzZ49G2+//TYyMjI4douI6hTHABIRERG5GAZAIiIiIhfDLmAiIiIiF+NwLYD79u3D4MGDERERAZlMZrHWl8FgwKuvvoq2bdvCy8sLEREReOaZZ8pNl9fpdJg4cSKCgoLg5eWFIUOGlFuPLTMzE7GxsdBoNNBoNIiNjS13L8lLly5h8ODB8PLyQlBQECZNmgS9Xm+tj05ERERUKxwuAObl5aF9+/ZYvHhxudfy8/Nx/PhxvPHGGzh+/Dg2bdqEs2fPlrsVTlxcHDZv3owNGzZg//79yM3NxaBBgyxuCTRq1CgkJiYiPj4e8fHxSExMtFi6wmg0YuDAgcjLy8P+/fuxYcMGbNy4EVOnTrXehyciIiKqBQ7dBSyTybB582YMGzbstmWOHj2K++67DxcvXkSDBg2g1WoRHByM1atX4/HHHwdQvIJ6ZGQkfvzxR8TExODMmTNo3bo1Dh06hK5duwIADh06hOjoaPzxxx+IiorCTz/9hEGDBuHy5cvS4qAbNmzAmDFjkJ6eDl9fX6t/fiIiIqLqcPqFoLVaLWQyGfz8/AAACQkJMBgMFguTRkREoE2bNjhw4ABiYmJw8OBBaDQaKfwBQLdu3aDRaHDgwAFERUXh4MGDaNOmjcUdIWJiYqDT6ZCQkCDdpaA0nU5ncdcHk8mEmzdvIjAw0G4X9CUiIqK6IYRATk4OIiIiIJdbt5PWqQNgYWEhZsyYgVGjRkktcqmpqVCpVPD397coGxoaKt0PNDU1FSEhIeX2FxISYlEmNDTU4nV/f3+oVKoK7zUKFK92b175nYiIiKgily9fRv369a16DKcNgAaDAU888QRMJhOWLFly1/JCCItWuIpa5KpTprSZM2diypQp0nOtVosGDRqg3ourIFd74uDMh+HjrrxrXYmIiMj5ZGdnIzIyEj4+PlY/llMGQIPBgJEjR+L8+fPYtWuXxXi8sLAw6PV6ZGZmWrQCpqeno3v37lKZtLS0cvvNyMiQWv3CwsJw+PBhi9czMzNhMBjKtQyaqdXqCu9PKld7Qq72hK+vLwMgERGRi6uLYWEONwv4bszh788//8TOnTsRGBho8Xrnzp2hVCqxY8cOaVtKSgqSkpKkABgdHQ2tVosjR45IZQ4fPgytVmtRJikpCSkpKVKZ7du3Q61Wo3PnztWqu8POxiEiIiKH4nAtgLm5ufjrr7+k5+fPn0diYiICAgIQERGBxx57DMePH8eWLVtgNBql8XgBAQFQqVTQaDQYO3Yspk6disDAQAQEBGDatGlo27Yt+vTpAwBo1aoVHnnkEYwbNw7Lli0DAIwfPx6DBg1CVFQUAKBfv35o3bo1YmNj8cEHH+DmzZuYNm0axo0bxxnAREREZNccLgAeO3bMYoateUzd6NGjMXv2bPzwww8AgA4dOli8b/fu3ejVqxcAYOHChXBzc8PIkSNRUFCA3r17Y9WqVVAoFFL5tWvXYtKkSdJs4SFDhlisPahQKLB161ZMmDABPXr0gIeHB0aNGoUPP/zQGh+biIiIqNY49DqAji47OxsajQaRcd9CrvbEydn94MsxgERERC7JnAu0Wq3VexOdbgygI2MUJyIiorrAAEhERETkYhgAiYiIiFwMAyARERGRi2EAtCccA0hERER1gAGQiIiIyMUwABIRERG5GAZAIiIiIhfDAGhHBAcBEhERUR1gACQiIiJyMQyARERERC6GAZCIiIjIxTAA2hHeC5iIiIjqAgMgERERkYthACQiIiJyMQyARERERC6GAdCO1HQI4Nm0HIz/+hh+/et6rdSHiIiInJObrStAtePvjFz0W7gPAJBVYECPZkE2rhERERHZK7YAOol//fSH9PVvl7NsVxEiIiKyewyATuL0tWzpa12RCZl5ehvWhoiIiOwZA6AdEdVcCLDQYMQ1bQEAwFOlAFA8HpCIiIioIgyATuDCjTwIAfi6u6Fbk0AADIBERER0ewyATuB8Rh4AoEmwN6LCfAAAf6QyABIREVHFGACdwLnrJQEwyAtRocUBkC2AREREdDsMgHakuusAnitpAWwc5IUWJQEwOTWn2mMKiYiIyLkxADqB89dzARR3ATcN8YJMBmQXFuEGZwITERFRBRgAnYC5C7hxkBfUbgoEeqkAAOnZOltWi4iIiOwUA6CDy8zTIyvfAABoFOQJAAjyVgMAMnIZAImIiKg8BkA7Up0he+bWv3CNOzxVxXf2C/YpCYA5DIBERERUHgOggzuXYR7/5yVtC/FxBwCk5xTapE5ERERk3xgAHdz5UuP/zNgCSERERHfCAOjgtAXF4/8CvdTSNgZAIiIiuhMGQDsiqr0SICCT3fo6pCQApjMAEhERUQUYAJ2QuQXwOgMgERERVYAB0AmFsAuYiIiI7oAB0AmZWwBzdEUo0BttXBsiIiKyNwyA9qSWbt3rrXaDu7L4W8tWQCIiIiqLAdAJyWQyaS3AjFyuBUhERESWGACdlLkbmPcDJiIiorIYAJ1UMO8HTERERLfBAGhHamkIIAAgxJczgYmIiKhiDIBOKqikBfA6WwCJiIioDAZAJ+XvqQQAZOYZcC2rABdv5Nm4RkRERGQvGAAd3O26jTWeKgBAZr4ew/79KwZ+sp9rAhIREREABkC7ImowCFAGmcVzqQUwX4/0HB1ydUVIz+GSMERERMQA6LT8S1oAb+YZpG3aAsPtihMREZELYQB0UhqP4hbArHy9tI0BkIiIiAAGQLsianEhGH+v4hbAItOtfTIAEhEREcAA6LS8VAooFZbjArMLimxUGyIiIrInDIBOSiaTQeOhstjGFkAiIiICGACdmnkmsBkDIBEREQEMgHalJsvAVMQ8E9iMAZCIiIgABkCnpinTApjNAEhERERwwAC4b98+DB48GBEREZDJZPj+++8tXhdCYPbs2YiIiICHhwd69eqFU6dOWZTR6XSYOHEigoKC4OXlhSFDhuDKlSsWZTIzMxEbGwuNRgONRoPY2FhkZWVZlLl06RIGDx4MLy8vBAUFYdKkSdDr9bAXZbuAswsZAImIiMgBA2BeXh7at2+PxYsXV/j6/PnzsWDBAixevBhHjx5FWFgY+vbti5ycHKlMXFwcNm/ejA0bNmD//v3Izc3FoEGDYDTeulXaqFGjkJiYiPj4eMTHxyMxMRGxsbHS60ajEQMHDkReXh7279+PDRs2YOPGjZg6dar1PnwVsQuYiIiIKuJm6wpUVf/+/dG/f/8KXxNCYNGiRZg1axaGDx8OAPjqq68QGhqKdevW4fnnn4dWq8WKFSuwevVq9OnTBwCwZs0aREZGYufOnYiJicGZM2cQHx+PQ4cOoWvXrgCA5cuXIzo6GsnJyYiKisL27dtx+vRpXL58GREREQCAjz76CGPGjMF7770HX1/fKn+2Wh4CCD8GQCIiIqqAw7UA3sn58+eRmpqKfv36SdvUajUefPBBHDhwAACQkJAAg8FgUSYiIgJt2rSRyhw8eBAajUYKfwDQrVs3aDQaizJt2rSRwh8AxMTEQKfTISEhwaqfszTzxBGZrPxrfpwFTERERBVwuBbAO0lNTQUAhIaGWmwPDQ3FxYsXpTIqlQr+/v7lypjfn5qaipCQkHL7DwkJsShT9jj+/v5QqVRSmbJ0Oh10Op30PDs7uyofr8rKjQEsMMBkEpDLK0iLRERE5DKcqgXQTFamOUwIUW5bWWXLVFS+OmVKmzdvnjSpRKPRIDIy8o51qqmyXcAmAeTpeTcQIiIiV+dUATAsLAwAyrXApaenS611YWFh0Ov1yMzMvGOZtLS0cvvPyMiwKFP2OJmZmTAYDOVaBs1mzpwJrVYrPS5fvmzxuqjlhQDLdgED7AYmIiIiJwuAjRs3RlhYGHbs2CFt0+v12Lt3L7p37w4A6Ny5M5RKpUWZlJQUJCUlSWWio6Oh1Wpx5MgRqczhw4eh1WotyiQlJSElJUUqs337dqjVanTu3LnC+qnVavj6+lo8rKnsLGCAAZCIiIgccAxgbm4u/vrrL+n5+fPnkZiYiICAADRo0ABxcXGYO3cumjdvjubNm2Pu3Lnw9PTEqFGjAAAajQZjx47F1KlTERgYiICAAEybNg1t27aVZgW3atUKjzzyCMaNG4dly5YBAMaPH49BgwYhKioKANCvXz+0bt0asbGx+OCDD3Dz5k1MmzYN48aNs3qwqyyNB1sAiYiIqDyHC4DHjh3DQw89JD2fMmUKAGD06NFYtWoVpk+fjoKCAkyYMAGZmZno2rUrtm/fDh8fH+k9CxcuhJubG0aOHImCggL07t0bq1atgkKhkMqsXbsWkyZNkmYLDxkyxGLtQYVCga1bt2LChAno0aMHPDw8MGrUKHz44YfWPgWV5q5UwEOpQIHh1vqGvBsIERERyURtDzyjSsvOzi6eDBL3LeRqT/wy/SFEBnhWaR8zN/2O9UcuYUrfFpjUu3m517vP+xnXtIXS8/f/0RaP39ugxnUnIiKi2mXOBVqt1uq9iU41BpDKKzsTOLuAs4CJiIhcHQOgk+Ni0ERERFQWA6CT4/2AiYiIqCwGQCfHFkAiIiIqiwHQ4RXP4bndfU4YAImIiKgsBkAnV7YLOLuQAZCIiMjVMQA6ubKzgNkCSERERAyAdsQaKzL6l+kC5kLQRERExADo5CoaA8i1v4mIiFwbA6CTq+fnCbkMCPZRAwAMRmFxazgiIiJyPQyATi5M4441Y7ti7XNdoZAXzxXm3UCIiIhcGwOgHRGwTtds92ZBaBHqA41HcXcwJ4IQERG5NgZAF8IASERERAADoEvxdXcDwABIRETk6hgAXYgvWwCJiIgIDIB2xdqrs7ALmIiIiAAGQJdiDoBcDJqIiMi1MQA6OHOroUx297JsASQiIiKAAdClsAWQiIiIAAZAu2LtG7SxBZCIiIgABkCXwgBIREREAAOgS2EAJCIiIoAB0KVoPIsDYBYDIBERkUtjALQjwsoLAfp5qgAUtwBa+1hERERkvxgAXYi5C1hfZEKhwWTj2hAREZGtMAC6EC+VAm7y4gUDswr0Nq4NERER2QoDoAuRyWScCEJEREQMgPakLkblSRNB8hkAiYiIXBUDoIvxYwsgERGRy2MAdBKyytwMGKXWAmQLIBERkctiAHRwVV3NxbwUDCeBEBERuS4GQDtSF0vzcRIIERERMQC6GHMA5CQQIiIi18UA6GLYAkhEREQMgHbF+n3Afp4MgERERK6OAdDF+HEdQCIiIpfHAOhi2AVMREREDIAuRuNRsgxMPpeBISIiclUMgHakLpeBydEVwWiqi5vPERERkb1hAHQx5gAoBJBTyG5gIiIiV8QA6GJUbnJ4qRQAOBGEiIjIVTEAuiBOBCEiInJtDIB2pDoj8kQ13qWR7gfMAEhEROSKGABdkMbDDQBbAImIiFwVA6AL8itZCkbLpWCIiIhcEgOgC+IYQCIiItfGAGhH6mIdQIC3gyMiInJ1DIAuSGMOgGwBJCIickkMgC7I3AXMFkAiIiLXxADogvxLloHRFnASCBERkStiALQj1VnTrzrMYwAz2QJIRETkkhgAXZC5BTCLy8AQERG5JAZAF2QOgJn5Boi6mnpMREREdoMB0EnIZJUva+4CNpoEsguLrFQjIiIisldOFwCLiorw+uuvo3HjxvDw8ECTJk0wZ84cmEwmqYwQArNnz0ZERAQ8PDzQq1cvnDp1ymI/Op0OEydORFBQELy8vDBkyBBcuXLFokxmZiZiY2Oh0Wig0WgQGxuLrKysate9rhrj3JUKeCgVANgNTERE5IqcLgC+//77+Oyzz7B48WKcOXMG8+fPxwcffIBPP/1UKjN//nwsWLAAixcvxtGjRxEWFoa+ffsiJydHKhMXF4fNmzdjw4YN2L9/P3JzczFo0CAYjUapzKhRo5CYmIj4+HjEx8cjMTERsbGxdfp5qxsa/TkRhIiIyGW52boCte3gwYMYOnQoBg4cCABo1KgR1q9fj2PHjgEobv1btGgRZs2aheHDhwMAvvrqK4SGhmLdunV4/vnnodVqsWLFCqxevRp9+vQBAKxZswaRkZHYuXMnYmJicObMGcTHx+PQoUPo2rUrAGD58uWIjo5GcnIyoqKibPDpK8/PU4Vr2kJksgWQiIjI5ThdC2DPnj3x888/4+zZswCA3377Dfv378eAAQMAAOfPn0dqair69esnvUetVuPBBx/EgQMHAAAJCQkwGAwWZSIiItCmTRupzMGDB6HRaKTwBwDdunWDRqORypSl0+mQnZ1t8bAVfy/zYtAMgERERK7G6VoAX331VWi1WrRs2RIKhQJGoxHvvfcennzySQBAamoqACA0NNTifaGhobh48aJURqVSwd/fv1wZ8/tTU1MREhJS7vghISFSmbLmzZuHt99++7Z1r8sJuX7mmcB57AImIiJyNU7XAvjNN99gzZo1WLduHY4fP46vvvoKH374Ib766iuLcrIy02aFEOW2lVW2TEXl77SfmTNnQqvVSo/Lly9X9mPVOvMYQLYAEhERuR6nawH85z//iRkzZuCJJ54AALRt2xYXL17EvHnzMHr0aISFhQEobsELDw+X3peeni61CoaFhUGv1yMzM9OiFTA9PR3du3eXyqSlpZU7fkZGRrnWRTO1Wg21Wl07H7SGSq8FSERERK7F6VoA8/PzIZdbfiyFQiEtA9O4cWOEhYVhx44d0ut6vR579+6Vwl3nzp2hVCotyqSkpCApKUkqEx0dDa1WiyNHjkhlDh8+DK1WK5WxZ1IXMFsAiYiIXI7TtQAOHjwY7733Hho0aIB77rkHJ06cwIIFC/Dss88CKO62jYuLw9y5c9G8eXM0b94cc+fOhaenJ0aNGgUA0Gg0GDt2LKZOnYrAwEAEBARg2rRpaNu2rTQruFWrVnjkkUcwbtw4LFu2DAAwfvx4DBo0qNozgOvqXsBA6S5gtgASERG5GqcLgJ9++ineeOMNTJgwAenp6YiIiMDzzz+PN998Uyozffp0FBQUYMKECcjMzETXrl2xfft2+Pj4SGUWLlwINzc3jBw5EgUFBejduzdWrVoFhUIhlVm7di0mTZokzRYeMmQIFi9eXHcftgb82QJIRETksmSCN4O1mezsbGg0GkTGfQu52hNbJ/XEPRGaKu3jn//5Df9JuILpj0RhQq9mlX7fiUuZeHTJAdTz88CvMx6uatWJiIiolplzgVarha+vr1WP5XRjAKly2AJIRETkuhgA7UhN2mJluPMSNmWZA2C+3ghdkfEupYmIiMiZMAA6uOpmRh93N8hLMiMnghAREbkWBkAXJZfLuBQMERGRi2IAdGHmpWBu5jEAEhERuRIGQBdmHgfILmAiIiLXwgDowtgFTERE5JoYAF0Y7wZCRETkmhgAXZi/V0kLIMcAEhERuRQGQDtS1/dk8StpAcxkCyAREZFLYQB0YbcmgbAFkIiIyJUwALowf6kFkAGQiIjIlTAAurBb9wNmFzAREZErYQC0I6LaN3YDZFW7FTAAINC7OABez9VV+7hERETkeBgAXViglxoAkFNYBH2Ryca1ISIiorrCAOjgajJzWOOhhEJe3HTIcYBERESugwHQhcnlMmkiyI1cBkAiIiJXwQBoR+p6HUDgVjfwjTyOAyQiInIVDIAuLqDkbiA3eTcQIiIil8EA6OICSmYCswuYiIjIdTAAurjAkhZAdgETERG5DgZAO2KDIYDSGEB2ARMREbkOBkAXxy5gIiIi18MA6OICOQmEiIjI5TAA2hFhg3Vgbo0BZAAkIiJyFQyATqIatwIGcOt+wDd4P2AiIiKX4VZbO/rhhx+q/J6+ffvCw8OjtqpA1RBQMgkku7AIBqMJSgX/T0BEROTsai0ADhs2rErlZTIZ/vzzTzRp0qS2qkDV4OehhFwGmASQmadHiK+7ratEREREVlarzT2pqakwmUyVenh6etbmoZ1CdUYAihouHiOXy6S7gVznTGAiIiKXUGsBcPTo0VXqzn366afh6+tbW4enGuDt4IiIiFxLrXUBr1y5skrlly5dWluHphoK4N1AiIiIXApH/BMCvXk3ECIiIldSay2ApU2ZMqXC7TKZDO7u7mjWrBmGDh2KgIAAaxzeYdlgGUAApdYC5BhAIiIil2CVAHjixAkcP34cRqMRUVFREELgzz//hEKhQMuWLbFkyRJMnToV+/fvR+vWra1RBaqCAC4GTURE5FKs0gU8dOhQ9OnTB9euXUNCQgKOHz+Oq1evom/fvnjyySdx9epVPPDAA5g8ebI1Dk9VdKsLmGMAiYiIXIFVAuAHH3yAd955x2KWr6+vL2bPno358+fD09MTb775JhISEqxxeKoidgETERG5FqsEQK1Wi/T09HLbMzIykJ2dDQDw8/ODXs/AYck2gwC5DAwREZFrsVoX8LPPPovNmzfjypUruHr1KjZv3oyxY8dKdww5cuQIWrRoYY3DuyRZdW8GjFItgAyARERELsEqk0CWLVuGyZMn44knnkBRUVHxgdzcMHr0aCxYsAAA0LJlS3zxxRfWODxVkXkMoLbAwPsBExERuQCrBEBvb28sX74cCxcuxLlz5yCEQNOmTeHt7S2V6dChgzUOTdXg56GEQi6D0SRwM0+PUN4PmIiIyKlZpalnzZo1AIqDYLt27dC+fXsp/P3zn/+0xiGdQrXWAayFYYNyuQxB3sXdwOnZnAlMRETk7KwSAF9++WVs2bKl3PbJkydL4ZDsS7BPcTdwRm6hjWtCRERE1maVALhhwwY8/fTT2Ldvn7Rt4sSJ+Pbbb7F7925rHJJqKMSnuNs3I4ctgERERM7OKgHwkUcewWeffYZhw4bh2LFjmDBhAjZt2oTdu3ejZcuW1jgk1VBwyUQQdgETERE5P6tMAgGAJ554ApmZmejZsyeCg4Oxd+9eNGvWzFqHcwo2uhUwgNJdwAyAREREzq7WAuCUKVMq3B4SEoKOHTtiyZIl0jbzUjBkP6QAyC5gIiIip1drAfDEiRMVbm/atCmys7Ol12U1WbGYrCakJACmMwASERE5vVoLgLt378bMmTMxbNgwdO3atbZ2S3WELYBERESuo1YngaSmpmLw4MEIDw/H+PHj8eOPP0KnY6CorGqtA1hLSgdAYcuKEBERkdXVagBcuXIl0tLS8O2338LPzw9TpkxBUFAQhg8fjlWrVuH69eu1eTiqReYAWGAwIk9vtHFtiIiIyJpqfRkYmUyG+++/H/Pnz8cff/yBI0eOoFu3bli+fDnq1auHBx54AB9++CGuXr1a24d2aTLUbGylp8oN3uriEQHp2VwMmoiIyJlZZR3A0lq1aoXp06fj119/xZUrVzB69Gj88ssvWL9+vbUPTVXEcYBERESuwWrrAFYkODgYY8eOxdixY+vysA7D1mPvgr3VOH89j2sBEhEROblaaQEsKCiosEv31KlTtbH7Krt69SqefvppBAYGwtPTEx06dEBCQoL0uhACs2fPRkREBDw8PNCrV69yddXpdJg4cSKCgoLg5eWFIUOG4MqVKxZlMjMzERsbC41GA41Gg9jYWGRlZdXFR5TUZmQ0twDybiBERETOrcYB8LvvvkOLFi0wYMAAtGvXDocPH5Zei42NrenuqywzMxM9evSAUqnETz/9hNOnT+Ojjz6Cn5+fVGb+/PlYsGABFi9ejKNHjyIsLAx9+/ZFTk6OVCYuLg6bN2/Ghg0bsH//fuTm5mLQoEEwGm9NkBg1ahQSExMRHx+P+Ph4JCYm2uQz1xbeDYSIiMg11LgL+N1338Xx48cRHByMY8eOYfTo0Zg1axZGjRplky7N999/H5GRkVi5cqW0rVGjRtLXQggsWrQIs2bNwvDhwwEAX331FUJDQ7Fu3To8//zz0Gq1WLFiBVavXo0+ffoAANasWYPIyEjs3LkTMTExOHPmDOLj43Ho0CFp3cPly5cjOjoaycnJiIqKqrsPXUs4BpCIiMg11LgF0GAwIDg4GADQpUsX7Nu3D8uWLcOcOXNsctePH374AV26dMGIESOk29AtX75cev38+fNITU1Fv379pG1qtRoPPvggDhw4AABISEiAwWCwKBMREYE2bdpIZQ4ePAiNRmOx6HW3bt2g0WikMlVl69X3gnk3ECIiIpdQ4wAYEhKCkydPSs8DAwOxY8cOnDlzxmJ7XTl37hyWLl2K5s2bY9u2bXjhhRcwadIkfP311wCKF6sGgNDQUIv3hYaGSq+lpqZCpVLB39//jmVCQkLKHT8kJEQqU5ZOp0N2drbFw56EsAWQiIjIJdQ4AK5evbpcEFKpVFi/fj327t1b091XmclkQqdOnTB37lx07NgRzz//PMaNG4elS5dalCvbOimEuGuLZdkyFZW/037mzZsnTRjRaDSIjIys7MeqE+wCJiIicg01DoD169dHWFhYha/16NGjpruvsvDwcLRu3dpiW6tWrXDp0iUAkOpatpUuPT1dahUMCwuDXq9HZmbmHcukpaWVO35GRka51kWzmTNnQqvVSo/Lly9X4xNajzkA3szTwWiydYc0ERERWYvV1gEsLCzEyZMnkZ6eDpPJZPHakCFDrHVY9OjRA8nJyRbbzp49i4YNGwIAGjdujLCwMOzYsQMdO3YEAOj1euzduxfvv/8+AKBz585QKpXYsWMHRo4cCQBISUlBUlIS5s+fDwCIjo6GVqvFkSNHcN999wEADh8+DK1Wi+7du1dYN7VaDbVafdu62/oWvIFeashlgEkAN3J1CPF1t22FiIiIyCqsEgDj4+PxzDPPVHjvX5lMZrGUSm2bPHkyunfvjrlz52LkyJE4cuQIPv/8c3z++efS8ePi4jB37lw0b94czZs3x9y5c+Hp6YlRo0YBADQaDcaOHYupU6ciMDAQAQEBmDZtGtq2bSvNCm7VqhUeeeQRjBs3DsuWLQMAjB8/HoMGDXLIGcAAoJDLEOitRkaODuk5DIBERETOyiq3gnv55ZcxYsQIpKSkwGQyWTysGf4A4N5778XmzZuxfv16tGnTBu+88w4WLVqEp556Siozffp0xMXFYcKECejSpQuuXr2K7du3w8fHRyqzcOFCDBs2DCNHjkSPHj3g6emJ//3vf1AoFFKZtWvXom3btujXrx/69euHdu3aYfXq1Vb9fLdTWxOug725FiAREZGzkwkrLNbn6+uLEydOoGnTprW9a6eSnZ1dPBkk7lvI1Z5YP64bopsGVmkfk79JxOYTV/H6wFZ47v4mNa7T6C+PYO/ZDMz/RzuMvNe+JqkQERE5M3Mu0Gq18PX1teqxrNIC+Nhjj2HPnj3W2LVTEzZfCfDWUjBp2YU2rgkRERFZi1XGAC5evBgjRozAL7/8grZt20KpVFq8PmnSJGsc1iXVdgNuuJ8HACCFAZCIiMhpWSUArlu3Dtu2bYOHhwf27NlTbu08BkD7Fa4pnviRqmUAJCIiclZWCYCvv/465syZgxkzZkAut0ovM1lJWEkATGEAJCIiclpWSWd6vR6PP/44w19V2X4IYKkWwAIb14SIiIisxSoJbfTo0fjmm2+ssWuysnDf4jGAmfkGFBqsu2QPERER2YZVuoCNRiPmz5+Pbdu2oV27duUmgSxYsMAah6Va4OvhBk+VAvl6I1K0hWgc5GXrKhEREVEts0oA/P3336XbrCUlJVm8JqutFYvJKmQyGcI07jiXkYcUbQEDIBERkROySgDcvXu3NXbr9OxgCCCA4nGA5zLyOBOYiIjISdXaGMCTJ0/CZDJVuvypU6dQVFRUW4enWhRWMg6QM4GJiIicU60FwI4dO+LGjRuVLh8dHY1Lly7V1uGpFnEtQCIiIudWa13AQgi88cYb8PT0rFR5vV5fW4d2GrV/V+bqCffjWoBERETOrNYC4AMPPIDk5ORKl4+OjoaHh0dtHZ5qUbi0GDTXAiQiInJGtRYA9+zZU1u7IhszjwFkFzAREZFz4q06HJw1eo3NLYA38vRcDJqIiMgJMQDaEWEnC8H4eSrhriy+NNKzdTauDREREdU2BkAqRyaTIVxjXgqG4wCJiIicDQMgVSjMt2QpmGyOAyQiInI2VgmAly9ftsZuqQ6ZxwFey2IAJCIicjZWuRVcw4YN4e/vj/bt26N9+/bo0KED2rdvD51Oh3//+9/4+uuvrXFYh2cv6wACQJi0GDS7gImIiJyNVQLguXPnkJiYiMTERJw4cQLfffcdrl27BgDw9fW1xiGploX78XZwREREzsoqAbBRo0Zo1KgRhg0bJm07ePAgRo8ejffff98ah6RaFs4xgERERE6rziaBREdH4+OPP8a7775bV4d0KTKZrFb3F6bh7eCIiIiclVUCoMFgqHB78+bNcerUKWsc0inY0RBARJR0AWfk6KAr4mLQREREzsQqXcBeXl5o3bo1OnbsiA4dOqBjx46IiIjAp59+in79+lnjkFTL/D2V8FQpkK834mpmAZoEe9u6SkRERFRLrNICuGvXLowbNw5KpRJr165F//790aJFC3z66afQ6/WYNWsWvvnmG5w5c8Yah6daIJPJEOnvCQC4nMmZwERERM7EKi2APXv2RM+ePaXnJpMJycnJ0szghIQEfPnll0hPT4fRyO5FexUZ4IHktBxcvplv66oQERFRLbJKACxLLpejVatWaNWqFZ588klpe1paWl0c3mGIaiwEaM21AyMDSloAGQCJiIicik1vBRcaGmrLw9Nd3OoCZgAkIiJyJrwXMN3WrRZAjgEkIiJyJgyAdFuRAcVLwbAFkIiIyLkwANoRe1oHELjVBZyVb0B2YcVrOxIREZHjYQCk2/JSuyHQSwWAE0GIiIicCQMg3VF9jgMkIiJyOgyAdEeR/iXjANkCSERE5DQYAO1JDQYBymqvFhYaBHApGCIiImfDAEh3xMWgiYiInA8DIN0R7wdMRETkfBgA6Y6ktQBv5lfrVnVERERkfxgA7YioxiBAa0eyCD8PyGWArsiEjBydlY9GREREdYEB0I7YYwObUiFHuIZ3BCEiInImDIB2xB4DIFC6G5jjAImIiJwBA6AdsdP8J00EucSZwERERE6BAdCO2OskiwZcCoaIiMipMADaEfuMf7fWArzIAEhEROQUGADtiJ02AKJxkBcA4Pz1PBvXhIiIiGoDA6Bdsc8E2CS4OABm5OigLTDYuDZERERUUwyAdqQmLYAya90MGICPuxKhvmoAwLmMXOsdiIiIiOoEA6Adsc/2v2JNg70BAH9nsBuYiIjI0TEA2hF7HQMI3OoGZgsgERGR42MAtCPVuRVcXbnVAsgASERE5OgYAO2IPbcAsguYiIjIeTAA2pHq5L+6Wjza3AV88UYeioymOjkmERERWYfTB8B58+ZBJpMhLi5O2iaEwOzZsxEREQEPDw/06tULp06dsnifTqfDxIkTERQUBC8vLwwZMgRXrlyxKJOZmYnY2FhoNBpoNBrExsYiKyur2nW11zuBAECExgPuSjkMRoHLmbwnMBERkSNz6gB49OhRfP7552jXrp3F9vnz52PBggVYvHgxjh49irCwMPTt2xc5OTlSmbi4OGzevBkbNmzA/v37kZubi0GDBsFoNEplRo0ahcTERMTHxyM+Ph6JiYmIjY2ts89Xl+RyGZoElXQDp3McIBERkSNz2gCYm5uLp556CsuXL4e/v7+0XQiBRYsWYdasWRg+fDjatGmDr776Cvn5+Vi3bh0AQKvVYsWKFfjoo4/Qp08fdOzYEWvWrMHvv/+OnTt3AgDOnDmD+Ph4fPHFF4iOjkZ0dDSWL1+OLVu2IDk5uVp1tuMGQAC3uoE5EYSIiMixOW0AfOmllzBw4ED06dPHYvv58+eRmpqKfv36SdvUajUefPBBHDhwAACQkJAAg8FgUSYiIgJt2rSRyhw8eBAajQZdu3aVynTr1g0ajUYqU1X2PAsYuDUR5BwnghARETk0N1tXwBo2bNiA48eP4+jRo+VeS01NBQCEhoZabA8NDcXFixelMiqVyqLl0FzG/P7U1FSEhISU239ISIhUpiydTgedTic9z87Otnjd3lsAm4ZwKRgiIiJn4HQtgJcvX8Yrr7yCNWvWwN3d/bblZGXunSaEKLetrLJlKip/p/3MmzdPmjCi0WgQGRlZ5r13PLzNNWUXMBERkVNwugCYkJCA9PR0dO7cGW5ubnBzc8PevXvxySefwM3NTWr5K9tKl56eLr0WFhYGvV6PzMzMO5ZJS0srd/yMjIxyrYtmM2fOhFarlR6XL1+2eL0m+c+KtwKWNA4qDoCZ+QbczNPXwRGJiIjIGpwuAPbu3Ru///47EhMTpUeXLl3w1FNPITExEU2aNEFYWBh27NghvUev12Pv3r3o3r07AKBz585QKpUWZVJSUpCUlCSViY6OhlarxZEjR6Qyhw8fhlarlcqUpVar4evra/EozZ6XgQEAT5Ub6vl5AOAt4YiIiByZ040B9PHxQZs2bSy2eXl5ITAwUNoeFxeHuXPnonnz5mjevDnmzp0LT09PjBo1CgCg0WgwduxYTJ06FYGBgQgICMC0adPQtm1baVJJq1at8Mgjj2DcuHFYtmwZAGD8+PEYNGgQoqKiqlV3+45/xZoEe+FqVgH+zshFl0YBtq4OERERVYPTBcDKmD59OgoKCjBhwgRkZmaia9eu2L59O3x8fKQyCxcuhJubG0aOHImCggL07t0bq1atgkKhkMqsXbsWkyZNkmYLDxkyBIsXL65+xRwgATYN9sYvf17nLeGIiIgcmEsEwD179lg8l8lkmD17NmbPnn3b97i7u+PTTz/Fp59+etsyAQEBWLNmTS3V0v6XgQFuTQT5My3nLiWJiIjIXjndGEBHVp0hgHUdGVuFF49bPJPCAEhEROSoGADtiP23/wEtSwJganYhZwITERE5KAZAO2Lnk4ABAN5qNzQK9AQAnEnJvktpIiIiskcMgHbEEcYAAre6gU9fYwAkIiJyRAyAdsQRWgABoLU5ALIFkIiIyCExANoRB8l/aB3BFkAiIiJHxgBoTxykCdAcAP/OyEWhwWjj2hAREVFVMQDakRrdC1hWF3cDLhbm6w4/TyWKTAJ/pfOWcERERI6GAdCOOEgDIGQy2a1xgOwGJiIicjgMgHZEOEoCBCeCEBEROTIGQDviOPGv1EQQBkAiIiKHwwBoRxyoAVAKgGeuZTtUyyURERExANoVR4pRTYO9oVLIkaMrwpXMAltXh4iIiKqAAdCOVKslzUapUamQo3moNwDgFCeCEBERORQGQKo280QQ3hOYiIjIsTAA2hFHG0pnHgfIFkAiIiLHwgBoR4RDjQIE7onQAAB+v5rFiSBEREQOhAHQjjhahmpbTwM3uQxp2TpczeJEECIiIkfBAGhHHCz/wUOlwD0l3cAJFzNtXBsiIiKqLAZAO+JoLYAA0KmhPwDgOAMgERGRw2AAtCM1GQMok9ViRaqgc0kATLjEAEhEROQoGADtiCO2AJoD4JmUHOTpimxcGyIiIqoMBkCqkXCNByI07jCaBH67kmXr6hAREVElMADaEUddSoXjAImIiBwLA6AdcdD8d2scIAMgERGRQ2AAtCMOmv8sAqDJ5KifgoiIyHUwANqR6rQA2sPdQ1qF+8JdKUd2YRH+zsi1dXWIiIjoLhgA7Yg9hLnqUCrkaF/fDwC7gYmIiBwBA6AdcdQxgADHARIRETkSBkA74sD5jwtCExERORAGQHviwE2AHRsUB8BzGXm4mae3cW2IiIjoThgA7Yjjxj8gwEuFFqHeAIADf1+3cW2IiIjoThgAnYSNbgVs4f7mwQCAfWczbFwTIiIiuhMGQDviwD3AAIAHWpgD4HWHvasJERGRK2AAtCOOugyMWdfGAVC7yZGaXYg/07keIBERkb1iALQjjt5o5q5U4L7GAQDYDUxERGTPGADtiIPnPwDAg+Zu4D85EYSIiMheMQDaEUdvAQRujQM8fO4GCg1GG9eGiIiIKsIAaEeqMwbQ3kJj8xBvhPm6Q1dkwpHzN21dHSIiIqoAA6A9sbMwVx0ymQz3Nw8CwHGARERE9ooB0I44Qf4DUGo5mD8ZAImIiOwRA6AdMZmcIwL2bBYEmQw4m5aLVG2hratDREREZTAA2hEnyX/w91KhXX0/AGwFJCIiskcMgHbEZG8zOmrgwZJxgHs5DpCIiMjuMADakRoFQJk93A34lodbhQIAdv+RjgI9l4MhIiKyJwyAdsToLH3AANrX16C+vwfy9UbsTk63dXWIiIioFAZAO+JE+Q8ymQwD24UDALacvGbj2hAREVFpDIB2xFlmAZsNbhcBANj1RzrydEU2rg0RERGZMQDaEWeaBAIA90T4olGgJwoNJuw8k2br6hAREVEJBkA7YnSyACiTyTCopBVwy8kUG9eGiIiIzBgA7YiT5T8AwKD2xeMA9yZnILvQYOPaEBEREcAAaFeqMwvY3kNjVKgPmoV4Q280YccpdgMTERHZAwZAO+JsYwABczcwZwMTERHZEwZAO+KMARCANA7wlz+vIytfb+PaEBERkdMFwHnz5uHee++Fj48PQkJCMGzYMCQnJ1uUEUJg9uzZiIiIgIeHB3r16oVTp05ZlNHpdJg4cSKCgoLg5eWFIUOG4MqVKxZlMjMzERsbC41GA41Gg9jYWGRlZVW77iZTtd9q15qFeKNlmA+KTALxSam2rg4REZHLc7oAuHfvXrz00ks4dOgQduzYgaKiIvTr1w95eXlSmfnz52PBggVYvHgxjh49irCwMPTt2xc5OTlSmbi4OGzevBkbNmzA/v37kZubi0GDBsFovHVbs1GjRiExMRHx8fGIj49HYmIiYmNjq113Z5sFXNqQDsWtgBuOXrZxTYiIiMjN1hWobfHx8RbPV65ciZCQECQkJOCBBx6AEAKLFi3CrFmzMHz4cADAV199hdDQUKxbtw7PP/88tFotVqxYgdWrV6NPnz4AgDVr1iAyMhI7d+5ETEwMzpw5g/j4eBw6dAhdu3YFACxfvhzR0dFITk5GVFRUlesuahAA7etOwOWN6ByJhTvOIvFyFn6/okXb+hpbV4mIiMhlOV0LYFlarRYAEBAQAAA4f/48UlNT0a9fP6mMWq3Ggw8+iAMHDgAAEhISYDAYLMpERESgTZs2UpmDBw9Co9FI4Q8AunXrBo1GI5UpS6fTITs72+JRmpPdCMRCsI8aA9oWTwb5+uAF21aGiIjIxTl1ABRCYMqUKejZsyfatGkDAEhNLR6DFhoaalE2NDRUei01NRUqlQr+/v53LBMSElLumCEhIVKZsubNmyeNF9RoNIiMjLR4vTrLwDiSZ6IbAgB++O0aMvM4GYSIiMhWnDoAvvzyyzh58iTWr19f7jWZzLLTVAhRbltZZctUVP5O+5k5cya0Wq30uHzZcjycs84CNuvUwB+tw32hKzLhPwkcC0hERGQrThsAJ06ciB9++AG7d+9G/fr1pe1hYWEAUK6VLj09XWoVDAsLg16vR2Zm5h3LpKWVX9g4IyOjXOuimVqthq+vr8WjNGcPgDKZTGoFXHPoktO3eBIREdkrpwuAQgi8/PLL2LRpE3bt2oXGjRtbvN64cWOEhYVhx44d0ja9Xo+9e/eie/fuAIDOnTtDqVRalElJSUFSUpJUJjo6GlqtFkeOHJHKHD58GFqtVipTVc66DExpQzvUg6+7Gy7dzMfes+m2rg4REZFLcrpZwC+99BLWrVuH//73v/Dx8ZFa+jQaDTw8PCCTyRAXF4e5c+eiefPmaN68OebOnQtPT0+MGjVKKjt27FhMnToVgYGBCAgIwLRp09C2bVtpVnCrVq3wyCOPYNy4cVi2bBkAYPz48Rg0aFC1ZgADzr0MjJmHSoERXSKxYv95fH3wIh5uWXFrKREREVmP0wXApUuXAgB69eplsX3lypUYM2YMAGD69OkoKCjAhAkTkJmZia5du2L79u3w8fGRyi9cuBBubm4YOXIkCgoK0Lt3b6xatQoKhUIqs3btWkyaNEmaLTxkyBAsXry42nWvyTIwjuTpbg2xYv957D2bgYs38tAw0MvWVSIiInIpMuEqqcMOZWdnF88GjvsWcrUnOjXww6YJPaq0j+dXH8O2U2l4d1gbPN2toZVqWvtGf3kEe89m4NkejfHm4Na2rg4REZHNmXOBVqstN0+gtjndGEBH5kpzIp7tWTw2c+3hi0jLLrRxbYiIiFwLA6AdcfZZwKU90DwInRv6Q1dkwuJdf9m6OkRERC6FAdCOuFIAlMlkmNaveLLMhqOXcPlmvo1rRERE5DoYAO2I0QWWgSktumkgejQLhMEo8MnPf9q6OkRERC6DAdCO1GQ+zl1uYmK3ppa0Am48fgXnMnJtXBsiIiLXwABoR1zxzhidGvijd8sQmASwcCdbAYmIiOoCA6AdcaUxgKVN6dcCAPC/367hTEq2jWtDRETk/BgA7YgLNgACAO6J0GBg23AAwIIdZ21cGyIiIufHAGhHXLUFEAAm920BuQzYcToNu5N5j2AiIiJrYgC0I0VG1w2AzUK88WyP4sWhX9+chDxdkY1rRERE5LwYAO1IkcnF1oEpY0q/Fqjv74GrWQX4YFuyratDRETktBgA7YihGi2AztRr7Klyw9xH2wIAvjp4AccvZdq4RkRERM6JAdCO6ItcuwUQAB5oEYzhnepBCGDGxpM8J0RERFbAAGhH9K52K5DbeGNgawR6qXA2LRef7f3b1tUhIiJyOgyAdkRfZKrR3UCchb+XCm8NuQcAsHjXX/grPcfGNSIiInIuDIB2pshVFwMsY3C7cDzcMgR6owmT1ieiQG+0dZWIiIicBgOgnanumDcZHPRmwLchk8nw3qNtEOilwumUbLy2+Xe2jhIREdUSBkA7Y+A4QEm4xgOLR3WCQi7D5hNXserABVtXiYiIyCkwANoZznq1FN00EK8NaAUAeHfrGRw6d8PGNSIiInJ8DIB2hjOBy3u2RyMM6xABo0ngpbXHcS2rwNZVIiIicmgMgHaGLYDlyWQyzBveDq3DfXEjT48X1iSg0MBJIURERNXFAGhnqnM3EFfgoVJgWWxn+HkqcfKKFlP/8xuK2FpKRERULQyAdoYtgLcXGeCJf4/qBKVChq0nUzDlW4ZAIiKi6mAAtDN6I7s276RHsyD8e1QnuMll+OG3a5j2n99g5NqJREREVcIAaCcU8uJ1/HJ1VQuArhh9+t0ThsUlIfD7xGv4J0MgERFRlTAA2gl/TyUAICtfDwA4eSUL/028ihu5OltWy2490iYMnz7ZEQq5DJtOXMX0704yBBIREVWSm60rQMX8PFW4nqtHZp4eX/xyDu9uPQMA8HF3w+exXRDdNNDGNbQ//duG4xMBTNpwAhuPXwEAzBveFio3/r+GiIjoTviX0k6YWwAPnbuJf/30BwAg2EeNnMIijF99DJdv5tuyenZrYLtwfPxEByjkMmw8fgVPf3EYGTlsNSUiIroTBkA74eepAgDEn0pFkUmgT6tQ/DL9IXRs4IecwiK8vP7EHWe8ypzrVsBVMqhdBJY/0xk+ajccuXATQxbvx+9XtLauFhERkd1iALQTgV4qi+dT+7WAu1KBxaM6QeOhxG+Xs7D8l/M2qp39e7hlKL5/uQeaBHshRVuIxz47gM0nrti6WkRERHaJAdBOtAj1kb5+uGUIWoX7AgDq+XngzUGtAQALd57FuYxcm9TPETQN9sb3L/VA75Yh0BWZMPmb3/DultNcK5CIiKgMBkA7cV/jAHRp6I9gHzVm9G9p8drwTvXwQItg6ItMmLHxd5g42/W2fN2VWP5MF7z8UDMAwBf7z+Pxzw/hr/QcG9eMiIjIfjAA2gmlQo5vn4/Gkdd6W7QGAsX3wp37aBt4qhQ4cuEm1h6+aKNaOga5XIZpMVFY8lQneKkUSLiYiQEf78enP//JO60QERGBAdCuyOUyyG4zm6O+vydefaS4ZfBfP/2Bq1kFdVk1hzSgbTi2T3kQD0UFQ2804aMdZzFk8X78djnL1lUjIiKyKQZABxLbrSG6NPRHnt6IWZt/hxDsCr6ben4e+HLMvfj4iQ4I8FLhj9QcPLrkV7y39TQK9LztHhERuSYGQAcil8vwr3+0g0ohx57kDHyfeNXWVXIIMpkMQzvUw47JD2BohwiYBLD8l/Po9eFurD50kd3CRETkchgAHUyzEG+80qc5AOCt/57CNXYFV1qgtxofP9ERX47pgnp+HkjL1uGN75Pw0Id78O2xy5wtTERELoMB0AGNf6AJOjbwQ3ZhEU5dy7Z1dRzOwy1DsWvag5gz9B6E+KhxNasA0787ib4L9+G/iVd5T2EiInJ6DIAOSKmQ49MnO0LjobR1VRyW2k2BZ6IbYd/0h/D6wFYI8FLh/PU8vLIhEY8s2oe1hy8iT1dk62oSERFZBQOgg6rv74kPR7S3dTUcnrtSgefub4Jfpj+Ef8ZEwdfdDX+m52LW5iR0nfsz3vg+CcmpXEOQiIicCwOgA+vbOhTT+rVAmK877m3kb+vqODQvtRteeqgZ9s94GG8Mao0mQV7I1RVh9aGLiFm0DyM+O4DvT1yFrogzh4mIyPHJBNcSsZns7GxoNBpExn2LHa8+gqgwn7u/ieqEEAIH/76BNYcvYvupNBSVjAv091Qi5p4wPNImDN2bBkHlxv9DERFR7TDnAq1WC19fX6sey82qeydyUDKZDN2bBaF7syCkZxdiw9HLWH/kElK0xV9vOHoZvu5u6NM6FP3bhOP+5kFwVypsXW0iIqJKYQAkuosQX3dM6t0cE3o1xZHzN/FjUgq2nUpDRo4Om45fxabjV+GlUuDhVqF4uGUwujcNQqivu62rTUREdFsMgESV5KaQS62Cbw9pg4SLmfgpKQXxSalI0Rbif79dw/9+uwYAaBrshe5Ng9C9aSC6NQmEv5fKxrUnIiK6hQGQqBoUchnuaxyA+xoH4I2BrfHblSxsO5WGA39fx+9Xtfg7Iw9/Z+Rh9aGLkMmAVmG+6N40EJ0b+qNdpB8iNO63ve8zERGRtTEAEtWQXC5Dxwb+6NigeCa2Nt+AQ+dv4ODfN3Dg7+s4m5aL0ynZOJ2SjS/2nwcABHqp0K6+Bm3r+6F9fQ3a1tcgxIfdxuQaZv9wCv85dhleajf4eijh627+VwmfUl/7erjBx93ydfPXajc5/xNFVAMMgES1TFMyUzjmnjAAQHpOIQ6du4mDf9/Ab5ezcDYtBzfy9NidnIHdyRnS+8J83dGmngbNQ73RPMQbzUK80TTYG15q/piS8zAYTVh35BL0RSbk6Y1Iz9FVaz8qhRy+Hm6VCo1lX/d1V8JTpWCAJJfGvyxEVhbi444h7SMwpH0EAKDQYMSZlGycvKIteWThr4xcpGYXIjW7EDvPpFm8v56fB5qVBELzI9LfEyE+asjl/ANGjuWv9Fzoi0zwUbth/fhuyC40ILugCNmFBuQUFiG7wFBm262vswsMyNEVQQhAbzTheq4e13P11aqHQi4rDobm0Ki+FQ59PYpDo7faDT7ubvBSV/C1WgkvtQJuCi4FRY6JAZCojrkrFRZdxgCQpyu+r/Ppa1r8lZGLP9Ny8XdGLq7n6nE1qwBXswqw92yGxX5UbnLU9/NA/QBPRPp7oL6/JyIDPBDp74nIAE/4eyrZwkF2J+mqFgDQOsIXbeppqvx+k0kgT1+EbHNYLCgJjiUBMbuwyDI0lnydU2iQ3lNkEjCaBLLyDcjKN9To87gr5fBWK+GtVsC7JDRaPi/5Wu0Gb3fz10p4u7vBS6WAh0oBT5UbPFUKdmtTnWIAJLIDXmo3aVJJaZl5eikQ/pWei78ycnEuIxcp2kLoi0w4dz0P567nVbhPd6Ucob7uCPVxR4ivuvhrXzVCLJ67w5tdzFSHTl3LBoBqhT+geMytj7sSPu5K1PPzqPL7hRAoMBgrbG3MLrMtT1f8yNEVIbewCLmlnuuLTACAQoMJhQYdrudW6+NYkMkAT6UCHio3eKjk8FS6lQTE4oeHyq3k9TLbVAp4lN2udCtVRgF3pQJuchkDJkn4m5/Ijvl7qXCvVwDubWQZDA1GE1K1hbh8Mx9XMgtwOTMfl2/m43JmAa5k5iMtW4dCgwkXb+Tj4o38Ox7DU6VAgJcKgV4q+HupEOCpQoD561IPf8/iMr4eSijY9UzVZG4BbFPPunc5uB2ZTFbS4uZWo/U69UUm5OmKQ2FOYRHy9MUhMackJJb9OldX6mEOk/oi5OuNUpgUAsjTG5Gnt84tJ+UyQO2mgLtSDrWbAmqlHO5l/lW7yaFWFrdGWpR1k8PdvN2ifMVlVCUPpaJ4n0qFnL837AwDIJEDUirkiAwo7uqtSKHBiLTsQqRl65CWXYj0HB3SswtvbcspRHq2Drm64j9A+foCXMksqPTxfdzdoPFQws9TCY2H+aGSvi693VtdPG7KPH7KU6ng2EUXZTQJnE4paQGMqF4LoL0oDjiqWlnjs8hoQoHBiAK9seTn0VjqeREKDKW264tKfW1Efkm5AkPRrW2lyxqMMN/w1SRQvF+DEUDNur6rQyGXQamQWYRCc0hUKeRQusmhVsihdJMVPy95XVW6nFvp7TLpeemybgoZ3ORyKBUyuCnkUMqL/3VTyKCUl/xrLuNW8euu0FrKAFgLlixZgg8++AApKSm45557sGjRItx///22rha5MHelAg0DvdAw0OuO5XJ1RcjI0eFmnh438/TIzNPjZn7xvzdKPTe/nlNYBADIKSxu9ahKaDSTyQAvlRu8zOOi1LcG1pu/9ijVpeWhLPO1ynK7p0oB95LxUyoFx1DZs/PX85CvN8JdKUeTYG9bV8duuCnk8FHI4eOurPV9CyGgKzJBZzBBV2SErsiEQkPxv7oiIwrN2w0mFJb8e+cyJugMZfdza5u5vL7IBL3RZFEXY8nYy0KDCTm1/klrn5tcZhkKS4VJc5C1CJulwqNCLi/+V3peZrv5eZny+oJaGEtQ2c9XZ0dyUt988w3i4uKwZMkS9OjRA8uWLUP//v1x+vRpNGjQwNbVI7ojc+hqHHTnoGhmMJqgLTDceuTf+jqr1NfFDz20BQbk6YzIKTQgT2+E0SQgBKSusDRUbwmQOzG3FphbA9RKebltKje51E2ldlNYvl6mjNpiu6JcGVVJ15ZSYf6lLodCIYNSbvncTX7rD4GrhtRT10omgIT7sjuwjshkMrgrFSX3Kq/9gHknQggYjAIGY3EgNBiLw6LBWBwODUUCeqMR+iJR8rxke+lyJf8ajKLcNnPI1FtsLz5ekUmgqOR9RSYTiozFxygqeW4wlrxeUs4kyte/yCRQZBIohKn8i1Zi0t15yE5tYgCsoQULFmDs2LF47rnnAACLFi3Ctm3bsHTpUsybN8/GtSOqXUqFHEHeagR5q6v8XnNLRE5hkTR2yjweKk9fJG3P0xWhsMhU3PWlL25lMHeDFRhMKDB/Xeq10r+89SV/XKyQLWuN+X//UkuAQn7rubklQXqtuHVAeZfnbnIZ5DIZ5DJIIVMhR8m24of0XC6DoqSsXG5+TQaZDCXbZSXbi/dV+v0yWcl7S+1bUebYFu+Xmesiw56SdS+rOwGEHItMJoPKrbib1qvqvzLqlMkkYCgJioYywdEcKA1lAqT5ednXjSYBoygOj8aS14wlYdL8r0l6bvl6fk4OPq6jz8wAWAN6vR4JCQmYMWOGxfZ+/frhwIEDNqoVkX0q3RIR7FN7fw3MwdLcEqAv6ZIyf603Gss8L+4OK11eb6zgPXctU9zdVfwHoeQXuLnloeS5saJmBdzqCrPjjGpVjj7+j5yPXC6DWq6ArRdFyM7OZgB0BNevX4fRaERoaKjF9tDQUKSmppYrr9PpoNPd+pWv1RZ3h5h0+cjPy0F2dsV/LIioclQAVHLAW1XyBDLY8tecEJb/6y8ymqTwVxwUTVJrgKHktVthsnQrQnFZ83sNxpKWA2F+b/Fzk4DUzW4yASYhpIdRFNfH3DqBkrJSGRNglL4u3oex9PtNJe8XAiYBiJL9G0uVLf66VBnpvbfKBHmp0bW+B7Kzs232fSGyV+afCyGsnwcYAGtB2fE8QogKx/jMmzcPb7/9drntV5eOQaelVqseEZFd+WGqrWtAZN9u3LgBjca6LeUMgDUQFBQEhUJRrrUvPT29XKsgAMycORNTpkyRnmdlZaFhw4a4dOmS1b/RriY7OxuRkZG4fPkyfH1ts96YM+J5tQ6eV+vgebUenlvr0Gq1aNCgAQICAu5euIYYAGtApVKhc+fO2LFjBx599FFp+44dOzB06NBy5dVqNdTq8mOfNBoNf4CsxNfXl+fWCnherYPn1Tp4Xq2H59Y65HLr32OaAbCGpkyZgtjYWHTp0gXR0dH4/PPPcenSJbzwwgu2rhoRERFRhRgAa+jxxx/HjRs3MGfOHKSkpKBNmzb48ccf0bBhQ1tXjYiIiKhCDIC1YMKECZgwYUKV36dWq/HWW29V2C1MNcNzax08r9bB82odPK/Ww3NrHXV5XmWiLuYaExEREZHdsP4oQyIiIiKyKwyARERERC6GAZCIiIjIxTAAWtmSJUvQuHFjuLu7o3Pnzvjll1/uWH7v3r3o3Lkz3N3d0aRJE3z22Wd1VFPHUpXzumfPHshKbkhf+vHHH3/UYY3t3759+zB48GBERERAJpPh+++/v+t7eL1WTlXPLa/Zu5s3bx7uvfde+Pj4ICQkBMOGDUNycvJd38dr9u6qc255zd7d0qVL0a5dO2ntxOjoaPz00093fI81r1cGQCv65ptvEBcXh1mzZuHEiRO4//770b9/f1y6dKnC8ufPn8eAAQNw//3348SJE3jttdcwadIkbNy4sY5rbt+qel7NkpOTkZKSIj2aN29eRzV2DHl5eWjfvj0WL15cqfK8XiuvqufWjNfs7e3duxcvvfQSDh06hB07dqCoqAj9+vVDXl7ebd/Da7ZyqnNuzXjN3l79+vXxr3/9C8eOHcOxY8fw8MMPY+jQoTh16lSF5a1+vQqymvvuu0+88MILFttatmwpZsyYUWH56dOni5YtW1pse/7550W3bt2sVkdHVNXzunv3bgFAZGZm1kHtnAMAsXnz5juW4fVaPZU5t7xmqy49PV0AEHv37r1tGV6z1VOZc8trtnr8/f3FF198UeFr1r5e2QJoJXq9HgkJCejXr5/F9n79+uHAgQMVvufgwYPlysfExODYsWMwGAxWq6sjqc55NevYsSPCw8PRu3dv7N6925rVdAm8Xq2P12zlabVaALjjPVR5zVZPZc6tGa/ZyjEajdiwYQPy8vIQHR1dYRlrX68MgFZy/fp1GI1GhIaGWmwPDQ1Fampqhe9JTU2tsHxRURGuX79utbo6kuqc1/DwcHz++efYuHEjNm3ahKioKPTu3Rv79u2riyo7LV6v1sNrtmqEEJgyZQp69uyJNm3a3LYcr9mqq+y55TVbOb///ju8vb2hVqvxwgsvYPPmzWjdunWFZa19vfJOIFYmk8ksngshym27W/mKtru6qpzXqKgoREVFSc+jo6Nx+fJlfPjhh3jggQesWk9nx+vVOnjNVs3LL7+MkydPYv/+/Xcty2u2aip7bnnNVk5UVBQSExORlZWFjRs3YvTo0di7d+9tQ6A1r1e2AFpJUFAQFApFuVap9PT0coneLCwsrMLybm5uCAwMtFpdHUl1zmtFunXrhj///LO2q+dSeL3WLV6zFZs4cSJ++OEH7N69G/Xr179jWV6zVVOVc1sRXrPlqVQqNGvWDF26dMG8efPQvn17fPzxxxWWtfb1ygBoJSqVCp07d8aOHTsstu/YsQPdu3ev8D3R0dHlym/fvh1dunSBUqm0Wl0dSXXOa0VOnDiB8PDw2q6eS+H1Wrd4zVoSQuDll1/Gpk2bsGvXLjRu3Piu7+E1WznVObcV4TV7d0II6HS6Cl+z+vVaK1NJqEIbNmwQSqVSrFixQpw+fVrExcUJLy8vceHCBSGEEDNmzBCxsbFS+XPnzglPT08xefJkcfr0abFixQqhVCrFd999Z6uPYJeqel4XLlwoNm/eLM6ePSuSkpLEjBkzBACxceNGW30Eu5STkyNOnDghTpw4IQCIBQsWiBMnToiLFy8KIXi91kRVzy2v2bt78cUXhUajEXv27BEpKSnSIz8/XyrDa7Z6qnNuec3e3cyZM8W+ffvE+fPnxcmTJ8Vrr70m5HK52L59uxCi7q9XBkAr+/e//y0aNmwoVCqV6NSpk8U0+tGjR4sHH3zQovyePXtEx44dhUqlEo0aNRJLly6t4xo7hqqc1/fff180bdpUuLu7C39/f9GzZ0+xdetWG9TavpmXcSj7GD16tBCC12tNVPXc8pq9u4rOJwCxcuVKqQyv2eqpzrnlNXt3zz77rPR3Kzg4WPTu3VsKf0LU/fUqE6JkRCERERERuQSOASQiIiJyMQyARERERC6GAZCIiIjIxTAAEhEREbkYBkAiIiIiF8MASERERORiGACJiIiIXAwDIBEREZGLYQAkInIQMpkMMpkMfn5+0rbZs2ejQ4cOVj92r169pOMnJiZa/XhEZF0MgEREDmTlypU4e/Zsrexr48aNUCgUuHTpUoWvt2zZEpMmTQIAbNq0CUeOHKmV4xKR7TEAEhHVIoPBYNX9+/n5ISQkpFb2NWTIEAQGBuKrr74q99qvv/6K5ORkjB07FgAQEBCA4ODgWjkuEdkeAyAROSUhBObPn48mTZrAw8MD7du3x3fffSe9vmfPHshkMvz888/o0qULPD090b17dyQnJ1vs53//+x86d+4Md3d3NGnSBG+//TaKioqk12UyGT777DMMHToUXl5eePfddwEA7777LkJCQuDj44PnnnsOM2bMkLpq9+3bB6VSidTUVItjTZ06FQ888ECNPvf58+fRrFkzvPjiizCZTNDr9Zg+fTrq1asHLy8vdO3aFXv27AEAKJVKxMbGYtWqVSh7W/gvv/wSnTt3Rvv27WtUHyKyTwyAROSUXn/9daxcuRJLly7FqVOnMHnyZDz99NPYu3evRblZs2bho48+wrFjx+Dm5oZnn31Wem3btm14+umnMWnSJJw+fRrLli3DqlWr8N5771ns46233sLQoUPx+++/49lnn8XatWvx3nvv4f3330dCQgIaNGiApUuXSuUfeOABNGnSBKtXr5a2FRUVYc2aNfi///u/an/mpKQk9OjRAyNGjMDSpUshl8vxf//3f/j111+xYcMGnDx5EiNGjMAjjzyCP//8EwAwduxYnDt3zuK85OXl4dtvv5Va/4jICQkiIieTm5sr3N3dxYEDByy2jx07Vjz55JNCCCF2794tAIidO3dKr2/dulUAEAUFBUIIIe6//34xd+5ci32sXr1ahIeHS88BiLi4OIsyXbt2FS+99JLFth49eoj27dtLz99//33RqlUr6fn3338vvL29RW5u7m0/FwCxefNmi21vvfWWaN++vThw4IAICAgQH3zwgfTaX3/9JWQymbh69arFe3r37i1mzpxpUd9nnnlGev7ll18KDw8PkZmZafG+8+fPCwDixIkTt60jETkGtgASkdM5ffo0CgsL0bdvX3h7e0uPr7/+Gn///bdF2Xbt2klfh4eHAwDS09MBAAkJCZgzZ47FPsaNG4eUlBTk5+dL7+vSpYvFPpOTk3HfffdZbCv7fMyYMfjrr79w6NAhAMVdriNHjoSXl1eVP++lS5fQp08fvP7665g2bZq0/fjx4xBCoEWLFhafYe/evRbnYezYsfjuu++Qk5Mj1WX48OEWs42JyLm42boCRES1zWQyAQC2bt2KevXqWbymVqstniuVSulrmUxm8X6TyYS3334bw4cPL3cMd3d36euKQpt5X2aizBi7kJAQDB48GCtXrkSTJk3w448/SmPzqio4OBgRERHYsGEDxo4dC19fX6n+CoUCCQkJUCgUFu/x9vaWvn7iiScwefJkfPPNN+jVqxf279+POXPmVKsuROQYGACJyOm0bt0aarUaly5dwoMPPljt/XTq1AnJyclo1qxZld4XFRWFI0eOIDY2Vtp27NixcuWee+45PPHEE6hfvz6aNm2KHj16VKueHh4e2LJlCwYMGICYmBhs374dPj4+6NixI4xGI9LT03H//fff9v0+Pj4YMWIEVq5ciXPnzqFJkybo1atXtepCRI6BAZCInI6Pjw+mTZuGyZMnw2QyoWfPnsjOzsaBAwfg7e2N0aNHV2o/b775JgYNGoTIyEiMGDECcrkcJ0+exO+//y7N9q3IxIkTMW7cOHTp0gXdu3fHN998g5MnT6JJkyYW5WJiYqDRaPDuu+/WuMXNy8sLW7duRf/+/dG/f3/Ex8ejRYsWeOqpp/DMM8/go48+QseOHXH9+nXs2rULbdu2xYABA6T3jx07Fvfffz9Onz6NadOmlWvBJCLnwjGAROSU3nnnHbz55puYN28eWrVqhZiYGPzvf/9D48aNK72PmJgYbNmyBTt27MC9996Lbt26YcGCBWjYsOEd3/fUU09h5syZmDZtGjp16oTz589jzJgxFt3GACCXyzFmzBgYjUY888wz1fqcpXl7e+Onn36CEAIDBgxAXl4eVq5ciWeeeQZTp05FVFQUhgwZgsOHDyMyMtLivT179kRUVBSys7MrHZCJyHHJRNmBKUREVOv69u2LsLAwi6VfAGDcuHFIS0vDDz/8cNd9yGQybN68GcOGDbNSLe/swoULaNy4MU6cOFEnt58jIuthFzARUS3Lz8/HZ599hpiYGCgUCqxfvx47d+7Ejh07pDJarRZHjx7F2rVr8d///rfS+37yyScRGBiIK1euWKPqt9W/f3/s27evTo9JRNbDFkAiolpWUFCAwYMH4/jx49DpdIiKisLrr79uMZu4V69eOHLkCJ5//nksXLiwUvv966+/AAAKhaJKXdm14erVqygoKAAANGjQACqVqk6PT0S1iwGQiIiIyMVwEggRERGRi2EAJCIiInIxDIBERERELoYBkIiIiMjFMAASERERuRgGQCIiIiIXwwBIRERE5GIYAImIiIhcDAMgERERkYthACQiIiJyMQyARERERC6GAZCIiIjIxTAAEhEREbkYBkAiIiIiF/P/4AZ35DjM1k0AAAAASUVORK5CYII=",
"text/html": [
"\n",
"
\n",
"
\n",
" Figure\n",
"
\n",
" \n",
"
\n",
" "
],
"text/plain": [
"Canvas(toolbar=Toolbar(toolitems=[('Home', 'Reset original view', 'home', 'home'), ('Back', 'Back to previous …"
]
},
"metadata": {},
"output_type": "display_data"
}
],
"source": [
"shell_occupancy={'K1':2, 'L1':2, 'L2':2, 'L3':4, 'M1':2, 'M2':2, 'M3':4,'M4':4,'M5':6, \n",
" 'N1':2, 'N2':2,' N3':4,'N4':4,'N5':6, 'N6':6,'N7':8,\n",
" 'O1':2, 'O2':2,' O3':4,'O4':4,'O5':6, 'O6':6,'O7':8, 'O8':8, 'O9': 10 }\n",
"\n",
"Z = 14\n",
"print(f\"Edges of {x_sections[str(Z)]['name']}:\")\n",
"for key in x_sections[str(Z)]:\n",
" if key in shell_occupancy.keys():\n",
" print(f\"{key:3s}: {x_sections[str(Z)][key]['onset']/1e3:.3f} keV\")\n",
"plt.figure()\n",
"plt.plot( x_sections[str(Z)]['ene']/1000., x_sections[str(Z)]['dat']/x_sections[str(Z)]['photoabs_to_sigma']/1e10*0.1)\n",
"plt.xlim(0,3)\n",
"\n",
"plt.ylim(0,1.2e4)\n",
" \n",
"plt.xlabel('energy [keV]')\n",
"plt.ylabel('$\\mu$ [m$^2$/kg]')\n",
"plt.title('Silicon Photoabsorption Cross-Section')\n",
"plt.tight_layout();"
]
},
{
"cell_type": "markdown",
"metadata": {},
"source": [
"# Detector Efficiency\n",
"### Absorption\n",
"Absorption probability $P(E)$ is related t the mass aborption coefficient with:\n",
"\n",
"$$ P(E) = I/I_0 =\\exp\\left[ -(\\mu/\\rho) * \\rho * t\\right] = \\exp\\left[ -\\mu* t\\right]$$\n",
"\n",
"with\n",
"- $I_0$: initial intensity of X-rays\n",
"- $I$: intensity of X-rays after going through thickness $t$\n",
"- $\\rho$: density of material \n",
" \n",
"### Detector \n",
"\n",
"The detector response $P_D$ is given by Small et al. as:\n",
"Here, we assume the contact to be Al and the dead layer is of course Si like the detector crystal:\n",
"\n",
"$$ \\Large \n",
"\\begin{align}\n",
"P_D = &(\\exp(\\mu_{Al}(E) *t_{Al} *\\rho_{Al})) * (\\exp(\\mu_{Si}(E) *t_{dead layer} *\\varrho_{Si} )) \\\\\n",
"&\\times (1- \\exp(\\mu_{Si}(E) *t_{detector} *\\varrho_{Si} ))\n",
"\\end{align} $$\n"
]
},
{
"cell_type": "code",
"execution_count": 3,
"metadata": {},
"outputs": [
{
"data": {
"application/vnd.jupyter.widget-view+json": {
"model_id": "d8603e2732794347bf7225fdaa489e90",
"version_major": 2,
"version_minor": 0
},
"image/png": "iVBORw0KGgoAAAANSUhEUgAAAoAAAAHgCAYAAAA10dzkAAAAOnRFWHRTb2Z0d2FyZQBNYXRwbG90bGliIHZlcnNpb24zLjEwLjcsIGh0dHBzOi8vbWF0cGxvdGxpYi5vcmcvTLEjVAAAAAlwSFlzAAAPYQAAD2EBqD+naQAAebZJREFUeJzt3XlcVPX+x/HXgDDsuLIpIiruu6S5pJi7aZZZmZlrXssWTc3yWqmVmt60zbJbtx9Zatqt7FpWipaWuW9p7gvmkoS5gCiiwPn9MTE6AgoGM8PM+/l4nGbmnO+c85kjNG++55zvMRmGYSAiIiIibsPD0QWIiIiIiH0pAIqIiIi4GQVAERERETejACgiIiLiZhQARURERNyMAqCIiIiIm1EAFBEREXEzCoAiIiIibkYBUERERMTNKACKiIiIuBkFQBERERE3owAoIiIi4mYUAEVERETcjAKgiIiIiJtRABQRERFxMwqAIiIiIm5GAVBERETEzSgAioiIiLgZBUARERERN6MAKCIiIuJmFABFRERE3IwCoIiIiIibUQAUERERcTMKgCIiIiJuRgFQRERExM0oAIqIiIi4GQVAERERETejACgiIiLiZhQARURERNyMAqCIiIiIm1EAFBEREXEzCoAiIiIibkYBUERERMTNKACKiIiIuBkFQBERERE3owAoIiIi4mYUAEWc0Pr167n77rupXLkyZrOZ0NBQWrRowejRo23axcXFYTKZMJlMeHh4EBgYSPXq1bn33nv57LPPyM7OzrXuKlWq2LwnODiY2rVr079/f5YtW1bgGm9m2wU1f/58Xn/99Zt+v7Nt52pX77drpypVqti0XbFiBbGxsfj7+2Mymfjyyy8BWLhwIXXr1sXX1xeTycS2bduYOHEiJpOp0PUMHDgw13ZFxPWZDMMwHF2EiFyxZMkS7rzzTuLi4hg6dCjh4eGcOHGCTZs2sWDBAo4dO2ZtGxcXx9GjR5k3bx4A58+fJzExkS+//JIlS5Zw22238dVXXxEcHGx9T5UqVahUqRKvvvoqAGlpaezdu5cFCxawevVq7rnnHj755BO8vLyuW+fNbLugunfvzq+//srhw4cL/V5n3M7Vrt1vVzObzTRu3BgAwzAoX748NWrU4OWXX8bf35+aNWuSmZlJxYoV6dKlC6NHj8ZsNtOgQQNOnz7NsWPHuPXWWwtVz8GDB0lNTbVuV0TchCEiTqVNmzZGtWrVjMuXL+dalpWVZfO6bdu2Rt26dfNcz//93/8ZgHHffffZzI+KijLuuOOOPN8zYcIEAzDGjh17wzpvZtsFdccddxhRUVE39V5Hbyc7O9u4cOFCvsuvt9+uduzYMQMwpk2bZjN/9erVBmAsXLjwb9cqIu5Lh4BFnMypU6coX748pUqVyrXMw6Pgv7KDBg2iW7du/Pe//+W3334r0HsmTpxI3bp1mTVrFhcvXizwtgq6bcMweOedd2jUqBG+vr6UKVOG3r17c+jQIWubuLg4lixZwm+//WZzeDTHpUuXePnll6lVqxZms5kKFSowaNAgTp48mauO+fPn06JFCwICAggICKBRo0Z88MEHBdrO6dOnGT58OBUrVsTb25uqVasyfvx4MjIybLZhMpl4/PHHeffdd6lduzZms5k5c+bc9L4Dy79DpUqVAHjmmWesh4cHDhxI69atAbj//vsxmUzExcVZ35PXIeDr7QPI+xBwQf6dwLIP69Wrx8aNG7ntttvw8/OjatWqvPLKK7lOATh79iyjR4+matWqmM1mQkJC6NatG3v27MEwDGJiYujcuXOu+tPS0ggODuaxxx4r9H4UkfwpAIo4mRYtWrB+/XqefPJJ1q9fz+XLl296XXfeeSeGYfDTTz8V+D09evTgwoULbNq06aa3m9+2hw0bxsiRI+nQoQNffvkl77zzDjt37qRly5b88ccfALzzzju0atWKsLAw1q5da50AsrOz6dmzJ6+88gp9+/ZlyZIlvPLKKyQkJBAXF0d6erp1Wy+88AIPPvggERERfPjhhyxatIgBAwZYA+n1tnPx4kXatWvHRx99xKhRo1iyZAn9+vVj+vTp9OrVK9dn/fLLL5k9ezYvvPACS5cu5bbbbrvh/snMzMw15YSmhx9+mC+++AKAJ554grVr17Jo0SKef/553n77bQCmTJnC2rVreeedd/Ldxo32QX4K8u+UIykpiQcffJB+/fqxePFiunbtyrhx45g7d661zblz52jdujX//ve/GTRoEF999RXvvvsuNWrU4MSJE5hMJp544gkSEhLYv3+/zfo/+ugjUlNTFQBFippD+x9FJJc///zTaN26tQEYgOHl5WW0bNnSmDp1qnHu3Dmbtjc6nPjtt9/mOox4vUPAhmEYs2fPLtAhxsJue+3atQZgzJgxw6bd0aNHDV9fX5vDzvkdmv3kk08MwPj8889t5m/cuNEAjHfeeccwDMM4dOiQ4enpaTz44IPX/Qz5befdd981AOPTTz+1mT9t2jQDMJYtW2adBxjBwcHG6dOnr7utHG3btrX+2147DRkyxNouMTHRAIx//etfNu//4YcfDMD473//azM/5/B9joLugwEDBtjsg8L8O+V8lvXr19u0rVOnjtG5c2fr6xdffNEAjISEhHzrSE1NNQIDA40RI0bkWle7du2u+xlEpPDUAyjiZMqVK8dPP/3Exo0beeWVV+jZsyf79u1j3Lhx1K9fnz///LPA6zJu4hqvm3lPQdbz9ddfYzKZ6Nevn02vV1hYGA0bNmTlypU3XOfXX39N6dKl6dGjh806GjVqRFhYmHUdCQkJZGVl3XSv0ffff4+/vz+9e/e2mT9w4EDAcnXu1W6//XbKlClT4PVXq1aNjRs35pqef/75m6o3Lze7Dwr77xQWFkazZs1s5jVo0MCml/Hbb7+lRo0adOjQId/tBgYGMmjQID788EPOnz8PWP4ddu3axeOPP16ozyAiN5b7JCMRcQqxsbHExsYCcPnyZZ555hlee+01pk+fzvTp0wu0jpwv4YiIiAJv92beU5D1/PHHHxiGQWhoaJ7tq1atesN1/vHHH5w9exZvb+88l+eE45zzAXPOoyusU6dOERYWluucupCQEEqVKsWpU6ds5oeHhxdq/T4+PtZ/2+Jys/ugsP9O5cqVy9XGbDbbHI4/efIklStXvuG2n3jiCWbNmsW8efP4xz/+waxZs6hUqRI9e/Ys1GcQkRtTABQpAby8vJgwYQKvvfYav/76a4Hft3jxYkwmE23atClQe8Mw+Oqrr/D39//bAeXabZcvXx6TycRPP/2E2WzO1T6vedcqX7485cqV47vvvstzeWBgIAAVKlQA4NixY0RGRha69nLlyrF+/XoMw7AJgcnJyWRmZlK+fHmb9jcz/l5xu9l9UBT/TnnVcvXwRfmpXr06Xbt25e2336Zr164sXryYSZMm4enpWehtisj16RCwiJM5ceJEnvN3794NFLxnLj4+nm+//ZYHHnigQL0vAJMmTWLXrl2MGDECHx+fghVcwG13794dwzA4fvy4tXfz6ql+/frW91/bg5Sje/funDp1iqysrDzXUbNmTQA6deqEp6cns2fPvm6d+W2nffv2pKWlWQdezvHRRx9Zlzu7gu6DaxXm36mgunbtyr59+/j+++9v2HbEiBFs376dAQMG4OnpydChQwu9PRG5MfUAijiZzp07U6lSJXr06EGtWrXIzs5m27ZtzJgxg4CAAEaMGGHTPj09nXXr1lmfHzp0iC+//JKvv/6atm3b8u677+baxtmzZ63vOX/+vHUg6J9++on77ruPSZMmFajWwmy7VatW/OMf/2DQoEFs2rSJNm3a4O/vz4kTJ1i9ejX169fn0UcfBaB+/fp88cUXzJ49m6ZNm+Lh4UFsbCx9+vRh3rx5dOvWjREjRtCsWTO8vLw4duwYP/zwAz179uTuu++mSpUq/POf/+Sll14iPT2dBx54gODgYHbt2sWff/5p/Xz5bad///68/fbbDBgwgMOHD1O/fn1Wr17NlClT6Nat23XPZSvsfrtWYQdyzk9B98G1CvPvVFAjR45k4cKF9OzZk2effZZmzZqRnp7OqlWr6N69O+3atbO27dixI3Xq1OGHH36gX79+hISE/K39ICL5cNjlJyKSp4ULFxp9+/Y1YmJijICAAMPLy8uoXLmy8dBDDxm7du2yaXvtFaX+/v5G1apVjd69exv//e9/cw0cbRiWq4Bz2ptMJiMgIMCoWbOm8dBDDxlLly4tcJ03s23DsAwS3bx5c8Pf39/w9fU1qlWrZvTv39/YtGmTtc3p06eN3r17G6VLlzZMJpPN1a2XL182Xn31VaNhw4aGj4+PERAQYNSqVcsYNmyYsX//fpttffTRR8Ytt9xibde4cWMjPj6+QNs5deqU8cgjjxjh4eFGqVKljKioKGPcuHHGxYsXbbYBGI899thN77drp5wBwP/uVcAF3QfXXgWcoyD/TvldCZ7XOs+cOWOMGDHCqFy5suHl5WWEhIQYd9xxh7Fnz55c7584caIBGOvWrcu1TESKhm4FJyIiTiU2NhaTycTGjRsdXYqIy9IhYBERcbjU1FR+/fVXvv76azZv3syiRYscXZKIS1MAFBERh9uyZQvt2rWjXLlyTJgwgbvuusvRJYm4NB0CFhEREXEzJXIYmB9//JEePXoQERGByWTKNVSDYRhMnDiRiIgIfH19iYuLY+fOnTZt4uLibG4AbzKZ6NOnjx0/hYiIiIhjlMgAeP78eRo2bMisWbPyXD59+nRmzpzJrFmz2LhxI2FhYXTs2JFz587ZtBs6dCgnTpywTv/+97/tUb6IiIiIQ5XIcwC7du1K165d81xmGAavv/4648ePp1evXgDMmTOH0NBQ5s+fz7Bhw6xt/fz8CAsLs0vNIiIiIs6iRPYAXk9iYiJJSUl06tTJOs9sNtO2bVvWrFlj03bevHmUL1+eunXrMmbMmFw9hCIiIiKuqET2AF5PUlISQK4bmYeGhlpvTg/w4IMPEh0dTVhYGL/++ivjxo3jl19+ISEhId91Z2RkkJGRYX2dnZ3N6dOnKVeunFPeC1RERERyMwyDc+fOERERgYeHy/WFFYjLBcAc1wYy45qbul99f8l69eoRExNDbGwsW7ZsoUmTJnmuc+rUqQW+RZaIiIg4t6NHj1KpUiVHl+EQLhcAc87pS0pKIjw83Do/OTk5V6/g1Zo0aYKXlxf79+/PNwCOGzeOUaNGWV+npKRQuXJljh49SlBQUBF9AhERESlOqampREZGEhgY6OhSHMblAmDOYd2EhAQaN24MwKVLl1i1ahXTpk3L9307d+7k8uXLNqHxWmazGbPZnGt+UFCQAqCIiEgJ486nb5XIAJiWlsaBAwesrxMTE9m2bRtly5alcuXKjBw5kilTphATE0NMTAxTpkzBz8+Pvn37AnDw4EHmzZtHt27dKF++PLt27WL06NE0btyYVq1aOepjiYiIiNhFiQyAmzZtol27dtbXOYdlBwwYwIcffsjYsWNJT09n+PDhnDlzhubNm7Ns2TJrV6+3tzcrVqzgjTfeIC0tjcjISO644w4mTJiAp6enQz6TiIiIiL3oVnB/Q2pqKsHBwaSkpOgQsIiISAmh728XHAdQRERERK5PAVBERETEzSgAioiIiLgZBUARERERN6MAKCIiIuJmFABFRERE3IwCoIiIiIibUQAUERERcTMKgCIiIiJuRgFQRERExM0oAIqIiIi4GQVAERERETejACgiIiLiZhQARURERNyMAqCIiIiIm1EAFBEREXEzCoAiIiIibkYBUERERMTNKACKiIiIuBkFQBERERE3owAoIiIi4mYUAEVERETcjAKgiIiIiJtRABQRERFxMwqAIiIiIm5GAVBERETEzSgAioiIiLgZBUARERERN6MAKCIiIuJmFABFRERE3EyJDIA//vgjPXr0ICIiApPJxJdffmmz3DAMJk6cSEREBL6+vsTFxbFz506bNhkZGTzxxBOUL18ef39/7rzzTo4dO2bHTyEiIiLiGCUyAJ4/f56GDRsya9asPJdPnz6dmTNnMmvWLDZu3EhYWBgdO3bk3Llz1jYjR45k0aJFLFiwgNWrV5OWlkb37t3Jysqy18cQERERcQiTYRiGo4v4O0wmE4sWLeKuu+4CLL1/ERERjBw5kmeeeQaw9PaFhoYybdo0hg0bRkpKChUqVODjjz/m/vvvB+D3338nMjKSb775hs6dOxdo26mpqQQHB5OSkkJQUFCxfD4REREpWvr+hlKOLqCoJSYmkpSURKdOnazzzGYzbdu2Zc2aNQwbNozNmzdz+fJlmzYRERHUq1ePNWvWFDgAFquzv8LpTfkvD+8MvuGW5yl74NT6/NuG3g7+kZbn5w7CyZ/zbxvSBgKqWJ6f/w2Sf8q/bfkWEFjN8vzCcfhjZf5ty8VCUE3L8/Q/4I8V+bct0wiC61ieZ5yCE8vyb1u6HpSub3l+KQVOfJd/26CalnUDZJ6H40vybxtYDco2BeDi+QxMvy8m2wAMyDbAyAYD8DCBf4UoKN8MgKTfMymV9CXGNe2MbPAsBaFRFaFCCwD27AHvP77AMLC0z76y+VKloGqdUKjQCoDt28EreTEYf/VQ//UeAE9PqNmgPITcBsAvv4BH0jeYsi/lNLU8GpZ66zUpDaFxAGzdCtm/J+CRfcG67av/ImwcG4gp/HZr24wjK/E0zlnXd7WmzXzxrNjB2jYtcTWljLM2K815T2wzb7yjOlnbntm/Dm9O5flPERvriU/VLgDs2AHJuzdi5mSebRs3Bv/qXcFkYudOOL5zGz5GUp5tGzWEoBodwKMUe/fC4W078DF+z7Ntw4ZQukYceJo5cAD2b96Nn3E0z7b16kG5WrdBKV8SE2HX+n3485tNG4NSZONN3fpehNWsB6X8OHoUNv6cgifnMfAiG2+y8SYLM5g8aNYMoqMt7//9d/jxxzw3D0CTJlCjhuV5cjKsuM6vW8OGUOevX7dTp2DZdX7d6tWD+n/9uqWkwJLr/ArVqmWpA+D8efjf//JvW706NLP8CnHxInz+ef5to6OhZUvL88xMWLAg/7aVK0ObNldez52bf9uICLj99iuvP/nEsv68hITA1V8T//2vpe68lC0Ld9xx5fUXX0BaWt5tg4OhZ88rr//3Pzh7Nu+2/v7Qu/eV10uWwJ9/5t3WbIY+fa68XroUkvL+tcDTE/r1u/J6xQq43tlR/fuDyWR5vmoVHD6cf9u+fcHLy/J89Wo4eDD/tvfdB76++S+Xv8/lAmDSXz/VoaGhNvNDQ0P57bffrG28vb0pU6ZMrjZJ+f1WYOlJzMjIsL5OTU0tqrJzO/EdbH06/+Xtv78SAP/4HjY9ln/btl9dCYAnV8O6gfm3bbXwSgA8tRHWPpR/2+b/dyUAnvkF1vbLv23Tt64EwNQ9sObB/Ns2mgbBdcjMhJ1rEml4om/+beu9AKXrk5UFzz5+nH/F9cm/ba3R1gAY1+JPVj51f/5tYx61BsCGdc+xd8p9+beN7m8NgO3iLrF74r35t02/Byp8BsA998DO8ffk3za7K7T7BoCHH4bvH+lLgM/5vNtubwMdVgEwciQsvG8gIcF5hyS2NoUulj8unn8e3urwD6JDDufZ1NhcG7rvAmDqVHih6ePUi9yZZ9vsDZXhbsvv2JtvwqNVR9Gs2sZ82paDKMu31QcfwD2lx9G6zsp82vpCVUtAnTsXbsueRPvG+SSPjUB1S5L+7DOofWoK993637zbbgGqnQOPAL76Csrtn8mgth/m3XYrEP0HeIaQkABZ69/m8U5v5912O1DlEARE8+OP8MfS/zC2+7/ybvsLUHE7lK7P+vWw/dM3eLH3hFzNzl/0w3ONHwR9A+Vu4Zdf4NMZXzAk7gNS04M4lVaOP8+V51RaOU6llcP3ofLUqHILeJdh927LF29+XnnlSgBMTLx+2xdeuBIAf/8dHrzOr/Ho0VcC4J9/Xr/tI49cCYBpabYB5Fr9+18JgJcvw0PX+V/UPffYBsDrte3SxTYADh1qCa55adPGNgA+/rglaOelaVPbADh6dP4hqVYt2wA4fjzszPvXjcqVbQPgiy/Chg15ty1XzjYAvvIKrFyZd1sfH9v9/9pr1w/6/ftfef7OO/Dpp/m3veeeKwHwgw/gww/zb9uliwJgcXO5AJjDlPMnyV8Mw8g171o3ajN16lQmTZpUJPXdkH80RHTLf7l32avaVobwLvm3NVe48tw3wtJ7mB/fsCvPfUIhrNN12kZctY3yENYxz2aGAaa/AmhKCiz8sDRtA9tz6TJcugSXL8HlTMtf26EhUMc/CoCMDLjvwUDeGXh7nuutEAINAixdIh4e8Pn//OhaoV2ebcuWhUa3VLO+Pvq7mR92xeXZNjgYmjSJsb7OMrxYuattnm0DAiG2YU3ray8vD1bvvQ1MYIK//mP5C9nXFxrXrW1tGxoK6xNbY/2JM1mb4+0NDWvXtbaNjIRfjrfAXCqda39ES5WChjH1rK+jomB38i0cSz3LtT/NHh7QsOqVeqOj4dCZxqRevvLvfvX661euYn1erRocO98A40SAzTpzmtdqHGo9qbh6dTh5sS47k658qKtriakTbNM29WQtdifn/W1bNcaM+ap603+rzp6TTfNsG10Fa9uoKMg8H83ek03ybFu5MviaLFVERkL6iSj2/dk4z7aVKoKfyfK/y4gI+KN0Jfb/2SjPthER4O/hDUBYGJwvH87BUw2uNDAZeJqy8PS4TPmyl/D1tHzLVagAVaMNsrI98fSwPRfZ3+cCcAH+qqFsWbjjtj3c0fibPGsA4MwPEBpH6dIwcfBn3F33TU6er8TJ85F/PVYiOa0y1SrHAJZDYIGB0L59/qvM6YEE8PO7ftuYK79C+PhAhw75t61V68pzLy/omPf/SgCoe+XXAg+P67dt2ND2dafr/O+syTU/Ju3b59+rlxOCc7Rrl39P3dX7AaBtW9vPe7XISNvXrVvnnpejQgXb1y1aWIJeXq49wtm8ef7hytvb9nVsrO3RiWsZxpX/ZzRqBFedap+Lp+eV5w0aQNeu+be9tg4pei53DuChQ4eoVq0aW7ZsoXHjK/8z79mzJ6VLl2bOnDl8//33tG/fntOnT9v0AjZs2JC77ror35CXVw9gZGSkW59DcLUzZ2DzZsvhyj17YO9ey3TXXfDuu5Y2qamWgJWfXr2uHP4xDMthrIAAy3sCAixfOj4+lqlpUxg27Mp733rL8uWRs9zb2xKOSpWyHLKJjb3SdutWy/+0vLyutMl57uNj+YLNce6cpa2Hh2XK67lIkcrOAuMyZF+CzHTIumA5bSGgGpT665v77A5LL/3lVMj403K6xKVTV563WgjBfyWNHZNgx8T8t9duGYT/laTOH4GMkxBcHzz1LSyuSecAumAPYHR0NGFhYSQkJFgD4KVLl1i1ahXTpk0DoGnTpnh5eZGQkMB991kO7Z04cYJff/2V6dOn57tus9mM2WzOd7m7SkmxhKsDB/JefuTIledBQfDYY5ZAV6GCJZiFhECZMpZ5V/8FazLB/v0Fr+OJJwretnHeHT15CgwseFuRIuHhCXiCpw945fPlVLr+lfNfbySqLwTVggvH4MLRK4/nD8PFZAisfqXtoTmw4wXwMEPZJlCuGYS0tZw36l0mvy2ISAlTIgNgWloaB65KG4mJiWzbto2yZctSuXJlRo4cyZQpU4iJiSEmJoYpU6bg5+dH379ObgkODmbIkCGMHj2acuXKUbZsWcaMGUP9+vXpcL3jFMLBg5aTo8+ft5wTBpZQl3NSc9WqlnBVpw7UrGk51FG9uu068hm9R0SKS1CMZcrLpTPgdVW3vJFpCXqXzsCfay3T3jcAkyUQtvkS/CrZo2oRKUYl8hDwypUradcu97leAwYM4MMPP8QwDCZNmsS///1vzpw5Q/PmzXn77bepV+/KeVIXL17k6aefZv78+aSnp9O+fXveeecdIvM74SIP7tKFnJ0N33wDr75qucoLLD11yclXDn9u2WI55yq/c1BEpAQxDDh3AE5tgD/XWC40S90DpQKh92nw+KvvYM9rkH0ZKvaw9DDe4DxrEWfhLt/f11MiA6CzcPUfIMOAxYvh2Wct5/SBJfB16AAPPGC5qi/nii4RcXEXfreEwLCrLspaXB3S/hrLI6AaVLwTqjwAZWMVBsWpufr3d0EoAP4Nrv4DNH06/DWWNkFBlqEanngCKunoj4gY2bB/Nhz/Cv74wXLBSo6gmhDzONR83HH1iVyHq39/F4SuX5R89e1ruRp23Dg4ehSmTVP4E5G/mDygxmPQ7ju450+47XOI6mO5cCV1L6Tusm2vvgYRp1IiLwKR4pGZCd9+Cz16WF5XqgS//WYZfkVEJF9egRDZyzJdToUjn1vu/pPjzw2w4R9QdxxUvtcSHkXEofRbKABkZVlGyb/zTssdFHIo/IlIoXgFQbVBtkPU7H8Hzv4CP/eBbxrAkc8sh5BFxGEUAEu4vn1h1Kjr36vxRrKzYfBgyz01vbxsR2sXEfnbmsyE+pMsw82k7ITV98LS5pB8nRsai0ix0kUgf4OjTyI9etQy9IphWO4tGRV1c+t56SXLPT49PS33cezVq0jLFBGxuHTWMnTMnpmQmTN46GC49QOHliXux9Hf385APYAl2OLFlvDXuvXNh7+lS2HCX/eef+89hT8RKUbepaHBJOhxAKo/YjkXsHSDG75NRIqeAmAJtmKF5XH1apg/v/DvT0qyjOVnGPCPf1gOA4uIFDvfUGg2G7r9CjGPXpl//BvY/SpkZeT/XhEpEgqAJVRWFvzww5XX69YVfh3z5sGpU9CoEbzxRpGVJiJSMMG1wdPb8jz7Mmx5CrY+DV/Xht8+1dAxIsVIAbCE2rIFzp698vry5cKvY9Qo+Pxz+OAD8PEpstJERG6CB9R5FnzD4Xwi/Hw/JLSCk2sdXZiIS1IALKFy7smbIzOz8OswmSzn/DVpUjQ1iYjcNA9Py/AxPfZD/Yng6Qd/roWElrDmIcg47egKRVyKAmAJVaoUVK8OZcpYXhcmAO7YYdt7KCLiNEr5Q/0JliBYdTBggsNz4Y/vHV2ZiEtRACyhRo6E/fth/HjL64IeAs7Ohj59LFcNr1xZXNWJiPxNfhGW4WE6rYM6z0Dl3o6uSMSlKACWcF5elseC9gAuXgy7/rpFZ+PGxVOTiEiRKd8MGr1y5fXFP2Fldzh3wHE1ibgABcAS6OoL4wobAN9+2/I4fDgEBxdtXSIixW7LSPh9CXzXFI4ucnQ1IiWWAmAJtGgRlCsHQ4ZA//5w4gT83//d+H2HD8Py5Zbn//hHsZYoIlI8Gk2HCq3gcir81At2vKThYkRuggJgCXToEJw+DRcvgr8/hIVBQe5kEx9veWzfHqKji7dGEZFi4RcB7X+AmiMtr3e8AOsGQdYlh5YlUtIoAJZAhw5ZHqtWLfh7srOvBMAhQ4q+JhERu/HwgqavwS2zweQJiXPgh85wKcXRlYmUGAqAJVBOAIyOhq1b4YknoFo1qFTpygUe19q+HY4etfQU3n23/WoVESk2MY9A26+hVCBcOAKZ5x1dkUiJUcrRBUjhXd0DePAgzJp1ZdnMmfCf/+R+T6NG8NtvsHu37vohIi4kogt0/BG8SlsOD4tIgSgAljCGYQlyYOkBvHZA54jr/P+vcmXLJCLiUso0sn19bDGUbQJ+lRxSjkhJoEPAJcypU3Dpr3Odw8MtdwS5WsuW9q9JRMRpHF9iuTo4oTWk7nV0NSJOSwGwhMnIgA4doHVr8Pa+Mg4gQKdO0KVL7ve89hp06wbffWe/OkVEHKJ0PfCPhvO/wdJb4USCoysScUoKgCVMxYqQkAA//WR5fXUPYJMmeb/nm2/g228t5wuKiLg0/yjo9DOUbwmXz8LKrrDvHUdXJeJ0FABLuJwAWLkyPP107uWXLsGaNZbncXF2K0tExHF8QqD9CqjyEBhZsOkx2DQCjGxHVybiNBQAS5hrB7zPOQR85IildzDnVm85Nm2CCxegfHmoU8c+NYqIOJynD7SYAw2nAibY9yYc/dzRVYk4DQXAEuappyxh7rXXLK8bN4YDB6BNG8udQa69J/DKlZbHtm3BZLJrqSIijmUyQd1noeV8qPEERPZ2dEUiTkPDwJQwv/9uuRLY46/o7utrGQQ6MtLyOvuaIxw//2x5bNPGfjWKiDiVKn0sU46sDMi6CN7BjqtJxMHUA1jCJCdbHkNDbefnBMKrA6BhWA4BAzRrVvy1iYg4vawM+Oke+L6jbh0nbk0BsIQ5fdryWK6c7fycw7tXB8Dz56FGDQgOhoYN7VOfiIhTO38ETq2D0xt1/2Bxay4bAM+dO8fIkSOJiorC19eXli1bsnHjRuvygQMHYjKZbKZbb73VgRUXTE4ALFvWdn5ePYABAZbhYk6fthwqFhFxe0ExcPsK8C4Lp9bDD13gcqqjqxKxO5cNgA8//DAJCQl8/PHH7Nixg06dOtGhQweOHz9ubdOlSxdOnDhhnb755hsHVlwwhQmA1y4TERGgTEPLMDHeZSy9gavutJwTKOJGXDIapKen8/nnnzN9+nTatGlD9erVmThxItHR0cyePdvazmw2ExYWZp3KXpuqnEx6umWC3AGwVi1o1872Xr85t4wTEZFrlGkEty+HUoGQvArW9IPsLEdXJWI3LhkAMzMzycrKwsfHx2a+r68vq1evtr5euXIlISEh1KhRg6FDh5Kcc4WFk7p4EW6/3XLHj8BA22VPPw3ffw8PPnhlXnS0JRgeOGDfOkVESoSyTaDNl+DhDSe+g9Tdjq5IxG5MhnHt0MKuoWXLlnh7ezN//nxCQ0P55JNP6N+/PzExMezdu5eFCxcSEBBAVFQUiYmJPP/882RmZrJ582bMZnOe68zIyCAjI8P6OjU1lcjISFJSUggKCrLXRyuQ33+3DAzt4QHnzoGfn6MrEhFxUke/AL9IKHeLoysRO0lNTSU4ONgpv7/txWUD4MGDBxk8eDA//vgjnp6eNGnShBo1arBlyxZ27dqVq/2JEyeIiopiwYIF9OrVK891Tpw4kUmTJuWa74w/QAkJ0KkT1KwJe/Y4uhoRkRIkOxM8NEyuK1MAdNFDwADVqlVj1apVpKWlcfToUTZs2MDly5eJjo7Os314eDhRUVHs378/33WOGzeOlJQU63T06NHiKr/Qnn3WMjTMlCmW13v3Wh5r1nRcTSIiJc6f6+DrmnB6q6MrESlWLhsAc/j7+xMeHs6ZM2dYunQpPXv2zLPdqVOnOHr0KOHh4fmuy2w2ExQUZDPZ04cfWm4DN3Ro7mUXLliuEL5wwfJ63z7LowKgiEgh7HoF0g7Bjz0h/Q9HVyNSbFw2AC5dupTvvvuOxMREEhISaNeuHTVr1mTQoEGkpaUxZswY1q5dy+HDh1m5ciU9evSgfPny3H333Y4uPV8nT1puA3cxj9EKrh0GRj2AIiI34dYPIbAGXDgKP/Wy3DlExAW5bABMSUnhscceo1atWvTv35/WrVuzbNkyvLy88PT0ZMeOHfTs2ZMaNWowYMAAatSowdq1awm89vJaJ5L611ilwXncvlIBUESkCHiXhraLwSsY/lwDW8c4uiKRYuGyZ7ned9993HfffXku8/X1ZenSpXau6O87d87ymFdGvToAGga0bg3h4RATY7/6RERcQlBNaDkfVt0B+2ZBSBuofK+jqxIpUi7bA+iK0tIsj9cLgIZhuS/w3Lmwdi2EhtqvPhERl1GxG9R5xvJ83RA4pwFVxbW4bA+gK8rpAQwIyL3sereCExGRm9DgJTi5GnzCwVzB0dWIFCkFwBLkej2AlStDs2YQGWm5XZy3N3h62rc+ERGX4uEFcd9CqQDLoRURF6JDwCVI9eqW28BFROReNnw4rF8PI0fC1Kng4wPjx9u9RBER1+IVeCX8GQakJTq2HpEioh7AEuSNNwrW7vBhyMzMu6dQRERuwuU0WDcIkpZDt23gH+XoikT+FvUAuqDDhy2PVao4sgoRERfi4Q0XjsDls/DzA5B92dEVifwtCoAu4o03ICoK/vlPBUARkSLn6Q2tFvw1PuBa2P68oysS+VsUAEuQ6GioVg2OHcu9LDUVjhyBpCQ4ftwyTwFQRKQIBURD8/9Ynu+aBr9/69h6RP4GBcASIjvb0rN36BCYzbmX5wwDc+SIpa2Pj8YAFBEpcpV7Q8yjluc/PwCpex1bj8hNUgAsIXKGgIHrjwN46JDlMSpKoxaIiBSLJq9B+ZZwOQVW3wvZWY6uSKTQdBVwCZETAD09Lb1718oJewEBcP/9EBZmv9pERNyKpxlu+wJWdYemr4OHBl2VkkcBsIS4+j7AefXs5fQANm0K8fH2q0tExC35hkLnDTrUIiWWDgGXENe7DRzoVnAiInZ3dfhL2QXHFjuuFpFCUg9gCXHhguXRzy/v5eXLQ926lh7C7OwrgVBERIrZmV9gWUvL884boHRdx9YjUgCKCSWE2QyNGkGdOnkvHzgQfv0VNm603Af4W41OICJiH8H1oEJLyLpguSjkctqN3yPiYAqAJUTz5rB1KyxadP12J05AVhaULWufukRE3J6HJ7ScB74RkLobNgyz3DdYxIkpALoQw7AMBA0QHu7YWkRE3IpPCLRaCCZP+G0+HPi3oysSuS4FQBfxySeWgZ8v/3V7Sg0DIyJiZyGtodErluebR8DZHY6tR+Q6FABLiLlzISYGRo7Me/nZs3DypOV5uXKW8wBFRMTOao2GiO6QfQn2vO7oakTypauAS4g//4QDByA5Oe/lV1/1q8O/IiIOYjLBrR/AoQ+h1ihHVyOSLwXAEuLiRctjXncBAdvhqBQARUQcyCcE6ox1dBUi16VDwCVEerrl0dc37+VX9wDGxRV7OSIiUhBZGbB9ImScdnQlIjbUA1hC3KgHMCcAdu8O//ynfWoSEZEbWPMgHP0cUvdA6wWOrkbESj2AJURBA6BuBSci4kTqPGsZGubIQjh6g4FcRexIAbCEyDkEnF8ADAyE4GDLLeFERMRJlIuF2n+dD7hxOFw649h6RP6iAFhClC8P1atDhQp5L7/nHggJsQwXs2aNfWsTEZHrqP8CBNWCi0mwRVcGi3MwGYbuV3OzUlNTCQ4OJiUlhaCgIEeXQ2AgpKXB3r1Qo4ajqxEREauTayChNWBA3HcQ0dnRFbk1Z/v+dgT1ALqItDTLBBoGRkTE6VRoCTWftDzfMhIMnbAtjqWrgF3Exx9feR4Y6Lg6REQkHw0nQ+YFqDsOTOp/EcfST2AJ0a8fNG4MP/yQ9/Ldu+1bj4iIFFIpf2j+HgREO7oSEdcNgOfOnWPkyJFERUXh6+tLy5Yt2bhxo3W5YRhMnDiRiIgIfH19iYuLY+fOnQ6s+Pr27oVt2+DChbyXx8batRwREfm7Tm8FnYYvDuKyAfDhhx8mISGBjz/+mB07dtCpUyc6dOjA8ePHAZg+fTozZ85k1qxZbNy4kbCwMDp27Mi5c+ccXHnebjQO4IMPwrx5cOiQ/WoSEZGbtPFx+K4JJH5847YixcAlA2B6ejqff/4506dPp02bNlSvXp2JEycSHR3N7NmzMQyD119/nfHjx9OrVy/q1avHnDlzuHDhAvPnz3d0+Xm60a3gPD2hb1+I1pEFERHn5x9pedw6RmMDikO4ZADMzMwkKysLn2u6y3x9fVm9ejWJiYkkJSXRqVMn6zKz2Uzbtm1Z46SD6N2oB1BEREqQmk9BUG3IOAm/PO/oasQNuWQADAwMpEWLFrz00kv8/vvvZGVlMXfuXNavX8+JEydISkoCIDQ01OZ9oaGh1mV5ycjIIDU11WayFwVAEREX4ukNsbMszw+8Cym6kk/syyUDIMDHH3+MYRhUrFgRs9nMm2++Sd++ffH09LS2MZlMNu8xDCPXvKtNnTqV4OBg6xQZGVls9V/rRoeARUSkhAm7HSr1BCPLcihYxI5cNgBWq1aNVatWkZaWxtGjR9mwYQOXL18mOjqasLAwgFy9fcnJybl6Ba82btw4UlJSrNPRo0eL9TNcLTQUwsIUAEVEXEqjf4GpFPz+DZxY5uhqxI24bADM4e/vT3h4OGfOnGHp0qX07NnTGgITEhKs7S5dusSqVato2bJlvusym80EBQXZTPZy6BCcOGEJgSIi4iKCYqDG4+ATCpnnHV2NuBGXvRPI0qVLMQyDmjVrcuDAAZ5++mlq1qzJoEGDMJlMjBw5kilTphATE0NMTAxTpkzBz8+Pvn37Orp0ERFxJw0mWSYv97wnrTiGywbAlJQUxo0bx7Fjxyhbtiz33HMPkydPxsvLC4CxY8eSnp7O8OHDOXPmDM2bN2fZsmUE6j5qIiJiTwp+4gAmw9Aw5DcrNTWV4OBgUlJSivVwcGoqdOgAXl6wahWUctnYLiLixgwDflsIF09AraccXY1Ls9f3tzNTlCgB0tMh5y52V13ELCIiruSPH2DNA+Bhhshe4B/l6IrEhbn8RSCu4PJly6OXF1xnlBoRESnJQttBSBxkZ8Av4x1djbg4BcAS4OoAKCIiLspkgiavWp4fngenNjq2HnFpCoAlgAKgiIibKNsUqjxkeb7xUcjOdGw94rIUAEsABUARETfSeBp4lYbTm2H3vxxdjbgoBcAS4NIly6O3t2PrEBERO/ANh9g3Lc9/fREuJju2HnFJugq4hChbFsqUcXQVIiJiF1X6wakNUPle8AlxdDXighQAS4DGjeHUKUdXISIidmMyQexbjq5CXJgOAYuIiDi7cwcgdb+jqxAXUqw9gIsXLy70ezp27Iivr28xVCMiIlICHVsMP/eB0g2h089gUt+N/H3FGgDvuuuuQrU3mUzs37+fqlWrFk9BJdTatfDPf0LdujBrlqOrERERuyrbBEyecGodHHgfYoY5uiJxAcX+Z0RSUhLZ2dkFmvz8/Iq7nBLpjz9g5UrYssXRlYiIiN35VYIGL1ueb3sW0v9wbD3iEoo1AA4YMKBQh3P79evntjdlvh6NAygi4uZqPA5lmsDls7BllKOrERdQrAEwPj6ewMDAArefPXs25cuXL8aKSiYFQBERN+fhCc3+bTn/77f5cCLB0RVJCeeQM0kvX77Mzp072b59OxkZGY4ooUTJCYAaCFpExI2Vi4WYxyzPNw6HrIuOrUdKNLsHwJ9++okqVarQrl074uLiiIyM5LvvvrN3GSVKzp1A1AMoIuLmGr4M/tFQpS9gcnQ1UoIV+0DQhmFgMl35IR05ciTz5s0jLi4OgPfee49HH32UxMTE4i6lxNIhYBERAcArCLrvBk+zoyuREq7YewCbNWvGlqsuX7106RKVK1e2vq5cuTIXL6ob+0bMZvDxcXQVIiLicFeHP8NwXB1SohV7AJw1axYPP/wwTz31FOfPn2fChAk0bdqUW2+9laZNm3LPPfcwefLk4i6jRBs+HC5ehLlzHV2JiIg4jZNrYWkzOLHM0ZVICVTsAbB58+Zs2LCBChUq0LRpU7y9vdm7dy/jx4/n+eefZ//+/QwePLi4yxAREXEtRz6F05tg80jIvuzoaqSEMRmG/fqPDxw4wKOPPkpQUBBvvfUWERER9tp0sUhNTSU4OJiUlBSNXygiIvZ16Sx8VQMyTkKT16DWSEdXVGLo+9tOVwHv2rWLzz//nOzsbBISEujRowe33XYb77zzjj02X+LNmQPdu8N//uPoSkRExGl4l4aGf51CtWMiXDzpyGqkhCn2APj6668TGxvLv/71L1q0aMH777/PwIEDWb9+PWvXrqVFixbs2LGjuMso0XbtgiVLYPduR1ciIiJOpepgKNMYLqfA9uccXY2UIMUeAKdNm8aSJUtYt24dW7ZsYebMmQCUL1+ejz/+mBdffJH77ruvuMso0TQMjIiI5MnDE5q+aXl+4H04qw4VKZhiD4CGYeDhYdmMp6cn155y2LFjR7Zu3VrcZZRoOQNB604gIiKSS0hrqHwvYMABnSskBVPsA0GPGTOGbt260bBhQ/bt28eUKVNytfHRAHfXpR5AERG5roZToOKdf90hROTG7BIAu3Tpwu7du6lfvz61atUq7k26HAVAERG5rsDqlkmkgIo9AALUq1ePevXq2WNTLkkBUERECizzPKQlQml970r+ivUcwFGjRnH+/PkCtx83bhynT58uxopKpsxMy6MCoIiIXNfpLfBVDKy6E7IyHF2NOLFiHQja09OTpKQkKlSoUKD2QUFBbNu2japVqxZXSUXKngNJZmVZHj09i3UzIiJSkmWeh8XV4WISNHkdao1wdEVOSQNBF3MPoGEY1KhRg7JlyxZoKkxv4Y1kZmby3HPPER0dja+vL1WrVuXFF18kOzvb2mbgwIGYTCab6dZbby2yGoqSp6fCn4iI3EApf2jwouX5zpfgUopj6xGnVaznAMbHxxf6PaGhoUWy7WnTpvHuu+8yZ84c6taty6ZNmxg0aBDBwcGMGHHlL6IuXbrY1OmtsVZERKQkqzoI9syE1D2w5zVoMNHRFYkTKtYAOGDAgOJc/XWtXbuWnj17cscddwBQpUoVPvnkEzZt2mTTzmw2ExYW5ogSC2zSJMvdQEaMgJYtHV2NiIg4NY9SUH8S/Hw/7H0Naj4J5rKOrkqcjF3uBewIrVu3ZsWKFezbtw+AX375hdWrV9OtWzebditXriQkJIQaNWowdOhQkpOTHVHudX3/PXz6KRw75uhKRESkRKjcG0o3gMupsPtVR1cjTsguw8A4wjPPPENKSgq1atXC09OTrKwsJk+ezAMPPGBt07VrV+69916ioqJITEzk+eef5/bbb2fz5s2YzeZc68zIyCAj48pVVampqXb5LLoARERECsXkYekF/OluuKDeA8nNZQPgwoULmTt3LvPnz6du3bps27aNkSNHEhERYT00ff/991vb16tXj9jYWKKioliyZAm9evXKtc6pU6cyadIku32GHAqAIiJSaJV6QrcdGg9Q8uSyh4Cffvppnn32Wfr06UP9+vV56KGHeOqpp5g6dWq+7wkPDycqKor9+/fnuXzcuHGkpKRYp6NHjxZX+TZyAmApl43rIiJS5EwmhT/Jl90C4IcffsiFCxfstTkuXLiAh4ftx/P09LQZBuZap06d4ujRo4SHh+e53Gw2ExQUZDPZg3oARUTkbzl/BH5b6OgqxInYLQCOGzeOsLAwhgwZwpo1a4p9ez169GDy5MksWbKEw4cPs2jRImbOnMndd98NQFpaGmPGjGHt2rUcPnyYlStX0qNHD8qXL29t4ywUAEVE5Kal7rfcHWTtAEg/4ehqxEnYLQAeO3aMuXPncubMGdq1a0etWrWYNm0aSUlJxbK9t956i969ezN8+HBq167NmDFjGDZsGC+99BJg6Q3csWMHPXv2pEaNGgwYMIAaNWqwdu1aAgMDi6Wmm6UAKCIiNy2wOpS7BbIzYPcMR1cjTqJYbwWXn+TkZObOncuHH37Inj176NKlC0OGDKFHjx65Dts6M3vdSiY93XI/YF9fnQcoIiI34fdvYWU3y51C7jwMPuUdXZFD6VZwDroIJCQkhFatWtGiRQs8PDzYsWMHAwcOpFq1aqxcudIRJTk1X18IDFT4ExGRmxTeBco0sdwreO8bjq5GnIBdA+Aff/zBq6++St26dYmLiyM1NZWvv/6axMREfv/9d3r16uXQu4eIiIi4JJMJ6o23PN/3lu4RLPYLgD169CAyMpIPP/yQoUOHcvz4cT755BM6dOgAgK+vL6NHj7bb0ColyZgxMHgwJCY6uhIRESmxKt0FwXXgcgrsf9vR1YiD2e2gYkhICKtWraJFixb5tgkPDydRKSeXhQstt4EbPhyiox1djYiIlEgmD6jzT9j4CGBydDXiYHYLgB988MEN25hMJqKiouxQTcmigaBFRKRIRN0PEV3AXM7RlYiD2e0Q8JNPPsmbb76Za/6sWbMYOXKkvcookTQMjIiIFAmPUgp/AtgxAH7++ee0atUq1/yWLVvy2Wef2auMEkkBUEREitwfq+DYV46uQhzEbgcVT506RXBwcK75QUFB/Pnnn/Yqo0TKzLQ8KgCKiEiR+O1T+Pl+8KsM4Z3B09vRFYmd2a0HsHr16nz33Xe55n/77bdUrVrVXmWUSOoBFBGRIlWxB/iEwYUjcPhjR1cjDmC3HsBRo0bx+OOPc/LkSW6//XYAVqxYwYwZM3j99dftVUaJpAAoIiJFqpQv1B4DW8fAzqkQPcByfqC4DbveCm727NlMnjyZ33//HYAqVaowceJE+vfvb68SipS9biVz8qQlBJYvryuBRUSkiGSeh/9VgYw/ofl/oNoQR1dkN7oVnIPuBXzy5El8fX0JCAiw96aLlH6ARESkRNvzGmwZBT4h0H0feOc+V98V6fvbQfcCrlChQokPfyIiIiVezGMQVBMuJsPOlx1djdiR3QLgH3/8wUMPPURERASlSpXC09PTZpK8ZWdb7gDyxBNw/ryjqxEREZfi6Q1NXgP/KCjf0tHViB3Z7RBw165dOXLkCI8//jjh4eGYTLa3oenZs6c9yihS9uhCvnwZvP+6Ov/0aShTplg2IyIi7iwrAzzNjq7CbnQI2I5XAa9evZqffvqJRo0a2WuTLiHnCmDQVcAiIlJMrg5/hgEm3SvY1dntEHBkZCQOuN6kxMsZBBp0BbCIiBSj7CzY/29Y3gayLzu6GilmdguAr7/+Os8++yyHDx+21yZdgnoARUTELjLTYPvzcHI17Hvb0dVIMbPbOYBlypThwoULZGZm4ufnh5eXl83y06dP26OMImWPcwhOn4Zyf923+/Jl9QKKiEgxOvAf2DAUvErDnQfAXM7RFRULnQNox3MAdbePm6MeQBERsZuqg2DfW3B2O+ycAk1mOLoiKSYOGQjaVdjjL4ikJAgPt5yPm51dLJsQERG54velsLILeHhD9z0QEO3oioqcegDtPBD0wYMHee6553jggQdITk4G4LvvvmPnzp32LKNEqVABEhNh/35HVyIiIm4hvBOEdYDsS/DLeEdXI8XEbgFw1apV1K9fn/Xr1/PFF1+QlpYGwPbt25kwYYK9yihxPD2hShWoVs3RlYiIiFswmaDRdMAERxZCWqKjK5JiYLcA+Oyzz/Lyyy+TkJCAd87IxkC7du1Yu3atvcoQERGRGynbGBpPh84bXPIQsNjxIpAdO3Ywf/78XPMrVKjAqVOn7FVGiXPyJEyfDv7+MHGio6sRERG3UXuMoyuQYmS3HsDSpUtz4sSJXPO3bt1KxYoV7VVGiXPqFLz6Krz5pqMrERERt5WWCNmZN24nJYbdAmDfvn155plnSEpKwmQykZ2dzc8//8yYMWPo37+/vcoocXKGgdEQMCIi4hA7JsHXNSFxjqMrkSJktwA4efJkKleuTMWKFUlLS6NOnTq0adOGli1b8txzz9mrjBJHAVBERByqVKDl1nA7XoSsDEdXI0XE7uMAHjx4kK1bt5KdnU3jxo2JiYmx5+aLlD3GEdqyBZo2hYoV4dixYtmEiIhI/jLT4avqkP47NH0Taj7h6Ir+No0DaMeLQHJUq1aNahrTpMDUAygiIg5VyhfqPQ8bH4Wdk6HaYCjl7+iq5G8q1gA4atQoXnrpJfz9/Rk1atR1286cObNIt52ZmcnEiROZN28eSUlJhIeHM3DgQJ577jk8PCxHvg3DYNKkSbz33nucOXOG5s2b8/bbb1O3bt0ireXvUAAUERGHqzoYdk2H84mwbxbUecbRFcnfVKwBcOvWrVy+fNn6PD8mk6nItz1t2jTeffdd5syZQ926ddm0aRODBg0iODiYESNGADB9+nRmzpzJhx9+SI0aNXj55Zfp2LEje/fuJTAwsMhruhkKgCIi4nCe3lB/IqwbALumQfVHwDvY0VXJ3+Cy9wLu3r07oaGhfPDBB9Z599xzD35+fnz88ccYhkFERAQjR47kmWcsf8lkZGQQGhrKtGnTGDZs2A23YY9zCC5csNwKrlQpqFmzWDYhIiJyY9lZ8E19uHAE2vwPwto7uqKbpnMA7XgVcEpKCqdPn841//Tp06Smphb59lq3bs2KFSvYt28fAL/88gurV6+mW7duACQmJpKUlESnTp2s7zGbzbRt25Y1a9YUeT03y88P6tZV+BMREQfz8ISW8+DOQyU6/ImF3QJgnz59WLBgQa75n376KX369Cny7T3zzDM88MAD1KpVCy8vLxo3bszIkSN54IEHAEhKSgIgNDTU5n2hoaHWZdfKyMggNTXVZhIREXEbZRuDT4ijq5AiYLcAuH79etq1a5drflxcHOvXry/y7S1cuJC5c+cyf/58tmzZwpw5c3j11VeZM8d2IMtrzz80DCPfcxKnTp1KcHCwdYqMjCzyuq+1f7/lFnDvv1/smxIRESm45J/gYrKjq5CbZLcAmJGRQWZm7tvIXL58mfT09CLf3tNPP82zzz5Lnz59qF+/Pg899BBPPfUUU6dOBSAsLAwgV29fcnJyrl7BHOPGjSMlJcU6HT16tMjrvta+fTBpEvz738W+KRERkYLZ9CQsbwO7X3V0JXKT7BYAb7nlFt57771c8999912aNm1a5Nu7cOGCdbiXHJ6enmRnZwMQHR1NWFgYCQkJ1uWXLl1i1apVtGzZMs91ms1mgoKCbKbilnMVcCm7j9goIiKSj/DOlsd9b8PFk46tRW6K3WLF5MmT6dChA7/88gvt21tOHl2xYgUbN25k2bJlRb69Hj16WG8/V7duXbZu3crMmTMZPHgwYDn0O3LkSKZMmUJMTAwxMTFMmTIFPz8/+vbtW+T13CwNAyMiIk4nohuUaQJntsCe16DRFEdXJIVktwDYqlUr1q5dy7/+9S8+/fRTfH19adCgAR988EGx3A7urbfe4vnnn2f48OEkJycTERHBsGHDeOGFF6xtxo4dS3p6OsOHD7cOBL1s2TKnGQMQFABFRMQJmUxQ/wX48S7Y9xbUHgPmso6uSgrBZccBtAd7jCO0YAE88ADExcEPPxTLJkRERArPMODbxnD2F8ut4hq86OiKCkzjABbzOYBXD5Ny7fApGk6lYHQOoIiIOKWcXkCAvW/ApbMOLUcKp1hjRZkyZThx4gQhISGULl06z+FVcoZdycpJOmJDh4BFRMRpVboLgutB1gVIOwRlmzi6IimgYg2A33//PWXLWs4J+EHHL29Kt26wfj040WmJIiIiFiYPaPsV+FUEDy9HVyOFUKwB8I033qBx48YEBQXx22+/cf/992M2m4tzky6nfHnLJCIi4pQCqji6ArkJxXoO4Ndff8358+cBGDRoECkpKcW5OREREXGUrEtw6CPIuujoSqQAirUHsFatWowbN4527dphGAaffvppvlfb9O/fvzhLKbG2bIHly6F2bejRw9HViIiI5OP72+Hkz5CVDjHDHF2N3ECxDgPz888/M3r0aA4ePMjp06cJDAzM80IQk8nE6dOni6uMYmOPy8jfeguefBLuuw8WLiyWTYiIiPx9e9+EzSMgoBp03wseznv1ooaBKeYewFatWrFu3ToAPDw82LdvHyEhIcW5SZejq4BFRKREqDYEfn0R0g7C0c8h6j5HVyTXUaznAPbq1cs6xl98fLxT3WGjpFAAFBGREqGUP8Q8bnm+a5ploGhxWna7CGTw4MGcO3euODfnkjQQtIiIlBg1HgdPP8s9gv9Y4ehq5Dp0EYiTy8y0PKoHUEREnJ5Peaj2MOx7E3a+AmEdHF2R5KNYA+C7777LqFGjWLJkCSaTieeeey7fi0AUAPOWnW159CjWvloREZEiUnsU7H/Hcqu4zHQo5evoiiQPxRoAW7ZsqYtA/qacAKgeQBERKRH8o+DOA5ZHcVp2O7MsMTGRChUq2GtzLqN/f2jTBsLDHV2JiIhIASn8OT27HViMiopi9erV9OvXjxYtWnD8+HEAPv74Y1avXm2vMkqcKlUgLg5q1nR0JSIiIoWUngS/f+voKiQPdguAn3/+OZ07d8bX15etW7eSkZEBwLlz55gyZYq9yhARERF7OPsr/C8KVt8Hl3QrWGdjtwD48ssv8+677/L+++/j5eVlnd+yZUu2bNlirzJKnLVr4e234eefHV2JiIhIIQTXhcDqkJkGBz9wdDVyDbsFwL1799KmTZtc84OCgjh79qy9yihxFi+Gxx+Hzz93dCUiIiKFYDJBzZGW5/vehOxMh5YjtuwWAMPDwzlw4ECu+atXr6Zq1ar2KqPE0TAwIiJSYlXpB+bycP43OPalo6uRq9gtVgwbNowRI0awfv16TCYTv//+O/PmzWPMmDEMHz7cXmWUOAqAIiJSYpXyheqPWJ7vec2xtYgNuw0DM3bsWFJSUmjXrh0XL16kTZs2mM1mxowZw+OPP26vMkocBUARESnRagyH3dPgzzXw5wYo38zRFQl27AEEmDx5Mn/++ScbNmxg3bp1nDx5kpdeesmeJZQ4OQEwjxuoiIiIOD/fcIh6ADx9IGWHo6uRv9itBzCHn58fsbGx9t5siWUYlkf1AIqISInVcDI0nmG5V7A4BbsHQCkcHQIWEZESz6+SoyuQaygAOrlhw6BzZ6he3dGViIiIFIE/10NgDJjLOroSt6Z+JSdXty7ccYduBSciIi5g42Ow7FbY+4ajK3F7CoAiIiJiHyFtLY97ZljuEywOowDo5H7+GebMge3bHV2JiIjI31T5Xih7C2Sehx2THF2NW1MAdHLx8TBwIHz9taMrERER+ZtMJmj8L8vzg+9Dyh7H1uPGFACdnK4CFhERlxLaFir2ACMLfnnW0dW4LcUKJ6cAKCIiLqfRNDB5wLH/QfJPjq7GLblsrKhSpQomkynX9NhjjwEwcODAXMtuvfVWB1edm+4EIiIiLie4NlR7GPyjICvd0dW4JZcdB3Djxo1kZWVZX//666907NiRe++91zqvS5cuxMfHW197e3vbtcaC0J1ARETEJTWaDk3fBE+zoytxSy4bACtUqGDz+pVXXqFatWq0bdvWOs9sNhMWFmbv0gpFh4BFRMQleQc7ugK35hax4tKlS8ydO5fBgwdjuupY6sqVKwkJCaFGjRoMHTqU5OTk664nIyOD1NRUm6m4KQCKiIhLy86EA+/DoTmOrsStmAwj5yCj6/r000/p27cvR44cISIiAoCFCxcSEBBAVFQUiYmJPP/882RmZrJ582bM5ry7oydOnMikSbnHLUpJSSEoKKhYal+3Do4cgUaNoEaNYtmEiIiI4yTOg7X9wFwe7jwEXoHFvsnU1FSCg4OL9fvb2blFAOzcuTPe3t589dVX+bY5ceIEUVFRLFiwgF69euXZJiMjg4yMDOvr1NRUIiMj3foHSERE5G/JzoQldeHcPqj/ItR/vtg3qQDoBoeAf/vtN5YvX87DDz983Xbh4eFERUWxf//+fNuYzWaCgoJsJhEREfkbPEpBgxctz/e8ChmnHFuPm3D5ABgfH09ISAh33HHHddudOnWKo0ePEh4ebqfKCubnn+G//4VDhxxdiYiISDGpfC+UbgiXU2HXdEdX4xZcOgBmZ2cTHx/PgAEDKFXqygXPaWlpjBkzhrVr13L48GFWrlxJjx49KF++PHfffbcDK87tX/+C++6D5csdXYmIiEgxMXlAw5ctz/e9BeknHFuPG3DpALh8+XKOHDnC4MGDbeZ7enqyY8cOevbsSY0aNRgwYAA1atRg7dq1BAYW/8mnhaGrgEVExC1E3AHlW1gGhv51sqOrcXkuOw4gQKdOncjrGhdfX1+WLl3qgIoKTwFQRETcgskEDafAry9CdD9HV+PyXDoAugLdCk5ERNxGaJxlkmKnfiUnp1vBiYiI23L9keocRrHCyekQsIiIuJ2MU7BlDKzt7+hKXJZihZNTABQREbeTngR7ZsLhuXBmu6OrcUk6B9DJjRkDffvCrbc6uhIRERE7KV0X6j0PpRtA6XqOrsYlKQA6uc6dHV2BiIiIAzSY5OgKXJoOLIqIiIi4GfUAOrk1a+DsWWjSBMLCHF2NiIiIuAL1ADq5sWPhjjtg7VpHVyIiIiKuQgHQyekqYBERESlqihVOTncCERERkaKmAOjkdCcQERERKWqKFU5Oh4BFRESkqClWODkFQBERESlqihVOTgFQREREiprGAXRy48bByZNQq5ajKxERERFXoQDo5O67z9EViIiIiKvRgUURERERN6MeQCe3fj1cvAgNG0Lp0o6uRkRERFyBegCd3IABEBcHO3Y4uhIRERFxFQqATk5XAYuIiEhRU6xwcroVnIiIiBQ1BUAnp1vBiYiISFFTrHByOgQsIiIiRU2xwskpAIqIiEhRU6xwcgqAIiIiUtQ0DqCTGz8eUlOhYkVHVyIiIiKuQgHQyT3yiKMrEBEREVejA4siIiIibkY9gE5uyxbIyoJ69cDX19HViIiIiCtw2R7AKlWqYDKZck2PPfYYAIZhMHHiRCIiIvD19SUuLo6dO3c6uOrcOnWCZs3g8GFHVyIiIiKuwmUD4MaNGzlx4oR1SkhIAODee+8FYPr06cycOZNZs2axceNGwsLC6NixI+fOnXNk2bnoTiAiIiJS1Fw2AFaoUIGwsDDr9PXXX1OtWjXatm2LYRi8/vrrjB8/nl69elGvXj3mzJnDhQsXmD9/vqNLt6FhYERERKSouUWsuHTpEnPnzmXw4MGYTCYSExNJSkqiU6dO1jZms5m2bduyZs2afNeTkZFBamqqzVTcdCs4ERERKWpuESu+/PJLzp49y8CBAwFISkoCIDQ01KZdaGiodVlepk6dSnBwsHWKjIwstppzqAdQREREippbxIoPPviArl27EhERYTPfdM2JdYZh5Jp3tXHjxpGSkmKdjh49Wiz1Xk0BUERERIqayw8D89tvv7F8+XK++OIL67ywsDDA0hMYHh5unZ+cnJyrV/BqZrMZs9lcfMXmQQFQREREiprLx4r4+HhCQkK44447rPOio6MJCwuzXhkMlvMEV61aRcuWLR1RZr7Gj4cXXoDgYEdXIiIiIq7CpXsAs7OziY+PZ8CAAZQqdeWjmkwmRo4cyZQpU4iJiSEmJoYpU6bg5+dH3759HVhxbs895+gKRERExNW4dABcvnw5R44cYfDgwbmWjR07lvT0dIYPH86ZM2do3rw5y5YtIzAw0AGVioiIiNiPyTByBhqRwkpNTSU4OJiUlBSCgoKKZRu//mo5/69GDSjl0nFdRETEPuzx/e3sFCmcmGFA/fqW58nJUKGCY+sRERER1+DyF4GUZFf3zepWcCIiIlJUFACd2NUBUMPAiIiISFFRrHBiOWMAggKgiIiIFB3FCiemACgiIiLFQbHCiSkAioiISHFQrHBiVwdAXQQiIiIiRUXDwDixUqXg6actQdDLy9HViIiIiKtQAHRiZjNMn+7oKkRERMTV6BCwiIiIiJtRD6ATy8qCI0cs5/9FRek8QBERESkaCoBO7MwZqFrV8vzqC0JERERE/g4dAnZiugpYREREioMCoBPLCYAKfyIiIlKUFACdWE4A1CDQIiIiUpQULZyYAqCIiIgUB0ULJ2YYlkcFQBERESlKihZOTOcAioiISHHQMDBOLCAAhg+33BJOREREpKgoWjixcuXg7bcdXYWIiIi4Gh0CFhEREXEz6gF0YpmZcPo0eHpaegNFxPVlZWVx+fJlR5chUqJ5eXnh6enp6DKcmgKgE9u/H+rUgTJlLEFQRFyXYRgkJSVx9uxZR5ci4hJKly5NWFgYJl1JmScFQCemYWBE3EdO+AsJCcHPz09fWiI3yTAMLly4QHJyMgDh4eEOrsg5KQA6MQ0ELeIesrKyrOGvnM73EPnbfH19AUhOTiYkJESHg/OgaOHEFABF3EPOOX9+fn4OrkTEdeT8Pumc2rwpWjgxBUAR96LDviJFR79P16do4cQUAEVERKQ4KFo4Md0KTkRKmri4OEaOHGn37VSpUoXXX3+92LfrTA4fPozJZGLbtm2OLkVKIAVAJ1auHAwcCPfe6+hKRERE8mYymfjyyy+LdJ0rV67EZDJpWKRi5NIB8Pjx4/Tr149y5crh5+dHo0aN2Lx5s3X5wIEDMZlMNtOtt97qwIptRUdDfDzMnOnoSkRE5EYuXbrk6BJECsxlA+CZM2do1aoVXl5efPvtt+zatYsZM2ZQunRpm3ZdunThxIkT1umbb75xTMEiIiXM+fPn6d+/PwEBAYSHhzNjxoxcbS5dusTYsWOpWLEi/v7+NG/enJUrV1qXnzp1igceeIBKlSrh5+dH/fr1+eSTTwq9nWvNnDmT+vXr4+/vT2RkJMOHDyctLc26vqCgID777DOb93z11Vf4+/tz7tw5wNKJcP/991OmTBnKlStHz549OXz4sLX9wIEDueuuu5g6dSoRERHUqFEjz1oOHjxIz549CQ0NJSAggFtuuYXly5fbtKlSpQpTpkxh8ODBBAYGUrlyZd577z2bNhs2bKBx48b4+PgQGxvL1q1bb7gfMjIyGDt2LJGRkZjNZmJiYvjggw+sy1etWkWzZs0wm82Eh4fz7LPPkpmZaV0eFxfHk08+ydixYylbtixhYWFMnDjRpm6Au+++G5PJZH1dkM+cX22HDx+mXbt2AJQpUwaTycTAgQMB+Oyzz6hfvz6+vr6UK1eODh06cP78+RvuB8nNZQPgtGnTiIyMJD4+nmbNmlGlShXat29PtWrVbNqZzWbCwsKsU9myZR1UcW5ZWZCWBunpjq5ERBzh/Pn8p4sXC9722v+H5NeusJ5++ml++OEHFi1axLJly1i5cqXNURaAQYMG8fPPP7NgwQK2b9/OvffeS5cuXdi/fz8AFy9epGnTpnz99df8+uuv/OMf/+Chhx5i/fr1hdrOtTw8PHjzzTf59ddfmTNnDt9//z1jx44FwN/fnz59+hAfH2/znvj4eHr37k1gYCAXLlygXbt2BAQE8OOPP7J69WoCAgLo0qWLTU/fihUr2L17NwkJCXz99dd51pKWlka3bt1Yvnw5W7dupXPnzvTo0YMjR47YtJsxY4Y12A0fPpxHH32UPXv2AJbQ2r17d2rWrMnmzZuZOHEiY8aMue4+AOjfvz8LFizgzTffZPfu3bz77rsEBAQAloDbrVs3brnlFn755Rdmz57NBx98wMsvv2yzjjlz5uDv78/69euZPn06L774IgkJCQBs3LjRuu9OnDhhfV2Qz5xfbZGRkXz++ecA7N27lxMnTvDGG29w4sQJHnjgAQYPHszu3btZuXIlvXr1wsi5a4IUjuGiateubYwcOdLo3bu3UaFCBaNRo0bGe++9Z9NmwIABRnBwsFGhQgUjJibGePjhh40//vgj33VevHjRSElJsU5Hjx41ACMlJaVYPsOPPxoGGEaNGsWyehFxEunp6cauXbuM9PR0m/mW+wHlPXXrZrsOP7/827Zta9u2fPm82xXGuXPnDG9vb2PBggXWeadOnTJ8fX2NESNGGIZhGAcOHDBMJpNx/Phxm/e2b9/eGDduXL7r7tatmzF69OgCb8cwDCMqKsp47bXX8l3np59+apQrV876ev369Yanp6e1tpMnTxpeXl7GypUrDcMwjA8++MCoWbOmkZ2dbX1PRkaG4evrayxdutQwDMt3SGhoqJGRkZHvdvNTp04d46233rKpv1+/ftbX2dnZRkhIiDF79mzDMAzj3//+t1G2bFnj/Pnz1jazZ882AGPr1q15bmPv3r0GYCQkJOS5/J///Geuz/j2228bAQEBRlZWlmEYhtG2bVujdevWNu+75ZZbjGeeecb6GjAWLVpUqM98o9p++OEHAzDOnDljnbd582YDMA4fPnzDbRlG/r9XhmEYKSkpxfr9XRK4bA/goUOHmD17NjExMSxdupRHHnmEJ598ko8++sjapmvXrsybN4/vv/+eGTNmsHHjRm6//XYyMjLyXOfUqVMJDg62TpGRkcX6GXL+qNFVwCLibA4ePMilS5do0aKFdV7ZsmWpWbOm9fWWLVswDIMaNWoQEBBgnVatWsXBgwcBy11QJk+eTIMGDShXrhwBAQEsW7bM2lNUkO3k5YcffqBjx45UrFiRwMBA+vfvz6lTp6yHC5s1a0bdunWt3wkff/wxlStXpk2bNgBs3ryZAwcOEBgYaK27bNmyXLx40Vo7QP369fH29r5uLefPn2fs2LHUqVOH0qVLExAQwJ49e3L1ADZo0MD63GQyERYWZr2d2e7du2nYsKHNYOFX75O8bNu2DU9PT9q2bZvn8t27d9OiRQub8fJatWpFWloax44dy7MusNxaLaeum/3MN6otLw0bNqR9+/bUr1+fe++9l/fff58zZ84U+P1iy2VvBZednU1sbCxTpkwBoHHjxuzcuZPZs2fTv39/AO6//35r+3r16hEbG0tUVBRLliyhV69eudY5btw4Ro0aZX2dmpparCFQw8CIuLe/TlnL07V3trre9/G1Y4ledRrbTTMKcNgtOzsbT09PNm/enOtWXDmHIWfMmMFrr73G66+/bj1nb+TIkdbDrAXZzrV+++03unXrxiOPPMJLL71E2bJlWb16NUOGDLG5K8TDDz/MrFmzePbZZ4mPj2fQoEHWMJSdnU3Tpk2ZN29ervVXqFDB+tzf3/+G9Tz99NMsXbqUV199lerVq+Pr60vv3r1zXTTi5eVl89pkMpH91xfBzeyHnNuh5ccwjFyDJeds5+r516srPzf6zDeqLS+enp4kJCSwZs0ali1bxltvvcX48eNZv3490dHRhV6fu3PZHsDw8HDq1KljM6927dq5/uK69j1RUVHWc1OuZTabCQoKspmKU87vuwaCFnFP/v75Tz4+BW977Xdtfu0Ko3r16nh5ebFu3TrrvDNnzrBv3z7r68aNG5OVlUVycjLVq1e3mcLCwgD46aef6NmzJ/369aNhw4ZUrVrV5v/BBdnOtTZt2kRmZiYzZszg1ltvpUaNGvz++++52vXr148jR47w5ptvsnPnTgYMGGBd1qRJE/bv309ISEiu2oODgwu1r3766ScGDhzI3XffTf369QkLC7O5mKQg6tSpwy+//EL6VSd0Xr1P8lK/fn2ys7NZtWpVvutcs2aNTbhcs2YNgYGBVKxYscC1eXl5kZWVZTPvRp/5RrXl9Kpeu16TyUSrVq2YNGkSW7duxdvbm0WLFhW4VrnCZaNFq1at2Lt3r828ffv2ERUVle97Tp06xdGjRwkPDy/u8gpEh4BFxFkFBAQwZMgQnn76aVasWMGvv/7KwIED8bjqL9YaNWrw4IMP0r9/f7744gsSExPZuHEj06ZNs464UL16dWuvzu7duxk2bBhJSUmF2s61qlWrRmZmJm+99RaHDh3i448/5t13383VrkyZMvTq1Yunn36aTp06UalSJeuyBx98kPLly9OzZ09++uknEhMTWbVqFSNGjLA5PFoQ1atX54svvmDbtm388ssv9O3b94Y9aNfq27cvHh4eDBkyhF27dvHNN9/w6quvXvc9VapUYcCAAQwePJgvv/ySxMREVq5cyaeffgrA8OHDOXr0KE888QR79uzhf//7HxMmTGDUqFHX3b95bWfFihUkJSVZD8ne6DPfqLaoqChMJhNff/01J0+eJC0tjfXr1zNlyhQ2bdrEkSNH+OKLLzh58iS1a9cu1L4UC5cNgE899RTr1q1jypQpHDhwgPnz5/Pee+/x2GOPAZYrlMaMGcPatWs5fPgwK1eupEePHpQvX567777bwdVbKACKiDP717/+RZs2bbjzzjvp0KEDrVu3pmnTpjZt4uPj6d+/P6NHj6ZmzZrceeedrF+/3nr6zPPPP0+TJk3o3LkzcXFxhIWFcddddxV6O1dr1KgRM2fOZNq0adSrV4958+YxderUPNsOGTKES5cuMXjwYJv5fn5+/Pjjj1SuXJlevXpRu3ZtBg8eTHp6eqGP/rz22muUKVOGli1b0qNHDzp37kyTJk0KtY6AgAC++uordu3aRePGjRk/fjzTpk274ftmz55N7969GT58OLVq1WLo0KHW8yArVqzIN998w4YNG2jYsCGPPPIIQ4YM4bnnnitUbTNmzCAhIYHIyEgaN25c4M98o9omTZrEs88+S2hoKI8//jhBQUH8+OOPdOvWjRo1avDcc88xY8YMunbtWqh6xcJk3MyJBSXE119/zbhx49i/fz/R0dGMGjWKoUOHApCens5dd93F1q1bOXv2LOHh4bRr146XXnqpwOf1paamEhwcTEpKSrEcDl6+HDp2hPr1Yfv2Il+9iDiJixcvkpiYSHR0ND7XHtuVYjVv3jxGjBjB77//fsOLOaRkud7vVXF/f5cELnsRCED37t3p3r17nst8fX1ZunSpnSsqnJAQ6N0bKld2dCUiIq7lwoULJCYmMnXqVIYNG6bwJ27HZQ8Bu4IGDeC//4UCDHovIiKFMH36dBo1akRoaCjjxo1zdDkidqcAKCIibmfixIlcvnyZFStWWIekEXEnCoBOLGd8fhEREZGipADoxL791jIGYGysoysRERERV6IA6MQ0DIyIiIgUBwVAJ6YAKCIiIsVBAdCJKQCKiIhIcVAAdGI5d81RABQREZGipADoxNQDKCJSNKpUqcLrr7/+t9axZ88ebr31Vnx8fGjUqFGe8w4fPozJZGLbtm0FWufAgQNz3fpOxB5c+k4gJV1OACzEPblFRFyayWRi0aJFDglNEyZMwN/fn71791rHDrx2XunSpTlx4gTly5cv0DrfeOMNXPiOrOLEFACdWGgodOsGtWs7uhIRkb/v8uXLeHl5ObqMm3bw4EHuuOMOoqKirjsvLCyswOsMDg4u0hpFCkp9S06sZUtYsgRefdXRlYiI5Jadnc20adOoXr06ZrOZypUrM3nyZADrodBPP/2UuLg4fHx8eO+99wgKCuKzzz6zWc9XX32Fv78/586d49KlSzz++OOEh4fj4+NDlSpVmDp1KmA5jAtw9913YzKZrK8PHjxIz549CQ0NJSAggFtuuYXly5cX+vPEx8dTu3ZtfHx8qFWrFu+88451mclkYvPmzbz44ouYTCYmTpyY57y8DgHv3LmTO+64g6CgIAIDA7nttts4ePAgkPsQsGEYTJ8+napVq+Lr60vDhg1t9tfKlSsxmUysWLGC2NhY/Pz8aNmyJXv37rX5LIsXLyY2NhYfHx/Kly9Pr169AHjxxRepX79+rs/etGlTXnjhhULvMym5FABFRJxV5vn8p6yLBW+bmV6wtoU0btw4pk2bxvPPP8+uXbuYP38+oaGhNm2eeeYZnnzySXbv3s3dd99Nnz59iI+Pt2kTHx9P7969CQwM5M0332Tx4sV8+umn7N27l7lz51qD3saNG63tT5w4YX2dlpZGt27dWL58OVu3bqVz58706NGDI0eOFPizvP/++4wfP57Jkyeze/dupkyZwvPPP8+cOXMAOHHiBHXr1mX06NGcOHGCMWPG5DnvWsePH6dNmzb4+Pjw/fffs3nzZgYPHkxmZmaedTz33HPEx8cze/Zsdu7cyVNPPUW/fv1YtWqVTbvx48czY8YMNm3aRKlSpRg8eLB12ZIlS+jVqxd33HEHW7dutYZFgMGDB7Nr1y7rvgPYvn07W7duZeDAgQXeX+ICDLlpKSkpBmCkpKQ4uhQRKcHS09ONXbt2Genp6bYL5pH/9EM327YL/PJvm9DWtu1n5fNuVwipqamG2Ww23n///TyXJyYmGoDx+uuv28xfv3694enpaRw/ftwwDMM4efKk4eXlZaxcudIwDMN44oknjNtvv93Izs7Oc72AsWjRohvWV6dOHeOtt96yvo6KijJee+21fNtHRkYa8+fPt5n30ksvGS1atLC+btiwoTFhwgSbNtfOy/ncW7duNQzDMMaNG2dER0cbly5dynO7AwYMMHr27GkYhmGkpaUZPj4+xpo1a2zaDBkyxHjggQcMwzCMH374wQCM5cuXW5cvWbLEAKw/Py1atDAefPDBfD9r165djUcffdT6euTIkUZcXFy+7UuqfH+vDH1/G4ZhqAfQiX3+Ofj5Qdeujq5ERMTW7t27ycjIoH379tdtF3vNvSybNWtG3bp1+eijjwD4+OOPqVy5Mm3atAEsh0S3bdtGzZo1efLJJ1m2bNkNazl//jxjx46lTp06lC5dmoCAAPbs2VPgHsCTJ09y9OhRhgwZQkBAgHV6+eWXrYdqb9a2bdu47bbbCnTu465du7h48SIdO3a0qeOjjz7KVUeDBg2sz8PDwwFITk62bvN6/y5Dhw7lk08+4eLFi1y+fJl58+bZ9CCKe9BFIE7s8mVIT4eMDEdXIiIOcV9a/stMnrav70m+zoqu+Vu/5+GbrcjK19e3QO38/f1zzXv44YeZNWsWzz77LPHx8QwaNAjTX+NdNWnShMTERL799luWL1/OfffdR4cOHXKdN3i1p59+mqVLl/Lqq69SvXp1fH196d27N5cuXSpQjdl/Dbr6/vvv07x5c5tlnp6eeb2lwAq6n66uY8mSJVSsWNFmmdlstnl9daDM2Xc577/RNnv06IHZbGbRokWYzWYyMjK45557ClynuAYFQCemcQBF3Fyp3OHJ7m3zERMTg6+vLytWrODhhx8u1Hv79evH2LFjefPNN9m5cycDBgywWR4UFMT999/P/fffT+/evenSpQunT5+mbNmyeHl5kZWVZdP+p59+YuDAgdx9992A5ZzAw4cPF7ie0NBQKlasyKFDh3jwwQcL9VlupEGDBsyZM6dAV0DXqVMHs9nMkSNHaNu27d/a5ooVKxg0aFCey0uVKsWAAQOIj4/HbDbTp08f/Pz8bnp7UjIpADoxBUARcVY+Pj4888wzjB07Fm9vb1q1asXJkyfZuXMnQ4YMue57y5QpQ69evXj66afp1KkTlSpVsi577bXXCA8Pp1GjRnh4ePDf//6XsLAwSpcuDViuBF6xYgWtWrXCbDZTpkwZqlevzhdffEGPHj0wmUw8//zz1t6wgpo4cSJPPvkkQUFBdO3alYyMDDZt2sSZM2cYNWpUofdPjscff5y33nqLPn36MG7cOIKDg1m3bh3NmjWjZs2aNm0DAwMZM2YMTz31FNnZ2bRu3ZrU1FTWrFlDQEBArqCcnwkTJtC+fXuqVatGnz59yMzM5Ntvv2Xs2LHWNg8//DC1/xpj7Oeff77pzycll84BdGIKgCLizJ5//nlGjx7NCy+8QO3atbn//vut56HdyJAhQ7h06VKuc88CAgKYNm0asbGx3HLLLRw+fJhvvvkGj79GxJ8xYwYJCQlERkbSuHFjwBIay5QpQ8uWLenRowedO3emSZMmhfosDz/8MP/5z3/48MMPqV+/Pm3btuXDDz8kOjq6UOu5Vrly5fj+++9JS0ujbdu2NG3alPfffz/f3sCXXnqJF154galTp1K7dm06d+7MV199Vag64uLi+O9//8vixYtp1KgRt99+O+vXr7dpExMTQ8uWLalZs2auw97iHkyGoSHIb1ZqairBwcGkpKQQFBRU5OufOxceegg6doQCnActIiXUxYsXSUxMJDo6Gh8fH0eXYxfz5s1jxIgR/P7773h7ezu6HLdjGAa1atVi2LBhf6uH05ld7/equL+/SwIdAnZiuhWciLiaCxcukJiYyNSpUxk2bJjCnwMkJyfz8ccfc/z48XzPExTXp2jhxEJCoG1buOpqfxGREm369Ok0atSI0NBQxo0b5+hy3FJoaCivvPIK7733HmXKlHF0OeIgOgT8N6gLWUSKgjseAhYpbjoEfH3qARQRERFxMwqAIiJOQgdkRIqOfp+uTwHQic2dC+XLW64EFhHXlTMkyIULFxxciYjryPl9Ksht+NyRrgJ2YunpcOoUpKY6uhIRKU6enp6ULl3aOoaen5+f9fZeIlI4hmFw4cIFkpOTKV269N++nZ+rUgB0YhoIWsR9hIWFARR4IGURub7SpUtbf68kNwVAJ6YAKOI+TCYT4eHhhISEcPnyZUeXI1KieXl5qefvBhQAnZgCoIj78fT01BeXiBQ7l74I5Pjx4/Tr149y5crh5+dHo0aN2Lx5s3W5YRhMnDiRiIgIfH19iYuLY+fOnQ6s2JYCoIiIiBQHlw2AZ86coVWrVnh5efHtt9+ya9cuZsyYQenSpa1tpk+fzsyZM5k1axYbN24kLCyMjh07cu7cOccVfhXdCk5ERESKg8seAp42bRqRkZHEx8db51WpUsX63DAMXn/9dcaPH0+vXr0AmDNnDqGhocyfP59hw4bZu+RcKlSA2FioVs3RlYiIiIgrcdlbwdWpU4fOnTtz7NgxVq1aRcWKFRk+fDhDhw4F4NChQ1SrVo0tW7bQuHFj6/t69uxJ6dKlmTNnTq51ZmRkkJGRYX2dkpJC5cqVOXr0qNveSkZERKSkSU1NJTIykrNnzxIcHOzochzCZXsADx06xOzZsxk1ahT//Oc/2bBhA08++SRms5n+/fuTlJQEWG6KfbXQ0FB+++23PNc5depUJk2alGt+ZGRk0X8AERERKVbnzp1TAHQ12dnZxMbGMmXKFAAaN27Mzp07mT17Nv3797e2u3awVcMw8h2Addy4cYwaNcpmG6dPn6ZcuXJFOmhrzl8m6lm8Me2rgtO+Khztr4LTvio47auCK859ZRgG586dIyIiokjXW5K4bAAMDw+nTp06NvNq167N559/DlwZdDUpKYnw8HBrm+Tk5Fy9gjnMZjNms9lm3tUXlRS1oKAg/Q+igLSvCk77qnC0vwpO+6rgtK8Krrj2lbv2/OVw2etLW7Vqxd69e23m7du3j6ioKACio6MJCwsjISHBuvzSpUusWrWKli1b2rVWEREREXty2R7Ap556ipYtWzJlyhTuu+8+NmzYwHvvvcd7770HWA79jhw5kilTphATE0NMTAxTpkzBz8+Pvn37Orh6ERERkeLjsgHwlltuYdGiRYwbN44XX3yR6OhoXn/9dR588EFrm7Fjx5Kens7w4cM5c+YMzZs3Z9myZQQGBjqwcsuh5gkTJuQ63Cy5aV8VnPZV4Wh/FZz2VcFpXxWc9lXxctlhYEREREQkby57DqCIiIiI5E0BUERERMTNKACKiIiIuBkFQBERERE3owDoZN555x2io6Px8fGhadOm/PTTT44uySn8+OOP9OjRg4iICEwmE19++aXNcsMwmDhxIhEREfj6+hIXF8fOnTsdU6wDTZ06lVtuuYXAwEBCQkK46667co2HqX11xezZs2nQoIF1oNkWLVrw7bffWpdrX+Vv6tSp1uG0cmh/WUycOBGTyWQz5dx8ALSf8nL8+HH69etHuXLl8PPzo1GjRmzevNm6XPus6CkAOpGFCxcycuRIxo8fz9atW7ntttvo2rUrR44ccXRpDnf+/HkaNmzIrFmz8lw+ffp0Zs6cyaxZs9i4cSNhYWF07NiRc+fO2blSx1q1ahWPPfYY69atIyEhgczMTDp16sT58+etbbSvrqhUqRKvvPIKmzZtYtOmTdx+++307NnT+sWifZW3jRs38t5779GgQQOb+dpfV9StW5cTJ05Ypx07dliXaT/ZOnPmDK1atcLLy4tvv/2WXbt2MWPGDJs7bWmfFQNDnEazZs2MRx55xGZerVq1jGeffdZBFTknwFi0aJH1dXZ2thEWFma88sor1nkXL140goODjXfffdcBFTqP5ORkAzBWrVplGIb2VUGUKVPG+M9//qN9lY9z584ZMTExRkJCgtG2bVtjxIgRhmHoZ+tqEyZMMBo2bJjnMu2n3J555hmjdevW+S7XPise6gF0EpcuXWLz5s106tTJZn6nTp1Ys2aNg6oqGRITE0lKSrLZd2azmbZt27r9vktJSQGgbNmygPbV9WRlZbFgwQLOnz9PixYttK/y8dhjj3HHHXfQoUMHm/naX7b2799PREQE0dHR9OnTh0OHDgHaT3lZvHgxsbGx3HvvvYSEhNC4cWPef/9963Lts+KhAOgk/vzzT7KysggNDbWZHxoaSlJSkoOqKhly9o/2nS3DMBg1ahStW7emXr16gPZVXnbs2EFAQABms5lHHnmERYsWUadOHe2rPCxYsIAtW7YwderUXMu0v65o3rw5H330EUuXLuX9998nKSmJli1bcurUKe2nPBw6dIjZs2cTExPD0qVLeeSRR3jyySf56KOPAP1sFReXvRVcSWUymWxeG4aRa57kTfvO1uOPP8727dtZvXp1rmXaV1fUrFmTbdu2cfbsWT7//HMGDBjAqlWrrMu1ryyOHj3KiBEjWLZsGT4+Pvm20/6Crl27Wp/Xr1+fFi1aUK1aNebMmcOtt94KaD9dLTs7m9jYWKZMmQJA48aN2blzJ7Nnz6Z///7WdtpnRUs9gE6ifPnyeHp65vprJjk5OddfPWIr5+o67bsrnnjiCRYvXswPP/xApUqVrPO1r3Lz9vamevXqxMbGMnXqVBo2bMgbb7yhfXWNzZs3k5ycTNOmTSlVqhSlSpVi1apVvPnmm5QqVcq6T7S/cvP396d+/frs379fP1d5CA8Pp06dOjbzateubb0AUvuseCgAOglvb2+aNm1KQkKCzfyEhARatmzpoKpKhujoaMLCwmz23aVLl1i1apXb7TvDMHj88cf54osv+P7774mOjrZZrn11Y4ZhkJGRoX11jfbt27Njxw62bdtmnWJjY3nwwQfZtm0bVatW1f7KR0ZGBrt37yY8PFw/V3lo1apVruGq9u3bR1RUFKD/bxUbR119IrktWLDA8PLyMj744ANj165dxsiRIw1/f3/j8OHDji7N4c6dO2ds3brV2Lp1qwEYM2fONLZu3Wr89ttvhmEYxiuvvGIEBwcbX3zxhbFjxw7jgQceMMLDw43U1FQHV25fjz76qBEcHGysXLnSOHHihHW6cOGCtY321RXjxo0zfvzxRyMxMdHYvn278c9//tPw8PAwli1bZhiG9tWNXH0VsGFof+UYPXq0sXLlSuPQoUPGunXrjO7duxuBgYHW/5drP9nasGGDUapUKWPy5MnG/v37jXnz5hl+fn7G3LlzrW20z4qeAqCTefvtt42oqCjD29vbaNKkiXX4Dnf3ww8/GECuacCAAYZhWIYJmDBhghEWFmaYzWajTZs2xo4dOxxbtAPktY8AIz4+3tpG++qKwYMHW3/fKlSoYLRv394a/gxD++pGrg2A2l8W999/vxEeHm54eXkZERERRq9evYydO3dal2s/5fbVV18Z9erVM8xms1GrVi3jvffes1mufVb0TIZhGI7pexQRERERR9A5gCIiIiJuRgFQRERExM0oAIqIiIi4GQVAERERETejACgiIiLiZhQARURERNyMAqCIiIiIm1EAFBH5G0wmEyaTidKlS1vnTZw4kUaNGhX7tuPi4qzb37ZtW7FvT0RchwKgiMjfFB8fz759+4pkXZ9//jmenp4cOXIkz+W1atXiySefBOCLL75gw4YNRbJdEXEvCoAi4vIuX75crOsvXbo0ISEhRbKuO++8k3LlyjFnzpxcy37++Wf27t3LkCFDAChbtiwVKlQoku2KiHtRABQRuzEMg+nTp1O1alV8fX1p2LAhn332mXX5ypUrMZlMrFixgtjYWPz8/GjZsiV79+61Wc9XX31F06ZN8fHxoWrVqkyaNInMzEzrcpPJxLvvvkvPnj3x9/fn5ZdfBuDll18mJCSEwMBAHn74YZ599lnrodoff/wRLy8vkpKSbLY1evRo2rRp87c+d2JiItWrV+fRRx8lOzubS5cuMXbsWCpWrIi/vz/Nmzdn5cqVAHh5efHQQw/x4Ycfcu2dOv/v//6Ppk2b0rBhw79Vj4iIAqCI2M1zzz1HfHw8s2fPZufOnTz11FP069ePVatW2bQbP348M2bMYNOmTZQqVYrBgwdbly1dupR+/frx5JNPsmvXLv7973/z4YcfMnnyZJt1TJgwgZ49e7Jjxw4GDx7MvHnzmDx5MtOmTWPz5s1UrlyZ2bNnW9u3adOGqlWr8vHHH1vnZWZmMnfuXAYNGnTTn/nXX3+lVatW3HvvvcyePRsPDw8GDRrEzz//zIIFC9i+fTv33nsvXbp0Yf/+/QAMGTKEQ4cO2eyX8+fP8+mnn1p7/0RE/hZDRMQO0tLSDB8fH2PNmjU284cMGWI88MADhmEYxg8//GAAxvLly63LlyxZYgBGenq6YRiGcdtttxlTpkyxWcfHH39shIeHW18DxsiRI23aNG/e3Hjsscds5rVq1cpo2LCh9fW0adOM2rVrW19/+eWXRkBAgJGWlpbv5wKMRYsW2cybMGGC0bBhQ2PNmjVG2bJljX/961/WZQcOHDBMJpNx/Phxm/e0b9/eGDdunE29/fv3t77+v//7P8PX19c4c+aMzfsSExMNwNi6dWu+NYqIXEs9gCJiF7t27eLixYt07NiRgIAA6/TRRx9x8OBBm7YNGjSwPg8PDwcgOTkZgM2bN/Piiy/arGPo0KGcOHGCCxcuWN8XGxtrs869e/fSrFkzm3nXvh44cCAHDhxg3bp1gOWQ63333Ye/v3+hP++RI0fo0KEDzz33HGPGjLHO37JlC4ZhUKNGDZvPsGrVKpv9MGTIED777DPOnTtnraVXr142VxuLiNysUo4uQETcQ3Z2NgBLliyhYsWKNsvMZrPNay8vL+tzk8lk8/7s7GwmTZpEr169cm3Dx8fH+jyv0JazrhzGNefYhYSE0KNHD+Lj46latSrffPON9dy8wqpQoQIREREsWLCAIUOGEBQUZK3f09OTzZs34+npafOegIAA6/M+ffrw1FNPsXDhQuLi4li9ejUvvvjiTdUiInItBUARsYs6depgNps5cuQIbdu2ven1NGnShL1791K9evVCva9mzZps2LCBhx56yDpv06ZNudo9/PDD9OnTh0qVKlGtWjVatWp1U3X6+vry9ddf061bNzp37syyZcsIDAykcePGZGVlkZyczG233Zbv+wMDA7n33nuJj4/n0KFDVK1albi4uJuqRUTkWgqAImIXgYGBjBkzhqeeeors7Gxat25Namoqa9asISAggAEDBhRoPS+88ALdu3cnMjKSe++9Fw8PD7Zv386OHTusV/vm5YknnmDo0KHExsbSsmVLFi5cyPbt26latapNu86dOxMcHMzLL7/8t3vc/P39WbJkCV27dqVr165899131KhRgwcffJD+/fszY8YMGjduzJ9//sn3339P/fr16datm/X9Q4YM4bbbbmPXrl2MGTMmVw+miMjN0jmAImI3L730Ei+88AJTp06ldu3adO7cma+++oro6OgCr6Nz5858/fXXJCQkcMstt3Drrbcyc+ZMoqKirvu+Bx98kHHjxjFmzBiaNGlCYmIiAwcOtDlsDODh4cHAgQPJysqif//+N/U5rxYQEMC3336LYRh069aN8+fPEx8fT//+/Rk9ejQ1a9bkzjvvZP369URGRtq8t3Xr1tSsWZPU1NQCB2QRkYIwGdeeBCMi4iY6duxIWFiYzdAvAEOHDuWPP/5g8eLFN1yHyWRi0aJF3HXXXcVU5fUdPnyY6Ohotm7dapfbz4mIa9AhYBFxCxcuXODdd9+lc+fOeHp68sknn7B8+XISEhKsbVJSUti4cSPz5s3jf//7X4HX/cADD1CuXDmOHTtWHKXnq2vXrvz444923aaIuAb1AIqIW0hPT6dHjx5s2bKFjIwMatasyXPPPWdzNXFcXBwbNmxg2LBhvPbaawVa74EDBwDw9PQs1KHsonD8+HHS09MBqFy5Mt7e3nbdvoiUXAqAIiIiIm5GF4GIiIiIuBkFQBERERE3owAoIiIi4mYUAEVERETcjAKgiIiIiJtRABQRERFxMwqAIiIiIm5GAVBERETEzSgAioiIiLiZ/welvOEjl2HnigAAAABJRU5ErkJggg==",
"text/html": [
"\n",
"
\n",
"
\n",
" Figure\n",
"
\n",
" \n",
"
\n",
" "
],
"text/plain": [
"Canvas(toolbar=Toolbar(toolitems=[('Home', 'Reset original view', 'home', 'home'), ('Back', 'Back to previous …"
]
},
"metadata": {},
"output_type": "display_data"
}
],
"source": [
"from scipy.interpolate import interp1d\n",
"import scipy.constants as const\n",
"\n",
"\n",
"## layer thicknesses of commen materials in EDS detectors in m\n",
"nickelLayer = 0.* 1e-9 # in m\n",
"alLayer = 30 *1e-9 # in m\n",
"goldLayer = 0.* 1e-9 # in m\n",
"deadLayer = 100 *1e-9 # in m\n",
"detector_thickness = 45 * 1e-3 # in m\n",
"\n",
"area = 30 * 1e-6 #in m2\n",
"oo4pi = 1.0 # / (4.0 * np.pi)* np.radians(10)*2\n",
"\n",
"#We make a linear energy scale \n",
"energy_scale = np.linspace(.1,60,1199)*1000\n",
"\n",
"\n",
"## interpolate mass absorption coefficient to our energy scale\n",
"photoabsorption = x_sections['14']['dat']/1e10/x_sections['14']['photoabs_to_sigma']\n",
"lin = interp1d(x_sections['14']['ene'], photoabsorption,kind='linear') \n",
"mu_Si = lin(energy_scale) * x_sections['14']['nominal_density']*100. #1/cm -> 1/m\n",
"\n",
"## interpolate mass absorption coefficient to our energy scale\n",
"\n",
"photoabsorption = x_sections['13']['dat']/1e10/x_sections['13']['photoabs_to_sigma']\n",
"lin = interp1d(x_sections['13']['ene'], photoabsorption,kind='linear') \n",
"mu_Al = lin(energy_scale) * x_sections['13']['nominal_density']*100. #1/cm -> 1/m\n",
"\n",
" \n",
"detector_Efficiency1 = np.exp(-mu_Al * alLayer)* np.exp(-mu_Si * deadLayer) * oo4pi\n",
"detector_Efficiency2 = (1.0 - np.exp(-mu_Si * detector_thickness)) * oo4pi;\n",
"detector_Efficiency =detector_Efficiency1 * detector_Efficiency2/ oo4pi;\n",
"\n",
"\n",
"plt.figure()\n",
"#plt.plot(energy_scale/1000, detector_Efficiency*100, label = 'detector efficieny', color = 'red')\n",
"plt.plot(energy_scale/1000, detector_Efficiency1*100, '--', label = 'deadlayer and contacts', color = 'blue')\n",
"plt.plot(energy_scale/1000, detector_Efficiency2*100, '--',label = 'crystal efficiency' , color = 'orange')\n",
"plt.xlabel('energy [keV]')\n",
"plt.ylabel('efficiency [%]')\n",
"plt.title('SDD Detector Efficiency')\n",
"plt.ylim(60,105)\n",
"plt.legend();"
]
},
{
"cell_type": "markdown",
"metadata": {},
"source": [
"We see that the detector efficiency drops off after our maximum acceleration voltage of 30 keV in the SEM.\n",
"\n",
"The background Bremsstrahlung will be absorbed at low energies as we expected.\n",
"\n",
"Play around with the thickness values of the contact and deadlayer. \n",
"\n",
"What has the biggest impact?\n"
]
},
{
"cell_type": "markdown",
"metadata": {},
"source": [
"## Effective Background\n"
]
},
{
"cell_type": "code",
"execution_count": 4,
"metadata": {},
"outputs": [
{
"data": {
"application/vnd.jupyter.widget-view+json": {
"model_id": "c39236dddc8d4e08ab088bfe3a110d2d",
"version_major": 2,
"version_minor": 0
},
"image/png": "iVBORw0KGgoAAAANSUhEUgAAAoAAAAHgCAYAAAA10dzkAAAAOnRFWHRTb2Z0d2FyZQBNYXRwbG90bGliIHZlcnNpb24zLjEwLjcsIGh0dHBzOi8vbWF0cGxvdGxpYi5vcmcvTLEjVAAAAAlwSFlzAAAPYQAAD2EBqD+naQAAbLNJREFUeJzt3XlcFPX/B/DXspxyCQiIiogXXqkIpqh4ZKFYptlXq2+mlvnNvqYpedupFh1aZiXmhZqVfpMszSMtATU1EzFNDC8UI5BABUEFgfn98fnNwnIfy86w+3o+HvNgd3Zm9r3jyL74zMzno5EkSQIRERERmQ0LpQsgIiIiIuNiACQiIiIyMwyARERERGaGAZCIiIjIzDAAEhEREZkZBkAiIiIiM8MASERERGRmGACJiIiIzAwDIBEREZGZYQAkIiIiMjMMgERERERmhgGQiIiIyMwwABIRERGZGQZAIiIiIjPDAEhERERkZhgAiYiIiMwMAyARERGRmWEAJCIiIjIzDIBEREREZoYBkIiIiMjMMAASERERmRkGQCIiIiIzwwBIREREZGYYAImIiIjMDAMgERERkZlhACQiIiIyMwyARERERGaGAZCIiIjIzDAAEhEREZkZBkAiIiIiM8MASERERGRmGACJiIiIzAwDIBEREZGZYQAkIiIiMjMMgERERERmhgGQiIiIyMwwABIRERGZGQZAIiIiIjPDAEhERERkZhgAiYiIiMwMAyARERGRmWEAJCIiIjIzDIAGcuDAAQwfPhzNmjWDRqPBd999V6P133zzTWg0mjKTvb19/RRMREREZosB0EByc3PRrVs3fPrpp7Vaf+bMmUhNTdWbOnXqhNGjRxu4UiIiIjJ3DIAGEhoaisWLF2PUqFHlvp6fn4/Zs2ejefPmsLe3R69evRATE6N73cHBAU2bNtVN165dQ0JCAiZOnGikT0BERETmwlLpAszFs88+i8uXL2Pz5s1o1qwZtm3bhqFDh+L06dNo165dmeXXrFmD9u3bIzg4WIFqiYiIyJSxBdAILl68iK+//hrffPMNgoOD0aZNG8ycORP9+vVDZGRkmeXz8vLw5ZdfsvWPiIiI6gVbAI3gxIkTkCQJ7du315ufl5cHNze3Mst/++23uHXrFsaNG2esEomIiMiMMAAaQVFREbRaLeLi4qDVavVec3BwKLP8mjVr8Mgjj6Bp06bGKpGIiIjMCAOgEfj7+6OwsBDp6elVXtOXlJSE6OhobN++3UjVERERkblhADSQnJwcXLhwQfc8KSkJJ0+ehKurK9q3b4+nn34a48aNw9KlS+Hv74+MjAzs378f9913H4YNG6Zbb926dfDy8kJoaKgSH4OIiIjMgEaSJEnpIkxBTEwMBg0aVGb++PHjsX79ety7dw+LFy/Gxo0bkZKSAjc3NwQFBeGtt97CfffdB0CcKvbx8cG4cePw9ttvG/sjEBERkZlgACQiIiIyM+wGhoiIiMjMMAASERERmRkGQCIiIiIzw7uA66CoqAh///03HB0dodFolC6HiIiIqkGSJNy6dQvNmjWDhYV5toUxANbB33//DW9vb6XLICIiolq4evUqWrRooXQZimAArANHR0cA4gBycnJSuBoiIiKqjuzsbHh7e+u+x80RA2AdyKd9nZycGACJiIgaGHO+fMs8T3wTERERmTEGQCIiIiIzwwBIREREZGZ4DSARkQIkSUJBQQEKCwuVLoXI5Gi1WlhaWpr1NX5VYQAkIjKy/Px8pKam4vbt20qXQmSyGjVqBC8vL1hbWytdiioxABIRGVFRURGSkpKg1WrRrFkzWFtbs5WCyIAkSUJ+fj7++ecfJCUloV27dmbb2XNlGACJiIwoPz8fRUVF8Pb2RqNGjZQuh8gk2dnZwcrKCleuXEF+fj5sbW2VLkl1GImJiBTAFgmi+sX/Y5Xj3iEiIiIyMwyARERERGaGAZCIiMjABg4ciOnTpytdhuK4H9SLAZCIiKolJiYGGo2mwmnQoEH18r7h4eHo2bMnHB0d4eHhgZEjRyIxMbHMcikpKRg7dizc3NzQqFEjdO/eHXFxcfVSU11NmDCh3H04dOhQReqJiIhA165ddWPbBwUFYffu3WWWW7FiBXx9fWFra4uAgAAcPHiwXusaPnw4HnzwwXJfO3LkCDQaDU6cOFGvNZgqBkAiIqqWPn36IDU1tcz0+eefQ6PR4L///W+9vG9sbCymTJmCo0ePYt++fSgoKEBISAhyc3N1y9y4cQN9+/aFlZUVdu/ejYSEBCxduhSNGzeul5oMYejQoWX25ddff61ILS1atMC7776L48eP4/jx43jggQcwYsQInDlzRrfMli1bMH36dCxYsADx8fEIDg5GaGgokpOT662uiRMnYv/+/bhy5UqZ19atW4fu3bujR48e9fb+Jk2iWsvKypIASFlZWbVaf98+SZo0SZJWrzZwYUSkWnfu3JESEhKkO3fuKF2KQSQkJEhOTk7SggULjPae6enpEgApNjZWN2/OnDlSv379aryt3bt3S3379pWcnZ0lV1dX6eGHH5YuXLige33AgAHS1KlTpVmzZkkuLi6Sp6en9MYbb+htIycnR3rmmWcke3t7qWnTptKSJUukAQMGSC+//HKF7zt+/HhpxIgRNa7XmFxcXKQ1a9bont9///3S5MmT9Zbp0KGDNHfu3Aq3UXo/7N69W3JycpI2bNggSZIkFRUVSe+9957k6+sr2draSl27dpW++eYb3fL37t2TPD09pTfffFNvu7m5uZKjo6P0ySefVPjelf1fq+v3tylgC6CCzpwBVq8GfvpJ6UqIiGru5s2bGDlyJAYMGIBFixZVuNw777wDBweHSqeanErMysoCALi6uurmbd++HYGBgRg9ejQ8PDzg7++P1atXV7mt3NxchIWF4bfffsPPP/8MCwsLPPbYYygqKtIts2HDBtjb2+PXX3/F+++/j4ULF2Lfvn2612fNmoXo6Ghs27YNe/fuRUxMjNFPPRtyHxcWFmLz5s3Izc1FUFAQANF/ZVxcHEJCQvSWDQkJweHDh6u13c2bN2PMmDHYuHEjxo0bBwB49dVXERkZiYiICJw5cwYzZszA2LFjERsbCwCwtLTEuHHjsH79ekiSpNvWN998g/z8fDz99NPVem8qh9IJtCGr618QX3whSYAkPfiggQsjItUqr1WiqEiScnKUmYqKavc5CgsLpdDQUKljx45V/g7MzMyUzp8/X+l0+/btar1vUVGRNHz48DKtfTY2NpKNjY00b9486cSJE9LKlSslW1tbXUtTdcmti6dPn5YkSbRglX6vnj17SnPmzJEkSZJu3bolWVtbS5s3b9b7vHZ2dlW2AGq1Wsne3l5vWrhwoW6ZHTt2SO3bt5fatm0rra7iVJEh9vGpU6cke3t7SavVSs7OztLOnTt1r6WkpEgApF9++UVvnbfffltq3759hduUWwA/++wzydnZWdq/f7/utZycHMnW1lY6fPiw3joTJ06UnnrqKd3zs2fPSgD01u3fv7/eMuVhC2DlOBKIgtzcxM/MTGXrICJl3b4NODgo8945OYC9fc3Xmz9/Po4cOYJjx47Bycmp0mVdXV31Wuvq4qWXXsKpU6dw6NAhvflFRUUIDAzEO++8AwDw9/fHmTNnEBERoWttKs/Fixfx2muv4ejRo8jIyNC1/CUnJ6NLly4AgK5du+qt4+XlhfT0dN36+fn5upYyQHxePz+/Kj/LoEGDEBERoTdP3k8FBQUICwtDdHQ0nJyc0KNHD4waNarC/WiIfezn54eTJ0/i5s2biIqKwvjx4xEbG4tOnTrplik9bKEkSVUOZRgVFYVr167h0KFDuP/++3XzExIScPfuXTz00EN6y+fn58Pf31/3vEOHDujTpw/WrVuHQYMG4eLFizh48CD27t1bl49r9ngKWEEMgETUEG3ZsgVLlizB5s2b0a5duyqXN9TpyalTp2L79u2Ijo5GixYt9F7z8vLSCyoA0LFjxypvUBg+fDgyMzOxevVq/Prrr/j1118BiBAis7Ky0ltHo9HogqJU4rRkTdnb26Nt27Z6kxzijh07hs6dO6N58+ZwdHTEsGHD8OOPP1a4LUPsY2tra7Rt2xaBgYEIDw9Ht27d8PHHHwMAmjRpAq1Wi7S0NL110tPT4enpWel2u3fvDnd3d0RGRurtL3kf7ty5EydPntRNCQkJ2Lp1q942Jk6ciKioKGRnZyMyMhI+Pj4YPHhwpe9LlWMLoIIYAIkIABo1Ei1xSr13TZw8eRLPPfcc3n33XQwZMqRa60yePBljxoypdJnmzZtX+JokSZg6dSq2bduGmJgY+Pr6llmmb9++ZbqGOXfuHHx8fCrcbmZmJs6ePYvPP/8cwcHBAFCmZbEqbdu2hZWVFY4ePYqWLVsCEHcknzt3DgMGDKjRtkr6+++/9fZJixYtkJKSUuHydd3H5ZEkCXl5eQBEOAwICMC+ffvw2GOP6ZbZt28fRowYUel22rRpg6VLl2LgwIHQarX49NNPAQCdOnWCjY0NkpOTq9xXY8aMwcsvv4yvvvoKGzZswKRJk6pseaTKMQAqSA6AublAXh5gY6NsPUSkDI2mdqdhjS0jIwMjR47EwIEDMXbs2DKtQVqtFu7u7mXWq+vpySlTpuCrr77C999/D0dHR937Ojs7w87ODgAwY8YM9OnTB++88w7GjBmDY8eOYdWqVVi1alWF23VxcYGbmxtWrVoFLy8vJCcnY+7cuTWqzcHBARMnTsSsWbPg5uYGT09PLFiwoFrj0Obl5ZXZh5aWlmjSpEm5LYuVBZ667uP58+cjNDQU3t7euHXrFjZv3oyYmBjs2bNHt0xYWBieeeYZBAYGIigoCKtWrUJycjImT55c5fbbt2+P6OhoDBw4EJaWlli2bBkcHR0xc+ZMzJgxA0VFRejXrx+ys7Nx+PBhODg4YPz48br1HRwc8MQTT2D+/PnIysrChAkTav1ZSWAAVJCzM6DVAoWFohWwWTOlKyIiqtjOnTtx5coVXLlyBV5eXmVe9/HxweXLlw3+vvJ1cgMHDtSbHxkZqQsCPXv2xLZt2zBv3jwsXLgQvr6+WLZsWaV3iVpYWGDz5s2YNm0aunTpAj8/PyxfvrzM+1Tlgw8+QE5ODh599FE4OjrilVde0d2pXJk9e/aU2Y9+fn74888/0bx5c70Wv7/++gu9evWqUV01ce3aNTzzzDNITU2Fs7Mzunbtij179uhdn/fEE08gMzMTCxcuRGpqKrp06YJdu3ZV2spakp+fH/bv369rCVy6dCkWLVoEDw8PhIeH49KlS2jcuDF69OiB+fPnl1l/4sSJWLt2LUJCQnStrVR7GqkuFzCoREREBCIiInS/eDp37ozXX38doaGhFa4TGxuLsLAwnDlzBs2aNcPs2bOr9VdMSdnZ2XB2dkZWVlaVF0FX5PJlwMUFcHISrQBEZNru3r2LpKQk3WgKROUpKChAx44dERMTo7sJ5OjRo3CTTx1RlSr7v2aI7++GziRaAOUezNu2bQtA9Nk0YsQIxMfHo3PnzmWWT0pKwrBhwzBp0iRs2rQJv/zyC/773//C3d0djz/+uFFrb9XKqG9HREQNgKWlJZYuXYpBgwahqKgIs2fPZvgjgzKJFsDyuLq64oMPPsDEiRPLvDZnzhxs374dZ8+e1c2bPHkyfv/9dxw5cqTa78G/IIioptgCSGQcbAGsnMl1A1NeD+alHTlypExv5kOGDMHx48dx7969Credl5eH7OxsvamuvvgC+M9/OBoIERERGY/JBMDTp0/DwcEBNjY2mDx5MrZt21amTyhZWlpamX6LPD09UVBQgIyMjArfIzw8HM7OzrrJ29u7znXv3y+Ggzt+vM6bIiIiIqoWkwmAcg/mR48exYsvvojx48cjISGhwuXL6828vPklzZs3D1lZWbrp6tWrda6bfQESERGRsZnETSBAcQ/mABAYGIjffvsNH3/8MT7//PMyyzZt2rTc3swtLS0rvcjWxsYGNgburI8BkIiIiIzNZFoASyvZg3lpQUFB2Ldvn968vXv3IjAwsMyQP/WNAZCIiIiMzSQC4Pz583Hw4EFcvnwZp0+fxoIFCxATE6PrAHTevHl6g4FPnjwZV65cQVhYGM6ePYt169Zh7dq1mDlzptFrZwAkIiIiYzOJU8BV9WCempqqNyC4r68vdu3ahRkzZuCzzz5Ds2bNsHz5cqP3AQgA8sg9DIBERERkLCYRANeuXVvp6+vXry8zb8CAAThx4kQ9VVR9bAEkIiIiYzOJANiQdegAXLpUHASJiIiI6hsDoMKsrQFfX6WrICIiInNiEjeBEBEREVH1MQCqwHvvAZMmAefPK10JEREZwsCBAzF9+nSly1Ac94N6MQCqwNdfA2vWABcvKl0JEVHFYmJioNFoKpwGDRpUL+8bHh6Onj17wtHRER4eHhg5ciQSExPLLJeSkoKxY8fCzc0NjRo1Qvfu3REXF1cvNdXVhAkTyt2HQ4cOVaSeAwcOYPjw4WjWrBk0Gg2+++67cpdbsWIFfH19YWtri4CAABw8eLBe6xo+fDgefPDBcl87cuQINBqNKm7obIgYAFWAdwITUUPQp08fpKamlpk+//xzaDQa/Pe//62X942NjcWUKVNw9OhR7Nu3DwUFBQgJCUFubq5umRs3bqBv376wsrLC7t27kZCQgKVLl6Jx48b1UpMhDB06tMy+/PrrrxWpJTc3F926dcOnn35a4TJbtmzB9OnTsWDBAsTHxyM4OBihoaF63awZ2sSJE7F//35cuXKlzGvr1q1D9+7d0aNHj3p7f1PGAKgCDIBE1BBYW1ujadOmetONGzcwa9YszJ8/H6NHj66X992zZw8mTJiAzp07o1u3boiMjERycrJe6957770Hb29vREZG4v7770erVq0wePBgtGnTpspt9+vXD40bN4abmxseeeQRXCxxOmbgwIGYNm0aZs+eDVdXVzRt2hRvvvmm3jZyc3Mxbtw4ODg4wMvLC0uXLq3W57KxsSmzP11cXKq/YwwoNDQUixcvxqhRoypc5sMPP8TEiRPx/PPPo2PHjli2bBm8vb0RERFR7ffZs2cPnJ2dsXHjRgBi1K73338frVu3hp2dHbp164atW7fqln/kkUfg4eFRpju327dvY8uWLZg4cWLNPijpMACqAAMgETVEN2/exMiRIzFgwAAsWrSowuXeeecdODg4VDrV5FRiVlYWAMBV7kkfwPbt2xEYGIjRo0fDw8MD/v7+WL16dZXbys3NRVhYGH777Tf8/PPPsLCwwGOPPYaioiLdMhs2bIC9vT1+/fVXvP/++1i4cKHecKKzZs1CdHQ0tm3bhr179yImJsbop54NvY9Ly8/PR1xcHEJCQvTmh4SE4PDhw9XaxubNmzFmzBhs3LhRNzrXq6++isjISERERODMmTOYMWMGxo4di9jYWACApaUlxo0bh/Xr10OSJN22vvnmG+Tn5+tG/KJakKjWsrKyJABSVlZWnbazYIEkAZI0ZYqBCiMi1bpz546UkJAg3blzp+yLOTkVT6WXr2zZ27ert2wdFBYWSqGhoVLHjh2r/B2YmZkpnT9/vtLpdumaK1BUVCQNHz5c6tevn958GxsbycbGRpo3b5504sQJaeXKlZKtra20YcOGGn2u9PR0CYB0+vRpSZIkacCAAWXeq2fPntKcOXMkSZKkW7duSdbW1tLmzZv1Pq+dnZ308ssvV/g+48ePl7RarWRvb683LVy4ULfMjh07pPbt20tt27aVVq9eXWndhtzHAKRt27bpzUtJSZEASL/88ove/Lfffltq3759hdsaMGCA9PLLL0ufffaZ5OzsLO3fv1/3Wk5OjmRraysdPnxYb52JEydKTz31lO752bNnJQB66/bv319vmfJU9n/NUN/fDRn7AVQBtgASEQDAwaHi14YNA3buLH7u4QHcvl3+sgMGADExxc9btQIyMsouV6JFpabmz5+PI0eO4NixY3Bycqp0WVdXV73Wurp46aWXcOrUKRw6dEhvflFREQIDA/HOO+8AAPz9/XHmzBlERETojQVf2sWLF/Haa6/h6NGjyMjI0LX8JScno0uXLgCArl276q3j5eWF9PR03fr5+fkICgrSve7q6go/P78qP8ugQYPKnD6V91NBQQHCwsIQHR0NJycn9OjRA6NGjapwPxpyH1dGo9HoPZckqcy80qKionDt2jUcOnQI999/v25+QkIC7t69qxu2VZafnw9/f3/d8w4dOqBPnz5Yt24dBg0ahIsXL+LgwYPYu3evAT6R+eIpYBVgACSihmTLli1YsmQJNm/ejHbt2lW5vKFOT06dOhXbt29HdHQ0WrRoofeal5cXOnXqpDevY8eOVd6gMHz4cGRmZmL16tX49ddf8euvvwIQIURmZWWlt45Go9EFRakOIdre3h5t27bVm+QQd+zYMXTu3BnNmzeHo6Mjhg0bhh9//LHCbdX3KeAmTZpAq9UiLS1Nb356ejo8PT0rXbd79+5wd3dHZGSk3v6S9+HOnTtx8uRJ3ZSQkKB3HSAgbgaJiopCdnY2IiMj4ePjg8GDB9f68xBHAlGFESPEcHBNmihdCREpKien4te0Wv3n/98CVS6LUn/bX75c65JKO3nyJJ577jm8++67GDJkSLXWmTx5MsaMGVPpMs2bN6/wNUmSMHXqVGzbtg0xMTHwLWf4pL59+5bpGubcuXPw8fGpcLuZmZk4e/YsPv/8cwQHBwNAmZbFqrRt2xZWVlY4evQoWrZsCUDckXzu3DkMGDCgRtsq6e+//9bbJy1atEBKSkqFy9d1H1fF2toaAQEB2LdvHx577DHd/H379mHEiBGVrtumTRssXboUAwcOhFar1d1p3KlTJ9jY2CA5ObnKfTVmzBi8/PLL+Oqrr7BhwwZMmjSpypZHqhwDoAo4O4uJiMycvb3yy1YiIyMDI0eOxMCBAzF27NgyrUFarRbu7u5l1qvr6ckpU6bgq6++wvfffw9HR0fd+zo7O8POzg4AMGPGDPTp0wfvvPMOxowZg2PHjmHVqlVYtWpVhdt1cXGBm5sbVq1aBS8vLyQnJ2Pu3Lk1qs3BwQETJ07ErFmz4ObmBk9PTyxYsAAWpUN4OfLy8srsQ0tLSzRp0qTclsXKAk9d93FOTg4uXLige56UlISTJ0/C1dVVF2zDwsLwzDPPIDAwEEFBQVi1ahWSk5MxefLkKrffvn17REdHY+DAgbC0tMSyZcvg6OiImTNnYsaMGSgqKkK/fv2QnZ2Nw4cPw8HBAePHj9et7+DggCeeeALz589HVlYWJkyYUOvPSv9P0SsQGzheREpENVXpTSAqt379eglAhZOPj0+9vG9F7xcZGam33I4dO6QuXbpINjY2UocOHaRVq1ZVue19+/ZJHTt2lGxsbKSuXbtKMTExejdByDcxlDRixAhp/Pjxuue3bt2Sxo4dKzVq1Ejy9PSU3n///XLXK2n8+PHlfiY/Pz9JkiTpl19+kUaOHKlbftq0adKXX35Z5eeprejo6HLrKfk5JUmSPvvsM8nHx0eytraWevToIcXGxla63dL7ISEhQfLw8JDCwsIkSRI39Xz88ceSn5+fZGVlJbm7u0tDhgwpd7uHDx+WAEghISHV+ky8CaRyGkmqwwUMZi47OxvOzs7Iysqq8iLoyuTlAa+/Dly/Dnz2GWBtbcAiiUhV7t69i6SkJN1oCkTlKSgoQMeOHRETE6O7CeTo0aNwky8apypV9n/NUN/fDRlPAauApSXwwQfihrxFi4CmTZWuiIiIlGRpaYmlS5di0KBBKCoqwuzZsxn+yKAYAFVAqwVcXEQLYGYmAyAREQGPPvooHn30UaXLIBPFbmBUgl3BEBERkbEwAKoEAyAREREZCwOgSjAAEhERkbEwAKoEAyAREREZCwOgSjAAEhERkbHwLmCVmD0bmDZNjO9ORKZPHgeViOoH/49VjgFQJdj1C5F5sLa2hoWFBf7++2+4u7vD2tqaY5oSGZAkScjPz8c///wDCwsLWHN0hXIxABIRGZGFhQV8fX2RmpqKv//+W+lyiExWo0aN0LJly2qNy2yOGABVIjlZDANnYwMsXKh0NURUn6ytrdGyZUsUFBSgsLBQ6XKITI5Wq4WlpSVb1yvBAKgS168D778vTgUzABKZPo1GAysrK1hZWSldChGZIbaLqkTJu4AlSdlaiIiIyLQxAKqEHADv3QNycpSthYiIiEwbA6BKNGoE2NqKx+wLkIiIiOoTA6CKsDNoIiIiMgYGQBVhACQiIiJjYABUETkAXr+ubB1ERERk2tgNjIqsWQNYWHBUECIiIqpfDIAq0rq10hUQERGROeApYCIiIiIzwwCoIseOAbNni1PBRERERPWFAVBFzpwBPvgAiIpSuhIiIiIyZQyAKsJuYIiIiMgYGABVhAGQiIiIjIEBUEUYAImIiMgYGABVRA6AWVlAQYGytRAREZHpYgBUEReX4sc3bihXBxEREZk2kwiA4eHh6NmzJxwdHeHh4YGRI0ciMTGx0nViYmKg0WjKTH/++aeRqi7L0hJo3Fg85mlgIiIiqi8mMRJIbGwspkyZgp49e6KgoAALFixASEgIEhISYG9vX+m6iYmJcHJy0j13d3ev73IrdegQ4OAANG+uaBlERERkwkwiAO7Zs0fveWRkJDw8PBAXF4f+/ftXuq6Hhwcay81uKtC5s9IVEBERkakziVPApWVlZQEAXF1dq1zW398fXl5eGDx4MKKjoytdNi8vD9nZ2XoTERERUUNjcgFQkiSEhYWhX79+6NKlS4XLeXl5YdWqVYiKisK3334LPz8/DB48GAcOHKhwnfDwcDg7O+smb29vg9f/ww9iOLgffzT4pomIiIgAABpJkiSlizCkKVOmYOfOnTh06BBatGhRo3WHDx8OjUaD7du3l/t6Xl4e8vLydM+zs7Ph7e2NrKwsvesI6+Lll4Hly4G5c4HwcINskoiIiErIzs6Gs7OzQb+/GxqTagGcOnUqtm/fjujo6BqHPwDo3bs3zp8/X+HrNjY2cHJy0psMjZ1BExERUX0ziZtAJEnC1KlTsW3bNsTExMDX17dW24mPj4eXl5eBq6sZBkAiIiKqbyYRAKdMmYKvvvoK33//PRwdHZGWlgYAcHZ2hp2dHQBg3rx5SElJwcaNGwEAy5YtQ6tWrdC5c2fk5+dj06ZNiIqKQlRUlGKfAygOgNevK1oGERERmTCTCIAREREAgIEDB+rNj4yMxIQJEwAAqampSE5O1r2Wn5+PmTNnIiUlBXZ2dujcuTN27tyJYcOGGavscsk3LrMFkIiIiOqLyd0EYkz1cRFpXBwQGAg0awakpBhkk0RERFQCbwIxsZtATEHJawAZzYmIiKg+mMQpYFPSvDlw4kRxECQiIiIyNAZAlbGyAvz9la6CiIiITBlPARMRERGZGQZAFVq3Dpg1C0hIULoSIiIiMkU8BaxCGzYABw6Iu4E7dVK6GiIiIjI1bAFUIXYGTURERPWJAVCFOBwcERER1ScGQBXiaCBERERUnxgAVYgtgERERFSfGABViAGQiIiI6hMDoAoxABIREVF9YjcwKjRwoBgOztNT6UqIiIjIFDEAqlDjxhwOjoiIiOoPTwETERERmRkGQBWSJODdd8VwcNnZSldDREREpoangFVIowHCw0X4mzQJcHJSuiIiIiIyJWwBVCl2Bk1ERET1hQFQpdgVDBEREdUXBkCVYgAkIiKi+sIAqFIMgERERFRfGABVigGQiIiI6gsDoEoxABIREVF9YTcwKvX888DIkUDz5kpXQkRERKaGAVClWrQQExEREZGh8RQwERERkZlhC6BKZWQAq1cDBQXAa68pXQ0RERGZErYAqlR2NjB/vhgSjoiIiMiQGABVSr4L+M4dMREREREZCgOgSjk5AZb/f4KeXcEQERGRITEAqpRGA7i6iscMgERERGRIDIAqxs6giYiIqD4wAKqYHACvX1e2DiIiIjItDIAqxhZAIiIiqg8MgCoWHg7ExwNPPKF0JURERGRK2BG0inXsqHQFREREZIrYAkhERERkZtgCqGJ//gls2wZ4egLPPad0NURERGQq2AKoYgkJYji4NWuUroSIiIhMCQOgirm7i5/XrilbBxEREZkWBkAVa9NG/LxyBcjPV7YWIiIiMh0MgCrm5QXY2wOFhUBSktLVEBERkakwiQAYHh6Onj17wtHRER4eHhg5ciQSExOrXC82NhYBAQGwtbVF69atsXLlSiNUW30aDdCunXh87pyytRAREZHpMIkAGBsbiylTpuDo0aPYt28fCgoKEBISgtzc3ArXSUpKwrBhwxAcHIz4+HjMnz8f06ZNQ1RUlBErr1r79uInAyAREREZikl0A7Nnzx6955GRkfDw8EBcXBz69+9f7jorV65Ey5YtsWzZMgBAx44dcfz4cSxZsgSPP/54fZdcbXIAPH9e2TqIiIjIdJhEC2BpWVlZAABXV9cKlzly5AhCQkL05g0ZMgTHjx/HvXv36rW+mnj+eeD334EPP1S6EiIiIjIVRm8BXL58eY3XefbZZ+Ho6FitZSVJQlhYGPr164cuXbpUuFxaWho8PT315nl6eqKgoAAZGRnw8vIqs05eXh7y8vJ0z7Ozs6v5CWrPx6fe34KIiIjMjNED4PTp09GiRQtotdpqLX/16lU88sgj1Q6AL730Ek6dOoVDhw5VuaxGo9F7LklSufNl4eHheOutt6pVBxEREZFaKXIN4PHjx+Hh4VGtZasb/ABg6tSp2L59Ow4cOIAWLVpUumzTpk2RlpamNy89PR2WlpZwc3Mrd5158+YhLCxM9zw7Oxve3t7Vrq+2Vq4ETpwAZs0qviuYiIiIqLaMHgDfeOMNODg4VHv5+fPnV3otHyBa7qZOnYpt27YhJiYGvr6+VW43KCgIO3bs0Ju3d+9eBAYGwsrKqtx1bGxsYGNjU+3aDWXjRuDIEeChhxgAiYiIqO6MfhPIG2+8gUaNGlV7+Xnz5qFx48aVLjNlyhRs2rQJX331FRwdHZGWloa0tDTcuXNHbzvjxo3TPZ88eTKuXLmCsLAwnD17FuvWrcPatWsxc+bMGn+m+sauYIiIiMiQTOIu4IiICGRlZWHgwIHw8vLSTVu2bNEtk5qaiuTkZN1zX19f7Nq1CzExMejevTsWLVqE5cuXq6oLGBm7giEiIiJDUmU/gPPnz0daWhrWrVtXreXlmzcqs379+jLzBgwYgBMnTtS0PKPjaCBERERkSKoMgCkpKbh69arSZagGTwETERGRIakyAG7YsEHpElSlbVvxMzMTuH4dqOKeGCIiIqJKmcQ1gKbO3h6Qe7W5dEnZWoiIiKjhU7QFcOHChZW+/vrrrxupEvXbvx9o2hSoQbeIREREROXSSNW5g6Ke+Pv76z2/d+8ekpKSYGlpiTZt2qj+Bo3s7Gw4OzsjKysLTk5OSpdDRERE1cDvb4VbAOPj48vMy87OxoQJE/DYY48pUBERERGR6VPdNYBOTk5YuHAhXnvtNaVLUZWkJODFF4EXXlC6EiIiImroVBcAAeDmzZvIyspSugxVyc8XYwJ/+SWg3El7IiIiMgWKngJevny53nNJkpCamoovvvgCQ4cOVagqdfL1BbRaIDcXSE0FmjVTuiIiIiJqqBQNgB999JHecwsLC7i7u2P8+PGYN2+eQlWpk7W1CIEXLogOoRkAiYiIqLYUDYBJSUlKvn2D065dcQAcOFDpaoiIiKihUuU1gFQ+DglHREREhqDKALhixYoqO4k2R3IAPH9e2TqIiIioYVNlAIyKisL69euVLkN15ACYkaFsHURERNSwKXoNYEV+/vlnpUtQpeBg4OZNwNlZ6UqIiIioIVNlAKTy2diIiYiIiKguVBEAExISkJycjPz8fL35jz76qEIVEREREZkuRQPgpUuX8Nhjj+H06dPQaDSQ/n+IC41GAwAoLCxUsjxVWrcO+N//gH//Gxg3TulqiIiIqCFS9CaQl19+Gb6+vrh27RoaNWqEM2fO4MCBAwgMDERMTIySpanW+fPAjz8Cx44pXQkRERE1VIq2AB45cgT79++Hu7s7LCwsYGFhgX79+iE8PBzTpk1DfHy8kuWpEruCISIiorpStAWwsLAQDg4OAIAmTZrg77//BgD4+PggMTFRydJUq1078ZOdQRMREVFtKdoC2KVLF5w6dQqtW7dGr1698P7778Pa2hqrVq1C69atlSxNteQWwCtXgLt3AVtbZeshIiKihkfRFsBXX30VRUVFAIDFixfjypUrCA4Oxq5du7B8+XIlS1Mtd3fRD6AkARcvKl0NERERNUSKtgAOGTJE97h169ZISEjA9evX4eLiorsTmPRpNKIV8LffxHWAnTsrXRERERE1NKobCs7V1ZXhrwrt2gGurkB2ttKVEBERUUNk9AA4atQoZNcguTz99NNIT0+vx4oanshIIDOT/QASERFR7WgkufdlI9FqtTh37hzc3d2rXFaSJHh7e+PkyZOqvCkkOzsbzs7OyMrKgpOTk9LlEBERUTXw+1uBawAlSUJ7+VZWIiIiIjI6owfA6OjoGq/TvHnzeqik4bp3Dxg5UvQFGBcHmOkfL0RERFRLRg+AAwYMMPZbmhwrKxH8rl0TdwIHBChdERERETUkqrsLmKpHPovOEUGIiIiophgAGygOCUdERES1xQDYQLEFkIiIiGqLAbCBYgAkIiKi2lI0AL755pu4cuWKkiU0WHIAPH9ejAtMREREVF2KBsAdO3agTZs2GDx4ML766ivcvXtXyXIalDZtABcXEQRzc5WuhoiIiBoSRQNgXFwcTpw4ga5du2LGjBnw8vLCiy++iN9++03JshoEW1sxHNyxY4CDg9LVEBERUUOi+DWAXbt2xUcffYSUlBSsW7cOKSkp6Nu3L+677z58/PHHyMrKUrpE1dJolK6AiIiIGiLFA6CsqKgI+fn5yMvLgyRJcHV1RUREBLy9vbFlyxalyyMiIiIyGYoHwLi4OLz00kvw8vLCjBkz4O/vj7NnzyI2NhZ//vkn3njjDUybNk3pMlVpxw6gQwfgqaeUroSIiIgaEqMPBVdS165dcfbsWYSEhGDt2rUYPnw4tFqt3jLjxo3DrFmzFKpQ3aysgMRE8ZOIiIiouhQNgKNHj8Zzzz2H5s2bV7iMu7s7ioqKjFhVwyGPBnLhAlBUBFgo3p5LREREDYGikUGSJLi4uJSZf+fOHSxcuFCBihoWHx/A2hq4exe4eFHpaoiIiKihUDQAvvXWW8jJySkz//bt23jrrbdqtK0DBw5g+PDhaNasGTQaDb777rtKl4+JiYFGoykz/fnnnzV6XyVZWgL33y8eHzigbC1ERETUcCjeAqgppy+T33//Ha6urjXaVm5uLrp164ZPP/20RuslJiYiNTVVN7WTz6s2EAMGiJ+xscrWQURERA2HItcAuri46Frc2rdvrxcCCwsLkZOTg8mTJ9dom6GhoQgNDa1xLR4eHmjcuHGN11OLAQOAt99mACQiIqLqUyQALlu2DJIk4bnnnsNbb70FZ2dn3WvW1tZo1aoVgoKCjFKLv78/7t69i06dOuHVV1/FoEGDjPK+htKnD9C5M9C3L5CXB9jYKF0RERERqZ0iAXD8+PEAAF9fX/Tp0wdWCvRj4uXlhVWrViEgIAB5eXn44osvMHjwYMTExKB///7lrpOXl4e8vDzd8+zsbGOVWyF7e+CPP5SugoiIiBoSowfA7OxsODk5ARCtb3fu3MGdO3fKXVZerj74+fnBz89P9zwoKAhXr17FkiVLKgyA4eHhNb45hYiIiEhtjH4TiIuLC9LT0wEAjRs3houLS5lJnm9svXv3xvnz5yt8fd68ecjKytJNV69eNWJ1lbt3D4iLU7oKIiIiagiM3gK4f/9+3R2+0dHRxn77SsXHx8PLy6vC121sbGCjwovs7t4FPD2B7Gzgr7+ASvrVJiIiIjJ+ABwg91tS6nFd5eTk4MKFC7rnSUlJOHnyJFxdXdGyZUvMmzcPKSkp2LhxIwBxI0qrVq3QuXNn5OfnY9OmTYiKikJUVJTBajIWW1sxKkhcnLgb+N//VroiIiIiUjNF+wHcs2cPDh06pHv+2WefoXv37vj3v/+NGzdu1Ghbx48fh7+/P/z9/QEAYWFh8Pf3x+uvvw4ASE1NRXJysm75/Px8zJw5E127dkVwcDAOHTqEnTt3YtSoUQb4ZMYnZ+mYGEXLICIiogZAI0mSpNSb33fffXjvvfcwbNgwnD59GoGBgXjllVewf/9+dOzYEZGRkUqVVi3Z2dlwdnZGVlZWvd6wUh3btwMjRgDt2wOJiYqWQkREpGpq+v5WiiLdwMiSkpLQqVMnAEBUVBSGDx+Od955BydOnMCwYcOULK3BCQ4GNBrg3DkgNRWo5FJGIiIiMnOKngK2trbG7du3AQA//fQTQkJCAACurq6q6GOvIXFxAbp2FY85LjARERFVRtEA2K9fP4SFhWHRokU4duwYHn74YQDAuXPn0KJFCyVLa5A4LjARERFVh6IB8NNPP4WlpSW2bt2KiIgINP///kt2796NoUOHKllagzRmjBgX+Pnnla6EiIiI1EzRm0AaOl5ESkRE1PDw+1vhm0AAoKioCBcuXEB6ejqKior0XqtoSDYiIiIiqj1FA+DRo0fx73//G1euXEHphkiNRoPCwkKFKmu4MjOBn34CLCyA0aOVroaIiIjUSNEAOHnyZAQGBmLnzp3w8vKCRqNRshyT8NNPwJNPAt26MQASERFR+RQNgOfPn8fWrVvRtm1bJcswKfKdwKdOATduiO5hiIiIiEpS9C7gXr166Y3fS3XXtCng5wdIEnDwoNLVEBERkRop2gI4depUvPLKK0hLS8N9990HKysrvde7yj0bU40MGCCGg4uNBR59VOlqiIiISG0U7QbGwqJsA6RGo4EkSQ3iJhC13kb+1VfA008DAQHA8eNKV0NERKQuav3+NibFxwImw5OvA4yPB7KyAGdnZeshIiIidVE0APr4+Cj59iareXOgTRvg4kXgt9+ABx9UuiIiIiJSE0VvAgGAL774An379kWzZs1w5coVAMCyZcvw/fffK1xZw7ZpE5CczPBHREREZSkaACMiIhAWFoZhw4bh5s2bumv+GjdujGXLlilZWoPXuzfg7a10FURERKRGigbATz75BKtXr8aCBQug1Wp18wMDA3H69GkFKyMiIiIyXYoGwKSkJPj7+5eZb2Njg9zcXAUqMi1r1wIPPyy6gyEiIiKSKRoAfX19cfLkyTLzd+/ejU6dOhm/IBMTGwvs2gXs26d0JURERKQmit4FPGvWLEyZMgV3796FJEk4duwYvv76a4SHh2PNmjVKlmYSBgwAvvgCiIlRuhIiIiJSE0UD4LPPPouCggLMnj0bt2/fxr///W80b94cH3/8MZ588kklSzMJcn+Ax44Bt28DjRopWw8RERGpg6IjgZSUkZGBoqIieHh4KF1Ktam9J3FJAlq0AP7+G/jpJ2DwYKUrIiIiUp7av7+NQdFrAB944AHcvHkTANCkSRNd+MvOzsYDDzygYGWmQaMBHnpIPI6KUrYWIiIiUg9FA2BMTAzy8/PLzL979y4OHjyoQEWm5+mnxc/Nm4G8PGVrISIiInVQ5BrAU6dO6R4nJCQgLS1N97ywsBB79uxB8+bNlSjN5DzwAODjA3TpAmRkiGHiiIiIyLwpEgC7d+8OjUYDjUZT7qleOzs7fPLJJwpUZnq0WiAxEbCxUboSIiIiUgtFAmBSUhIkSULr1q1x7NgxuLu7616ztraGh4eH3sggVDcMf0RERFSSIgHQx8cHAFBUVKTE25uty5eB9HTg/vuVroSIiIiUpGg/gABw7tw5xMTEID09vUwgfP311xWqyvRs3QqMHg306AHExSldDRERESlJ0X4AV69ejRdffBFNmjRB06ZNodFoigvTaHDixAmlSquWhtSPUEYG4OUFFBQAp0+Lm0KIiIjMUUP6/q4virYALl68GG+//TbmzJmjZBlmoUkT4OGHge+/F8PDvfee0hURERGRUhTtB/DGjRsYPXq0kiWYlXHjxM9Nm4DCQmVrISIiIuUoGgBHjx6NvXv3KlmCWXn4YcDVVQwN9/PPSldDRERESlH0FHDbtm3x2muv4ejRo7jvvvtgZWWl9/q0adMUqsw02dgATz4JrFgBbNgAhIQoXREREREpQdGbQHx9fSt8TaPR4NKlS0aspuYa4kWkx44BvXoB7u7AX38B1tZKV0RERGRcDfH729AUbQFMSkpS8u3NUs+ewDffAEOHMvwRERGZK8X7ASTj0miAf/1L6SqIiIhISUYPgGFhYVi0aBHs7e0RFhZW6bIffvihkaoyT5Ik+gUsdeklERERmTijB8D4+Hjcu3dP97giJTuFJsOLigLefBN44gng1VeVroaIiIiMyegBMDo6utzHZFy3bwN//AHk5QELFohTw0RERGQeFO0HkJTz2GOAvT1w/jxw9KjS1RAREZExMQCaKQcH4PHHxeMNG5SthYiIiIyLAdCMyUPDbdkC3L2rbC1ERERkPCYTAA8cOIDhw4ejWbNm0Gg0+O6776pcJzY2FgEBAbC1tUXr1q2xcuXK+i9URQYNAry9gZs3gR07lK6GiIiIjMVkAmBubi66deuGTz/9tFrLJyUlYdiwYQgODkZ8fDzmz5+PadOmISoqqp4rLeH8eeDddwGFgqeFBTB2rHj8ySeKlEBEREQKMJmOoENDQxEaGlrt5VeuXImWLVti2bJlAICOHTvi+PHjWLJkCR6XL46rb6dPA/PmAV27ApMnG+c9S5kyBfj9d+C11xR5eyIiIlKAybQA1tSRI0cQEhKiN2/IkCE4fvy4rp/Cete7t/j5xx/ArVvGec9SmjcHdu4sLoWIiIhMn9kGwLS0NHh6eurN8/T0REFBATIyMspdJy8vD9nZ2XpTnTRrBrRsCRQVAb/9VrdtGUhRkdIVEBERUX0z2wAIlB1tRJKkcufLwsPD4ezsrJu8vb3rXkRQkPh55Ejdt1UHN24Ar7wiymEIJCIiMm1mGwCbNm2KtLQ0vXnp6emwtLSEm5tbuevMmzcPWVlZuunq1at1L0QOgCrojXntWuDYMeCbb5SuhIiIiOqT2QbAoKAg7Nu3T2/e3r17ERgYCCsrq3LXsbGxgZOTk95UZ/LFd0ePAv/fAqkEFxfRAggAb7wBFBQoVgoRERHVM5MJgDk5OTh58iROnjwJQHTzcvLkSSQnJwMQrXfj5J6PAUyePBlXrlxBWFgYzp49i3Xr1mHt2rWYOXOmcQv39wdsbICcHCAlxbjvXcrLLwNubkBiIvDll4qWQkRERPXIZALg8ePH4e/vD39/fwBAWFgY/P398frrrwMAUlNTdWEQAHx9fbFr1y7ExMSge/fuWLRoEZYvX268LmBk1tZAfDyQlQW0aGHc9y7FyQmYM0c8fvNNID9f0XKIiIionmgkScHzjg1cdnY2nJ2dkZWVZZjTwSpw+zbQujVw7RoQEaFY94RERET1xhS/v2vKZFoAyTAaNQIWLBCPly7lHcFERESmiAFQDfLzgUmTgG7dxLWACvvPf8QAJQcOiOHiiIiIyLTw610NrK2BPXuAU6eA48eVrgY2NsA77wBeXkpXQkRERPWBAVAtVNIhdHmuXVO6AiIiIjIkBkC1KNkfoEpkZgIPPwx07AjcvKl0NURERGQoDIBqUbIFUCU3ZjduDFy+LIaJ+/BDpashIiIiQ2EAVAt/f8DKCvjnH+DSJaWrAQBotcDCheLxkiXAuXPK1kNERESGwQCoFra2QI8e4rGKTgOPGgU8+CBw5w4wbhyHiCMiIjIFDIBqEhQEtGunqs73NBpg3TrA2Rn49Vfg3XeVroiIiIjqiiOB1IHBexIvLBTnXVVo0ybgmWcAS0sRBOXGSiIiooaGI4GwBVBdVBr+AODpp4F//Qto2ZKngYmIiBo6S6ULoHIUFgJ5eWJcNpXQaIBVq8R9Kg4OSldDREREdcEWQLV56y3R/8qnnypdSRkuLvrhjy2BREREDRMDoNrY24vxgFU4IoisqAhYvhzo2hXIzla6GiIiIqopBkC1UWGH0KXdvg0sWwacPQtMn650NURERFRTDIBq06OHuNDu2jXgyhWlqymXgwOwYYO4LjAyEvj+e6UrIiIioppgAFQbOzuge3fxWMWngYODgZkzxeNJk4D0dGXrISIioupjAFSjkqeBVWzhQqBLFzF63QsvqPaMNREREZXCAKhGDSQA2toCX3whzlh/9x2weLHSFREREVF1MACqUVAQMHSoGIhX5bp3F3cEW1gATZooXQ0RERFVB4eCqwMOJVPs7FmgY0elqyAiIqoav7/ZAkgGUjL8Xb8O/PGHcrUQERFR5RgA1SwtDfj1V6WrqJGrV4G+fYEHHwSSkpSuhoiIiMrDAKhWR48CXl7AY481qNtrnZwAa2vRjWFoKJCZqXRFREREVBoDoFp17QpYWgKpqaJZrYFwdgZ27wa8vYHERODRR4E7d5SuioiIiEpiAFSrRo2Abt3EY5V3B1Nas2YiBDZuDBw+DDz9NFBYqHRVREREJGMAVDO5P8CjR5WtoxY6dxZ9A1pbA9u2ATNmNKgz2URERCaNAVDNevcWP2Njla2jlgYMEB1FA8DevcDt28rWQ0RERIKl0gVQJR58UDShxceLu4F79VK6ohobMwbIzgYeegiwt1e6GiIiIgLYAqhunp7AU0+Jx6tXK1tLHTz/PODjU/x8504gN1e5eoiIiMwdA6DazZoFrF0LfPqp0pUYxLZt4s7gwYOBjAylqyEiIjJPDIBq17kz8NxzgK2t0pUYRNOm4u7gX38F+vUDrlxRuiIiIiLzwwDYkBQVAfn5SldRJ0FBwKFDxf0E9ukDnD6tdFVERETmhQGwodiyBejQAfj8c6UrqbOOHUX/gJ07A3//DQQHAwcOKF0VERGR+WAAbCgyM4Hz54Fly0yiV+UWLYCDB8Vp4KwsICQE+OsvpasiIiIyDwyADcX48YCLC3DpErBjh9LVGISLi+gfcMQI4NlnRSgkIiKi+scA2FDY2wMvvCAef/SRsrUYkJ0dsHWr/kdKTQX+/FO5moiIiEwdA2BD8tJLgKWluGAuLk7pagzG0rL4JufCQmDsWCAgANiwQdm6iIiITBUDYEPSvDnwxBPisQm1ApaUkwNoNGLYuAkTgHHjxDwiIiIyHAbAhmbGDPFzyxZxrtTEODsDP/4ILF4MWFiIsYQDAoCTJ5WujIiIyHQwADY0AQHA/PnAvn2iV2UTpNUCCxYAMTHixpBz54DevYHly03iBmgiIiLFaSRJkpQuoqHKzs6Gs7MzsrKy4OTkpHQ5JikzU5wK/uEH4L77xKWPVlZKV0VERA0Zv78BS6ULoDqSJHHRnIlycwO2bwdWrgS6dy8Of3l5YjLT/7dERER1YlKngFesWAFfX1/Y2toiICAABw8erHDZmJgYaDSaMtOfDaX/kevXgbAwoFcvMUScCdNogBdfFMPIyT74QIwo8s03IgMTERFR9ZlMANyyZQumT5+OBQsWID4+HsHBwQgNDUVycnKl6yUmJiI1NVU3tWvXzkgV15GVFbB2LfDbb8CuXUpXY1QFBcD//ieGkRszBhg2DLh4UemqiIiIGg6TCYAffvghJk6ciOeffx4dO3bEsmXL4O3tjYiIiErX8/DwQNOmTXWTVqs1UsV15OgI/Oc/4rGJdglTEUtL4Ngx4I03AGtrYM8eoEsXYNEiIDdX6eqIiIjUzyQCYH5+PuLi4hASEqI3PyQkBIcPH650XX9/f3h5eWHw4MGIjo6uzzINb+pUccvs/v1AVJTR3/7GDeCXX4A1a4ClS4H168UodUeOiDt3r1+vv7PTtrbAm28Cp08DDz4I3L0LvP460KYN8NNP9fOeREREpsIkbgLJyMhAYWEhPD099eZ7enoiLS2t3HW8vLywatUqBAQEIC8vD1988QUGDx6MmJgY9O/fv9x18vLykJeXp3uenZ1tuA9RGy1bAq+8Arz/PjBxougiplUrg7/NjRuiH76EBODs2eKfFexaPRYWgKsr4OkJ9OghunPp1Qvo2tUwd/O2by/GE96yRfSO89dfQNu2dd8uERGRKTOJACjTlLobVpKkMvNkfn5+8PPz0z0PCgrC1atXsWTJkgoDYHh4ON566y3DFWwIixcDsbHAr78CTz0lhokzUD8pOTnAe+8BS5aIFrbyeHuLmzGaNBEtfpmZQEaG+JmdLVoAMzLEdOaM6NgZEC14AQHFgbB3b7Gt2tBogCefBEaNEruhZAaePVu8z+jRIowSERGRiQTAJk2aQKvVlmntS09PL9MqWJnevXtj06ZNFb4+b948hIWF6Z5nZ2fDu7apxVCsrIDNm0UfKRcuAOfPA5061WmTRUXAl18Cc+eKGy0AEaq6dBGb7tRJhL4OHSrvhiU/X4TCjAwgOVlct3f0qAhpN2+K08e//FK8vK+vOJ374IPAAw+IUFkT1tZAcHDx8/h4cbcwAISHi6z88MMm3WsOERFRtZhMR9C9evVCQEAAVqxYoZvXqVMnjBgxAuHh4dXaxr/+9S9cv34d+/fvr9byqupIMjpanA9t3rxOmzl6FHj5ZRHWABHKliwBHnvMcMGpqEjkVDkMHj0KnDpVdpSP7t2LA2FwMNCoUc3eJzsbWLZM1H/rlpjXtavoPeepp0RgJCIi86Oq72+FmEwA3LJlC5555hmsXLkSQUFBWLVqFVavXo0zZ87Ax8cH8+bNQ0pKCjZu3AgAWLZsGVq1aoXOnTsjPz8fmzZtwrvvvouoqCiMGjWqWu9pSgfQX38Bc+YAX30lnjs4iOHYpk8Xp2vrW06OOHv9009iOn1a/3Vra6BfP9GC98gjIutWV2amuEzy00+B27fFPC8vYPduoFs3w30GIiJqGEzp+7u2TOIUMAA88cQTyMzMxMKFC5GamoouXbpg165d8PHxAQCkpqbq9QmYn5+PmTNnIiUlBXZ2dujcuTN27tyJYcOGKfURDGfbNnEOd8sWcZdwJfLzgXffFdOdO6KV79lngbffNu5Qww4Ooj8/efdfuyZubv7pJzHs8dWr4vn+/eK+l7Zti8Ng//6Vt+a5uYlrGefMAVatAj75RPQlWOISUNy5A9jZ1e9nJCIiUguTaQFUgir/gkhPB1q3Fh3iLVoEvPpqhYtKkgh7GzaI5/36iVOmAQHGKbW6JEmcMt61C9i5U9zzcu9e8esODsBDD4kwGBoqWvcqk58PJCaKsYUBcUq6c2cRCF96SVx/yBtGiIhMlyq/v42MAbAOVHsArV8vkp2FBRATo39nRAkffiha07RaIDISGDu2YdwgceuWaBXcuVNM167pv96jh2gdHDYM6NmzykZQHDkC9OlT/LxVK+C554AJE2p/ZzIREamXar+/jYgBsA5UewBJEjB+vOhzpUUL0Ymfm5veInv2iJBUVAR8/DEwbZoypdZVURFw4gTwww+ihfC33/Rfb9IEGDpUfNaQENEnYXn+/BNYvlycOZe7d9RogCFDgIULRZAkIiLToNrvbyNiAKwDVR9AOTniXO65c8Dw4cD33+ua9xITRd97WVmi/+jVqxtGy191XLsmwu3OncCPPxaHOUA0iPbuLQLhkCFi95RuHbx9WwyqsnatONUMAIcOAX37isd37xrnphgiIqo/qv7+NhIGwDpQ/QF08qRIPHl5wOTJwIoVuJmlQa9eIhf27Qv8/DNgY6N0ofXj3j3g8GERBnftEh1Rl+TmJloFhw4VP0vf9HLhAvDtt8CsWcUB+T//EX0XPvGEmEreSEJERA2D6r+/jYABsA4axAG0fr24oO2tt1A4/zU8/LBoGfP2FqdLa9BPdoOXnCw++5494u7i0iP5de8uguCDD4pwXLrfwaIisd/kzrEB0a/gE08AY8ZwCDoiooaiQXx/1zMGwDpoMAfQiROAvz9mztJg6VLR3ckvvwD+/koXppx790Qn1Hv2iFB4/Lj+69bWIgTKHVHLp4tv3hRn07dsETeiFBQUr/P448DWrUb9GEREVAsN5vu7HrGzC3PQowc2bBThzx45ONPrWfh7/l31eibMykp0e7N4sWgJvXYN2LRJ3DzdooXoKiY6WnSG3auXOF382GNimR49xE0n164Ba9aILmi0Wv3Oqe/cESOO/Pyz2BYREZGasAWwDhrKXxBHjgADB4ogEt91PLqf2gj4+IimL17EVobc76A8Ksn+/eKGmZLc3ETvOgMHAgMGiL4HNRrAw0O8vnOn6JcQEOMlDxki7sUJDa35GMdERGRYDeX7uz4xANZBQziA/voLCAwUrVWPPQZs/SAJFqFDRMJxcxN3R9x/v9JlqlphoTiLvm+f6Fbxl1+Kh5STNW4sAuGAAeLUsUYDfP65CILp6cXLaTTi3+Pjj4GgIGN+CiIikjWE7+/6xgBYB2o/gCRJnJ78+Wcx6sXhw2LUDPzzj+gl+fhxcafD1q2iaYqq5d49IC5OhMHYWNFNTE6O/jK2tqLvwD59AHd3cePITz8Bp06J18+eBTp0EI937wb++ENca9itG0chISKqb2r//jYGBsA6UPsB9MMP4rSjjY3oAqVNmxIv5uQA//qXOA1saQl88AEwdWrVw2ZQGQUFQHy8CIQHD4qgnZlZdrkOHcSdxg4OYsi5zp3Frh8zBvjmG7GMm5toRQwOFlO3bmIZIiIyHLV/fxsDA2AdqPkAundPdFHy55/AnDnAu++Ws1B+vugJetMmMf7ZH38A9vbGLtXkSJLobPvwYXG6+JdfxPPSGjUSp4Pt7ESj7J9/ln9qOS2tuK/GoiK2EBIR1ZWav7+NhQGwDtR8AH32mWhlatJEdGjs7FzBgkVF4mK1du3EOUh5XkGB6AuFDCIjQ9yMc/gwcOyYuPP41q2yy7m6ilPGhYXitHHbtqI/b7kj6v79Rbjv1at48vU1nZFciIiMQc3f38bCAFgHaj2AsrJEcMjIAFasAF58sYYbiIgQK65dyxtE6klhoWgVPHZM9Ed47Ji4PrBkv4KyJk1E1zP33Qd89JHI56Vfv/9+cVnnlCnGqZ+IqCFT6/e3MTEA1oFaD6A5c4D33wc6dhShokbXkBUUiIvVLl4U5xpffhlYtIinho3gzh1xLeGJE8XTmTPlh0IrK9FAe+dOcSAcORLYtk08LioCxo4FOnUS4dHfX3RVQ0RE6v3+NiYGwDpQ4wGUlCTyW36+6IJk2LBabCQjA5gxQ1wbCIhzjMuXAw8/zHONRnb3LnD6dHEgjIsTl2rm5ZW/vI+PaCn08gJWr9Z/rWlTEQR79BA3ffftW//1ExGpkRq/v42NAbAO1HgAPfmkGKbswQeBvXvrmNd27wZeeAG4elU8DwgQp4d79jRIrVQ7BQWiG8dTp/Sn5OTqb+O558TpZCcncZPJ7NnipqH77isOkMz6RGSq1Pj9bWwMgHWgtgPoyBHR75xGI04ldutmgI3euiVOAX/2mTjfePYsRw9RqZs3RWvhqVNAQoI4fXzmjGjQrYiXl7jpRO6fUObsLLqp6dgRGD9edElDRGQq1Pb9rQQGwDpQ0wEkSSL8HT0qenZZs8bAb5CRIXoyfvLJ4nnz54u7h8eOFRelkSr9848IgiVDYWKiaPmrjiFDgBEjxI1FN24A77wjri1s315M7dqJqXHjev0YREQGo6bvb6UwANaBmg6gLVtENrO3F6cH6/2C/wsXREtgUZG48GzmTBEEmQIajKwsEQQTE0UfhPLP8+fFNaQ15eoKrFwJjB4tnl+7BqSkAK1b87AgInVR0/e3UhgA60AtB9Ddu+JU3eXLwMKFwGuvGeFNc3LEt/2SJeKbHhC9FT/2GDBhgrgIkaOKNEiFheKyz/PnRc4v+fPSparDoYeHCH0FBWK0QUCMftKqlfibwc9PjEoTGso7k4lIGWr5/lYSA2AdqOUAev990fVL8+bAuXNihAmjuXMHWLdOhME//iiev2EDMG6cEQshY5DD4cWLIgzKkxwOs7Kqv60BA8Qdyd7e4gaW2FhxmrlDB3HjecuWYvL2FmMrExEZilq+v5XEAFgHajiA/vlHfGlmZyucuSRJ9FMSGQl8/7240EzeJ1FRYnDckSNF8xCZrJs3RVdEFy8CV66I6cIFMf31l/h7oTamTxc3orRoIUZIOX9eXHnQooWYvLx4GSoRVZ8avr+VxgBYB2o4gKZMEYN29OghhhdTxTixpQes9fcvHs+sd29g+HAxde7MvkbMiCSJgHj5spiuXhVTcrIIdFeuiJtMavsbycEBcHMD5s4Vh5mXl7h3KSUFaNZMTC4uPOSISB3f30pjAKwDpQ+gkydF13xFRUB0NDBwoNFLqFphIfDhh8DXX4u+aUpq1Qp4+mlg8WJFSiP1uXdPtPAlJ4sWw7/+Eq2JcpCTp9LD4VVEo9EPlBYWgKOjCIKenkBYmOguydMTuH5dTE2bioZqDoVNZLqU/v5WAwbAOlDyACoqEiM5HD0q7rr83/+M+va189dfwA8/ADt2AD//LIazGDNG3MIMiG/qTz4R/dl0717DMezIXBQWAunp4nBKTRU/5WsRr14VITItTSxTk99uWq3YtszGRrQqNm4sWhanTBHd33h4iO4xb90Sj93dxXJsWSRqOBgAGQDrRMkDaNUqMUiHg4PouqN5c6O+fd3l5op+BT08gKAgMS8hQZwWBkQzTb9+4k6BAQNEUycv8qIauHdPXCObliam5GRxLeKVKyI0pqeLFsH0dHENbV1oteKQdXMTp5ojI8WdzgDw++/ifZs0KZ5cXXk4EymJAZABsE6UOoD++Ud0pXHjhhjOa/p0o711/fr9d+DVV4GDB8veTmpvD3z6qehiBhBNoBoNm13IIO7cEUEwPV20KsotiikpIjxmZIg7kTMyxP+/e/cq356NjQiA7dqJm2JKj7QCiD/eXF2Bb78Vl8laWAD79gGHD4sg6eYmXndzE6esXV3FCC2quM6XqIFjAGQArBOlDqBnnwXWrxdnSX/7TeEzpZIkTuUWFIhvSEMUU1govjFjY8V04IC4OOuHH4CHHxbLbN8OPP88EBgoxiYODBSthBzEluqZJIm/T/75RwTEP/4Qh2tiogh7qaniv0NNWFiIcFdUVHlXOosXi7GaGzcW/zX27hUtiu7uIiC6uIjXXFyAhx4SPwHRV6iFBa9rJJIxADIA1okSB9DBg0D//iLjHD4s7nY0OEkSnTufOiWm06dF00hurugAOidH/3HJK/K1WhEE7ezET3lq1Eg0ZcjnwEo+lp97eoqfpZs4iopEtzKtWonzbIDo7bq8m0fc3IAuXUTTqL9/8edhKCQjKSwsvrP54kXRA9KNG+JvmBs3xPOMDPH85s3ajbpSHX37ii5yGjcW9ezeLf5bNm4sJmfn4seLFonupADxX/7330UvTs7OxZOTk5gYIskUMAAyANaJsQ+ge/dEpjlzBvjPf4DPPzfARiVJ/MaPjy8OfKdOieYNJWi14rrApk3F5OlZ/LhpU/3+PC5cEE2gx4+Ln2fPFofRs2dFj8KA6Cn7009FMOzQoXgQ2/btxcWTDIekoLt3RRC8caPsT/lxVpZ4nJUlrle8eVMEyezsqk9HV8fJk+JuaED8XVXZaEIHDog+GQFx89mKFSIYOjoW/5QfjxolOvIGxK+U1NTi1x0dRZjkfz9SAgMgwNssG5CPPhLhz90dCA+v48b++QfYuBFYs0bcRVKahYW4gKlrV3HOydtbXLTk4CCuxyv9WKsVp4Lv3hXTnTv6j3NzRZNHRoaY5GYQ+fE//4ifhYXiWyI1terP0LhxcSAMCACGDhV1374tLtyythanhE+fLu50bvdu/W00aiSaO+Tmj99/F9+0vr6i+YTD2VE9s7Ut/vumNu7eFUFQDodZWfpTZqb4m+7ECfFfoDw9eoj/yo0aib8JHRzET0kS/yULCorvkF6/HoiJEcvLV2lUxMdHtB42aiRu9p86Vf91S8viMLhxo7jfCxDdWq1dW/xrpvSvm4EDi4NlVpb4NWJvX/wZ+N+WqGpsAawDY/4FceWK6ILi9m3xC3j8+FpspKhIdL+yejXw3XfFTQeNGgG9eomwJ0+dOhl5TDno37Z57Vrx7ZvXrolAmJYmOon7+2+xI6pLPtdlayuaG/LzxTfl9etin5w4Ib6pXFyAiRPFLZyA+HZq2VKEQXl6+WXxLQPw1DI1ONevi79x4uOLpz//1O/+pr5oteK/W0XfOP36iVBnZyca9w8cqHhbr70mwqKdHbB/f9kWS7kLH/neseHDxfwjR0S3pI0a6QdG+edDD4kb7ACxrxITxfzSE1suGz62ADIA1okxD6CRI8UIa/37i7++a/TLJyVFhJq1a8UQDLLAQGDSJODJJ4uHbWsIJEkEuNTU4kAoT/I8+WdNxh6zthbfHPn5Yirvv8bx46Jl0M0NmDwZ2LVLfGvJU4sWokXSy0tchMW+Pkjl7t4Vjd65uZVPckP+7dvFP+XH8uvyPHm6c6f2I7sYinztop2d+KwVtYICQEiIuMzGzk7c0LNhQ8XLzp0rfnXa2oorTl57TT9Q2tuL7djZib5aBw0S66WlAdu2Fb9WevL2Lh4xs7BQ/F1sY8PAaWgMgAyAdWKsA2jHDuDRR0WD1MmTxV3lVSk1FZg3D/jii+Jr45ydgbFjxR203bvXU8UqUTooyq2I5f28caNm29ZoxD9IZRdg/fCDCINNmgAffyzCY7Nm4rpGDw/xU37cowfPW5HJkTsJkAOiHBLL+1n6cW2mvDylP3H5XFzE34y2tuJXRmJixcsGBYnWUBsbcfo+IkLMt7QUf6NaWYnXbGxEw8CYMeLxzZvABx+IECm3VMohtFEjsc3Bg8W2cnPFrycbm+L79OTHNjbiMiN3d7GsJImaraxMK4QyADIA1okxDqDcXBH4rlwBZs8G3nuvGivl5QHLlomruXNyxLzgYNHa9/jjxj+12xDk5RWfbq5skq9VNLR33xW/cd3cxLB5Z8+K515e4uIwd/fi/j5CQ4u72+FpaCKdoqLiS5Hly5Ar+lnZ4/Km0mHz3j3xXiUvfVbzt6mlpQiE1tbib820tIqX9fUF7r9fLFtYCHz1lZiv1YrtWFqKQGhpKS6/Hj26+O7wjz4qPpkiT3Z24me3bsC//lUcZNevLw6o8jLyuk2bisvPZRcuiHWsrYsnG5vaB1MGQAbAOqnrAfTll6JxrrLeUdavF/+hWrYUA2XIl5+VS5LEn3VhYeJ/CyD+Fy9fLq7xI8MoKBAhMD1dBMJ//il+nJ5efINLyRtdDHGrpiwkRDQpODuLfoEuXRIXPMn9dri6isndHXjjDXEgabUiVObm6vcDwlPURAYht5SVDITy48rmlfez5PIlT6+X3oZGUxx65VP09+6J0NbQv9ltbMQJEjnsJSRUvGzTpqJ1Uw6WW7eKfWBpWRxa5cDaogXwxBNAYWE2pk5lAGzgh4ly6hoA580TDT/V8d13wIgRlSzw559iSJAffxTPmzYVzYVjx3LoAKVJkhg4Vg6D16/rT5mZ+o/T0sQp6dJ9LNaFvb3YVulrIi0siv9EnzpVhEUnJ3G6+q+/RFCUA6XcAunmJjqglP/kLygQv2XZEkmkGgUFxWEyP7/4ccnnFf3My9Nv4bx1S4TL0q2leXniv761tVj37l1xyXl+vnj/goLiQFqyc/S8POPceFS5bAAMgAyAtVTXAHjqlLimT84FJaeSncU+/bRoCSzXzZvAwoXAJ5+I/2HW1sCMGcCCBcWdJlPDJEnit67cIVzpjuGyskRYlFsd5Y7icnKKf0PX129ZJ6fivjkyM8Wk1Rafoyl57uff/xbB0d4eOHdOBEu5Z2H5Dm0XFzH17i22CYhvCQsLtlISmaCiIhEO8/OLf5aeSr8u/8zLE7/m5EAqf/XJy1y5IubL25HDbX6++DXl6grk5mZj714GQAbAWjLGNQQVXuKVlyd6YH377eJr0oYPF30cyH3aEeXliRth5EkOjjdvilPW8l8bN2+KQJadLf7cv3xZBEr5t6j8Z7wxWFmJi4IKCkQABkQQLH0B0gMPiBto7OxEvZcvF486U/Iq+EaNxLKenuJ1ubVVvj3U2Vn8sSRfiCR3F0REJovXADIA1okiB1BhIbBpE/D662J8J0CMbrFsGTBkiHFqIPNUWFg8BKB8Tig3V4TIf/4pHu9MDpjyUIHe3sUXKCUlicApjx8t9zBsqFPdhtC4sQiENjbiwqt//hHhU57kEGppKW7Z9PERQfOff8R1lvJV7XJHdPLQiA88IK6ut7YW++zCBTHfwUH/Cnhra3EJh3zBr3xBF0+zExkMAyADYJ0Y9QCSJGDnTnHh4B9/iHnNmwNvvglMmFB8VyhRQyT3F1KyE7nsbBEW5UApt2LeuiWmli1FOLpzR4Sp5OTiC5NKnkMqKBCtfwUFYtmsLHV0UFcZZ2cRDK2txWeSR8bRaMRkYVE83XefGCfbykqE8Li4skHV2loE0YceEqHV2Vnshx07igNoyVP3lpai5wB5PO3MTNHjspVV8dX0JX+2bCl+HwFi/6ekFL9ecln5Mbs8IoUxADIA1onRDqDDh4E5c4BDh8Tzxo1FEJw6VfziJqKaK33bZk6OCJjy+Gd37ohrLFNS9Hs+LnlLpo+PCGQ5OeIU9KVLZUNoYaGYbG3FT3m+2llaipotLcU+ycqqeNmmTUUA1GrFZzt5suJl/fxEsNRqxX7csUM/0JacunYVQVQeavKrr8Rj+ZIAOehqtaK/rMGDxePCQjG2XMkQXDIUt2snWmQtLMS/35Yt5Qdb+bbRvn2L3+/nn4uvTS09NWkiArlc/9mzxa23pSc7O3FDlSw3V9RSchm2+NYbBkATC4ArVqzABx98gNTUVHTu3BnLli1DsDxqeTliY2MRFhaGM2fOoFmzZpg9ezYmT55c7fer8wEUHi7u1C3ZYVLp6e5d4OhRsbytrRiKbM4cccE8ETVMklR8m+a9e+VfDS8/lltDS/YDUvJ2zMaNxe+Ke/dES11SUtmr6eXw2qiRCEfyUIg3bujfnknGY2kp7kaQw2xqasWXQtjZiUt95GXPnBHHjtwiXHKytxfdfslB+bffisOlHHjln3Z2wIMPFm/3yBER9Eu3Msu9BTz8cPGyR4+K4630cnJ4HTGieF5cnLhEQn695E8LC2DYMLE/LCzEGa5r14q3U3KbWq0YA1AeGuXChbKXaJRcPiCg+Jrev/8Wx/z/v5adnw/nMWMYAJUuwhC2bNmCZ555BitWrEDfvn3x+eefY82aNUhISEDLli3LLJ+UlIQuXbpg0qRJeOGFF/DLL7/gv//9L77++ms8/vjj1XrPOgfA+fNFCKyKVgs895zo000+zUJEZAhySCx5Tab8WH4u3wQkv1b6p/y4vNdLB1qguJUuL098KZfuN0R+bGsrTlHLyyYnV/y+9vYiDMvvefmyCFTyJF9rWlQktuvkVLydtDQRyiWpeMBieZJbDuX3uXdP3ZcPULWITmDAAKh0EYbQq1cv9OjRAxHyuDkAOnbsiJEjRyK8nJA1Z84cbN++HWfPntXNmzx5Mn7//XccOXKkWu9Z5wB4/bq4GLxkB02lp/x80TVGu3Y13z4REdUPOSzKwVIOiKXnVXeZ3Fz9AFwyCAPiuk15/ZSU4s70Sna0V1AgWsBatiwOu+fOiZbikqFcfk+tFmjfvnjZs2fF5Qwlw7L82MIC6NKleP1z50RrYcmQLU+SJE7fy88vXixetryQ3aFD8bJ//SVaqOVl5H0tTy1bFl+mcf168WhX8uslH7u4FL9fqbECsyXJ7AOgSdw5kJ+fj7i4OMydO1dvfkhICA4fPlzuOkeOHEFISIjevCFDhmDt2rW4d+8erMrpeywvLw95JQ+g7Oy6FS53sEtERA1Lyev1qOHJzhah2oyZRADMyMhAYWEhPD099eZ7enoirYIBD9PS0spdvqCgABkZGfDy8iqzTnh4ON56660y87/55hs04vi6REREDcLt27eVLkFxJhEAZZpSd0xJklRmXlXLlzdfNm/ePISFhemeZ2dnw9vbG6NHjzbbJmQiIqKGJjs7G88//7zSZSjKJAJgkyZNoNVqy7T2paenl2nlkzVt2rTc5S0tLeFW8tb8EmxsbGBjY2OYoomIiIgUYqF0AYZgbW2NgIAA7Nu3T2/+vn370KdPn3LXCQoKKrP83r17ERgYWO71f0RERESmwiQCIACEhYVhzZo1WLduHc6ePYsZM2YgOTlZ16/fvHnzMG7cON3ykydPxpUrVxAWFoazZ89i3bp1WLt2LWbOnKnURyAiIiIyCpM4BQwATzzxBDIzM7Fw4UKkpqaiS5cu2LVrF3x8fAAAqampSJbHzgXg6+uLXbt2YcaMGfjss8/QrFkzLF++vNp9ABIRERE1VCbTD6ASOJQMERFRw8PvbxM6BUxERERE1cMASERERGRmGACJiIiIzAwDIBEREZGZYQAkIiIiMjMMgERERERmhgGQiIiIyMwwABIRERGZGQZAIiIiIjPDAEhERERkZkxmLGAlyKPoZWdnK1wJERERVZf8vW3Oo+EyANZBZmYmAMDb21vhSoiIiKimMjMz4ezsrHQZimAArANXV1cAQHJystkeQIaSnZ0Nb29vXL161WwH5jYE7kfD4b40HO5Lw+B+NJysrCy0bNlS9z1ujhgA68DCQlxC6ezszP+MBuLk5MR9aQDcj4bDfWk43JeGwf1oOPL3uDky309OREREZKYYAImIiIjMDANgHdjY2OCNN96AjY2N0qU0eNyXhsH9aDjcl4bDfWkY3I+Gw30JaCRzvgeaiIiIyAyxBZCIiIjIzDAAEhEREZkZBkAiIiIiM8MASERERGRmGACrsGLFCvj6+sLW1hYBAQE4ePBgpcvHxsYiICAAtra2aN26NVauXGmkStWtJvsxJiYGGo2mzPTnn38asWJ1OnDgAIYPH45mzZpBo9Hgu+++q3IdHpNl1XQ/8pisWHh4OHr27AlHR0d4eHhg5MiRSExMrHI9Hpf6arMfeVyWLyIiAl27dtV1mB0UFITdu3dXuo45Ho8MgJXYsmULpk+fjgULFiA+Ph7BwcEIDQ1FcnJyucsnJSVh2LBhCA4ORnx8PObPn49p06YhKirKyJWrS033oywxMRGpqam6qV27dkaqWL1yc3PRrVs3fPrpp9Vansdk+Wq6H2U8JsuKjY3FlClTcPToUezbtw8FBQUICQlBbm5uhevwuCyrNvtRxuNSX4sWLfDuu+/i+PHjOH78OB544AGMGDECZ86cKXd5sz0eJarQ/fffL02ePFlvXocOHaS5c+eWu/zs2bOlDh066M174YUXpN69e9dbjQ1BTfdjdHS0BEC6ceOGEapruABI27Ztq3QZHpNVq85+5DFZfenp6RIAKTY2tsJleFxWrTr7kcdl9bm4uEhr1qwp9zVzPR7ZAliB/Px8xMXFISQkRG9+SEgIDh8+XO46R44cKbP8kCFDcPz4cdy7d6/ealWz2uxHmb+/P7y8vDB48GBER0fXZ5kmi8ekYfGYrFpWVhYAwNXVtcJleFxWrTr7UcbjsmKFhYXYvHkzcnNzERQUVO4y5no8MgBWICMjA4WFhfD09NSb7+npibS0tHLXSUtLK3f5goICZGRk1Futalab/ejl5YVVq1YhKioK3377Lfz8/DB48GAcOHDAGCWbFB6ThsFjsnokSUJYWBj69euHLl26VLgcj8vKVXc/8ris2OnTp+Hg4AAbGxtMnjwZ27ZtQ6dOncpd1lyPR0ulC1A7jUaj91ySpDLzqlq+vPnmpib70c/PD35+frrnQUFBuHr1KpYsWYL+/fvXa52miMdk3fGYrJ6XXnoJp06dwqFDh6pclsdlxaq7H3lcVszPzw8nT57EzZs3ERUVhfHjxyM2NrbCEGiOxyNbACvQpEkTaLXaMq1U6enpZf5SkDVt2rTc5S0tLeHm5lZvtapZbfZjeXr37o3z588bujyTx2Oy/vCY1Dd16lRs374d0dHRaNGiRaXL8risWE32Y3l4XArW1tZo27YtAgMDER4ejm7duuHjjz8ud1lzPR4ZACtgbW2NgIAA7Nu3T2/+vn370KdPn3LXCQoKKrP83r17ERgYCCsrq3qrVc1qsx/LEx8fDy8vL0OXZ/J4TNYfHpOCJEl46aWX8O2332L//v3w9fWtch0el2XVZj+Wh8dl+SRJQl5eXrmvme3xqNDNJw3C5s2bJSsrK2nt2rVSQkKCNH36dMne3l66fPmyJEmSNHfuXOmZZ57RLX/p0iWpUaNG0owZM6SEhARp7dq1kpWVlbR161alPoIq1HQ/fvTRR9K2bdukc+fOSX/88Yc0d+5cCYAUFRWl1EdQjVu3bknx8fFSfHy8BED68MMPpfj4eOnKlSuSJPGYrK6a7kcekxV78cUXJWdnZykmJkZKTU3VTbdv39Ytw+OyarXZjzwuyzdv3jzpwIEDUlJSknTq1Clp/vz5koWFhbR3715Jkng8yhgAq/DZZ59JPj4+krW1tdSjRw+9W/LHjx8vDRgwQG/5mJgYyd/fX7K2tpZatWolRUREGLlidarJfnzvvfekNm3aSLa2tpKLi4vUr18/aefOnQpUrT5ytw+lp/Hjx0uSxGOyumq6H3lMVqy8/QhAioyM1C3D47JqtdmPPC7L99xzz+m+b9zd3aXBgwfrwp8k8XiUaSTp/690JCIiIiKzwGsAiYiIiMwMAyARERGRmWEAJCIiIjIzDIBEREREZoYBkIiIiMjMMAASERERmRkGQCIiIiIzwwBIRFQHGo0GGo0GjRs31s1788030b1793p/74EDB+re/+TJk/X+fkRkOhgAiYjqKDIyEufOnTPItqKioqDVapGcnFzu6x06dMC0adMAAN9++y2OHTtmkPclIvPCAEhEJu/evXv1uv3GjRvDw8PDINt69NFH4ebmhg0bNpR57ZdffkFiYiImTpwIAHB1dYW7u7tB3peIzAsDIBEZjSRJeP/999G6dWvY2dmhW7du2Lp1q+71mJgYaDQa/PzzzwgMDESjRo3Qp08fJCYm6m1nx44dCAgIgK2tLVq3bo233noLBQUFutc1Gg1WrlyJESNGwN7eHosXLwYALF68GB4eHnB0dMTzzz+PuXPn6k7VHjhwAFZWVkhLS9N7r1deeQX9+/ev0+dOSkpC27Zt8eKLL6KoqAj5+fmYPXs2mjdvDnt7e/Tq1QsxMTEAACsrKzzzzDNYv349So/UuW7dOgQEBKBbt251qoeIiAGQiIzm1VdfRWRkJCIiInDmzBnMmDEDY8eORWxsrN5yCxYswNKlS3H8+HFYWlriueee0732448/YuzYsZg2bRoSEhLw+eefY/369Xj77bf1tvHGG29gxIgROH36NJ577jl8+eWXePvtt/Hee+8hLi4OLVu2REREhG75/v37o3Xr1vjiiy908woKCrBp0yY8++yztf7Mf/zxB/r27YvRo0cjIiICFhYWePbZZ/HLL79g8+bNOHXqFEaPHo2hQ4fi/PnzAICJEyfi0qVLevslNzcX//vf/3Stf0REdSIRERlBTk6OZGtrKx0+fFhv/sSJE6WnnnpKkiRJio6OlgBIP/30k+71nTt3SgCkO3fuSJIkScHBwdI777yjt40vvvhC8vLy0j0HIE2fPl1vmV69eklTpkzRm9e3b1+pW7duuufvvfee1LFjR93z7777TnJwcJBycnIq/FwApG3btunNe+ONN6Ru3bpJhw8fllxdXaUPPvhA99qFCxckjUYjpaSk6K0zePBgad68eXr1jhs3Tvd83bp1kp2dnXTjxg299ZKSkiQAUnx8fIU1EhGVxhZAIjKKhIQE3L17Fw899BAcHBx008aNG3Hx4kW9Zbt27ap77OXlBQBIT08HAMTFxWHhwoV625g0aRJSU1Nx+/Zt3XqBgYF620xMTMT999+vN6/08wkTJuDChQs4evQoAHHKdcyYMbC3t6/x501OTsaDDz6IV199FTNnztTNP3HiBCRJQvv27fU+Q2xsrN5+mDhxIrZu3Ypbt27pahk1apTe3cZERLVlqXQBRGQeioqKAAA7d+5E8+bN9V6zsbHRe25lZaV7rNFo9NYvKirCW2+9hVGjRpV5D1tbW93j8kKbvC2ZVOoaOw8PDwwfPhyRkZFo3bo1du3apbs2r6bc3d3RrFkzbN68GRMnToSTk5Oufq1Wi7i4OGi1Wr11HBwcdI+ffPJJzJgxA1u2bMHAgQNx6NAhLFy4sFa1EBGVxgBIREbRqVMn2NjYIDk5GQMGDKj1dnr06IHExES0bdu2Ruv5+fnh2LFjeOaZZ3Tzjh8/Xma5559/Hk8++SRatGiBNm3aoG/fvrWq087ODj/88AOGDRuGIUOGYO/evXB0dIS/vz8KCwuRnp6O4ODgCtd3dHTE6NGjERkZiUuXLqF169YYOHBgrWohIiqNAZCIjMLR0REzZ87EjBkzUFRUhH79+iE7OxuHDx+Gg4MDxo8fX63tvP7663jkkUfg7e2N0aNHw8LCAqdOncLp06d1d/uWZ+rUqZg0aRICAwPRp08fbNmyBadOnULr1q31lhsyZAicnZ2xePHiOre42dvbY+fOnQgNDUVoaCj27NmD9u3b4+mnn8a4ceOwdOlS+Pv7IyMjA/v378d9992HYcOG6dafOHEigoODkZCQgJkzZ5ZpwSQiqi1eA0hERrNo0SK8/vrrCA8PR8eOHTFkyBDs2LEDvr6+1d7GkCFD8MMPP2Dfvn3o2bMnevfujQ8//BA+Pj6Vrvf0009j3rx5mDlzJnr06IGkpCRMmDBB77QxAFhYWGDChAkoLCzEuHHjavU5S3JwcMDu3bshSRKGDRuG3NxcREZGYty4cXjllVfg5+eHRx99FL/++iu8vb311u3Xrx/8/PyQnZ1d7YBMRFQdGqn0RTBERGbioYceQtOmTfW6fgGASZMm4dq1a9i+fXuV29BoNNi2bRtGjhxZT1VW7vLly/D19UV8fLxRhp8jItPAU8BEZBZu376NlStXYsiQIdBqtfj666/x008/Yd++fbplsrKy8Ntvv+HLL7/E999/X+1tP/XUU3Bzc8Nff/1VH6VXKDQ0FAcOHDDqexKRaWALIBGZhTt37mD48OE4ceIE8vLy4Ofnh1dffVXvbuKBAwfi2LFjeOGFF/DRRx9Va7sXLlwAAGi12hqdyjaElJQU3LlzBwDQsmVLWFtbG/X9iajhYgAkIiIiMjO8CYSIiIjIzDAAEhEREZkZBkAiIiIiM8MASERERGRmGACJiIiIzAwDIBEREZGZYQAkIiIiMjMMgERERERmhgGQiIiIyMz8H2F7Q6GxB2xoAAAAAElFTkSuQmCC",
"text/html": [
"\n",
"
\n",
"
\n",
" Figure\n",
"
\n",
" \n",
"
\n",
" "
],
"text/plain": [
"Canvas(toolbar=Toolbar(toolitems=[('Home', 'Reset original view', 'home', 'home'), ('Back', 'Back to previous …"
]
},
"metadata": {},
"output_type": "display_data"
}
],
"source": [
"Z = 26\n",
"E_0 = 30 # keV\n",
"\n",
"Z2 = 26\n",
"E_02 = 10\n",
"\n",
"\n",
"K = -4000\n",
"I = 1\n",
"E = energy_scale/1000 #= np.linspace(.1,30,2048) #in keV\n",
"\n",
"N_E = I*K*Z*(E-E_0)/E\n",
"N_E2 = I*K*Z2*(E-E_02)/E\n",
"\n",
"plt.figure()\n",
"plt.plot(energy_scale/1000, N_E, '--', color = 'blue');\n",
"plt.plot(energy_scale/1000, N_E*detector_Efficiency , color = 'blue', label = f'Z = {Z} and E$_0$ = {E_0} keV');\n",
"plt.plot(energy_scale/1000, N_E2, '--', color = 'red', label = f'Z = {Z2} and E$_0$ = {E_02} keV');\n",
"plt.plot(energy_scale/1000, N_E2*detector_Efficiency, color = 'red');\n",
"plt.axhline(y=0., color='gray', linestyle='-', linewidth = 0.5);\n",
"plt.xlim(0,3)\n",
"plt.legend();\n",
"\n",
"plt.ylabel('intensity [a.u.]')\n",
"plt.xlabel('energy [keV]');"
]
},
{
"cell_type": "markdown",
"metadata": {},
"source": [
"In the curve above the change at the lower energiers is now as we expect it.\n",
"\n",
"Please check the slope at about 1.8 keV which is caused by the Si-K edge absorption fo the deadlayer.\n",
"\n",
"Change the values of *Z2* and the acceleration voltage *E_02* of the second curve to see the effects."
]
},
{
"cell_type": "markdown",
"metadata": {},
"source": [
"## Effect of Window\n",
"\n",
"So far we have ignored the effect of the window in front of the X-ray detector. This window consists mostly of carbon being manufactured from polymer in a modern detector system. The exact composition is necessary to determine the effective background in an EDS spectrum."
]
},
{
"cell_type": "code",
"execution_count": 5,
"metadata": {},
"outputs": [
{
"data": {
"application/vnd.jupyter.widget-view+json": {
"model_id": "ef7823b612934b30b8c5eb68ec5120f3",
"version_major": 2,
"version_minor": 0
},
"image/png": "iVBORw0KGgoAAAANSUhEUgAAAoAAAAHgCAYAAAA10dzkAAAAOnRFWHRTb2Z0d2FyZQBNYXRwbG90bGliIHZlcnNpb24zLjEwLjcsIGh0dHBzOi8vbWF0cGxvdGxpYi5vcmcvTLEjVAAAAAlwSFlzAAAPYQAAD2EBqD+naQAAaANJREFUeJzt3Xd8FHX+x/HXpvdAaAkQSEKTIhDAg0gHRUA9Of3ZT0BQD09FQSzYEESx69nwPEGwewooJ0URSBABaaFIIjX0hBBKAimbsvP7Y81KSICElNnsvp+PxzyyO/Od2c/ODbdvvzPzHYthGAYiIiIi4jY8zC5ARERERGqWAqCIiIiIm1EAFBEREXEzCoAiIiIibkYBUERERMTNKACKiIiIuBkFQBERERE3owAoIiIi4mYUAEVERETcjAKgiIiIiJtRABQRERFxMwqAIiIiIm5GAVBERETEzSgAioiIiLgZBUARERERN6MAKCIiIuJmFABFRERE3IwCoIiIiIibUQAUERERcTMKgCIiIiJuRgFQRERExM0oAIqIiIi4GQVAERERETejACgiIiLiZhQARURERNyMAqCIiIiIm1EAFBEREXEzCoAiIiIibkYBUERERMTNKACKiIiIuBkFQBERERE3owAoIiIi4mYUAEVERETcjAKgiIiIiJtRABQRERFxMwqAIiIiIm5GAVBERETEzSgAioiIiLgZBUARERERN6MAKCIiIuJmFABFRERE3IwCoIiIiIibUQCsIitWrODaa6+lcePGWCwWvv322wqt/+yzz2KxWEpNgYGB1VOwiIiIuC0FwCqSnZ1Np06deOeddy5q/QkTJpCamlpiateuHTfeeGMVVyoiIiLuTgGwigwZMoSpU6dy/fXXl7k8Pz+fRx99lCZNmhAYGEj37t2Jj493LA8KCiI8PNwxHTlyhKSkJEaPHl1D30BERETchZfZBbiLO++8k7179/Lll1/SuHFj5s2bx+DBg9m6dSutWrUq1f7DDz+kdevW9O7d24RqRURExJWpB7AG7N69my+++IKvv/6a3r1706JFCyZMmECvXr346KOPSrW3Wq189tln6v0TERGRaqEewBqwceNGDMOgdevWJeZbrVbq1atXqv3cuXM5deoUw4cPr6kSRURExI0oANYAm82Gp6cnGzZswNPTs8SyoKCgUu0//PBDrrnmGsLDw2uqRBEREXEjCoA1IDY2lqKiItLT0y94TV9KSgrLly9n/vz5NVSdiIiIuBsFwCpy+vRpdu3a5XifkpLCpk2bCAsLo3Xr1tx+++0MHz6c1157jdjYWDIyMli2bBmXXnopQ4cOdaw3c+ZMIiIiGDJkiBlfQ0RERNyAxTAMw+wiXEF8fDz9+/cvNX/EiBHMmjWLgoICpk6dyscff8yhQ4eoV68ecXFxTJ48mUsvvRSwnypu3rw5w4cP5/nnn6/pryAiIiJuQgFQRERExM1oGBgRERERN6MAKCIiIuJmFABFRERE3IzuAq4Em83G4cOHCQ4OxmKxmF2OiIiIlINhGJw6dYrGjRvj4eGefWEKgJVw+PBhIiMjzS5DRERELsKBAwdo2rSp2WWYQgGwEoKDgwH7ARQSEmJyNSIiIlIeWVlZREZGOn7H3ZECYCUUn/YNCQlRABQREall3PnyLfc88S0iIiLixhQARURERNyMAqCIiIiIm9E1gCIitVxRUREFBQVmlyHiNDw9PfHy8nLra/wuRAFQRKQWO336NAcPHkSPdRcpKSAggIiICHx8fMwuxSkpAIqI1FJFRUUcPHiQgIAAGjRooN4OEeyDPOfn53P06FFSUlJo1aqV2w72fD4KgCIitVRBQQGGYdCgQQP8/f3NLkfEafj7++Pt7c2+ffvIz8/Hz8/P7JKcjiKxiEgtp54/kdLU63d+2jsiIiIibkYBUEREpAyzZs2iTp06ZpfBs88+S+fOnc0uQ1yMAqCIiNSokSNHMmzYMLPLuKCbb76ZHTt2VPvnzJo1C4vFUmr68MMPq/2zxX3pJhAREZEy+Pv719jNNSEhIWzfvr3EvNDQ0Br5bHFP6gEUERFT9evXj7Fjx/Loo48SFhZGeHg4zz77bIk2J0+e5J577qFRo0b4+fnRoUMHvv/+e8fyOXPm0L59e3x9fYmKiuK1114rsX5UVBRTp05l+PDhBAUF0bx5c7777juOHj3KddddR1BQEJdeeinr1693rHP2KeDiU7GffPIJUVFRhIaGcsstt3Dq1ClHm1OnTnH77bcTGBhIREQEb7zxBv369eOhhx467z6wWCyEh4eXmM4VPsva3rBhwxg5ciQAv//+OwEBAXz++eeO5XPnzsXPz4+tW7eetw5xHwqAJvrpJ7jnHlAvv4hUpezsc095eeVvm5tbvrZVYfbs2QQGBvLrr7/y8ssvM2XKFJYsWQKAzWZjyJAhrFq1ik8//ZSkpCRefPFFPD09AdiwYQM33XQTt9xyC1u3buXZZ5/l6aefZtasWSU+44033qBnz54kJiZy9dVXc8cddzB8+HD+/ve/s3HjRlq2bMnw4cPPO6j27t27+fbbb/n+++/5/vvvSUhI4MUXX3QsHz9+PL/88gvz589nyZIl/Pzzz2zcuLFqdlI5XXLJJbz66qv885//ZN++fRw+fJi7776bF198kUsvvbRGaxHnpVPAJtq2Df7zH8jKgrvuMrsaEXEVQUHnXjZ0KCxY8Of7hg0hJ6fstn37Qnz8n++joiAjo3S7qngISceOHZk0aRIArVq14p133mHp0qVceeWV/PTTT6xdu5bk5GRat24NQExMjGPd119/nYEDB/L0008D0Lp1a5KSknjllVccvWIAQ4cO5R//+AcAzzzzDNOnT+eyyy7jxhtvBOCxxx4jLi6OI0eOEB4eXmadNpuNWbNmERwcDMAdd9zB0qVLef755zl16hSzZ8/m888/Z+DAgQB89NFHNG7c+ILfPzMzk6Az/ocLCgoiLS2tXPuuLP/85z9ZuHAhd9xxBz4+PnTt2pUHH3zworcnrkcB0ET16tn/Hjtmbh0iImbr2LFjifcRERGkp6cDsGnTJpo2beoIf2dLTk7muuuuKzGvZ8+evPnmmxQVFTl6Cs/8jEaNGgGU6BErnpeenn7OABgVFeUIf2fXuWfPHgoKCvjLX/7iWB4aGkqbNm3O883tgoODS/QUVsUYdjNnzqR169Z4eHjw22+/abxIKUEB0EQKgCJSHU6fPveyP7KQwx/ZpUxnZ5C9ey+6pAvy9vYu8d5isWCz2QAueCOGYRilwk1Zp3HP/Izi9mXNK/7citZZ/JnlqeVsHh4etGzZ8oLtituevc2CgoJS7TZv3kx2djYeHh6kpaWVqydS3IeuATSRAqCIVIfAwHNPZz8R63xtz85d52pX3Tp27MjBgwfPOSRLu3btWLlyZYl5q1atonXr1o7ev5rQokULvL29Wbt2rWNeVlYWO3furNLPadCgAampqY73RUVF/PbbbyXaHD9+nJEjR/Lkk09y5513cvvtt5N79kWd4tYUAE2kACgicmF9+/alT58+3HDDDSxZsoSUlBQWLVrE4sWLAXj44YdZunQpzz33HDt27GD27Nm88847TJgwoUbrDA4OZsSIETzyyCMsX76cbdu2MWrUKDw8PKr09OuAAQNYsGABCxYs4Pfff+ef//wnJ0+eLNFmzJgxREZG8tRTT/H6669jGEaN7w9xbgqAJioOgNnZYLWaW4uIiDObM2cOl112Gbfeeivt2rXj0UcfpaioCIAuXbrw3//+ly+//JIOHTrwzDPPMGXKlBI3gNSU119/nbi4OK655hquuOIKevbsSdu2bfE7u+u1EkaNGsWIESMYPnw4ffv2JTo6mv79+zuWf/zxxyxcuJBPPvkELy8vAgIC+Oyzz/jwww9ZuHBhldUhtZvFKM/FCVKmrKwsQkNDyczMJCQkpMLrGwZ4e0NRERw+DBER1VCkiLisvLw8UlJSiI6OrtKAIVUnOzubJk2a8NprrzF69Gizy3Er5/v3Udnfb1fgEj2A06dPp2PHjoSEhBASEkJcXByLFi067zoJCQl07doVPz8/YmJieP/992uo2j9ZLLBrF5w8Cee44UxERGqRxMREvvjiC3bv3s3GjRu5/fbbAUrdpSxiNpcIgE2bNuXFF19k/fr1rF+/ngEDBnDdddexbdu2MtunpKQwdOhQevfuTWJiIk888QRjx45lzpw5NVy5fVyt0FB7GBQRkdrv1VdfpVOnTlxxxRVkZ2fz888/U79+fbPLEinBZU8Bh4WF8corr5TZ5f7YY48xf/58kpOTHfPGjBnD5s2bWb16dbk/Q13IImImnQIWOTedAj4/l+gBPFNRURFffvkl2dnZxMXFldlm9erVDBo0qMS8q666ivXr15c5llIxq9VKVlZWiamyPv7Y/ji4n36q9KZEREREysVlAuDWrVsJCgrC19eXMWPGMG/ePNq1a1dm27S0NMeI78UaNWpEYWEhGWU95+gP06ZNIzQ01DFFRkZWuu5ly+yPgzvj+eMiIiIi1cplAmCbNm3YtGkTa9as4d5772XEiBEkJSWds/25Rmo/31hNEydOJDMz0zEdOHCg0nVrLEARERGpaS7zKDgfHx/HY3S6devGunXr+Ne//sW///3vUm3Dw8NLPWQ7PT0dLy8v6hUnsjL4+vri6+tbpXUrAIqIiEhNc5kewLMZhoH1HKMrx8XFsWTJkhLzfvzxR7p161bqOY/VrTgAHj9eox8rIiIibswlAuATTzzBzz//zN69e9m6dStPPvkk8fHxjvGXJk6cyPDhwx3tx4wZw759+xg/fjzJycnMnDmTGTNmmPKYHPUAioiISE1ziVPAR44c4Y477iA1NZXQ0FA6duzI4sWLufLKKwFITU1l//79jvbR0dEsXLiQcePG8e6779K4cWPeeustbrjhhhqvPSzM/lcBUERERGqKSwTAGTNmnHf5rFmzSs3r27cvGzdurKaKyk89gCLibkaOHMns2bMB8PLyIiwsjI4dO3LrrbcycuRIPDzKd3Lq2Wef5dtvv2XTpk1VWl9UVBQPPfQQDz30UJVuV8SZuMQp4NqsbVvYswd27jS7EhGRmjN48GBSU1PZu3cvixYton///jz44INcc801FBYWml1elcjPzze7BJFzUgA0mY8PREeDmw5ELiJuytfXl/DwcJo0aUKXLl144okn+O6771i0aJHjrE1mZib33HMPDRs2JCQkhAEDBrB582bAfmZn8uTJbN68GYvFgsViKdd6xebPn0+3bt3w8/Ojfv36XH/99QD069ePffv2MW7cOMd2i82ZM4f27dvj6+tLVFQUr732WoltRkVFMXXqVEaOHEloaCh33313Ne09kcpTABQRcRGGAdnZ5kxV8VDRAQMG0KlTJ+bOnYthGFx99dWkpaWxcOFCNmzYQJcuXRg4cCDHjx/n5ptv5uGHH6Z9+/akpqaSmprKzTfffMH1ABYsWMD111/P1VdfTWJiIkuXLqVbt24AzJ07l6ZNmzJlyhTHdgE2bNjATTfdxC233MLWrVt59tlnefrpp0tdYvTKK6/QoUMHNmzYwNNPP135nSJSTVziGsDa7qWXYNcuePRRaNXK7GpEpLbKyYGgIHM++/RpCAys/HYuueQStmzZwvLly9m6dSvp6emO8VdfffVVvv32W7755hvuuecegoKC8PLyIjw83LH+smXLLrje888/zy233MLkyZMd63Xq1AmwP0fe09OT4ODgEtt9/fXXGThwoCPUtW7dmqSkJF555RVGjhzpaDdgwABTRpQQqSj1ADqBL76ADz+E3bvNrkRExFyGYWCxWNiwYQOnT5+mXr16BAUFOaaUlBR2n+f/LMuz3qZNmxg4cGCF6kpOTqZnz54l5vXs2ZOdO3dSVFTkmFfckyji7NQD6AR0J7CIVIWAAHtPnFmfXRWSk5OJjo7GZrMRERFBfHx8qTZ16tQ55/rlWc/f37/CdRUH07PnnS2wKrpBRWqAAqAT0NNARKQqWCxVcxrWLMWnb8eNG0fTpk1JS0vDy8uLqKioMtv7+PiU6H0D6NKlywXX69ixI0uXLuXOO+8s93bbtWvHypUrS8xbtWoVrVu3xtPTs3xfUMSJ6BSwE1APoIi4G6vVSlpaGocOHWLjxo288MILXHfddVxzzTUMHz6cK664gri4OIYNG8YPP/zA3r17WbVqFU899RTr168H7HfdpqSksGnTJjIyMrBareVab9KkSXzxxRdMmjSJ5ORktm7dyssvv+yoLSoqihUrVnDo0CEyMjIAePjhh1m6dCnPPfccO3bsYPbs2bzzzju63k9qLQVAJ6CngYiIu1m8eDERERFERUUxePBgli9fzltvvcV3332Hp6cnFouFhQsX0qdPH0aNGkXr1q255ZZb2Lt3L40aNQLghhtuYPDgwfTv358GDRrwxRdflGu9fv368fXXXzN//nw6d+7MgAED+PXXXx21TZkyhb1799KiRQsaNGgA2HsW//vf//Lll1/SoUMHnnnmGaZMmVLiBhCR2sRilHURg5RLVlYWoaGhZGZmElKJgfxefx0efhhuvRU+/7wKCxQRl5aXl0dKSgrR0dH4+fmZXY6IUznfv4+q+v2uzdQD6AR0ClhERERqkm4CcQLDhtkfB1e/vtmViIiIiDtQAHQCoaH2SURERKQm6BSwiIiIiJtRAHQCVis89hjcfTfk55tdjYiIiLg6BUAn4OUFr7xifxzciRNmVyMiIiKuTgHQCXh6Qt269te6E1hERESqmwKgk9Bg0CIiIlJTFACdhMYCFBERkZqiAOgkFABFRKSyZs2aRZ06dap8uyNHjmTYsGGV3o7FYuHbb7+t9Hak8hQAnYQCoIi4i5EjR2KxWLBYLHh7e9OoUSOuvPJKZs6cic1mq9C2nn32WTp37lzlNUZFRfHmm29W+XbN1qNHD+69994S86ZPn47FYmHGjBkl5o8ePZrLL78cgH/961/MmjWrpsqUGqAA6CQUAEXEnQwePJjU1FT27t3LokWL6N+/Pw8++CDXXHMNhYWFZpdXZfKdbGyv/v37s3z58hLz4uPjiYyMLHN+//79AQgNDa2WnkUxjwKgk3jsMUhJgUmTzK5ERKT6+fr6Eh4eTpMmTejSpQtPPPEE3333HYsWLSrR05SZmck999xDw4YNCQkJYcCAAWzevBmwn+6cPHkymzdvdvQoFq97vvWKzZ8/n27duuHn50f9+vW5/vrrAejXrx/79u1j3Lhxju0WmzNnDu3bt8fX15eoqChee+21EtuMiopi6tSpjBw5ktDQUO6+++4yv//ixYvp1asXderUoV69elxzzTXs3r3bsXzv3r1YLBbmzp1L//79CQgIoFOnTqxevbrEdmbNmkWzZs0ICAjgb3/7G8cu0IvQv39/tm/fTmpqqmNeQkICEydOJD4+3jHvwIED7NmzxxEAzz4F3K9fP8aOHcujjz5KWFgY4eHhPPvssyU+a+fOnfTp0wc/Pz/atWvHkiVLStWzdetWBgwYgL+/P/Xq1eOee+7h9OnTjmUeHh5kZGQAcOLECTw8PLjxxhsd60+bNo24uLjzfmcpmwKgkwgPh6goCAgwuxIRqbUMA7KzzZkMo9LlDxgwgE6dOjF37tw/vo7B1VdfTVpaGgsXLmTDhg106dKFgQMHcvz4cW6++WYefvhh2rdvT2pqKqmpqdx8880XXA9gwYIFXH/99Vx99dUkJiaydOlSunXrBsDcuXNp2rQpU6ZMcWwXYMOGDdx0003ccsstbN26lWeffZann3661KnRV155hQ4dOrBhwwaefvrpMr9rdnY248ePZ926dSxduhQPDw/+9re/lToF/uSTTzJhwgQ2bdpE69atufXWWx09pL/++iujRo3in//8J5s2baJ///5MnTr1vPu4Z8+eeHt7O8JeUlISubm5jBo1iqysLHbu3AnA8uXL8fHxcZwCLsvs2bMJDAzk119/5eWXX2bKlCmOkGez2bj++uvx9PRkzZo1vP/++zz22GMl1s/JyWHw4MHUrVuXdevW8fXXX/PTTz9x//33A9ChQwfq1atHQkICACtWrKBevXqsWLHCsY34+Hj69u173u8s52DIRcvMzDQAIzMz0+xSRMQN5ebmGklJSUZubq59xunThmGPYjU/nT5d7rpHjBhhXHfddWUuu/nmm422bdsahmEYS5cuNUJCQoy8vLwSbVq0aGH8+9//NgzDMCZNmmR06tSpxPLyrBcXF2fcfvvt56yxefPmxhtvvFFi3m233WZceeWVJeY98sgjRrt27UqsN2zYsHNu91zS09MNwNi6dathGIaRkpJiAMaHH37oaLNt2zYDMJKTkw3DMIxbb73VGDx4cInt3HzzzUZoaOh5P+vyyy837rnnHsMwDOPdd981hg4dahiGYQwePNj44IMPDMMwjDvvvNPo3bu3Y52z/zfr27ev0atXrxLbveyyy4zHHnvMMAzD+OGHHwxPT0/jwIEDjuWLFi0yAGPevHmGYRjGBx98YNStW9c4fcaxs2DBAsPDw8NIS0szDMMwrr/+euP+++83DMMwHnroIePhhx826tevb2zbts0oKCgwgoKCjEWLFpX5PUv9+ziDfr8NQz2ATmLfPvtpYJ0CFhF3ZhiG45Trhg0bOH36NPXq1SMoKMgxpaSklDhderbyrLdp0yYGDhxYodqSk5Pp2bNniXk9e/Zk586dFBUVOeYV9ySez+7du7ntttuIiYkhJCSE6OhoAPbv31+iXceOHR2vIyIiAEhPT3fUc/bpz/KcDu3fv7+jBzA+Pp5+/foB0Ldv3xLzBwwYcN7tnFlbcX1n1tasWTOaNm16ztqSk5Pp1KkTgYGBjnk9e/bEZrOxfft2wH6qubimhIQE+vfvT58+fUhISGDdunXk5uaW+t9EysfL7ALE7tgxePlliIiAyZPNrkZEaqWAAPjj+ilTPrsKJCcnO8KQzWYjIiKixLVpxc53Q0J51vP3969wbWeG0zPnne3MQHMu1157LZGRkfznP/+hcePG2Gw2OnToUOqmEW9vb8fr4s8uPk1c1meXR//+/Xn++ec5dOgQCQkJTJgwAbAHwLfffpv9+/eTkpLiuP7vXM6srbi+89VW1r47e97Zbfv168eDDz7Irl27+O233+jduze7d+8mISGBkydP0rVrV4KDg8v3xaUEBUAnceZdwIYB5/g3ISJybhYLlCN8OKtly5axdetWxo0bB0CXLl1IS0vDy8uLqKioMtfx8fEp0ftW3vU6duzI0qVLufPOO8u93Xbt2rFy5coS81atWkXr1q3x9PQsxze0O3bsGMnJyfz73/+md+/eAKW2Wx7t2rVjzZo1Jead/b4sl19+Ob6+vrz33nvk5ubStWtXwN5zmZmZyb///W/8/Pzo0aNHhWs6s7b9+/dz+PBhGjduDFDqBpZ27doxe/ZssrOzHaH5l19+wcPDg9atWwN/Xgc4depUOnXqREhICH379mXatGmcOHFC1/9Vgk4BO4niAJifb7+eWkTElVmtVtLS0jh06BAbN27khRde4LrrruOaa65h+PDhAFxxxRXExcUxbNgwfvjhB/bu3cuqVat46qmnWL9+PWC/6zYlJYVNmzaRkZGB1Wot13qTJk3iiy++YNKkSSQnJ7N161ZefvllR31RUVGsWLGCQ4cOOe5Cffjhh1m6dCnPPfccO3bsYPbs2bzzzjuOHrTyqlu3LvXq1eODDz5g165dLFu2jPHjx1d4H44dO5bFixfz8ssvs2PHDt555x0WL158wfX8/f3p3r07b7/9Nj179nSEV29vb+Li4nj77bcdIfFiXXHFFbRp04bhw4ezefNmfv75Z5588skSbW6//Xb8/PwYMWIEv/32G8uXL+eBBx7gjjvuoFGjRoC9J7BPnz58+umnjlPVHTt2JD8/n6VLlzrmScUpADqJwEDw8bG/1liAIuLqFi9eTEREBFFRUQwePJjly5fz1ltv8d133zkCicViYeHChfTp04dRo0bRunVrbrnlFvbu3esICDfccAODBw+mf//+NGjQgC+++KJc6/Xr14+vv/6a+fPn07lzZwYMGMCvv/7qqG/KlCns3buXFi1a0KBBA8Des/jf//6XL7/8kg4dOvDMM88wZcoURo4cWaHv7uHhwZdffsmGDRvo0KED48aN45VXXqnwPuzRowcffvghb7/9Np07d+bHH3/kqaeeKte6/fv359SpU6UCVN++fTl16tQFT/9eiIeHB/PmzcNqtfKXv/yFu+66i+eff75Em4CAAH744QeOHz/OZZddxv/93/8xcOBA3nnnnVK1FhUVOWq1WCyOntNevXpVqk53ZjEu9iICISsri9DQUDIzMwkJCan09ho3htRU2LABunSpggJFxKXl5eWRkpJCdHQ0fn5+Zpcj4lTO9++jqn+/ayP1ADoRPQ1EREREaoICoBMpDoB/jFMqIiIiUi10F7ATmTkTPD3hj0tURERERKqFAqATiYkxuwIRERFxBzoFLCIiIuJmFACdyNq18Oij8OGHZlciIrWJBnMQKU3/Ls5PAdCJ/PYbvPIKzJ1rdiUiUhsUj5d39uPDRARycnKA0o+sEztdA+hENAyMiFSEl5cXAQEBHD16FG9vbzw89N/0IoZhkJOTQ3p6OnXq1KnQY/rciQKgE1EAFJGKsFgsREREkJKSwr59+8wuR8Sp1KlTh/DwcLPLcFoKgE5EAVBEKsrHx4dWrVrpNLDIGby9vdXzdwEKgE6kOACePAlFRfYxAUVELsTDw0OPghORCtEFI04kLOzP1ydOmFeHiIiIuDaXCIDTpk3jsssuIzg4mIYNGzJs2DC2b99+3nXi4+OxWCylpt9//72Gqi7NywuKn0mt08AiIiJSXVziFHBCQgL33Xcfl112GYWFhTz55JMMGjSIpKQkAgMDz7vu9u3bCSlOXUCDBg2qu9zz+uUXCA6GJk1MLUNERERcmEsEwMWLF5d4/9FHH9GwYUM2bNhAnz59zrtuw4YNqVOnTjVWVzEdOphdgYiIiLg6lzgFfLbMzEwAws68qO4cYmNjiYiIYODAgSxfvvy8ba1WK1lZWSUmERERkdrG5QKgYRiMHz+eXr160eE83WkRERF88MEHzJkzh7lz59KmTRsGDhzIihUrzrnOtGnTCA0NdUyRkZFVXv/339sfB/fjj1W+aREREREALIaLPSzvvvvuY8GCBaxcuZKmTZtWaN1rr70Wi8XC/Pnzy1xutVqxWq2O91lZWURGRpKZmVniOsLKGDsW3n4bJk6EF16okk2KiIjIGbKysggNDa3S3+/axqV6AB944AHmz5/P8uXLKxz+AHr06MHOnTvPudzX15eQkJASU1XTYNAiIiJS3VziJhDDMHjggQeYN28e8fHxREdHX9R2EhMTiYiIqOLqKkYBUERERKqbSwTA++67j88//5zvvvuO4OBg0tLSAAgNDcXf3x+AiRMncujQIT7++GMA3nzzTaKiomjfvj35+fl8+umnzJkzhzlz5pj2PeDPAHj8uKlliIiIiAtziQA4ffp0APr161di/kcffcTIkSMBSE1NZf/+/Y5l+fn5TJgwgUOHDuHv70/79u1ZsGABQ4cOramyy1R847J6AEVERKS6uNxNIDWpOi4iXb8eLrvMPhD0wYNVskkRERE5g24CcbGbQFyBrgEUERGR6uYSp4BdSdOmsHGjPQgaBlgsZlckIiIirkYB0Ml4e0NsrNlViIiIiCvTKWARERERN6MA6IRmzoRHHoGkJLMrEREREVekU8BOaNYs+Pln+93A7dqZXY2IiIi4GvUAOiENBi0iIiLVSQHQCWkoGBEREalOCoBOSE8DERERkeqkAOiE1AMoIiIi1UkB0AkpAIqIiEh1UgB0QgqAIiIiUp00DIwT6tfP/ji4Ro3MrkRERERckQKgE6pb1z6JiIiIVAedAhYRERFxMwqATsgwYNo0++PgTp0yuxoRERFxNToF7IQsFnjhBTh9Gv7xDwgONrsiERERcSXqAXRSGgxaREREqosCoJPSUDAiIiJSXRQAnZQCoIiIiFQXBUAnpQAoIiIi1UUB0EkpAIqIiEh1UQB0UgqAIiIiUl00DIyTuvtuuP56aNLE7EpERETE1SgAOqnISPskIiIiUtV0ClhERETEzagH0EkdPQoffghFRfDUU2ZXIyIiIq5EPYBOKjMTnngCXnzR7EpERETE1SgAOqniu4Czs8FqNbcWERERcS0KgE4qNBQ8/vhfR0PBiIiISFVSAHRSHh4QFmZ/rQAoIiIiVUkB0IlpMGgRERGpDgqATqw4AB4/bm4dIiIi4loUAJ2YegBFRESkOigAOrGXXoLERLjpJrMrEREREVeigaCdWNu2ZlcgIiIirkg9gCIiIiJuRj2ATiw5GebNg4gIuPNOs6sRERERV6EeQCe2bRs8+STMmGF2JSIiIuJKFACdWP369r9Hj5pbh4iIiLgWBUAnFh1t/5uSAkVF5tYiIiIirkMB0IlFRoKvLxQUwL59ZlcjIiIirkIB0Il5eECrVvbXO3aYW4uIiIi4DpcIgNOmTeOyyy4jODiYhg0bMmzYMLZv337B9RISEujatSt+fn7ExMTw/vvv10C1FaMAKCIiIlXNJQJgQkIC9913H2vWrGHJkiUUFhYyaNAgsrOzz7lOSkoKQ4cOpXfv3iQmJvLEE08wduxY5syZU4OVX1jr1va/O3eaW4eIiIi4DothGIbZRVS1o0eP0rBhQxISEujTp0+ZbR577DHmz59PcnKyY96YMWPYvHkzq1evLtfnZGVlERoaSmZmJiEhIVVS+9n27oVTp6BFCwgIqJaPEBERcSs18fvt7Gp8IOi33nqrwuvceeedBAcHl7t9ZmYmAGFhYedss3r1agYNGlRi3lVXXcWMGTMoKCjA29u71DpWqxWr1ep4n5WVVe6aLlZUVLV/hIiIiLiZGg+ADz30EE2bNsXT07Nc7Q8cOMA111xT7gBoGAbjx4+nV69edOjQ4Zzt0tLSaNSoUYl5jRo1orCwkIyMDCIiIkqtM23aNCZPnlyuOkRERESclSmPglu/fj0NGzYsV9uK9PwB3H///WzZsoWVK1desK3FYinxvvhs+Nnzi02cOJHx48c73mdlZREZGVmh+i7Ge+/Bpk3w+OMQE1PtHyciIiIursYD4KRJkwgKCip3+yeeeOK8p3LP9MADDzB//nxWrFhB06ZNz9s2PDyctLS0EvPS09Px8vKiXr16Za7j6+uLr69v+QqvQh99BOvXw9ChCoAiIiJSeTV+F/CkSZMIqMDdDBMnTqROnTrnbWMYBvfffz9z585l2bJlRBc/QuM84uLiWLJkSYl5P/74I926dSvz+j8zaSgYERERqUouMQzMfffdx6effsrnn39OcHAwaWlppKWlkZub62gzceJEhg8f7ng/ZswY9u3bx/jx40lOTmbmzJnMmDGDCRMmmPEVzktDwYiIiEhVcsoA+MQTTzBq1Khyt58+fTqZmZn069ePiIgIx/TVV1852qSmprJ//37H++joaBYuXEh8fDydO3fmueee46233uKGG26o0u9SFYoDoHoARUREpCqYchPIhRw6dIgDBw6Uu315hjKcNWtWqXl9+/Zl48aNFSnNFDoFLCIiIlXJKQPg7NmzzS7BqRQHwLQ0yMoCNx2zUkRERKqIU54ClpLq1IHiUXNSUkwtRURERFyAqT2AU6ZMOe/yZ555poYqcX4//wwREVDBYRFFRERESjH1WcCxsbEl3hcUFJCSkoKXlxctWrRw+uvz9CxBERGR2ke/3yb3ACYmJpaal5WVxciRI/nb3/5mQkUiIiIirs/prgEMCQlhypQpPP3002aX4lR27YJ//hPuv9/sSkRERKS2c7oACHDy5EkyMzPNLsOp5OXB9Onw2Wdg3kl7ERERcQWmngJ+6623Srw3DIPU1FQ++eQTBg8ebFJVzqlFC7BY4ORJOHYM6tc3uyIRERGprUwNgG+88UaJ9x4eHjRo0IARI0YwceJEk6pyTv7+EBkJ+/fbB4RWABQREZGLZWoATNGgdhXSuvWfAfDyy82uRkRERGorp7wGUMqmZwKLiIhIVXDKAPjee+9dcJBod1QcAHfuNLcOERERqd2cMgDOmTOHWbNmmV2G0yl+JvDRo+bWISIiIrWbqdcAnsvSpUvNLsEpDRhgvws4NNTsSkRERKQ2c8oAKGXz87NPIiIiIpXhFAEwKSmJ/fv3k5+fX2L+X//6V5MqEhEREXFdpgbAPXv28Le//Y2tW7disVgw/njEhcViAaCoqMjM8pzSBx/AnDkwciTceqvZ1YiIiEhtZOpNIA8++CDR0dEcOXKEgIAAtm3bxooVK+jWrRvx8fFmlua0tm+HH3+EdevMrkRERERqK1N7AFevXs2yZcto0KABHh4eeHh40KtXL6ZNm8bYsWNJTEw0szynpLEARUREpLJM7QEsKioiKCgIgPr163P48GEAmjdvzvbt280szWkVDwWjACgiIiIXy9QewA4dOrBlyxZiYmLo3r07L7/8Mj4+PnzwwQfExMSYWZrTKu4BTEmBggLw9ja3HhEREal9TO0BfOqpp7DZbABMnTqVffv20bt3bxYuXMhbb71lZmlOq3FjCAiAwkLYu9fsakRERKQ2MrUH8KqrrnK8jomJISkpiePHj1O3bl3HncBSkoeH/TTw5s32R8IVnxIWERERKS+nexRcWFiYwt8FtGoF9epBZqbZlYiIiEhtVOMB8PrrrycrK6vc7W+//XbS09OrsaLa59NPISND4wCKiIjIxbEYxaMv1xBPT0927NhBgwYNLtjWMAwiIyPZtGmTU94UkpWVRWhoKJmZmYSEhJhdjoiIiJSDfr9NuAbQMAxaF9/KKiIiIiI1rsYD4PLlyyu8TpMmTaqhktorLw9uuMF+E8imTfa7gkVERETKq8YDYN++fWv6I12Ory+sXg0nTsDu3XDppWZXJCIiIrWJ090FLBdmseiJICIiInLxFABrqeLLKHfuNLcOERERqX0UAGup4gCoHkARERGpKAXAWkoBUERERC6WqQHw2WefZd++fWaWUGsVXwOoU8AiIiJSUaYGwP/973+0aNGCgQMH8vnnn5OXl2dmObVKq1YQGgrNm9uHhREREREpL1MD4IYNG9i4cSMdO3Zk3LhxREREcO+997Ju3Tozy6oVgoPtw8CsXQt+fmZXIyIiIrWJ6dcAduzYkTfeeINDhw4xc+ZMDh06RM+ePbn00kv517/+RWZmptklOi2LxewKREREpDYyPQAWs9ls5OfnY7VaMQyDsLAwpk+fTmRkJF999ZXZ5YmIiIi4DNMD4IYNG7j//vuJiIhg3LhxxMbGkpycTEJCAr///juTJk1i7NixZpfplObOhUsugREjzK5EREREapMafxTcmTp27EhycjKDBg1ixowZXHvttXh6epZoM3z4cB555BGTKnRuHh6wfTsEBZldiYiIiNQmpgbAG2+8kVGjRtGkSZNztmnQoAE2m60Gq6o9zhwL0DB0TaCIiIiUj6mngA3DoG7duqXm5+bmMmXKFBMqql1atLD3Ap46BYcPm12NiIiI1BamBsDJkydz+vTpUvNzcnKYPHmyCRXVLr6+0LGj/fXKlebWIiIiIrWH6T2AljLOW27evJmwsLAKbWvFihVce+21NG7cGIvFwrfffnve9vHx8VgsllLT77//XqHPNVvfvva/CQnm1iEiIiK1hynXANatW9cRuFq3bl0iBBYVFXH69GnGjBlToW1mZ2fTqVMn7rzzTm644YZyr7d9+3ZCQkIc7xs0aFChzzVb377wr38pAIqIiEj5mRIA33zzTQzDYNSoUUyePJnQ0FDHMh8fH6KiooiLi6vQNocMGcKQIUMqXEvDhg2pU6dOhddzFr17Q9u20KcPFBXBWTdRi4iIiJRiSgAc8cfAddHR0Vx++eV4e3ubUQYAsbGx5OXl0a5dO5566in69+9/zrZWqxWr1ep4n5WVVRMlnlf9+pCUZHYVIiIiUpvU+DWAZ4am2NhYcnNzycrKKnOqThEREXzwwQfMmTOHuXPn0qZNGwYOHMiKFSvOuc60adMIDQ11TJGRkdVao4iIiEh1sBiGYdTkB3p6epKamkrDhg3x8PAo8yaQ4ptDioqKLuozLBYL8+bNY9iwYRVa79prr8VisTB//vwyl5fVAxgZGUlmZmaJ6wjNUFAA27ZB586mliEiIuL0srKyCA0NdYrfb7PU+CngZcuWOe7wXb58eU1//Hn16NGDTz/99JzLfX198fX1rcGKyiczExo3htxcyMiACt5ALSIiIm6mxgNg3+JxS8567QwSExOJiIgwu4wKCw2FyEj7Y+FWroS//tXsikRERMSZmToO4OLFi1l5xgjG7777Lp07d+a2227jxIkTFdrW6dOn2bRpE5s2bQIgJSWFTZs2sX//fgAmTpzI8OHDHe3ffPNNvv32W3bu3Mm2bduYOHEic+bM4f7776/8FzOBxgMUERGR8jI1AD7yyCOOmz22bt3K+PHjGTp0KHv27GH8+PEV2tb69euJjY0lNjYWgPHjxxMbG8szzzwDQGpqqiMMAuTn5zNhwgQ6duxI7969WblyJQsWLOD666+vom9XsxQARUREpLxq/CaQMwUFBfHbb78RFRXFs88+y2+//cY333zDxo0bGTp0KGlpaWaVVi7OdBHpoUPQtKn92cDHj9tPC4uIiEhpzvT7bRZTewB9fHzIyckB4KeffmLQoEEAhIWFOcUYe7VJkybQogXYbLBqldnViIiIiDMzNQD26tWL8ePH89xzz7F27VquvvpqAHbs2EHTpk3NLK1W6tPH/lengUVEROR8TA2A77zzDl5eXnzzzTdMnz6dJk2aALBo0SIGDx5sZmm10m23wQsvwK23ml2JiIiIODNTrwGs7XQNgYiISO2j32+TngV8JpvNxq5du0hPT8dms5VY1qf4nKaIiIiIVBlTA+CaNWu47bbb2LdvH2d3RFbmUXDu7OhRWLoUAgI0ILSIiIiUzdQAOGbMGLp168aCBQuIiIgo87nAUjHz58Ndd0GvXgqAIiIiUjZTA+DOnTv55ptvaNmypZlluJTiAaHXrrU/G9jf39x6RERExPmYehdw9+7d2bVrl5kluJwWLaBxY8jPhzVrzK5GREREnJGpPYAPPPAADz/8MGlpaVx66aV4e3uXWN6xY0eTKqu9LBZ7L+AXX9jHA+zf3+yKRERExNmYGgBvuOEGAEaNGuWYZ7FYMAxDN4FUwpkBUERERORspgbAlJQUMz/eZRVfB7hmDVit4Otrbj0iIiLiXEwNgM2bNzfz411WmzbQsCGkp0NiIvToYXZFIiIi4kxMvQkE4JNPPqFnz540btyYffv2AfDmm2/y3XffmVxZ7WWxwDffwIEDCn8iIiJSmqkBcPr06YwfP56hQ4dy8uRJxzV/derU4c033zSztFqvd29o2tTsKkRERMQZmRoA3377bf7zn//w5JNP4unp6ZjfrVs3tm7damJlIiIiIq7L1ACYkpJCbGxsqfm+vr5kZ2ebUJFrmT4dhg6F9evNrkRERESciakBMDo6mk2bNpWav2jRItq1a1fzBbmYH36ARYvszwYWERERKWZqAHzkkUe47777+OqrrzAMg7Vr1/L888/zxBNP8Mgjj5hZmksoHg5G4wGKiIjImUwdBubOO++ksLCQRx99lJycHG677TaaNGnCv/71L2655RYzS3MJxQFw5UooLAQvU//XFhEREWdhMQzDMLsIgIyMDGw2Gw0bNjS7lHLLysoiNDSUzMxMQkJCzC6nlKIiqFcPMjNh3Tro1s3sikRERMzn7L/fNcHUU8ADBgzg5MmTANSvX98R/rKyshgwYICJlbkGT0/o08f+ev58c2sRERER52FqAIyPjyc/P7/U/Ly8PH7++WcTKnI9xWfSP/kEbDZzaxERERHnYMpVYVu2bHG8TkpKIi0tzfG+qKiIxYsX06RJEzNKcznDhkFYGHTqZD8VXLeu2RWJiIiI2UwJgJ07d8ZisWCxWMo81evv78/bb79tQmWuJyAADh4Ef3+zKxERERFnYUoATElJwTAMYmJiWLt2LQ0aNHAs8/HxoWHDhiWeDCKVo/AnIiIiZzIlADZv3hwAmy5Kq1F79kB2Nlx6qdmViIiIiJlMHxlux44dxMfHk56eXioQPvPMMyZV5Xo++AD+8Q8YPNj+dBARERFxX6YGwP/85z/ce++91K9fn/DwcCwWi2OZxWJRAKxC/fvb//74I6SmQkSEufWIiIiIeUwNgFOnTuX555/nscceM7MMt9CqFcTFwerV8Pnn8PDDZlckIiIiZjF1HMATJ05w4403mlmCWxkxwv539mxwjue/iIiIiBlMDYA33ngjP/74o5kluJWbbgIfH9i6FTZvNrsaERERMYupp4BbtmzJ008/zZo1a7j00kvx9vYusXzs2LEmVeaa6taFv/4VvvkGPv4YOnc2uyIRERExg8UwzDsZGB0dfc5lFouFPXv21GA1FVcbHyb9v//ZQ2DLlrBjB5xx342IiIhbqI2/31XN1B7AlJQUMz/eLQ0eDF98YQ+BCn8iIiLuyfRxAKVmeXvDLbeYXYWIiIiYqcYD4Pjx43nuuecIDAxk/Pjx5237+uuv11BV7skwwGYDPXVPRETEvdR4AExMTKSgoMDx+lwsOj9ZrWbPhpdegocegnvuMbsaERERqUk1HgCXL19e5mupWenpkJxsvxtYAVBERMS9mDoOoJjn9tvBwwN++QV27za7GhEREalJCoBuqnFjuPJK++uPPza3FhEREalZCoBubPhw+9+PP7bfDCIiIiLuwWUC4IoVK7j22mtp3LgxFouFb7/99oLrJCQk0LVrV/z8/IiJieH999+v/kKdyLBhEBwMe/faTwWLiIiIe3CZAJidnU2nTp145513ytU+JSWFoUOH0rt3bxITE3niiScYO3Ysc+bMqeZKnUdAANx4o/31v/9tbi0iIiJSc1xmIOghQ4YwZMiQcrd///33adasGW+++SYAbdu2Zf369bz66qvccMMN1VSl8/nnPyEtDS4wJKOIiIi4EJfpAayo1atXM2jQoBLzrrrqKtavX+8Yp9AddO0KCxZAly5mVyIiIiI1xWV6ACsqLS2NRo0alZjXqFEjCgsLycjIICIiotQ6VqsVq9XqeJ+VlVXtddY0w9AzgkVERFyd2/YAQumnjRiGUeb8YtOmTSM0NNQxRUZGVnuNNeXIEbj//j+vCRQRERHX5bYBMDw8nLS0tBLz0tPT8fLyol69emWuM3HiRDIzMx3TgQMHaqLUGnHyJEyfDnPmwK+/ml2NiIiIVCe3DYBxcXEsWbKkxLwff/yRbt264e3tXeY6vr6+hISElJhcRZs2f44L+PTT5tYiIiIi1ctlAuDp06fZtGkTmzZtAuzDvGzatIn9+/cD9t674cUJBxgzZgz79u1j/PjxJCcnM3PmTGbMmMGECRPMKN8pPPMMeHnBkiWwYoXZ1YiIiEh1cZkAuH79emJjY4mNjQVg/PjxxMbG8swzzwCQmprqCIMA0dHRLFy4kPj4eDp37sxzzz3HW2+95VZDwJwtOhruusv++qmn7DeEiIiIiOuxGIZ+5i9WVlYWoaGhZGZmuszp4IMHoWVLsFrhxx//fF6wiIiIq3DF3++KcpkeQKkaTZvCvffaX0+bZm4tIiIiUj3cdhxAObfHH7dfC/jII2ZXIiIiItVBAVBKadQIXnnF7CpERESkuugUsFzQiRNmVyAiIiJVSQFQzmnvXvtNIJdfDkVFZlcjIiIiVUUBUM4pLAw2boTff4fPPze7GhEREakqCoByTiEh8Nhj9tdPPQVZWebWIyIiIlVDAVDO6777ICoK9u+H8ePNrkZERESqggKgnFdgIMyeDRYLzJgB//uf2RWJiIhIZSkAygX16QMPP2x/fdddcPSoufWIiIhI5SgASrk89xy0bw8NGsDx42ZXIyIiIpWhgaClXPz84PvvITzc/lpERERqLwVAKbeoqJLvbTbwUB+yiIhIraOfb6mwwkJ4/nm4+mp7CBQREZHaRQFQKmz/fnsAXLwY3n3X7GpERESkohQApcJiYuCVV+yvH33U/qQQERERqT0UAOWi3Huv/TnBeXkwfLj9tLCIiIjUDgqAclE8PGDmTAgNhXXrYNo0sysSERGR8lIAlIvWtOmf1wBOmQI//WRuPSIiIlI+CoBSKbfdBrffbu8RPHnS7GpERESkPBQApVKKnxG8ahX83/+ZXY2IiIiUhwKgVJqvL3Tt+uf7gwfhxAnz6hEREZHzUwCUKvXbbxAXB3/7G1itZlcjIiIiZVEAlCpls0FmJiQkwIgRelKIiIiIM1IAlCrVsSPMmwdeXvDVV/DYY2ZXJCIiImdTAJQqN3AgfPSR/fWrr8Jbb5lbj4iIiJSkACjV4u9//3Nw6IcegrlzTS1HREREzqAAKNXmscfsj4wzDHjpJV0PKCIi4iy8zC5AXJfFAm+/DeHh8OCD9sGiRURExHz6SZZq5ekJzzxjf2ZwsdWrzatHREREFAClhr3zDlx+OUycaD81LCIiIjVPAVBq1OnT9r8vvgijR0Nhobn1iIiIuCMFQKlRjz8OH35ovx7wo4/sTwzJyTG7KhEREfeiACg1bvRo+2DRfn7w/fdwxRVw7JjZVYmIiLgPBUAxxV//Cj/9BHXr2m8K6dMH8vLMrkpERMQ9KACKaXr2hJ9/hqZN4c477T2CIiIiUv00DqCYqn172LoV6tT5c96BA9CoEfj4mFaWiIiIS1MPoJjuzPCXnQ2DBkGvXrBnj2kliYiIuDQFQHEqyclw5AisWwexsfD112ZXJCIi4noUAMWpdOsGmzbZB4vOyoKbbrI/Tzg31+zKREREXIcCoDidZs0gPt7+tBCA99+HHj3g999NLUtERMRlKACKU/L2hhdegB9+gIYNYcsW+zOFRUREpPIUAMWpDRpkPyX8t7/Bq6/+OV+PkBMREbl4LhUA33vvPaKjo/Hz86Nr1678/PPP52wbHx+PxWIpNf2u84xOJyIC5s61nxouNmoU3HGH/YYRERERqRiXCYBfffUVDz30EE8++SSJiYn07t2bIUOGsH///vOut337dlJTUx1Tq1ataqhiuVi7dsFnn8Gnn8Ill9ivEbTZzK5KRESk9nCZAPj6668zevRo7rrrLtq2bcubb75JZGQk06dPP+96DRs2JDw83DF5enrWUMVysVq2hDVroEsXOHnSfpfw5ZfbTxWLiIjIhblEAMzPz2fDhg0MGjSoxPxBgwaxatWq864bGxtLREQEAwcOZPny5dVZpss6vvMY+5btJnPfSQybUSOfedllsHYtvPUWBAfDr7/aA+Hw4ZCRUSMliIiI1Fou8Si4jIwMioqKaNSoUYn5jRo1Ii0trcx1IiIi+OCDD+jatStWq5VPPvmEgQMHEh8fT58+fcpcx2q1YrVaHe+zsrKq7ks4OcNmcGRTKoeXJnPq1yQsyUmEHEqmSVYSDYyjhP3RrhBPTljqkeVdj9N+9ckNrEd+SH1s9Rvhd3kXom7pQXiXxlVSk6cnPPAA3HADjB8PX30FS5dCYGCVbF5ERMRluUQALGaxWEq8Nwyj1Lxibdq0oU2bNo73cXFxHDhwgFdfffWcAXDatGlMnjy56gquBZJmryN7wjO0zlhNOJmEn6NdNgEEkoMXRTQw0mmQnw75QBaQCmwHfgFegUOekewP7441tgdhQ7rT6pau+If5X3SNjRvDl1/ChAn2m0L8/9hUUZH9zuHRo6F+/YvevIiIiMtxiQBYv359PD09S/X2paenl+oVPJ8ePXrw6aefnnP5xIkTGT9+vON9VlYWkZGRFS+4FjiyKZWd/zeRXrtnO+YV4skB7xYcqd+OvKi2eHdqR1ivdjS7sg2BDQOxZlk5sesYWXsyyN5/jLyDGRSkHcOWnoHHof002ruWlnlbaVJ0gCaHDsChb+B7KLjPi6SATqS37UvgX6+g7T29CQoPqnDN3bqVfP/ll/D44/D88/YewvHjISSksntGRESk9rMYhlEzF21Vs+7du9O1a1fee+89x7x27dpx3XXXMW3atHJt4//+7/84fvw4y5YtK1f7rKwsQkNDyczMJMRFkkXeyTzW3PQ63Za8QBDZAKyMuYMG0x4mavAl+Ib4Vmr7p9NOs+vL9ZxcvAa/Lb8SfWQNjWwlg3s+3iSFxnGy6xXUu/kK2g6/DC+/iv+3Sny8PfQlJtrf16sH998P//ynfXBpERFxT674+11RLhMAv/rqK+644w7ef/994uLi+OCDD/jPf/7Dtm3baN68ORMnTuTQoUN8/PHHALz55ptERUXRvn178vPz+fTTT3nxxReZM2cO119/fbk+05UOIMNmsOaROTR96xEiC/cCsDWoB5Y336TD6O7V+rmHVu9n/5erKFyyjJhdS2hatK9Em0xC+D28H3m9B9Fi7NU07RVV7u3bbDBnDjz9NGzfbp/n62u/WeSdd8DHpwq/jIiI1Aqu9Pt9sVziFDDAzTffzLFjx5gyZQqpqal06NCBhQsX0rx5cwBSU1NLjAmYn5/PhAkTOHToEP7+/rRv354FCxYwdOhQs76CabZ/tYncfzxEXGYCAKkeTdjzj5eIe+tWPLyq90Zxi4eFpj2b07Rnc+BWDJvBvvg97JvxE94JP9Hm8DLCjON0T5sPX8+Hr+9np297DnW+hrp/v5r2d8Wdt3fQwwNuvNH+JJE5c+C112DdOkhOVvgTERH35TI9gGZwhf+C+OXeT+nx/gg8sZGLH7/2foTLvnmMwIbOcSutrdDG9q82ceTTJdRZvZAOmb/gRZFj+QlLXZKaDYahV9N23GDCWtU77/YMA375xX4HcVycfV5GBlx7rX08wZtvtvcQioiI63KF3+/KUgCshNp+AP324Rpa3d0XX/JZE/E3mn79xh89cc7rZMoJkt74Adv3C2i3dyFhxnHHsiI82BYcx/EeQ4m462pa/19HLB5l3wV+puefh6eesr+uX9/+iLnRo6F9++r6FiIiYqba/vtdFRQAK6E2H0Cp6w/h0b0bjWxp/Bp+HZcdmFvtp3urWlF+EUkf/cqx2d/TOPF7WudtLbE81aMJO1sPxXfYUNo/eMU57yw+fhw++ADefhsOH/5zfo8e9iB4220QEFCd30RERGpSbf79rioKgJVQWw+g3OO57GnWl/bZ69jp257wPasJbhxsdlmVdvjXA+x6ayG+SxfQ4chSAslxLLPiw29hfTjVawhNRw+mxTVtS/UOFhbC4sUwYwZ8/739va+vPRSGhZ39aSIiUlvV1t/vqqQAWAm18QAybAarWtxBz72fcdwSxull62jWL8bssqpc3sk8fns3gez/LiAqaQHNC/eUWH7Ysym7Wg7G+9rBtLt/IKHN65RYnpYGH38MJ07AmaMI3X47xMTYrxXs0KEGvoiIiFS52vj7XdUUACuhNh5A8UNfpt+ixyjEk62vLSF2fH+zS6p2hs0g5Ycd7P/3QoJW/kCHY/H48ecj/QrxJCm4B8f/MpgGtw/iktu74unjWWo727aVDH3t2tmD4M03wxkPlRERESdXG3+/q5oCYCXUtgNo3bML6Dr5WjwwSLj5Xfp++U+zSzJFTkYOSe+vIHvOYpom/UCL/N9LLD9pqcPv4f2x9rmCZndeQdSVrbB4WDh9Gr77zv7M4cWLoaDgz3U6dYLJk+G662r4y4iISIXVtt/v6qAAWAm16QDa/X0yDa7tTginWNH2H/T+bXq57pB1BwdX7mXP9B/wWf4DbVOXEUpmieWHPZuyO/oKPK68gpb3DKBR5whOnoRvv4X//heWLLFfLzh3rn28QYC9e+HQIfuNJJ6lOxNFRMREten3u7ooAFZCbTmATqac4GSbvxBVsIvNIb1pe+gnfII0CnJZCvMK2f7FRo5+8ROh636i3clf8CW/RJsU79YcaNEXzwH9iLmzLz7RTZg3D/7+d/Dzs7d55hl47jn74+eGDrWPMzhoEISGmvClRESkhNry+12dFAAroTYcQIV5hWxuMpSux5dw0LM5flvXUb9tA7PLqjVyMnJI/s9KTn27lEZbl9AmdxMelPwns9e7JQei+2Lp35foEX1pEteMZ56xP2ruxIk/23l5Qd++cNVV9mcS+/vX8JcRERGgdvx+VzcFwEqoDQdQfM8n6bfqBbIJ4OBXq2hzUyezS6rVTqacYMfMleQsiqdhcgJtchLxxFaizSHPSPY1vhxrt56caNeT1dkd+d8iL8eziMPC4OhR+2PqAFasgGbNICqqZr+LiIi7qg2/39VNAbASnP0A2rdsNxED2+JDAase+orL37jJ7JJcTub+THbMXEn2wgQaJMXTJntjiUfVAZwmkB11e3CkxeXsbNiT7PZ/YeLLdQH7o+maNYODB6FFC7jiCujXD3r3hiZNTPhCIiJuwNl/v2uCAmAlOPsBtLrp/xF3aA7r611Ft4zFZpfjFk6nnWbnZ2vJXPgLgVtW0TpjdambSsB+HeGhyO7kXvoXZiV1Z97ujuTaSj6EODoaRo60X08oIiJVx9l/v2uCl9kFSPXY8t5K4g7NoQgPQv/zqtnluI2g8CBiHx4ADw8AwFZoY8d320ib8wsev64icv8qmhfuJrpgB9F7dsCeT7gS+5NKfvfrTFJQd9YZ3VhyrAvJKZdw/Pif/0RzcmDECIiLg+7doUsXXUcoIiIXRz2AleCs/wVhK7SRVCeODtlrWXHJ3fRJ/sDskuQMx7ZnsOerdWQvX0vgtl+JyVhLPeNYqXY5+LMzoBMnY7rg0bUL6U27cOvz7SnAfge3lxd07GgPg927w4ABEBlZ099GRKT2cdbf75qkAFgJznoA/XLf5/R873ZOEUTu5p007BhudklyHobN4MCKFA7OXUvByl8J3bORmMxEQjhVqq0VH373aM9mSycSizqyBfuUQQPeegseeMDe7sABWL0aYmPt1xYW33AiIiLO+/tdkxQAK8EZD6Dc47kca3gJTYv2E3/FVPotedLskuQi2Apt7Fu6i9QFG8lfs5GQXRuIObmROsbJMtsfJoL9oR3Ja90Rry6XsrWoPeM/bEse/gQHQ+fO9lPGsbH2v5dcAt7eNfqVRESchjP+ftc0BcBKcMYDKH7wi/T7YSKHPZtSJ207AfUDzC5JqkhxT+HhRZvJW7sFvx1bCD+6haiCXWW2t2FhDzFsoz3baE8S7dhGe37nEv63xJ8rrrC3S0qyP7nk0kuhaVOw6AExIuLinPH3u6YpAFaCsx1AR7el49uhJSGcYuU/PqbX+3eYXZLUgNNpp9n7/W8cj9+CsWULdfZtIfLUNsKM42W2t2HhoGcUR8IuIadpGzZbL2FuUht+5xLyQhpxaUcL7dtDu3bQti307AkB+u8IEXEhzvb7bQYFwEpwtgNoRft76ZP0PkkBXbkkcy0eXrrwy10ZNoOMpHQO/rCNrDVJWJK2EXpw23mDIUAmIfzOJeygNbtoyU5a8Y+XW9Lp/1pRJ7ou8+bB9u32YNi6NcTEgK/vOTcnIuKUnO332wwKgJXgTAfQrvlJRF93KZ7Y2PxWAp0e6GNqPeKcioPh4eXbyVy3HVvS7wQc2E6j47/TtDCl1FNNznTcEsYej1b8XtSSXbRkDzGkEENekxbUax9Om0ssPP88BAXV4BcSEbkIzvT7bRYFwEpwpgNoXcOruezoQtZEDKPH4Xmm1iK1kzXLyoHluzi68nesv+3Cc89Ogo/sotGpnUTYDp933Rz8SSGa7IYx5EbEQEwMP+6IYn1GFL5toojsEEpMjP2O5BYt7D2HgYE19MVERM7iTL/fZlEArARnOYA2vLiErhMHUYAXh35MIurKVqbVIq4pOz2bQyt2c3ztLvK27sRj726CjuyhftYemhTtO2/PIcBJQtlLFHuJYh/N2W+J4oZxzajTsRn1YyP5IbEhp3M8iIqyPwGleXMNci0i1cdZfr/NpABYCc5wABXlF7E7NJbWeVtJ6PwgfRPfNKUOcV8FOQUcXrOfjLV7yN66B9uuPfge2k3w8X00yttHA+PoBbdhxYeDNOUAkeynGQeIJN03kpy6TfGJbsLkGU2p16Y+Fg8LO3faew/DwzW+oYhcHGf4/TabAmAlOMMB9PPIGfSefRcnLXUwdu6mboswU+oQOZfs9GxS1+zjxKZ95CbvxbZnL96H9hKSeYD6OftpaEu9YA8iQB6+HPFqwkFbE/bZmnKYJhz3a0xOncYY4RH4xTSmcdcIHnziz3PLRUXg6Vmd305EaiNn+P02mwJgJZh9AGXuzyQv+hIa2dKIv+51+n07rsZrEKmsgpwCjiQe5vjmA5xOPoB1136MffvxTT9IyOlDNMw/SCPjSLm3l0kIGT6NyQqIYFdOBIeLwjkZEEFeaDhGo3B8oyIIaxdOTLcwrv2rBj0UcUdm/347AwXASjD7AEroNJa+W94mxbsVTY7/hk+QT43XIFIT8k/nk745leNbDnL694NY9xyicO9BvI6mEnTqMGHWVMKLDhFITvm3iTfHPBpy0rcRp4MasedUQ9KMRpwObIQ1tCE0aoRfs4bUadWA5l3rc/Xf9O9LxFWY/fvtDBQAK8HMAyj5s420/vtleGJj40tL6PLoFTX6+SLOxrAZnDp8iowth8n8PZWcXYfJ2ZNG4YFUvI+lEXg6jbp5aTQoSqUe5x4L8VxOWupwwqsBp/waciCvAek04KRfBMfqtiQ3sjXe7VtTv1VdIiPh5pv/XC8vzz5Wop6wIuI8FAAVACvFrAOoKL+I5LDL6ZC9llXNbuHyfV/U2GeLuAJrlpWMbUfI3JlO9p4j5O07wqnd6RhpR/A+kU5QzhHqWI9Qr+go9TlarmsUATKoxy6P1hRGt6YwuhU+HVrxzpcN2JERhi20Lp4NwggOD6R+Awv169vveH7kkT/XT062P6M5LAzq1NFNLiLVRQFQAbBSzDqAVtz2Pn2+uJdMQshL/J1GnSNq7LNF3I2t0MbJlBOc2J7O6ZSj5Ow/yonf0yk4fBTvIwepd3wnTfN20sQ4VK7tFeDFccI4QV1OeoThWa8u+QF1KAypy4bddTiUU9e+jDpY/etiC6mDpW4dGrYKZcY3oXj62O9q+e9/ISfnz7BYt+6ffwMD1eMocj4KgAqAlWLGAXT0tyN4d7yEOsZJEm54i77fPFAjnysi55edns3B+F0cX7MD69YdeKXsJPjobgLzjhFceII6tuP4kl/pz8kimNOeoRy31eGkEcpJ6pBFCJmEkkkoWYRQ4B/KsBGheIWF4Bdeh49/bcN+ayPq1LGHxNBQHK/r14fBg8/4Htn2U9ZeXpUuVcRpKQAqAFaKGQfQyhYj6LXnY5L9Y2l1fC1efvp/aZHawLAZ5B7PJTPlOKf2HSfn0AnyDh+nIP0ERcdPwvETWDJP4nXqBN7ZJ/HNPUGA9QTBhScJNjIrdINLWQ7RmERi2URnEoklkVhSiCYiwsLhMx700qsX/PKLvRcxNPTPKSQEGjaETz75s+3cuXDsmH1ZcPCff4tf169fqZJFqo0CoAJgpdT0AbTpXwl0fqgfNiwkz1xD+zv/Uu2fKSLOoSCngKwDmZw+eJKc1ExyU09iTT9JYUYmRScy4WQmZGVhOZWJ1+lM/PIz8bNmEmQ9RmRhCh6U/r/6k4SyzaszRrNm2HwDsAUEsiE5kPScQLIpOeUQgHdIAO/OCsS3bgD+9QO5ZVQA8esCsFF6sMWAAHtvYrHRo2Ht2j8DYnCw/bnRxWFx6tQ/T1uvWQMnTtiXnz0FBGhsR6k8BUAFwEqpyQMo/3Q+B+p1pkV+MivajaHPtunV+nki4jpOHT5FyndbOLEsEY8tm6h/IJGY3N+q5JQ02AfpziGgxJRrCcC3TgCF3v4U+gaw/2gAx/P87cvwJ5c/X+d7BnDPg/54Bdun6bMD+HWrv6PdmZOBB/n59ptlAB57DBIS7D2WZU2TJtlPaYM9gKam2kNkYGDpv6GhunbSXSgAKgBWSk0eQPFDXqLf4sc5ammA9+7t1ImuW62fJyKuLf90PikLkzm6ZBOFqUft3XXZ2Vhys/HMzcYzLxuv/Gy887PxKcjGpygXv8JsfG05BBjZlT4lfbGs+JCHP3ke/lg9/Mm22afigJiHX4m/bTr5YfH3Bz8/Nm/3Y3eqfdnZ7fLw4/V3/agb4YdPqD/vz/Jj4TI/vILsk3+QJwEBOKY337TfgAOwdCls3mx/fnVAgP3vma9jY/98tnVOjv0JNf7+us7STAqACoCVUlMH0MFf9lG3VzsCyWHl3bPp9cHwavssEZHyMGwGeSfzyDmaTW5GNvmZuVhP5FCQaZ8Ks3IoOp1L0akcbKeyMXJyITcXcnKw5OXikZeDR34uXtYcPAty8S7IxbswB5+iXHyKcvG15eJns/cT+lBg9tclH29HcLTiS5GXHwWe9ul0gS9ZBX8uO7NdHn60i/XDL9QX/PzYttuX33ba5xdYfCn08sPm7Yvh44vNx4/7xvvStIUv3sF+JKzx5aefffEKtL/3C/XFL8CDP/IsI0dC48b2+rZvh6Qk+/yzJ19fezs/P3tbw1BPpwKgAmCl1NQB9GvEdXRPm8+m0L50Or4ci4eb/8sVEbdSlF9E7vFc8k7kYj1pnwqycsnPzKXw1J+TLSfPPmXnYuTm2QNnXh6WvFz7VGDF05qLZ0EengV5eBXm4lWYh3dRnj142vLwseXha+ThTy7eFJr91UspwAsrvljxpcDDPhVafMg1fMku9HUsK57y8cGKL40iffGr44vh7UPqcV927PWl0NOHQg9fijx9KPTyxfDyocjLl75X+hDZ0hdPfx92H/Tl5199sPj54uHng1eAjz2QBvrgHejDtTf40L6LL94B3uzdZ2HVKnvg9PUFH58/X/v62se9rPvHySur1d4bWtyupntDFQAVACulsgfQ9q82kRH/G75N6hMQWY/g6PrUaVmfoPAgR8j79cn5dH/hOgrwYt93m2n513ZV/TVERKQMhXmFWLOsWDPzsJ7MJT8rj4LTVgpO5VFwKo/C03kU5Vgpys6jKNsePo08K7bcPMjNs6ecvDws+VYs1jws+Xl45FvxyM/Do8CKZ2EeXoVWvIry8LZZ8SnKwwcrPjYrPkYevljxw2r2bii3fLzJx+eck8XXB4uPD0WePuQU+XD8VMn2BRYfiizeFFh8iGjuQ70IH/D25mSOD1u3+2Dz9Mbm7YPNywe8vDG87cvbx/rQqp03nv4+nMj2ZuUa+2tPP288/bzxCvDBO8Ab7wBvOl3mQ4dYb/JseTRo0sCtA6CuQDBR6vRv6ZcwudR8Kz4c96hPlk99WlkPAvBLjwn0U/gTEakxXn5eePl5Edgw0LQaDJtBQU4B1iwr+afsU8Fp+1SYbf9blGN/XZRjpSjXipGXjy3Xii3XimHNx8iz2sPoH5PNmo+Ra4WCfDzyrVgK8/EstOJZmI9nkT10ehn5eBXl41GUj1eRFW8jH1/Dijf5+GLFh/xST8jxoeCP0/XZZX8Z6x/TOb/sHxPAnj+mPww7305KLvl2wPna/qF8z/ZxbQqAJvKMac6GrVcQmJtBSH4GdYsy8CcPX/KJsB0mIs8+ONdBz+Zc9t1TJlcrIiI1zeJhwSfIB58gHyDY7HJKKMovIv90Pvmn8ynI/mP6I5wW5RVQmJNPUV4BRbn5FOXmY8v742+uFZv1z/lFeQXY8vLtwTQvH/Lz8bXk42UUYCnIpygvn4LsAjwK8/EsysfDVoBXkRVPWwGetgJ8PQrsgdRWgGdRPp5FBXhjX98b+zJvRziVYjoFXAnVcQ1BTkYOJ3ZmkLUng5z9GVjTThB12+U07h5ZJdsXERFxR4bNoDCvkIKcAo6lZdDs0uY6BSzOI6B+AAH1m9EkrpnZpYiIiLgMi4fFcS1goU8ds8sxnYfZBYiIiIhIzVIAFBEREXEzLhUA33vvPaKjo/Hz86Nr1678/PPP522fkJBA165d8fPzIyYmhvfff7+GKhURERExj8sEwK+++oqHHnqIJ598ksTERHr37s2QIUPYv39/me1TUlIYOnQovXv3JjExkSeeeIKxY8cyZ86cGq5cREREpGa5zF3A3bt3p0uXLkyfPt0xr23btgwbNoxp06aVav/YY48xf/58kpP/HEBozJgxbN68mdWrV5frMzWSuIiISO2j328X6QHMz89nw4YNDBo0qMT8QYMGsWrVqjLXWb16dan2V111FevXr6egQGMFiYiIiOtyiWFgMjIyKCoqolGjRiXmN2rUiLS0tDLXSUtLK7N9YWEhGRkZRERElFrHarVitf45jHlWVlYVVC8iIiJSs1wiABazWCwl3huGUWrehdqXNb/YtGnTmDy59KPbvv76awICAiparoiIiJggJyfH7BJM5xIBsH79+nh6epbq7UtPTy/Vy1csPDy8zPZeXl7Uq1evzHUmTpzI+PHjHe+zsrKIjIzkxhtvdNtrCERERGqbrKws7rrrLrPLMJVLXAPo4+ND165dWbJkSYn5S5Ys4fLLLy9znbi4uFLtf/zxR7p164a3t3eZ6/j6+hISElJiEhEREaltXCIAAowfP54PP/yQmTNnkpyczLhx49i/fz9jxowB7L13w4cPd7QfM2YM+/btY/z48SQnJzNz5kxmzJjBhAkTzPoKIiIiIjXCJU4BA9x8880cO3aMKVOmkJqaSocOHVi4cCHNmzcHIDU1tcSYgNHR0SxcuJBx48bx7rvv0rhxY9566y1uuOEGs76CiIiISI1wmXEAzaBxhERERGof/X670ClgERERESkfBUARERERN6MAKCIiIuJmFABFRERE3IwCoIiIiIibUQAUERERcTMKgCIiIiJuRgFQRERExM0oAIqIiIi4GQVAERERETfjMs8CNkPxU/SysrJMrkRERETKq/h3252fhqsAWAnHjh0DIDIy0uRKREREpKKOHTtGaGio2WWYQgGwEsLCwgDYv3+/2x5AVSUrK4vIyEgOHDjgtg/mrgraj1VH+7LqaF9WDe3HqpOZmUmzZs0cv+PuSAGwEjw87JdQhoaG6h9jFQkJCdG+rALaj1VH+7LqaF9WDe3HqlP8O+6O3Pebi4iIiLgpBUARERERN6MAWAm+vr5MmjQJX19fs0up9bQvq4b2Y9XRvqw62pdVQ/ux6mhfgsVw53ugRURERNyQegBFRERE3IwCoIiIiIibUQAUERERcTMKgCIiIiJuRgHwAt577z2io6Px8/Oja9eu/Pzzz+dtn5CQQNeuXfHz8yMmJob333+/hip1bhXZj/Hx8VgsllLT77//XoMVO6cVK1Zw7bXX0rhxYywWC99+++0F19ExWVpF96OOyXObNm0al112GcHBwTRs2JBhw4axffv2C66n47Kki9mPOi7LNn36dDp27OgYMDsuLo5Fixaddx13PB4VAM/jq6++4qGHHuLJJ58kMTGR3r17M2TIEPbv319m+5SUFIYOHUrv3r1JTEzkiSeeYOzYscyZM6eGK3cuFd2PxbZv305qaqpjatWqVQ1V7Lyys7Pp1KkT77zzTrna65gsW0X3YzEdk6UlJCRw3333sWbNGpYsWUJhYSGDBg0iOzv7nOvouCztYvZjMR2XJTVt2pQXX3yR9evXs379egYMGMB1113Htm3bymzvtsejIef0l7/8xRgzZkyJeZdcconx+OOPl9n+0UcfNS655JIS8/7xj38YPXr0qLYaa4OK7sfly5cbgHHixIkaqK72Aox58+adt42OyQsrz37UMVl+6enpBmAkJCScs42Oywsrz37UcVl+devWNT788MMyl7nr8agewHPIz89nw4YNDBo0qMT8QYMGsWrVqjLXWb16dan2V111FevXr6egoKDaanVmF7Mfi8XGxhIREcHAgQNZvnx5dZbpsnRMVi0dkxeWmZkJQFhY2Dnb6Li8sPLsx2I6Ls+tqKiIL7/8kuzsbOLi4sps467HowLgOWRkZFBUVESjRo1KzG/UqBFpaWllrpOWllZm+8LCQjIyMqqtVmd2MfsxIiKCDz74gDlz5jB37lzatGnDwIEDWbFiRU2U7FJ0TFYNHZPlYxgG48ePp1evXnTo0OGc7XRcnl9596OOy3PbunUrQUFB+Pr6MmbMGObNm0e7du3KbOuux6OX2QU4O4vFUuK9YRil5l2ofVnz3U1F9mObNm1o06aN431cXBwHDhzg1VdfpU+fPtVapyvSMVl5OibL5/7772fLli2sXLnygm11XJ5befejjstza9OmDZs2beLkyZPMmTOHESNGkJCQcM4Q6I7Ho3oAz6F+/fp4enqW6qVKT08v9V8KxcLDw8ts7+XlRb169aqtVmd2MfuxLD169GDnzp1VXZ7L0zFZfXRMlvTAAw8wf/58li9fTtOmTc/bVsfluVVkP5ZFx6Wdj48PLVu2pFu3bkybNo1OnTrxr3/9q8y27no8KgCeg4+PD127dmXJkiUl5i9ZsoTLL7+8zHXi4uJKtf/xxx/p1q0b3t7e1VarM7uY/ViWxMREIiIiqro8l6djsvromLQzDIP777+fuXPnsmzZMqKjoy+4jo7L0i5mP5ZFx2XZDMPAarWWucxtj0eTbj6pFb788kvD29vbmDFjhpGUlGQ89NBDRmBgoLF3717DMAzj8ccfN+644w5H+z179hgBAQHGuHHjjKSkJGPGjBmGt7e38c0335j1FZxCRffjG2+8YcybN8/YsWOH8dtvvxmPP/64ARhz5swx6ys4jVOnThmJiYlGYmKiARivv/66kZiYaOzbt88wDB2T5VXR/ahj8tzuvfdeIzQ01IiPjzdSU1MdU05OjqONjssLu5j9qOOybBMnTjRWrFhhpKSkGFu2bDGeeOIJw8PDw/jxxx8Nw9DxWEwB8ALeffddo3nz5oaPj4/RpUuXErfkjxgxwujbt2+J9vHx8UZsbKzh4+NjREVFGdOnT6/hip1TRfbjSy+9ZLRo0cLw8/Mz6tata/Tq1ctYsGCBCVU7n+JhH86eRowYYRiGjsnyquh+1DF5bmXtR8D46KOPHG10XF7YxexHHZdlGzVqlOP3pkGDBsbAgQMd4c8wdDwWsxjGH1c6ioiIiIhb0DWAIiIiIm5GAVBERETEzSgAioiIiLgZBUARERERN6MAKCIiIuJmFABFRERE3IwCoIiIiIibUQAUEakEi8WCxWKhTp06jnnPPvssnTt3rvbP7tevn+PzN23aVO2fJyKuQwFQRKSSPvroI3bs2FEl25ozZw6enp7s37+/zOWXXHIJY8eOBWDu3LmsXbu2Sj5XRNyLAqCIuLyCgoJq3X6dOnVo2LBhlWzrr3/9K/Xq1WP27Nmllv3yyy9s376d0aNHAxAWFkaDBg2q5HNFxL0oAIpIjTEMg5dffpmYmBj8/f3p1KkT33zzjWN5fHw8FouFpUuX0q1bNwICArj88svZvn17ie3873//o2vXrvj5+RETE8PkyZMpLCx0LLdYLLz//vtcd911BAYGMnXqVACmTp1Kw4YNCQ4O5q677uLxxx93nKpdsWIF3t7epKWllfishx9+mD59+lTqe6ekpNCyZUvuvfdebDYb+fn5PProozRp0oTAwEC6d+9OfHw8AN7e3txxxx3MmjWLs5/UOXPmTLp27UqnTp0qVY+IiAKgiNSYp556io8++ojp06ezbds2xo0bx9///ncSEhJKtHvyySd57bXXWL9+PV5eXowaNcqx7IcffuDvf/87Y8eOJSkpiX//+9/MmjWL559/vsQ2Jk2axHXXXcfWrVsZNWoUn332Gc8//zwvvfQSGzZsoFmzZkyfPt3Rvk+fPsTExPDJJ5845hUWFvLpp59y5513XvR3/u233+jZsyc33ngj06dPx8PDgzvvvJNffvmFL7/8ki1btnDjjTcyePBgdu7cCcDo0aPZs2dPif2SnZ3Nf//7X0fvn4hIpRgiIjXg9OnThp+fn7Fq1aoS80ePHm3ceuuthmEYxvLlyw3A+OmnnxzLFyxYYABGbm6uYRiG0bt3b+OFF14osY1PPvnEiIiIcLwHjIceeqhEm+7duxv33XdfiXk9e/Y0OnXq5Hj/0ksvGW3btnW8//bbb42goCDj9OnT5/xegDFv3rwS8yZNmmR06tTJWLVqlREWFma88sorjmW7du0yLBaLcejQoRLrDBw40Jg4cWKJeocPH+54P3PmTMPf3984ceJEifVSUlIMwEhMTDxnjSIiZ1MPoIjUiKSkJPLy8rjyyisJCgpyTB9//DG7d+8u0bZjx46O1xEREQCkp6cDsGHDBqZMmVJiG3fffTepqank5OQ41uvWrVuJbW7fvp2//OUvJead/X7kyJHs2rWLNWvWAPZTrjfddBOBgYEV/r779+/niiuu4KmnnmLChAmO+Rs3bsQwDFq3bl3iOyQkJJTYD6NHj+abb77h1KlTjlquv/76Encbi4hcLC+zCxAR92Cz2QBYsGABTZo0KbHM19e3xHtvb2/Ha4vFUmJ9m83G5MmTuf7660t9hp+fn+N1WaGteFvFjLOusWvYsCHXXnstH330ETExMSxcuNBxbV5FNWjQgMaNG/Pll18yevRoQkJCHPV7enqyYcMGPD09S6wTFBTkeH3LLbcwbtw4vvrqK/r168fKlSuZMmXKRdUiInI2BUARqRHt2rXD19eX/fv307dv34veTpcuXdi+fTstW7as0Hpt2rRh7dq13HHHHY5569evL9Xurrvu4pZbbqFp06a0aNGCnj17XlSd/v7+fP/99wwdOpSrrrqKH3/8keDgYGJjYykqKiI9PZ3evXufc/3g4GBuvPFGPvroI/bs2UNMTAz9+vW7qFpERM6mACgiNSI4OJgJEyYwbtw4bDYbvXr1Iisri1WrVhEUFMSIESPKtZ1nnnmGa665hsjISG688UY8PDzYsmULW7duddztW5YHHniAu+++m27dunH55Zfz1VdfsWXLFmJiYkq0u+qqqwgNDWXq1KmV7nELDAxkwYIFDBkyhCFDhrB48WJat27N7bffzvDhw3nttdeIjY0lIyODZcuWcemllzJ06FDH+qNHj6Z3794kJSUxYcKEUj2YIiIXS9cAikiNee6553jmmWeYNm0abdu25aqrruJ///sf0dHR5d7GVVddxffff8+SJUu47LLL6NGjB6+//jrNmzc/73q33347EydOZMKECXTp0oWUlBRGjhxZ4rQxgIeHByNHjqSoqIjhw4df1Pc8U1BQEIsWLcIwDIYOHUp2djYfffQRw4cP5+GHH6ZNmzb89a9/5ddffyUyMrLEur169aJNmzZkZWWVOyCLiJSHxTj7IhgRETdx5ZVXEh4eXmLoF4C7776bI0eOMH/+/Atuw2KxMG/ePIYNG1ZNVZ7f3r17iY6OJjExsUYePycirkGngEXELeTk5PD+++9z1VVX4enpyRdffMFPP/3EkiVLHG0yMzNZt24dn332Gd999125t33rrbdSr149Dh48WB2ln9OQIUNYsWJFjX6miLgG9QCKiFvIzc3l2muvZePGjVitVtq0acNTTz1V4m7ifv36sXbtWv7xj3/wxhtvlGu7u3btAsDT07NCp7KrwqFDh8jNzQWgWbNm+Pj41Ojni0jtpQAoIiIi4mZ0E4iIiIiIm1EAFBEREXEzCoAiIiIibkYBUERERMTNKACKiIiIuBkFQBERERE3owAoIiIi4mYUAEVERETcjAKgiIiIiJv5f2ALjGiWfH+VAAAAAElFTkSuQmCC",
"text/html": [
"\n",
"
\n",
"
\n",
" Figure\n",
"
\n",
" \n",
"
\n",
" "
],
"text/plain": [
"Canvas(toolbar=Toolbar(toolitems=[('Home', 'Reset original view', 'home', 'home'), ('Back', 'Back to previous …"
]
},
"metadata": {},
"output_type": "display_data"
}
],
"source": [
"C_window = .0* 1e-6 # in m\n",
"\n",
"## interpolate mass absorption coefficient to our energy scale\n",
"photoabsorption = x_sections['6']['dat']/x_sections['6']['photoabs_to_sigma']\n",
"lin = interp1d(x_sections['6']['ene'], photoabsorption,kind='linear') \n",
"mu_C = lin(energy_scale) * x_sections['6']['nominal_density']*100. #1/cm -> 1/m\n",
"\n",
"\n",
"window_Absorption = np.exp(-mu_C * C_window)\n",
"\n",
"plt.figure()\n",
"plt.plot(energy_scale/1000, N_E, '--', color = 'blue', label = 'Incoming Flux');\n",
"plt.plot(energy_scale/1000, N_E*detector_Efficiency , color = 'blue', label = f'Detector');\n",
"plt.plot(energy_scale/1000, N_E*detector_Efficiency * window_Absorption, color = 'red', label = f'Detector and Window');\n",
"\n",
"plt.axhline(y=0., color='gray', linestyle='-', linewidth = 0.5);\n",
"plt.xlim(0,3)\n",
"plt.legend();\n",
"\n",
"plt.ylabel('intensity [a.u.]')\n",
"plt.xlabel('energy [keV]');\n"
]
},
{
"cell_type": "markdown",
"metadata": {},
"source": [
"## Background Slope at High Energies\n",
"While Kramers law gives the approximate shape of the background, the exact slopes is not reproduced.\n",
"Several authors intorduced a parametrized function of the Bremsstrahlung efficiency."
]
},
{
"cell_type": "code",
"execution_count": 6,
"metadata": {},
"outputs": [
{
"data": {
"application/vnd.jupyter.widget-view+json": {
"model_id": "4db3731c1d614a41abb42347334b1fa8",
"version_major": 2,
"version_minor": 0
},
"image/png": "iVBORw0KGgoAAAANSUhEUgAAAoAAAAHgCAYAAAA10dzkAAAAOnRFWHRTb2Z0d2FyZQBNYXRwbG90bGliIHZlcnNpb24zLjEwLjcsIGh0dHBzOi8vbWF0cGxvdGxpYi5vcmcvTLEjVAAAAAlwSFlzAAAPYQAAD2EBqD+naQAAeaJJREFUeJzt3Xl8VNXB//HPTJbJPiwhJIGwiSDIooAiIIsLQQUEbastGqSldFG0CFRrNynyiI9SbavV2p9PxbrhUxVFUQRRQB4IQiTKLiIYloSwhAnZZj2/PyYZGBIgQDITmO/79bqdmXvPvffMZOh8Peeecy3GGIOIiIiIRAxruCsgIiIiIqGlACgiIiISYRQARURERCKMAqCIiIhIhFEAFBEREYkwCoAiIiIiEUYBUERERCTCKACKiIiIRBgFQBEREZEIowAoIiIiEmEUAEVEREQijAKgiIiISIRRABQRERGJMAqAIiIiIhFGAVBEREQkwigAioiIiEQYBUARERGRCKMAKCIiIhJhFABFREREIowCoIiIiEiEUQAUERERiTAKgCIiIiIRRgFQREREJMIoAIqIiIhEGAVAERERkQijACgiIiISYRQARURERCKMAqCIiIhIhFEAFBEREYkwCoAiIiIiEUYBUERERCTCKACKiIiIRBgFQBEREZEIowAoIiIiEmEUAEVEREQijAKgiIiISIRRABQRERGJMAqAIiIiIhFGAVBEREQkwigAioiIiEQYBUARERGRCKMAKCIiIhJhFABFREREIowCoIiIiEiEUQAUERERiTAKgCIiIiIRRgFQREREJMIoAIqIiIhEGAVAERERkQijACgiIiISYRQARURERCKMAqCIiIhIhFEAFBEREYkwCoAiIiIiEUYBUERERCTCKACKiIiIRJjocFfgfObz+di3bx/JyclYLJZwV0dERETqwRjD0aNHyczMxGqNzLYwBcBzsG/fPrKyssJdDRERETkLu3fvpm3btuGuRlgoAJ6D5ORkwP8FSklJCXNtREREpD5KS0vJysoK/I5HIgXAc1DT7ZuSkqIAKCIicp6J5Mu3IrPjW0RERCSCKQCKiIiIRBgFQBEREZEIo2sARUTqYIzB4/Hg9XrDXRUROUNRUVFER0dH9DV+p6MAKCJyApfLRWFhIRUVFeGuioicpYSEBDIyMoiNjQ13VZokBUARkeP4fD527txJVFQUmZmZxMbGqhVB5DxijMHlcnHgwAF27tzJxRdfHLGTPZ+KAqCIyHFcLhc+n4+srCwSEhLCXR0ROQvx8fHExMTw3Xff4XK5iIuLC3eVmhxFYhGROqjFQOT8pn/Dp6ZPR0RERCTCKACKiMgFYcKECYwdO7ZRz9GhQwf+8pe/NOo5REJBAVBERJqsMwlcf/3rX5k7d26j1kfkQqFBICIiUidjDF6vl+jopv1T4fV6sVgs2O32cFdF5LyhFsDGdnQ/zP8lvHN3uGsiIhe4YcOGMXnyZCZPnkyzZs1o2bIlv//97zHGAPDKK6/Qr18/kpOTSU9PZ9y4cRQXFwf2X7ZsGRaLhY8++oh+/fphs9n47LPP2LFjB2PGjKF169YkJSVxxRVX8PHHHwedu0OHDsyaNYvx48eTlJRE+/bteffddzlw4ABjxowhKSmJnj17sm7duqD9Vq1axZAhQ4iPjycrK4v77ruP8vLywPv57rvvuP/++7FYLIHpeObOnUuzZs14//336d69Ozabje+++y6oC3jXrl2BfY5fhg0bVq9zAxQXFzN69Gji4+Pp2LEjr776aoP9rUTCTQGwsXmd8OVrsPGtcNdERM6SMYYKlycsS014q6+XXnqJ6Oho1qxZw9/+9jeeeuopXnjhBcA/xc0jjzzCl19+yTvvvMPOnTuZMGFCrWM88MADzJ49my1bttCrVy/Kysq46aab+Pjjj1m/fj0jRoxg9OjRFBQUBO331FNPMWjQINavX8/IkSPJyclh/Pjx3HnnnXzxxRd07tyZ8ePHB97Thg0bGDFiBLfeeitfffUVb7zxBitXrmTy5MkAvP3227Rt25aZM2dSWFhIYWFh4FwVFRXMnj2bF154gU2bNpGWlhZUl6ysrMA+hYWFrF+/npYtWzJkyJB6nRv81xTu2rWLTz75hDfffJNnn302KDCLnM8s5kz/30UCSktLsdvtOBwOUlJS6i5Ufgie6OR//sfDYI0KXQVF5IxVVVWxc+dOOnbsGJg7rMLlofsfPwpLfTbPHEFCbP26YIcNG0ZxcTGbNm0KtJb95je/YcGCBWzevLlW+bVr13LllVdy9OhRkpKSWLZsGddccw3vvPMOY8aMOeW5Lr30Un75y18GAlOHDh0YPHgwL7/8MgBFRUVkZGTwhz/8gZkzZwKQm5vLgAEDKCwsJD09nfHjxxMfH8/zzz8fOO7KlSsZOnQo5eXlxMXF0aFDB6ZMmcKUKVMCZebOncuPf/xj8vPz6d27d2D9hAkTOHLkCO+8805QXauqqhg2bBitWrXi3XffxWq1nvbcBQUFdO3aldzcXPr37w/A1q1b6datG0899VRQfaRpquvfco16/X5f4NQC2Nhij5tI1lV+8nIiIg3gqquuCrpzyYABA9i+fTter5f169czZswY2rdvT3JycqA79MSWvH79+gW9Li8v54EHHqB79+40a9aMpKQktm7dWmu/Xr16BZ63bt0agJ49e9ZaV9OKlpeXx9y5c0lKSgosI0aMCNyN5VRiY2ODzncqEydO5OjRo7z22muBueFOd+4tW7YQHR0d9FlccsklNGvWrF7nFGnqmvaVvReC6DiwWMH4wF0BcZH5Xxoi57P4mCg2zxwRtnM3hKqqKrKzs8nOzuaVV16hVatWFBQUMGLECFwuV1DZxMTEoNe//vWv+eijj5gzZw6dO3cmPj6e73//+7X2i4mJCTyvCaF1rfP5fIHHn//859x333216tuuXbtTvp/4+Ph63aJv1qxZLFq0iM8//5zk5OTA+tOde9u2bUF1FrnQKAA2NosFYhLBdVQtgCLnKYvFUu9u2HDLzc2t9friiy9m69atHDx4kMcee4ysrCyAWgMyTuazzz5jwoQJ3HLLLQCUlZWxa9euc65rnz592LRpE507dz5pmdjYWLxe71kd/6233mLmzJl8+OGHXHTRRWd07m7duuHxeFi3bh1XXnklANu2bePIkSNnVReRpkZdwKFQ0w2sACgijWz37t1MnTqVbdu28frrr/P000/zq1/9inbt2hEbG8vTTz/Nt99+y4IFC3jkkUfqdczOnTvz9ttvk5+fz5dffsm4ceMCrXjn4sEHH2T16tXcc8895Ofns337dhYsWMC9994bKNOhQwdWrFjB3r17OXjwYL2PvXHjRsaPH8+DDz7IpZdeSlFREUVFRRw+fLhe5+7atSs33HADkyZNYs2aNeTl5fHTn/6U+Pj4c37fIk2BAmAoxFQHQHdFeOshIhe88ePHU1lZyZVXXsk999zDvffey89+9jNatWrF3Llz+c9//kP37t157LHHmDNnTr2O+dRTT9G8eXMGDhzI6NGjGTFiBH369Dnnuvbq1Yvly5ezfft2Bg8ezOWXX84f/vAHMjIyAmVmzpzJrl27uOiii2jVqlW9j71u3ToqKiqYNWsWGRkZgeXWW2+t97lffPFFsrKyGDp0KLfeeis/+9nPao02FjlfaRTwOaj3KKLnrob9G+DOt6HzdaGroIicsVONHGzqhg0bxmWXXaZblYmgUcCn02AtgM899xy9evUiJSWFlJQUBgwYwIcffhjYboxhxowZZGZmEh8fz7Bhw9i0aVPQMZxOJ/feey+pqakkJiZy8803s2fPnqAyJSUl5OTkYLfbsdvt5OTk1Lomo6CggNGjR5OYmEhqair33XdfrYuVN2zYwNChQ4mPj6dNmzbMnDnzjOfbqjd1AYuIiEgT0mABsG3btjz22GOsW7eOdevWce211zJmzJhAyHv88cd58skneeaZZ1i7di3p6ekMHz6co0ePBo4xZcoU5s+fz7x581i5ciVlZWWMGjUq6ALgcePGkZ+fz6JFi1i0aBH5+fnk5OQEtnu9XkaOHEl5eTkrV65k3rx5vPXWW0ybNi1QprS0lOHDh5OZmcnatWt5+umnmTNnDk8++WRDfRzB1AUsIiIiTYlpRM2bNzcvvPCC8fl8Jj093Tz22GOBbVVVVcZut5t//OMfxhhjjhw5YmJiYsy8efMCZfbu3WusVqtZtGiRMcaYzZs3G8Dk5uYGyqxevdoAZuvWrcYYYz744ANjtVrN3r17A2Vef/11Y7PZjMPhMMYY8+yzzxq73W6qqqoCZWbPnm0yMzONz+er9/tzOBwGCBz3pF4fZ8zDKcZ8/kK9jy0i4VFZWWk2b95sKisrw10VETkHp/q3XO/f7wtYowwC8Xq9zJs3j/LycgYMGMDOnTspKioiOzs7UMZmszF06FBWrVoF+CfldLvdQWUyMzPp0aNHoMzq1aux2+2BWdnBP+mp3W4PKtOjRw8yMzMDZUaMGIHT6SQvLy9QZujQodhstqAy+/btO+XUBk6nk9LS0qClXmKr59RSF7CIiIg0AQ0aADds2EBSUhI2m41f/OIXzJ8/n+7du1NUVAQcmwW+RuvWrQPbioqKiI2NpXnz5qcsU9cIrLS0tKAyJ56nefPmxMbGnrJMzeuaMnWZPXt24NpDu90emEvrtNQFLCIiIk1IgwbArl27kp+fT25uLr/85S+56667gu4/eeKM6saY086yfmKZuso3RBlTPQDkVPV56KGHcDgcgWX37t2nrHuAWgBFRESkCWnQABgbG0vnzp3p168fs2fPpnfv3vz1r38lPT0dqN26VlxcHGh5S09Px+VyUVJScsoy+/fvr3XeAwcOBJU58TwlJSW43e5Tlqm5N+WJLYPHs9lsgVHONUu9KACKiIhIE9KoE0EbY3A6nXTs2JH09HSWLFkS2OZyuVi+fDkDBw4EoG/fvsTExASVKSwsZOPGjYEyAwYMwOFw8PnnnwfKrFmzBofDEVRm48aNFBYWBsosXrwYm81G3759A2VWrFgRNDXM4sWLyczMpEOHDg3/QagLWERERJqQBguAv/3tb/nss8/YtWsXGzZs4He/+x3Lli3jjjvuwGKxMGXKFB599FHmz5/Pxo0bmTBhAgkJCYwbNw4Au93OxIkTmTZtGkuXLmX9+vXceeed9OzZk+uvvx7w35ux5tY8ubm55ObmMmnSJEaNGkXXrl0ByM7Opnv37uTk5LB+/XqWLl3K9OnTmTRpUqDFbty4cdhsNiZMmMDGjRuZP38+jz76KFOnTm2cG3+rBVBERESakAa7u/n+/fvJycmhsLAQu91Or169WLRoEcOHDwfggQceoLKykrvvvpuSkhL69+/P4sWLSU5ODhzjqaeeIjo6mttuu43Kykquu+465s6dS1RUVKDMq6++yn333RcYLXzzzTfzzDPPBLZHRUWxcOFC7r77bgYNGkR8fDzjxo0LuuWR3W5nyZIl3HPPPfTr14/mzZszdepUpk6d2lAfRzAFQBEREWlCdCu4c1DvW8lsegf+cxe0GwA/WRSy+onImTufbwU3YcIEjhw5wjvvvBNY9+abb3LnnXcyc+ZMHnjggfBVTiTEdCu4U2vUawClWmyS/1EtgCISQi+88AJ33HEHzzzzTJ3h78RbZIabMQaPxxPuaohEBAXAUNC9gEUkxB5//HEmT57Ma6+9xk9/+lPA30I4duxYZs+eTWZmJl26dAHglVdeoV+/fiQnJ5Oens64ceMCMyMALFu2DIvFwkcffcTll19OfHw81157LcXFxXz44Yd069aNlJQUfvSjH1FRcWywmzGGxx9/nE6dOhEfH0/v3r1588036zxuv379sNlsfPbZZyH6hEQiW4NdAyinoFHAIuc3Y8L37zcmAc5wcNpvfvMb/v73v/P+++8HBtHVWLp0KSkpKSxZsiQw/6nL5eKRRx6ha9euFBcXc//99zNhwgQ++OCDoH1nzJjBM888Q0JCArfddhu33XYbNpuN1157jbKyMm655RaefvppHnzwQQB+//vf8/bbb/Pcc89x8cUXs2LFCu68805atWrF0KFDA8d94IEHmDNnDp06daJZs2Zn8SGJyJlSAAyFQBewAqDIecldAY9mnr5cY/jtvmMDyerhww8/5N1332Xp0qVce+21tbYnJibywgsvEBsbG1j3k5/8JPC8U6dO/O1vf+PKK6+krKyMpKSkwLZZs2YxaNAgACZOnMhDDz3Ejh076NSpEwDf//73+fTTT3nwwQcpLy/nySef5JNPPmHAgAGBY69cuZLnn38+KADOnDkzMGBQREJDXcChEOgCLvO3JIiINJJevXrRoUMH/vjHP3L06NFa23v27BkU/gDWr1/PmDFjaN++PcnJyQwbNgyAgoKCWseu0bp1axISEgLhr2ZdTdfx5s2bqaqqYvjw4SQlJQWWf//73+zYsSPouP369Tun9ywiZ04tgKFQ0wVsvOB1QbQtvPURkTMTk+BviQvXuc9AmzZteOutt7jmmmu44YYbWLRoUdB0W4mJwa2J5eXlZGdnk52dzSuvvEKrVq0oKChgxIgRtQaJxMTEBJ5bLJag1zXrfD4fQOBx4cKFtGnTJqiczRb8/4En1klEGp8CYCgc333jKlcAFDnfWCxn1A0bbu3atWP58uVcc801ZGdn89FHH510qoutW7dy8OBBHnvsMbKysgBYt27dOdehe/fu2Gw2CgoKgrp7RaRpUBdwKETFQFR1l4sGgohICLRt25Zly5Zx6NAhsrOzcTgcdZZr164dsbGxPP3003z77bcsWLCARx555JzPn5yczPTp07n//vt56aWX2LFjB+vXr+fvf/87L7300jkfX0TOjQJgqMRoKhgRCa02bdqwfPlyjhw5wvDhwzly5EitMq1atWLu3Ln85z//oXv37jz22GNBd046F4888gh//OMfmT17Nt26dWPEiBG89957dOzYsUGOLyJnT3cCOQdnNJP4k5dC6R6Y9Cm06ROaCorIGTuf7wQiIsfoTiCnphbAUInVXIAiIiLSNCgAhoq6gEVERKSJUAAMlZoRhAqAIiIiEmYKgKFSEwDVBSwiIiJhpgAYKuoCFhERkSZCATBU1AUsIiIiTYQCYKioC1hERESaCAXAUFEXsIiIiDQRCoChoi5gERERaSIUAENFXcAiIo1uwoQJjB07tlHP0aFDB/7yl780yLGWLVuGxWKp8zZ9jXVOEVAADB11AYuInJUzCT9//etfmTt3bqPWpyENHDiQwsJC7HY7AHPnzqVZs2YNcuwJEyZgsViwWCzExMTQunVrhg8fzr/+9S98Pt8ZHWvGjBlcdtllDVKv4ynYho8CYKioC1hEzkPGGDweT7ircVperxefz4fdbm+wABUKsbGxpKenY7FYGuX4N9xwA4WFhezatYsPP/yQa665hl/96leMGjXqvPi71pfL5Qp3Fc47CoChoi5gEWlkw4YNY/LkyUyePJlmzZrRsmVLfv/732OMCZR55ZVX6NevH8nJyaSnpzNu3DiKi4sD22u6JD/66CP69euHzWbjs88+Y8eOHYwZM4bWrVuTlJTEFVdcwccffxx0/g4dOjBr1izGjx9PUlIS7du359133+XAgQOMGTOGpKQkevbsybp164L2W7VqFUOGDCE+Pp6srCzuu+8+ysvLA+/pu+++4/777w+0ZsGxlrL333+f7t27Y7PZ+O6774K6gHft2hXY5/hl2LBh9To3QHFxMaNHjyY+Pp6OHTvy6quvnvJvsGHDBqxWKwcPHgSgpKQEq9XKD37wg0CZ2bNnM2DAgKDP+8iRIyxbtowf//jHOByOQF1nzJgR2K+iooKf/OQnJCcn065dO/75z3+esi4ANpuN9PR02rRpQ58+ffjtb3/Lu+++y4cffhjUUupwOPjZz35GWloaKSkpXHvttXz55ZeBz/pPf/oTX375ZaBeNfuear8aCxYsoF+/fsTFxZGamsqtt94KnPxvC/DWW29x6aWXYrPZ6NChA3/+85+DjlnzXZswYQJ2u51Jkyad9rOQYAqAoaIuYJHzljGGCndFWJbjw1t9vPTSS0RHR7NmzRr+9re/8dRTT/HCCy8EtrtcLh555BG+/PJL3nnnHXbu3MmECRNqHeeBBx5g9uzZbNmyhV69elFWVsZNN93Exx9/zPr16xkxYgSjR4+moKAgaL+nnnqKQYMGsX79ekaOHElOTg7jx4/nzjvv5IsvvqBz586MHz8+8L42bNjAiBEjuPXWW/nqq6944403WLlyJZMnTwbg7bffpm3btsycOZPCwkIKCwsD56qoqGD27Nm88MILbNq0ibS0tKC6ZGVlBfYpLCxk/fr1tGzZkiFDhtTr3ODvRt21axeffPIJb775Js8++2xQYD5Rjx49aNmyJcuXLwdgxYoVtGzZkhUrVgTKLFu2jKFDh9bad+DAgfzlL38hJSUlUOfp06cHtv/5z3+mX79+rF+/nrvvvptf/vKXbN269aR1OZlrr72W3r178/bbbwP+7/fIkSMpKirigw8+IC8vjz59+nDddddx+PBhbr/9dqZNm8all14aqNftt99+2v0AFi5cyK233srIkSNZv349S5cupV+/fsDJ/7Z5eXncdttt/PCHP2TDhg3MmDGDP/zhD7W69p944gl69OhBXl4ef/jDH874c4h4Rs6aw+EwgHE4HKcvXLDGmIdTjHmqZ+NXTETOWmVlpdm8ebOprKwMrCt3lZsec3uEZSl3lde77kOHDjXdunUzPp8vsO7BBx803bp1O+k+n3/+uQHM0aNHjTHGfPrppwYw77zzzmnP1717d/P0008HXrdv397ceeedgdeFhYUGMH/4wx8C61avXm0AU1hYaIwxJicnx/zsZz8LOu5nn31mrFZr4G/Qvn1789RTTwWVefHFFw1g8vPzg9bfddddZsyYMbXqWllZafr3729GjRplvF5vvc69bds2A5jc3NzA9i1bthigVn2Od+utt5rJkycbY4yZMmWKmTZtmklNTTWbNm0ybrfbJCUlmQ8//NAYc+zzLikpCbwvu91e65gnfrY+n8+kpaWZ55577qT1ONlnYYwxt99+e+B7sXTpUpOSkmKqqqqCylx00UXm+eefN8YY8/DDD5vevXsHba/PfgMGDDB33HHHSetY19923LhxZvjw4UHrfv3rX5vu3bsH7Td27NiTHteYuv8t1zij3+8LlFoAQ0VdwCISAldddVVQV9qAAQPYvn07Xq8XgPXr1zNmzBjat29PcnJyoDv0xJa8mlaaGuXl5TzwwAN0796dZs2akZSUxNatW2vt16tXr8Dz1q1bA9CzZ89a62pa0fLy8pg7dy5JSUmBZcSIEfh8Pnbu3HnK9xobGxt0vlOZOHEiR48e5bXXXsNqtdbr3Fu2bCE6Ojros7jkkktOe43hsGHDWLZsGQDLly/nmmuuYciQISxfvpy1a9dSWVnJoEGD6lXv4x3/Xi0WC+np6adsjTwVY0zge5KXl0dZWRktW7YM+ix27tzJjh07TnqM+uyXn5/Pddddd0Z127JlS63PZ9CgQUHfY6j9HZUzEx3uCkSMQBewAqDI+SY+Op4149aE7dwNpby8nOzsbLKzs3nllVdo1aoVBQUFjBgxotZF9ImJiUGvf/3rX/PRRx8xZ84cOnfuTHx8PN///vdr7RcTExN4XhMw6lpXMwrV5/Px85//nPvuu69Wfdu1a3fK9xMfH1+vwROzZs1i0aJFfP755yQnJwfWn+7c27ZtC6pzfQ0bNoxf/epXfPPNN2zcuJHBgwezY8cOli9fzpEjR+jbt29QPerr+M+xpl5nOpq3xpYtW+jYsSPg/xwyMjICofV4pwq79dkvPv7Mv7/Hh9Pj153oxO+onBkFwFAJtACWg88HVjW+ipwvLBYLCTX/EdfE5ebm1np98cUXExUVxdatWzl48CCPPfYYWVlZALUGZJzMZ599xoQJE7jlllsAKCsrY9euXedc3z59+rBp0yY6d+580jKxsbFBLT9n4q233mLmzJl8+OGHXHTRRWd07m7duuHxeFi3bh1XXnklANu2bTvtnH011wHOmjWL3r17k5KSwtChQ5k9ezYlJSV1Xv9X41zea3198sknbNiwgfvvvx/wfw5FRUVER0fToUOHeterPvv16tWLpUuX8uMf/7jex+3evTsrV64MWrdq1Sq6dOlCVFRUPd6h1IdSSKjEHvdfKp7K8NVDRC5ou3fvZurUqWzbto3XX3+dp59+ml/96leAv1UrNjaWp59+mm+//ZYFCxbwyCOP1Ou4nTt35u233yY/P58vv/yScePGnXXr0/EefPBBVq9ezT333EN+fj7bt29nwYIF3HvvvYEyHTp0YMWKFezduzcwurY+Nm7cyPjx43nwwQe59NJLKSoqoqioKDBA4XTn7tq1KzfccAOTJk1izZo15OXl8dOf/vS0rVoWi4UhQ4bwyiuvBLrYe/XqhcvlYunSpUGjkE/UoUMHysrKWLp0KQcPHqSi4tx6jZxOJ0VFRezdu5cvvviCRx99lDFjxjBq1CjGjx8PwPXXX8+AAQMYO3YsH330Ebt27WLVqlX8/ve/D/wHQocOHdi5cyf5+fkcPHgQp9NZr/0efvhhXn/9dR5++GG2bNnChg0bePzxx4Pe74l/22nTprF06VIeeeQRvv76a1566SWeeeaZoAExcu4UAEPl+G4cdQOLSCMZP348lZWVXHnlldxzzz3ce++9/OxnPwOgVatWzJ07l//85z90796dxx57jDlz5tTruE899RTNmzdn4MCBjB49mhEjRtCnT59zrm+vXr1Yvnw527dvZ/DgwVx++eX84Q9/ICMjI1Bm5syZ7Nq1i4suuohWrVrV+9jr1q2joqKCWbNmkZGREVhqpiGpz7lffPFFsrKyGDp0KLfeemtgypPTueaaa/B6vYGwZ7FYGDx4MABXX331SfcbOHAgv/jFL7j99ttp1apVUFg6G4sWLSIjI4MOHTpwww038Omnn/K3v/2Nd999N9CaZrFY+OCDDxgyZAg/+clP6NKlCz/84Q/ZtWtX4JrN733ve9xwww1cc801tGrVitdff71e+w0bNoz//Oc/LFiwgMsuu4xrr72WNWuOXU5R19+2T58+/O///i/z5s2jR48e/PGPf2TmzJl1jlaXs2cxdXWsS72UlpZit9txOBykpKScfof/yvAPArkvH1p0bPT6iciZq6qqYufOnXTs2JG4uLhwV+eMDBs2jMsuu0x3VhDh1P+Wz/j3+wKkFsBQ0khgERERaQIUAENJI4FFRESkCdAo4FAK3A+4LLz1EJELUl3TcYiI1EUtgKGkLmARERFpAhQAQ0ldwCIiItIEKACGkrqARc4bmiBB5Pymf8OnpgAYSjUtgOoCFmmyam63da4T8IpIeNX8Gz7xFnrip0EgoRRoAdQPi0hTFRUVRbNmzSguLgYgISHhjO8FKyLhY4yhoqKC4uJimjVrptvHnYQCYCipC1jkvJCeng4QCIEicv5p1qxZ4N+y1KYAGErqAhY5L1gsFjIyMkhLS8Ptdoe7OiJyhmJiYtTydxoKgKGkLmCR80pUVJR+RETkgqRBIKGkLmARERFpAhosAM6ePZsrrriC5ORk0tLSGDt2LNu2bQsqM2HCBCwWS9By1VVXBZVxOp3ce++9pKamkpiYyM0338yePXuCypSUlJCTk4Pdbsdut5OTk8ORI0eCyhQUFDB69GgSExNJTU3lvvvuw+VyBZXZsGEDQ4cOJT4+njZt2jBz5szGHTauLmARERFpAhosAC5fvpx77rmH3NxclixZgsfjITs7m/Ly8qByN9xwA4WFhYHlgw8+CNo+ZcoU5s+fz7x581i5ciVlZWWMGjUKr9cbKDNu3Djy8/NZtGgRixYtIj8/n5ycnMB2r9fLyJEjKS8vZ+XKlcybN4+33nqLadOmBcqUlpYyfPhwMjMzWbt2LU8//TRz5szhySefbKiPpDZ1AYuIiEhTYBpJcXGxAczy5csD6+666y4zZsyYk+5z5MgRExMTY+bNmxdYt3fvXmO1Ws2iRYuMMcZs3rzZACY3NzdQZvXq1QYwW7duNcYY88EHHxir1Wr27t0bKPP6668bm81mHA6HMcaYZ5991tjtdlNVVRUoM3v2bJOZmWl8Pl+93qPD4TBA4Jh1KTxSaX7x8jrzi5fXGbNtkTEPpxjz/NB6HV9EREQaXn1+vy90jXYNoMPhAKBFixZB65ctW0ZaWhpdunRh0qRJQdMs5OXl4Xa7yc7ODqzLzMykR48erFq1CoDVq1djt9vp379/oMxVV12F3W4PKtOjRw8yMzMDZUaMGIHT6SQvLy9QZujQodhstqAy+/btY9euXXW+J6fTSWlpadByOl5j+HBjEUu3Fh93K7jyU+8kIiIi0ogaJQAaY5g6dSpXX301PXr0CKy/8cYbefXVV/nkk0/485//zNq1a7n22mtxOp0AFBUVERsbS/PmzYOO17p1a4qKigJl0tLSap0zLS0tqEzr1q2Dtjdv3pzY2NhTlql5XVPmRLNnzw5cd2i328nKyjrtZ5Fk8w+0dnl8uKLi/SvVBSwiIiJh1CjTwEyePJmvvvqKlStXBq2//fbbA8979OhBv379aN++PQsXLuTWW2896fGMMUEz8dc1K39DlDHVA0BONuv/Qw89xNSpUwOvS0tLTxsCawIgQAVxxAK41QIoIiIi4dPgLYD33nsvCxYs4NNPP6Vt27anLJuRkUH79u3Zvn074J993+VyUVJSElSuuLg40DqXnp7O/v37ax3rwIEDQWVObMUrKSnB7XafskxNd/SJLYM1bDYbKSkpQcvpRFktJMT65xEr98X6V6oLWERERMKowQKgMYbJkyfz9ttv88knn9CxY8fT7nPo0CF2795NRkYGAH379iUmJoYlS5YEyhQWFrJx40YGDhwIwIABA3A4HHz++eeBMmvWrMHhcASV2bhxI4WFhYEyixcvxmaz0bdv30CZFStWBE0Ns3jxYjIzM+nQocPZfxB1qGkFPOqrvt7Q6wKvp0HPISIiIlJfDRYA77nnHl555RVee+01kpOTKSoqoqioiMrKSgDKysqYPn06q1evZteuXSxbtozRo0eTmprKLbfcAoDdbmfixIlMmzaNpUuXsn79eu6880569uzJ9ddfD0C3bt244YYbmDRpErm5ueTm5jJp0iRGjRpF165dAcjOzqZ79+7k5OSwfv16li5dyvTp05k0aVKg1W7cuHHYbDYmTJjAxo0bmT9/Po8++ihTp05t8Bu/J8f5A2CpN+bYSnUDi4iISJg0WAB87rnncDgcDBs2jIyMjMDyxhtvAP5bKm3YsIExY8bQpUsX7rrrLrp06cLq1atJTk4OHOepp55i7Nix3HbbbQwaNIiEhATee++9oNsxvfrqq/Ts2ZPs7Gyys7Pp1asXL7/8cmB7VFQUCxcuJC4ujkGDBnHbbbcxduxY5syZEyhjt9tZsmQJe/bsoV+/ftx9991MnTo16Bq/hpIU5w9+R91WsFS/D3UDi4iISJhYjGnMW19c2EpLS7Hb7TgcjlNeD3jnC2tY+c1B/vrDyxjz4QBwOmByHqR2DmFtRUREBOr/+30h072AQyBwDWCVB2JrbgenFkAREREJDwXAEEiqvgawzOnRZNAiIiISdgqAIVDTAlhW5dH9gEVERCTsFABDIPn4FsCaAKguYBEREQkTBcAQqGkBLK1yqwtYREREwk4BMAQC1wAGdQErAIqIiEh4KACGQOAawKAuYF0DKCIiIuGhABgCyRoFLCIiIk2IAmAIJNn8dwIpO34eQAVAERERCRMFwBAITATt9EBskn+luoBFREQkTBQAQyD5+EEggS5gBUAREREJDwXAEKhpAax0e/FGx/tXusrCWCMRERGJZAqAIZBYHQABnNaaewGrBVBERETCQwEwBGKjrdii/R91BbH+leoCFhERkTBRAAyRmusAK7H5V2gUsIiIiISJAmCI1FwHWO6L86/QvYBFREQkTBQAQ6TmdnBHjbqARUREJLwUAEMkMBegtyYAqgVQREREwkMBMERq7gbi8FZfA+guB2PCWCMRERGJVAqAIVIzCMTh8QdBjA88zjDWSERERCKVAmCI1HQBl9QEQFA3sIiIiISFAmCIBAaBOA1EaySwiIiIhI8CYIjUtACWOd26H7CIiIiElQJgiNRcA1jm9EBson+luoBFREQkDBQAQyQwDUzVcQFQXcAiIiISBgqAIXKsC9ijLmAREREJKwXAEKkZBFJ2fAugqyyMNRIREZFIpQAYIsnVE0EHXQPoVgugiIiIhJ4CYIgEtQCqC1hERETCSAEwRALXALo8mJoAqEEgIiIiEgYKgCFSMw2MMeCOrmkBVAAUERGR0FMADBFbtJVoqwUAl6X6TiDqAhYREZEwUAAMEYvFErgOsMqiW8GJiIhI+CgAhlBNN3ClxeZfoS5gERERCQMFwBBKqp4KptKoC1hERETCRwEwhJKrRwKXU90CqC5gERERCQMFwBCquQaw3KcuYBEREQkfBcAQqpkLsDQQANUFLCIiIqGnABhCNS2Apd5Y/wp1AYuIiEgYKACGUM01gA6vfzAIzrIw1kZEREQilQJgCNV0AR/0JvlXVJaA1xPGGomIiEgkUgAMoZou4CJPIlisgIGKQ+GtlIiIiEQcBcAQqmkBPOoykNDSv7L8QBhrJCIiIpGowQLg7NmzueKKK0hOTiYtLY2xY8eybdu2oDLGGGbMmEFmZibx8fEMGzaMTZs2BZVxOp3ce++9pKamkpiYyM0338yePXuCypSUlJCTk4Pdbsdut5OTk8ORI0eCyhQUFDB69GgSExNJTU3lvvvuw+VyBZXZsGEDQ4cOJT4+njZt2jBz5kyMMQ31kdRScyeQsioPJLbyrywvbrTziYiIiNSlwQLg8uXLueeee8jNzWXJkiV4PB6ys7MpLz820vXxxx/nySef5JlnnmHt2rWkp6czfPhwjh49GigzZcoU5s+fz7x581i5ciVlZWWMGjUKr9cbKDNu3Djy8/NZtGgRixYtIj8/n5ycnMB2r9fLyJEjKS8vZ+XKlcybN4+33nqLadOmBcqUlpYyfPhwMjMzWbt2LU8//TRz5szhySefbKiPpJaaO4GUOY8LgGVqARQREZEQM42kuLjYAGb58uXGGGN8Pp9JT083jz32WKBMVVWVsdvt5h//+IcxxpgjR46YmJgYM2/evECZvXv3GqvVahYtWmSMMWbz5s0GMLm5uYEyq1evNoDZunWrMcaYDz74wFitVrN3795Amddff93YbDbjcDiMMcY8++yzxm63m6qqqkCZ2bNnm8zMTOPz+er1Hh0OhwECxzyd9QUlpv2D75uBs5ca85+fGPNwijH/93S99hUREZGGcaa/3xeiRrsG0OFwANCiRQsAdu7cSVFREdnZ2YEyNpuNoUOHsmrVKgDy8vJwu91BZTIzM+nRo0egzOrVq7Hb7fTv3z9Q5qqrrsJutweV6dGjB5mZmYEyI0aMwOl0kpeXFygzdOhQbDZbUJl9+/axa9euOt+T0+mktLQ0aDkTNdcAljk9kJTmX6kuYBEREQmxRgmAxhimTp3K1VdfTY8ePQAoKioCoHXr1kFlW7duHdhWVFREbGwszZs3P2WZtLS0WudMS0sLKnPieZo3b05sbOwpy9S8rilzotmzZweuO7Tb7WRlZZ3mkwgWuAbQ6cGoC1hERETCpFEC4OTJk/nqq694/fXXa22zWCxBr40xtdad6MQydZVviDKmegDIyerz0EMP4XA4Asvu3btPWe8T1bQAen0Gd5xGAYuIiEh4NHgAvPfee1mwYAGffvopbdu2DaxPT08HareuFRcXB1re0tPTcblclJSUnLLM/v37a533wIEDQWVOPE9JSQlut/uUZYqL/d2xJ7YM1rDZbKSkpAQtZyIhNoqabFkR6+8aVxewiIiIhFqDBUBjDJMnT+btt9/mk08+oWPHjkHbO3bsSHp6OkuWLAmsc7lcLF++nIEDBwLQt29fYmJigsoUFhaycePGQJkBAwbgcDj4/PPPA2XWrFmDw+EIKrNx40YKCwsDZRYvXozNZqNv376BMitWrAiaGmbx4sVkZmbSoUOHBvpUglkslmPXAUbXBMCDjXIuERERkZNpsAB4zz338Morr/Daa6+RnJxMUVERRUVFVFZWAv7wM2XKFB599FHmz5/Pxo0bmTBhAgkJCYwbNw4Au93OxIkTmTZtGkuXLmX9+vXceeed9OzZk+uvvx6Abt26ccMNNzBp0iRyc3PJzc1l0qRJjBo1iq5duwKQnZ1N9+7dycnJYf369SxdupTp06czadKkQKvduHHjsNlsTJgwgY0bNzJ//nweffRRpk6detou6XNRcz/go1HN/CvKD0Ajzj0oIiIiUktDDScG6lxefPHFQBmfz2cefvhhk56ebmw2mxkyZIjZsGFD0HEqKyvN5MmTTYsWLUx8fLwZNWqUKSgoCCpz6NAhc8cdd5jk5GSTnJxs7rjjDlNSUhJU5rvvvjMjR4408fHxpkWLFmby5MlBU74YY8xXX31lBg8ebGw2m0lPTzczZsyo9xQwxpzdMPLhTy4z7R9836zausc/DczDKcZUHK73/iIiInJuNA2MMRZj1Px0tkpLS7Hb7TgcjnpfD3jrs//HFwVHeD6nLyMWXAlOB0xeB6kXN3JtRUREBM7u9/tCo3sBh1hSXPXdQKo8kJjqX1mmgSAiIiISOgqAIZasyaBFREQkzBQAQyzobiA1LYAaCSwiIiIhpAAYYknVdwM5WuWBxOoWQHUBi4iISAgpAIbYsRZAt7qARUREJCwUAEMsOagFUF3AIiIiEnoKgCEWaAFUF7CIiIiEiQJgiAWuAdQoYBEREQkTBcAQC24BbOVfqS5gERERCSEFwBCruQbQPw1MdQB0lYGrIoy1EhERkUiiABhiSbbqO4E4PWBLhug4/wZ1A4uIiEiIKACGWM01gGVVHrBY1A0sIiIiIacAGGI11wC6vD6cHu+xAKiRwCIiIhIiCoAhVhMAoboVMDAS+ECYaiQiIiKRRgEwxKKsFhJjo4AT7wesFkAREREJDQXAMKj7fsBqARQREZHQUAAMg2P3Az5+LkAFQBEREQkNBcAwSIqrngpG1wCKiIhIGCgAhkFyXS2AGgUsIiIiIaIAGAY1XcBH1QUsIiIiYaAAGAZBk0HXdAFXHgavO4y1EhERkUihABgGxwaBuCG+BViq/wy6G4iIiIiEgAJgGCQf3wJotUJCzVyA6gYWERGRxqcAGAZB1wDCcSOBNRBEREREGp8CYBgEXQMIx40EVgugiIiIND4FwDAImggaNBJYREREQkoBMAwC1wCqC1hERETCQAEwDJJsx90JBCCxZhCIRgGLiIhI41MADIOaLuDSQACsbgHU3UBEREQkBBQAwyA1KRaAw+VOPF6fuoBFREQkpBQAw6Blko1oqwWfgQNlTnUBi4iISEgpAIZBlNVC65Q4AAodVce6gMsPgM8XxpqJiIhIJFAADJMMuz8AFjmqjk0D4/NA1ZHwVUpEREQiggJgmKRXB8B9RyohOhbi7P4NmgtQREREGpkCYJgEtQCCRgKLiIhIyCgAhkm6PR6AwtLqAKiRwCIiIhIiCoBhUrsFUCOBRUREJDQUAMMkXV3AIiIiEiYKgGFS0wK4v7QKr88cGwmsLmARERFpZAqAYdIqyYbVAh6f4VCZE5JqAqC6gEVERKRxKQCGSXSUlbTkOiaDVhewiIiINDIFwDCquQ6w0FF1bBSwAqCIiIg0MgXAMDo2ErgSmrX3ryzdAx5nGGslIiIiF7oGDYArVqxg9OjRZGZmYrFYeOedd4K2T5gwAYvFErRcddVVQWWcTif33nsvqampJCYmcvPNN7Nnz56gMiUlJeTk5GC327Hb7eTk5HDkyJGgMgUFBYwePZrExERSU1O57777cLlcQWU2bNjA0KFDiY+Pp02bNsycORNjTIN9HqcTaAEsrW4BjE0C44OSXSGrg4iIiESeBg2A5eXl9O7dm2eeeeakZW644QYKCwsDywcffBC0fcqUKcyfP5958+axcuVKysrKGDVqFF6vN1Bm3Lhx5Ofns2jRIhYtWkR+fj45OTmB7V6vl5EjR1JeXs7KlSuZN28eb731FtOmTQuUKS0tZfjw4WRmZrJ27Vqefvpp5syZw5NPPtmAn8ipZVZPBl3kqAKLBVpe5N9w6JuQ1UFEREQiT3RDHuzGG2/kxhtvPGUZm81Genp6ndscDgf/8z//w8svv8z1118PwCuvvEJWVhYff/wxI0aMYMuWLSxatIjc3Fz69+8PwP/7f/+PAQMGsG3bNrp27crixYvZvHkzu3fvJjMzE4A///nPTJgwgf/6r/8iJSWFV199laqqKubOnYvNZqNHjx58/fXXPPnkk0ydOhWLxdKAn0zdgq4BBGjZGQq/hEM7Gv3cIiIiErlCfg3gsmXLSEtLo0uXLkyaNIni4mODHvLy8nC73WRnZwfWZWZm0qNHD1atWgXA6tWrsdvtgfAHcNVVV2G324PK9OjRIxD+AEaMGIHT6SQvLy9QZujQodhstqAy+/btY9euXXXW3el0UlpaGrSci1p3A2nZ2f+oFkARERFpRCENgDfeeCOvvvoqn3zyCX/+859Zu3Yt1157LU6nf9BDUVERsbGxNG/ePGi/1q1bU1RUFCiTlpZW69hpaWlBZVq3bh20vXnz5sTGxp6yTM3rmjInmj17duC6Q7vdTlZW1pl+BEGOvxuIz2egRU0XsFoARUREpPE0aBfw6dx+++2B5z169KBfv360b9+ehQsXcuutt550P2NMUJdsXd2zDVGmZgDIybp/H3roIaZOnRp4XVpaek4hMC05DosFXF4fhytcpNa0AB5WABQREZHGE9ZpYDIyMmjfvj3bt28HID09HZfLRUlJSVC54uLiQOtceno6+/fvr3WsAwcOBJU5sRWvpKQEt9t9yjI13dEntgzWsNlspKSkBC3nIjbaSmqSvwu6yFEFLTv5NxwtBGfZOR1bRERE5GTCGgAPHTrE7t27ycjIAKBv377ExMSwZMmSQJnCwkI2btzIwIEDARgwYAAOh4PPP/88UGbNmjU4HI6gMhs3bqSwsDBQZvHixdhsNvr27Rsos2LFiqCpYRYvXkxmZiYdOnRotPd8oozjB4LEN4eElv4NagUUERGRRtKgAbCsrIz8/Hzy8/MB2LlzJ/n5+RQUFFBWVsb06dNZvXo1u3btYtmyZYwePZrU1FRuueUWAOx2OxMnTmTatGksXbqU9evXc+edd9KzZ8/AqOBu3bpxww03MGnSJHJzc8nNzWXSpEmMGjWKrl27ApCdnU337t3Jyclh/fr1LF26lOnTpzNp0qRAq924ceOw2WxMmDCBjRs3Mn/+fB599NGQjQCukZ5y3GTQoIEgIiIi0ugaNACuW7eOyy+/nMsvvxyAqVOncvnll/PHP/6RqKgoNmzYwJgxY+jSpQt33XUXXbp0YfXq1SQnJweO8dRTTzF27Fhuu+02Bg0aREJCAu+99x5RUVGBMq+++io9e/YkOzub7OxsevXqxcsvvxzYHhUVxcKFC4mLi2PQoEHcdtttjB07ljlz5gTK2O12lixZwp49e+jXrx933303U6dODbrGLxQy6poKBuDQtyGth4iIiEQOiwnlrS8uMKWlpdjtdhwOx1lfD/jcsh3896Kt3Hp5G568/TL47M+wdCb0+iHc+nzDVlhEREQa5Pf7fKd7AYdZrRbAFrobiIiIiDQuBcAwC8wFWKrJoEVERCQ0FADDrOZ+wIWOSv88hC2qp4KpOgIVh8NXMREREblgKQCGWVqKfx7AKrcPR6UbYhMgpa1/o1oBRUREpBEoAIZZXEwULRNjgeNHAle3AioAioiISCNQAGwCjr8nMHDcdYCaDFpEREQangJgE1AzEnifJoMWERGREFAAbAJqtQAGpoJRC6CIiIg0PAXAJiAjMBL4hC7gwztA83SLiIhIA1MAbAKO3Q+4OgA2bw+WKHBXwNHCMNZMRERELkQKgE3AsbuBVF8DGBUDzTv4n+s6QBEREWlgCoBNQPpxt4ML3Jq5pW4JJyIiIo1DAbAJqAmAFS4vR50e/0pNBSMiIiKNRAGwCUiIjcYeHwMcPxegRgKLiIhI41AAbCIyjusGBo6bCkZdwCIiItKwFACbiIzAXIAnTAZdshO8njDVSkRERC5ECoBNRPqJcwGmtIHoOPB5wFEQxpqJiIjIhUYBsInIOPFuIFar7ggiIiIijUIBsIlIP/EaQICWnfyPug5QREREGpACYBNRazJo0FQwIiIi0igUAJuIdi0SANh1qAKP1+dfGQiAagEUERGRhqMA2ERkNU8gMTYKl8fHzoPl/pUtL/Y/Fm+GmjuEiIiIiJwjBcAmwmq10DU9GYDNhaX+lRm9wBoNZfvBsTuMtRMREZELiQJgE9ItIwWALYVH/Sti4iG9p//57s/DVCsRERG50CgANiE1AXBrUemxlW2v9D/uWRuGGomIiMiFSAGwCemW4e8C3lJ4fAC8wv+oACgiIiINRAGwCema7m8B3F/q5HC5y78yqzoAFn4F7qqT7CkiIiJSfwqATUiSLZr2Lf3TwQRaAZu1h8Q08Lmh8Msw1k5EREQuFAqATUy39JqBINUB0GI5rhtYA0FERETk3CkANjG1RgLDsW5gjQQWERGRBqAA2MRcUudAkJqRwOvCUCMRERG50CgANjHdq1sAvykuw11zS7jMy8ASBUf3gWNP+ConIiIiFwQFwCambfN4km3RuLw+dhwo86+MTYT0Hv7n6gYWERGRc6QA2MRYLJZAN/DW468DDAwEUTewiIiInBsFwCbo2ECQuq4DVAugiIiInBsFwCbokuqpYDYfHwADE0J/CR5nGGolIiIiFwoFwCbo2C3hjusCbt4RElqC1+W/K4iIiIjIWVIAbIK6pidjscDBMicHjla39lks6gYWERGRBqEA2AQlxEbTsWUiAFuL6ugG3rM2DLUSERGRC4UCYBNV90CQmjuCKACKiIjI2VMAbKIuSa/jOsDMPmCxQukeKN0XppqJiIjI+U4BsImqswXQlgRpl/qfqxtYREREzlKDBsAVK1YwevRoMjMzsVgsvPPOO0HbjTHMmDGDzMxM4uPjGTZsGJs2bQoq43Q6uffee0lNTSUxMZGbb76ZPXuCb39WUlJCTk4Odrsdu91OTk4OR44cCSpTUFDA6NGjSUxMJDU1lfvuuw+XyxVUZsOGDQwdOpT4+HjatGnDzJkzMcY02OdxLrplHrslnNPjPbah5jpA3RFEREREzlKDBsDy8nJ69+7NM888U+f2xx9/nCeffJJnnnmGtWvXkp6ezvDhwzl69Fg355QpU5g/fz7z5s1j5cqVlJWVMWrUKLzeYyFo3Lhx5Ofns2jRIhYtWkR+fj45OTmB7V6vl5EjR1JeXs7KlSuZN28eb731FtOmTQuUKS0tZfjw4WRmZrJ27Vqefvpp5syZw5NPPtmQH8lZy7THkRIXjcdn2FFcfmxDzUjg3WvCUzERERE5/5lGApj58+cHXvt8PpOenm4ee+yxwLqqqipjt9vNP/7xD2OMMUeOHDExMTFm3rx5gTJ79+41VqvVLFq0yBhjzObNmw1gcnNzA2VWr15tALN161ZjjDEffPCBsVqtZu/evYEyr7/+urHZbMbhcBhjjHn22WeN3W43VVVVgTKzZ882mZmZxufz1es9OhwOAwSO2dBu+8cq0/7B982b63YfW3lkjzEPpxjzsN2Yo8WNcl4REZELWWP/fp8PQnYN4M6dOykqKiI7OzuwzmazMXToUFatWgVAXl4ebrc7qExmZiY9evQIlFm9ejV2u53+/fsHylx11VXY7fagMj169CAzMzNQZsSIETidTvLy8gJlhg4dis1mCyqzb98+du3a1fAfwFmo8zpAexvIuAww8PWHYamXiIiInN9CFgCLiooAaN26ddD61q1bB7YVFRURGxtL8+bNT1kmLS2t1vHT0tKCypx4nubNmxMbG3vKMjWva8qcyOl0UlpaGrQ0psAdQYpOOM8lI/2PWz9o1POLiIjIhSnko4AtFkvQa2NMrXUnOrFMXeUbooypHgBysvrMnj07MPDEbreTlZV1ynqfqx5t7ADkFxzB7fUd29D1Jv/jt5+Cq7yOPUVEREROLmQBMD09HajdulZcXBxoeUtPT8flclFSUnLKMvv37691/AMHDgSVOfE8JSUluN3uU5YpLi4GardS1njooYdwOByBZffu3ad/4+egW3oKLRJjKXd5WV9w5NiG1pdCs3bgqYIdnzZqHUREROTCE7IA2LFjR9LT01myZElgncvlYvny5QwcOBCAvn37EhMTE1SmsLCQjRs3BsoMGDAAh8PB558fmwZlzZo1OByOoDIbN26ksLAwUGbx4sXYbDb69u0bKLNixYqgqWEWL15MZmYmHTp0qPM92Gw2UlJSgpbGZLVauLpzKgCfbT9wbIPFApeM8j/fpm5gEREROTMNGgDLysrIz88nPz8f8A/8yM/Pp6CgAIvFwpQpU3j00UeZP38+GzduZMKECSQkJDBu3DgA7HY7EydOZNq0aSxdupT169dz55130rNnT66//noAunXrxg033MCkSZPIzc0lNzeXSZMmMWrUKLp27QpAdnY23bt3Jycnh/Xr17N06VKmT5/OpEmTAqFt3Lhx2Gw2JkyYwMaNG5k/fz6PPvooU6dOPW2XdCgN6dIKgBXbDwZvqOkG3vYheD0hrpWIiIic1xpySPGnn35qgFrLXXfdZYzxTwXz8MMPm/T0dGOz2cyQIUPMhg0bgo5RWVlpJk+ebFq0aGHi4+PNqFGjTEFBQVCZQ4cOmTvuuMMkJyeb5ORkc8cdd5iSkpKgMt99950ZOXKkiY+PNy1atDCTJ08OmvLFGGO++uorM3jwYGOz2Ux6erqZMWNGvaeAMSY0w8iLHJWm/YPvmw6/ed8cLnMe2+BxG/NYe/+UMDtXNtr5RURELjSaBsYYizFN5NYX56HS0lLsdjsOh6NRu4NHPLWCbfuP8sy4yxnV69jUNrz9c/hqHgyYDCP+q9HOLyIiciEJ1e93U6Z7AZ8HBl9cfR3g1yd0Awemg1kIyvEiIiJSTwqA54HB1dcBfrb9QPC9ii+6FqJsULITDmwNU+1ERETkfKMAeB64skMLYqOt7HNUsePAcfP+2ZKg0zD/860Lw1I3EREROf8oAJ4H4mOjuLJDC+CE6WAALqkZDazpYERERKR+FADPE0O6+K8DXPH1CQGwy42ABfbmQWlh7R1FRERETqAAeJ4YfLH/OsDcbw/j9HiPbUhuDW2v8D9XK6CIiIjUgwLgeeKS9GRSk2xUur3kfVdywsbqbuAtC0JfMRERETnvKACeJywWC0NqpoM58a4gl94CWODbZXBoR8jrJiIiIucXBcDzyOAuddwXGKB5B7h4uP953ouhrZSIiIicdxQAzyODOvsD4Ma9pRwqcwZv7DfR/7j+FXBXhrhmIiIicj5RADyPpCXH0S3Df8uald+c0A188XCwt4PKEtg0Pwy1ExERkfOFAuB5puY6wOUnTgdjjYJ+P/Y/X/tCiGslIiIi5xMFwPPM0K7+6WCWbimmyu0N3nh5Dlhj/HMC7lsfhtqJiIjI+UAB8DzTv2NL2jSLx1HpZvHm/cEbk1rBpWP9z9f+T8jrJiIiIucHBcDzTJTVwvf6tgXgP+t21y5wxU/9jxve9F8PKCIiInICBcDz0A+qA+DKbw6yp6QieGNWf0i7FDyVkP96GGonIiIiTZ0C4Hkoq0UCAy9qiTHwVt7e4I0WC1xRPSXMuv8BY0JfQREREWnSFADPU7f1ywLgP3m78flOCHm9boPYZDj0DexcHobaiYiISFOmAHieuqFHOslx0ewpqWT1t4eCN9qSofft/ue5z4W+ciIiItKkKQCep+JiohhzWSYA/1vXYJD+vwCLFb5eBLs/D3HtREREpClTADyP1XQDf7ixCEeFO3hj6sVw2R3+5x/P0LWAIiIiEqAAeB7r2cbOJenJuDw+Fny5t3aBYb+BKBt893/wzdLQV1BERESaJAXA85jFYuEH1a2A/7tuT+0C9rZw5ST/86V/Ap8vhLUTERGRpkoB8Dx3y+VtiImysGGvg837SmsXuHqqf0Rw0VeweX7oKygiIiJNjgLgea5FYizDu7cGTjIYJLElDLrP//yTWeB11y4jIiIiEUUB8AJw+xXtAHhj7W4OHHXWLnDV3ZCQCoe/hfUvh7h2IiIi0tQoAF4AhlycSu+sZlS6vfxj+Y7aBWxJMPQB//Plj4OronYZERERiRgKgBcAi8XC1OFdAHgl9zv2l1bVLtR3AtjbwdFCWKPJoUVERCKZAuAFYsjFqfRr3xynx8ffP/2mdoFoG1z7e//z5Y/DoTpaCkVERCQiKABeICwWC1Oz/a2A8z7fzd4jlbUL9boNOl0Dnip4527weUNcSxEREWkKFAAvIAMvSmVAp5a4vD6e+WR77QIWC9z8N4hNgt258Pk/Q19JERERCTsFwAvMtOpWwP+s20PBoToGezRrB9mP+J9//Cd1BYuIiEQgBcALTL8OLRjSpRUen+GvS+toBQTo+2PoOAQ8lbDgXt0hREREJMIoAF6AakYEz1+/hx0HymoXsFjg5mcgJtF/n+C1L4S4hiIiIhJOCoAXoMuymnF9tzR8Bp5YtK3uQs3bw/A/+Z9//DAc3hm6CoqIiEhYKQBeoKZldyXKamHRpiI+3FBYd6F+E6HDYHBXwJs/BncdI4dFRETkgqMAeIHqlpHCL4deBMAf3t1ISbmrdiGrFcb8HeKbw7718N4UMCa0FRUREZGQUwC8gN17XWcuTkviYJmLP723qe5CzdvDD+aCJQq+mge5z4a0jiIiIhJ6CoAXMFt0FI9/vxdWC7yTv4+PN++vu2CnYTDiv/zPF/8ednwSsjqKiIhI6CkAXuAub9ecnw7uBMDv3tmAo9Jdd8H+v4De48D44D8/hsPfhrCWIiIiEkoKgBFg6vAudExNZH+pk/9auLnuQhYLjHoK2vSFqiPw+jhwHg1pPUVERCQ0FAAjQFyMvyvYYoH/XbeH5V8fqLtgTBzc/ioktYYDW+CNHHBXhbayIiIi0ugUACPEFR1acNeADgDc/0Y+uw/XcZs4gJQM+OFr/kmiv/0U/nc8eOoYQSwiIiLnrZAGwBkzZmCxWIKW9PT0wHZjDDNmzCAzM5P4+HiGDRvGpk3Bo1edTif33nsvqampJCYmcvPNN7Nnz56gMiUlJeTk5GC327Hb7eTk5HDkyJGgMgUFBYwePZrExERSU1O57777cLku7KDzmxsvoWcbO4fLXUz69zrKnZ66C7btB+PmQXQcbP/IP0eg9yTXDoqIiMh5J+QtgJdeeimFhYWBZcOGDYFtjz/+OE8++STPPPMMa9euJT09neHDh3P06LFr0aZMmcL8+fOZN28eK1eupKysjFGjRuH1egNlxo0bR35+PosWLWLRokXk5+eTk5MT2O71ehk5ciTl5eWsXLmSefPm8dZbbzFt2rTQfAhhEhcTxT/H96VVso2tRUe5/418fL6TzPvXcYi/JTAqFra+D29PAu9JAqOIiIicX0wIPfzww6Z37951bvP5fCY9Pd089thjgXVVVVXGbrebf/zjH8YYY44cOWJiYmLMvHnzAmX27t1rrFarWbRokTHGmM2bNxvA5ObmBsqsXr3aAGbr1q3GGGM++OADY7Vazd69ewNlXn/9dWOz2YzD4aj3+3E4HAY4o32agrzvDpuLf/uBaf/g+2bOR1tPXXjbImP+1NKYh1OMeWuSMV5PaCopIiLSSM7X3++GFPIWwO3bt5OZmUnHjh354Q9/yLff+qcb2blzJ0VFRWRnZwfK2mw2hg4dyqpVqwDIy8vD7XYHlcnMzKRHjx6BMqtXr8Zut9O/f/9Amauuugq73R5UpkePHmRmZgbKjBgxAqfTSV5eXuO9+SaiT7vmzL61JwBPf/IN73257+SFu4zwTxRtjYav3oC3JmpgiIiIyHkupAGwf//+/Pvf/+ajjz7i//2//0dRUREDBw7k0KFDFBUVAdC6deugfVq3bh3YVlRURGxsLM2bNz9lmbS0tFrnTktLCypz4nmaN29ObGxsoExdnE4npaWlQcv56nt92/KzIf75AX/95pd8tefIyQt3GwXfewGsMbBpPrw8FioOh6SeIiIi0vBCGgBvvPFGvve979GzZ0+uv/56Fi5cCMBLL70UKGOxWIL2McbUWneiE8vUVf5sypxo9uzZgYEldrudrKysU9arqXvwhksY1rUVVW4f4//1ORv3Ok5e+NJb4M63wGaHgtXwP8M1WbSIiMh5KqzTwCQmJtKzZ0+2b98eGA18YgtccXFxoLUuPT0dl8tFSUnJKcvs31/7lmcHDhwIKnPieUpKSnC73bVaBo/30EMP4XA4Asvu3bvP8B03LVFWC0//6HIuy2rGkQo3d7yw5tQhsNNQmPgR2LPg0DfwwnDYvTZ0FRYREZEGEdYA6HQ62bJlCxkZGXTs2JH09HSWLFkS2O5yuVi+fDkDBw4EoG/fvsTExASVKSwsZOPGjYEyAwYMwOFw8PnnnwfKrFmzBofDEVRm48aNFBYWBsosXrwYm81G3759T1pfm81GSkpK0HK+S46L4d8Tr+Tyds1wVNYjBKZ1g59+DBm9oeIgvDQKvnwjdBUWERGRc2YxxpxkHpCGN336dEaPHk27du0oLi5m1qxZLF++nA0bNtC+fXv++7//m9mzZ/Piiy9y8cUX8+ijj7Js2TK2bdtGcnIyAL/85S95//33mTt3Li1atGD69OkcOnSIvLw8oqKiAH9X8759+3j++ecB+NnPfkb79u157733AP80MJdddhmtW7fmiSee4PDhw0yYMIGxY8fy9NNP1/v9lJaWYrfbcTgc530YPFrl5q5/fc4XBUewx8fwysT+9GxrP/kOzjL/gJCvF/lfX34n3PgExCaEpsIiIiJn6UL6/T5bIW0B3LNnDz/60Y/o2rUrt956K7GxseTm5tK+fXsAHnjgAaZMmcLdd99Nv3792Lt3L4sXLw6EP4CnnnqKsWPHcttttzFo0CASEhJ47733AuEP4NVXX6Vnz55kZ2eTnZ1Nr169ePnllwPbo6KiWLhwIXFxcQwaNIjbbruNsWPHMmfOnNB9GE1MclwML/3kSvq2b17dEpjL+oKSk+9gS/LPEzj0N4AF1r8C/+9aKN4asjqLiIjI2QlpC+CF5kL8L4gyp4e7/vU5ed+VYIu28vj3ezHmsjan3unb5f6Josv2Q3Q8jPwzXH5HaCosIiJyhi7E3+8zpXsBS5AkWzQv/eRKru+WhtPj41fz8pnz0baT3zEE/INDfrESOg0DTyW8ezfMuwOOnnxKHREREQkfBUCpJckWzfM5/fjF0IsAeObTb/jlq3knv3cwQFIa3Pk2XPN7/6TRW9+Hv18JX7wMamQWERFpUhQApU5RVgu/ufESnrytN7FRVj7atJ/vPbeKgkMVJ9/JGgVDfw0/WwYZl0GVAxZMhn+PgcM7Q1V1EREROQ1dA3gOmuI1BEddR9l4cCNfHfiKrYe3You2kZaQRlp8Gq0SWtE6oTVdW3QlPjq+3sfM+66En7+cx8EyJ0m2aGbcfCnf69Pm1BN0ez2Q+yx8+l/gqfJfG3j1/TDwXo0UFhGRsGqKv9+hpgB4DprKF+hw1WGezX+WdUXr+NbxLYZT/0ltUTauSL+CIW2HMKTtENoknWaQB7DvSCW/mreetbv8I4Nv7JHOo7f0pHli7Kl3PLQD3vsV7PrM/zqlDVz3MPT8AVjVAC0iIqHXVH6/w0kB8Bw0hS/Qlwe+ZNqyaeyvOHb3kzZJbejVqhc9WvbAa7wUVxRTXFHMgcoD7Dm6hwOVB4KOcZH9IoZ3GM7IjiPpYO9w0nN5fYZ/LN/BU0u+xuMzpCXbmPOD3gzp0urUlTQGNr0NS2aAo8C/LrMP3DAb2l11lu9cRETk7DSF3+9wUwA8B+H8AhljeG3ra8xZNwePz0OHlA5M6TOF3mm9SY1PPeV+249s57M9n7Fizwq+PPAlXuMNbO/RsgejLhrFiA4jTnqcDXscTHljPTsOlANwW7+2PHjDJbRMsp260u4qyP07fPYkuMr86y7O9s8l2Pbkd2ARERFpSAqACoDnJFxfoAp3BTNWzeDDXR8CMLz9cB4Z9AiJMYlnfCyH08GKPStYuHMhuftyA2EwyhLF4DaD+X6X7zOozSCirdFB+1W6vMz+cAv/Xv0dAClx0fz6hksYd2U7oqynuDYQoKwYPpkF618G4/Ov6zwchv0G2vY74/cgIiJyJhQAFQDPSTi+QCVVJfx40Y/Z4dhBtCWaqf2mcme3O089IKOeDlYe5KNdH7Hw24VsOLghsD4tIY1bOt/CrRffSmZSZtA+ed8d5g/vbGJzYSkAPdqk8MiYHlzervnpT3hoB6yYA1+9ATWtkJ2vh0G/gg6DoQHek4iIyIkUABUAz0k4vkC/X/l73t3xLq3iWzFn6Bz6tO7TKOf51vEtb339Fgt2LOCI8wgAFiwMzBzI97p8j2FthxETFQOAx+vj1TUFzFm8jaNV/rkCR/fO5P7rL6ZTq6TTn+zQDvjsz/DlvGNBML0nDJgMl94K0acZaCIiInIGFAAVAM9JqL9AefvzmLBoAgCv3PQKvVv1bvRzurwuPin4hDe3v8mawjWB9S3iWjDmojHccvEtdLR3BODAUSePfbiVt77YA/jnEvx+n7bcd/3FtGlWj2lnDu2A1X+H/Nf8dxQBSEqHK38Kl4+H5NYN/v5ERCTyKAAqAJ6TUH6B3D43t713G98c+YbvXfw9Zgyc0ajnq8vu0t28/c3bvPPNOxysPBhYf3na5Yy5aAwjOowgKTaJTfsc/Hnx13yytRiA2Cgr4/q34+dDO5Fhr0cQrDgMeS/Cmn9CWfXt5KzR0PVG6DsBOl2rKWREROSsKQAqAJ6TUH6BXtr0EnPWzaG5rTkLxi6gWVyzRj3fqXh8HlbsWcHb29/ms72f4aseyBEXFcf17a9nbOexXJF+BesLjvDER9vI/fYwANFWCzf3zmTSkE50y6jH5+Vxwab5sPYF2PP5sfX2dtAnB3rdBs07NMI7FBGRC5kCoALgOQnVF6iovIib37mZSk8lMwfO5JaLb2m0c52p4opi3v/2fd755h12Oo7d7i0tIY2bOt7ETR1v4uChVJ759BvW7Dwc2D6kSyt+PqQTAy9qWb8BLPs3wxcvwZev+28xVyPrKuj1A/+1ggktGvKtiYjIBUoBUAHwnITqCzR12VSWfLeEy9MuZ+4Nc7Faml73pzGGjQc38s437/Dhrg856joa2HaR/SJGdhpJe9tA3s1z8uGGQnzV37pOrRIZd2U7vten7envKgLgroTNC+DL1+Db5VBz1xNrtH8Ecfcx/q7i+HqMQhYRkYikAKgAeE5C8QX6bM9n3L30bqIsUbwx6g26tujaKOdpSC6vi8/2fsbCbxeyfPdyXD5XYFu3Ft24Mu0aCvd2YVG+m3KXf9RvbLSVm3qk86Mr23Flxxb1axUs3Qcb34Kv/heKvjq23hrtn0am22i4ZJQGj4iISBAFQAXAc9LYXyCn18kt797C7qO7Gd99PL++4tcNfo7GdtR1lI+/+5gPdn7A2qK1QXcd6dL8EtKi+vLNzvZs35MM+ENfVot4xvRuw9jL29A5rR7TyAAUb4XN7/hbB4s3BW/L7ANdRviX9N4aQCIiEuEUABUAz0ljf4Hmb5/PH1f9kbT4NBbcsuCs7vTRlJRUlbC0YCmLdy3m86LPg8Jgq7gMEj29+LagA+WOLMB/55EebVIYe1kbbuiRTtvmCfU70aEdsGWBPwzu+yJ4W1JruHg4dLoGOg2DxJPfNk9ERC5MCoAKgOekMb9Axhhuf/92thzewtS+U/lxjx836PHDraSqhGW7l/HJ7k9YvW81Tq8zsC3WGk+i9xL27++I62gXjKcZAD3b2LmhRzojLk2vf8vg0SLYvhi+/gi+XXbsHsQ10ntWh8Gh/gEltnoeV0REzlsKgAqA56Qxv0BfHfiKOz64g1hrLB//4GOax124gxoq3BWsLlzNpwWf8tnezzhcdThou82XSdmRjrjLL8Jb0Ql8cVzUKpFrL0ljWNc0rujQgtjoenTrepzw3f/Bjk9gxzLYvyF4uyUKMi+D9oP8S7urIL5ZQ71NERFpIhQAFQDPSWN+gX772W9579v3uPmim/mvq/+rQY/dlPmMjy2HtvDZ3s9YuXclGw5uCMwzCICx4qtqi7u8M97yjngr25MYE8/AzqkM69qKqzun0q5FQv0GkZQVw84VsONT2LUCjhScUMACad0g60rI6u9fWnTSPYpFRM5zCoAKgOeksb5AJVUlXPef63D73Lx202v0bNWzwY59vjlSdYTcolzWFK5hTeEadh/dHVzAWPFWtcFb0RFPRQd8le3JTE5l4EUtGdTZ/5iWElfPk+32txDuWul/PPxt7TLxLaBNH//AkjZ9oE1fSEo79zcqIiIhowCoAHhOGusL9D8b/oe/fPEXLm15KfNGzWuw414I9pXtI7cwl7VFa1m3fx1F5UW1yvicqXgr2+GtbI+3sh1tkzpwZYdWXNGhOVd0aEHH1MT6txDu/hx2r/E/7lsPx12rGJDSBjJ6Q3ov/2NGL/86tRSKiDRJCoAKgOekMb5AXp+Xm96+iX3l+3hk0COM7Ty2QY57odpXto+8/Xms27+OL/Z/wa7SXbXKGF8M3qpMfJVt8VZlkWLpyGUZF3F5Vgsub9ecXll2UuJiTn8yjxP2b4K9ef4wuDcPDmwjMBn18eKbQ+se0PrSY0urSyD2/B7JLSJyIVAAVAA8J43xBVq+ezmTP5mM3Wbn4+9/TFx0PbsvBQCH08GXB770L8VfsuHgRio85bXKGa8NrzMDX1UmPmcmGXEXcVnrLvRqm0rPNnYubWMnyRZ9+hM6j0LRBij8Cgq/9E9IfWAr+Dx1FLZAs3b+6wpbXVK9dIXUi8GWfO5vXkRE6kUBUAHwnDTGF+gXH/+C/9v7f0y4dALT+k1rkGNGMp/xscuxi42HNrLx4EY2HNjItpJtuI+7O0kNY6z4nK3wOdPxOdNpZetA1xaduSy9I90zm3FJRjJtmsWfvvvYXQUHt/lbCwPLRig/cPJ9kjMhtTOkdoGWF0PLi/wDTpq1h6h6BFEREak3BUAFwHPS0F+g3aW7uWn+TViwsPCWhWSlZDVALeVEHp+HnY6dbD28lS2Ht7DhwGa+Pvw1Fd6jdZY3vhh8zjR8ztbE+NLJSGhHlxYX0Sv9IrqlN+PitGRap9hOHwzLD8GBLVC8xd9KWLwVDn4N5cUn38caDc07+MNg847QomP1Yyd/a2KMWohFRM6UAqAC4Dlp6C/QnLVzeGnzS1zd5mqeu/65Bqih1Jcxhv0V+9lesp2vS77mqwNb2HZoO4UVBfioqzvX32JoXC3wuVKJ8qaRGteG9sntuSS1Iz1at6dTqyQ6tEwk8XRdyZUlcPAbfxg8+DUc+sY/Avnwt+CpOvW+SenQvL2/pbB5e7BnQbMssLcDe1sFRBGROigAKgCek4b8AlV5qrjuP9dR6irlmWufYWjW0AaqpZwLj8/DnqN72HFkB9sOb2fjge18e2Qn+6t24zEnD2fGF43P3RzjboHNpJEal0HbpLZ0at6Obq3a06WVf77CZgkxJ2859PmgdC8c3gGHd0LJzuMed4Gr7hbLIIlp/iBobwMpbY973gaSMyA5HaLqMQBGROQCogCoAHhOGvIL9L/b/pdHch+hTVIbFt6ykChrVAPVUhqDMYbiimJ2lu5kR8kuNh34hm9KvmNfeQGlnv0YvKfc3+dJwLhbEOVtTlJ0K1rGtSYjMYNOzbO4uEVbuqSm06Z5PC0SY+sOiMb4Ww5LdsGR76DkO//jkd3g2O1/dNce/FKbxT+PYXIGpGT6A2FNMEzO8N87OTkdElLBWo+7rYiInAcUAEFXlzcBXp+Xf2/+NwA53XMU/s4DFouF1omtaZ3Ymqsyrgra5vF5KCovYvfR3Ww//B2bD+xkp6OA4opCHO79uCnDGl0B0RXAHsqAMuC7csgtB/b4WxCNxw4eO/HWljSPySIz/mIubtaVji3SyLDH0Toljtb2S2mRcTlW6wkhsSYgHikAxx5/S2LgcS+U7oOjheBzQ9l+/1KYf4o3HAWJrSC5tT8UJqb5g2NSmn99zWNiK/8UOPoOi4g0aWoBPAcN9V8QS79bypRlU0iJTWHJ95eQEJPQgLWUpqbMVcbesr3scuxmy4ECdh7Zw96yQg5WFlHqOYAbxyn397mb4a1sg3E3x+dJxupLoVlsC1LjW9I6sRWZKS1JT0kgLTmOVik2WiXZSEu20SIxluio41rxfD6oOOgPgzWB8GjRcY9FUFYE5Qepc67Dk7FYIaGlPwwmtITEVH8LYmKq/3WtpQVE287uwxQROQtqAVQLYJPw4qYXAbi96+0KfxEgKTaJri260rVFV0Z0rL3d7XWzv2I/u0v3sf3QXrYfLuCbI9vZXf41Dk8h1pgjWGOOBO1TARQABQbMEQvmUALGm4jxJFU/JoIvkXirnZTYZjSPa05qfHPSEluSkdyS1sk9aJHYlxZpsbRMjKVFUizJtmh/97PX45/CpqwIju73j1ouq15qnpcf9D+vLAHj85c/1bQ3J4pN8t9mL6F6iW/ufx3f3L8ktIC4ZtWvqx/jmkF07Fn/HUREIplaAM9BQ/wXRH5xPjkf5hBjjWHx9xeTGp/awLWUC8lR11G2Ht7K1sNbKa4oprjiAIVlBzhQcZAS5yHKPaWcUWtdNeO14a3Kwlt+EZ7yi/BVtSEmKprmCbG0SIw99pgYQ/OEWJolxNIsPobmiTGB580SYkmJMURXHfaHv4qD/qlvKg5WB8QDUHkYKg77X1cc8r82vrP/QGIS/EEwzu4PhjXPg5YU/6Mt5dg6W4p/vVoeRSKSWgDVAhh2L270t/6Nvmi0wp+cVnJsMlekX8EV6VfUud3r83LEeYTDVYc5XHWYQ5WHKHGWcKjyMEVlB9lffohDlYcpdTko8zio8h7F4MMS5SQ68RuiE7/BRnUgrGyPw5OCwxvHt6U2zJE4jDcOfHEYn636uc3/3BcHvljASnJcNM0SYrDHx2CPz8Ie3wl7fAwp8THYU2JIiYsJvE6xWWlmrSTFlJLkK8XmclQHwyP+cFhZ4l8qDkPVkerXR6DKARhwV/iXo/vO7gONsvmDoC3ZHwqPf4xL8bdM2pKPW58UvC42yb8uJlGDZETkvKIAGEa7HLv4dPenANzV/a4w10YuBFHWKFrGt6RlfMt6lfcZH0ddRykqLyJvfx5ri9byedHnlLpKiU76+ozPb3yx+Hw2DnttHPLZMK5YqLJhDtkwvtjqwBh7XHCMBRMbeB5DHIkxCSTFtiXZdgkpcfEk22JIjoshuVk0yXHRJNmiSbJZaW6txG4pJ4UKkkwZSaaMOO9R4rxlRLuOYqly+ENjlQOqSsFZeux5zRQ6XueZd1efTExidUBM9AfDmnAYm1i9JFc/JlRvT/S3YAYeq9cfvy7aBqebYFxE5CwoAIbRvzf/G4NhWNthdGrWKdzVkQhktVix2+zYbXa6tujKuG7j8Bkf2w5vY8PBDTicDo66j1LmKqPMXUaZq4xydznl7nLK3P7nZa4yPMY/WbbF6sJidUF0PeYoPAk3UFK9GGMBTwzmaCw4bBhfDPhiMb5YjIkNPMcXE/TaQiw2aypx0W2Jj44nITqehNg4EhITSLYlkBwTS8toCy2tbppHVZFEBcmWShJNJQlUEO8rJ85bTqyvghhPOTGecqLcZVicR8FVBs4yf4h0loGpnvLHXV7PqXfOgMXqD4I1ATEmEWLig5/HJBy3rvp5dHz1tprtcdWBMu7Y6+j4Y4+63aBIxNG/+jA5VHmId795F4C7LlXrnzQdVouVbi270a1lt3qVN8bg8rkCwbBmqXBXUO6pfqxeV+mpDDzWrK9ZV+6uoNxdQaWnApfPCYDFYiDKhQUX/slyzkxV9VJy/Epn9UJ1wAyEx+jqxxiMianjMY0o2hJtjSUmxkaszYbNbiMhKopkKyRbISXKQorF51+sXux4ScaDHTfJxkWCz0mcqSLWV0mMr5JoTwVRXv+j1V2BxVMBrnIs3up7VRufP3C6yqCBs2UQa3RwIIyJqw6L8f7H6Lhj26Jt1ettx7ZFxx17HXPC6+OfR8VWv65+jLKp61wkTBQAG5nb52be1nm0SmhF64TWpCWk0Sq+Fa9vfR2Xz0XP1J70bd033NUUOWsWiwVblA1blI0WcS0a5Jhen5cqb1UgKFZ6KoOeV3iOravyVB23vZIydwVlrgoq3P7XlZ5KnF4nTm8lLp8Tt88ZuL1fcMCsHwO4qpcy4FBdBQxQx9gWYyxgoqtDZTRYYzDEgjUBExMNJgZ80ViJJtZiJZYo4iwWbBYL8ViIs0CCxUI8hgSLj4SaR+MjAS8JeIk3HhKMhwTjJsHnJt7rJN7nIt7nJN7jJM5TSYy3CqvXeaxiPo+/RbM+d5dpaNaY6oBo8wfCQDiMPSE42o57jKkua6tjW+xJnlfvExXrP0fUiUtM8HN1vcsFTgGwkR2qPMTjax+vtd6C//9cJlw64eS3AhOJUFHWKBKtiSTGJEJ8wx/f7XPj9DgDIbMmSDq9zsDzKm+V/9FTRbmriqOuCspdlVR4qqhwV1HpObbd6XXh8jlxef0B02NceIwLr3Hhwx04r8ViwOIGq5vT/av3VC8VDfrOY4FYjGkOJgpMNBZjxWKisBgrVp8VKxaijZVoLMRgIcZYiLVYiKne22aM/xETWOKMDxtebMZHnPFiM17ijMf/6PNg87mJ9Xmw+VzE+dzEGEO0McRgiDGGmOpW0BjwvzaGaDjtZ9SoasKgNfrkITHwOqaOstXPrTHHylpjTrPt+PXRx7bXeh193PoTXluj1aoq9aIA2MiMMdzQ4QaKK4rZX7GfAxUHcPlcGAydm3XmunbXhbuKIhEnxhpDTGwMSSQ1+rlqusirPFW4fW6qPFW4vK7qVkknLq/LH0TdVZS5nJS5Kqh0O6lwO6n0OKl0+0Op0+PCGdjPhcvrwu2rWdx4jBuPz4XXuPEaNz48+IwbH26MxRNUJ4vFBxYfVIfTExst698eWh9R1ctZMBasxorVWPwL/scoA9Ece4wGog1EY4ipfozFHzJjA0HTRyyGWOP1PzdeYqsfY4yXGGOIAqKNIRrjP7bxEYOLKOMk2gPRbv/6mJrtGKKMCZw7ykBUdR2iTvo6BMHWYq0jHEYfFyRPfF792hp1XNnjlqjqbdaYE16fsG/Qfie+rmvd6cpE1S5jqWOdNUottmdBAbCRZSRl8MTQJwKvjTE4nA4OVB4gMylTt30TucAd30UeLsYYPD4PLp8/OPrDoxuXz4Xb68bpcVHhdlLhqaLS7fKHTreLSo8Tp8dNlcdFlccfPJ0eFy6fx9/a6fXg8rlxeV14fB48PvdxYdSN13j9YdR48BoPXtz4jBeDFx8eTGDxgqWO+2dbDD6Lt67e9HNQE0hjGvSoZ8JqqpfqEGuFQDiMrg6LtR9N4DGm+jEanz+AAlHGYIXqcv7XUYHjuok2bqxUEOWDaJ857pwGa3WAtVbXIbBvXeuqH601ofaEc1mP36c69FoDj8HHtNZxnrNuu7RYjwuI1a2gQaHxuHWWqMB1wJFMATDELBYLzeKa0SyuWbirIiIRwmKxEBMVQ0xUjL9bvQkyxuA1Xtw1IdLn8YdWrwunx02lx0WVx43T7cLpdVPp9q93+tw43W5cPn+QdXnduLweXF43bt+xR7f32DE9Pi8enxuPqX5tPHh9nurAWr34PNWtqD5/gMWLMV58xz/iCwRYgw/wHRdmfWCpe1J2n8W/nH7SdssJj5HBekLIPD5QWmtCJtQKl3UHTYPVeLDiqd7HYAG8lob9z4rzUcQHwGeffZYnnniCwsJCLr30Uv7yl78wePDgcFdLRCSiWCwWoi3RRFujiW+MCz/DwGd8eH3e6oDpxePz4PZ6cHrdOD3+xyq3P5g6vf5tx8KrF3fNOp8Hl8eN1+fF7fPi8XkDodZrfP7j+ryBc3hN9aPP539uPPiqnx8LuN7jwq0PY/zbjfHhwxv0PPBYXc7/3GDMsdDrD8M1r6sfLf5HMNWXHNRcenCaz81i8bf6WgL/0+C8dbU4R5iIDoBvvPEGU6ZM4dlnn2XQoEE8//zz3HjjjWzevJl27dqFu3oiInIes1qsWKOsxISxu7kp8lWHTZ/x4fF6cHuPD7Ze/2tvdUut14vL5y/j8QUvbq8/qHq8XjzVx3N7fXh81eurH32+mnXVgdznpaKsjC3cG+6PIqwi+l7A/fv3p0+fPjz33HOBdd26dWPs2LHMnj37tPvrXoIiIiLnH/1+n8P1luc7l8tFXl4e2dnZQeuzs7NZtWpVmGolIiIi0vgitgv44MGDeL1eWrduHbS+devWFBUV1bmP0+nE6Tw2dKi0tLRR6ygiIiLSGCK2BbDGiZMwG2NOOjHz7NmzsdvtgSUrKysUVRQRERFpUBEbAFNTU4mKiqrV2ldcXFyrVbDGQw89hMPhCCy7d+8ORVVFREREGlTEBsDY2Fj69u3LkiVLgtYvWbKEgQMH1rmPzWYjJSUlaBERERE530TsNYAAU6dOJScnh379+jFgwAD++c9/UlBQwC9+8YtwV01ERESk0UR0ALz99ts5dOgQM2fOpLCwkB49evDBBx/Qvn37cFdNREREpNFE9DyA50rzCImIiJx/9PsdwdcAioiIiEQqBUARERGRCKMAKCIiIhJhFABFREREIowCoIiIiEiEUQAUERERiTAKgCIiIiIRRgFQREREJMIoAIqIiIhEGAVAERERkQgT0fcCPlc1d9ErLS0Nc01ERESkvmp+tyP5brgKgOfg0KFDAGRlZYW5JiIiInKmDh06hN1uD3c1wkIB8By0aNECgIKCgoj9AjUVpaWlZGVlsXv37oi9sXdTob9F06K/R9Ohv0XT4XA4aNeuXeB3PBIpAJ4Dq9V/CaXdbtc/5iYiJSVFf4smQn+LpkV/j6ZDf4umo+Z3PBJF7jsXERERiVAKgCIiIiIRRgHwHNhsNh5++GFsNlu4qxLx9LdoOvS3aFr092g69LdoOvS3AIuJ5DHQIiIiIhFILYAiIiIiEUYBUERERCTCKACKiIiIRBgFQBEREZEIowB4lp599lk6duxIXFwcffv25bPPPgt3lSLSihUrGD16NJmZmVgsFt55551wVylizZ49myuuuILk5GTS0tIYO3Ys27ZtC3e1ItJzzz1Hr169AhMODxgwgA8//DDc1RL8/04sFgtTpkwJd1Ui0owZM7BYLEFLenp6uKsVFgqAZ+GNN95gypQp/O53v2P9+vUMHjyYG2+8kYKCgnBXLeKUl5fTu3dvnnnmmXBXJeItX76ce+65h9zcXJYsWYLH4yE7O5vy8vJwVy3itG3blscee4x169axbt06rr32WsaMGcOmTZvCXbWItnbtWv75z3/Sq1evcFclol166aUUFhYGlg0bNoS7SmGhaWDOQv/+/enTpw/PPfdcYF23bt0YO3Yss2fPDmPNIpvFYmH+/PmMHTs23FUR4MCBA6SlpbF8+XKGDBkS7upEvBYtWvDEE08wceLEcFclIpWVldGnTx+effZZZs2axWWXXcZf/vKXcFcr4syYMYN33nmH/Pz8cFcl7NQCeIZcLhd5eXlkZ2cHrc/OzmbVqlVhqpVI0+NwOAAi+mbrTYHX62XevHmUl5czYMCAcFcnYt1zzz2MHDmS66+/PtxViXjbt28nMzOTjh078sMf/pBvv/023FUKi+hwV+B8c/DgQbxeL61btw5a37p1a4qKisJUK5GmxRjD1KlTufrqq+nRo0e4qxORNmzYwIABA6iqqiIpKYn58+fTvXv3cFcrIs2bN48vvviCtWvXhrsqEa9///78+9//pkuXLuzfv59Zs2YxcOBANm3aRMuWLcNdvZBSADxLFosl6LUxptY6kUg1efJkvvrqK1auXBnuqkSsrl27kp+fz5EjR3jrrbe46667WL58uUJgiO3evZtf/epXLF68mLi4uHBXJ+LdeOONgec9e/ZkwIABXHTRRbz00ktMnTo1jDULPQXAM5SamkpUVFSt1r7i4uJarYIikejee+9lwYIFrFixgrZt24a7OhErNjaWzp07A9CvXz/Wrl3LX//6V55//vkw1yyy5OXlUVxcTN++fQPrvF4vK1as4JlnnsHpdBIVFRXGGka2xMREevbsyfbt28NdlZDTNYBnKDY2lr59+7JkyZKg9UuWLGHgwIFhqpVI+BljmDx5Mm+//TaffPIJHTt2DHeV5DjGGJxOZ7irEXGuu+46NmzYQH5+fmDp168fd9xxB/n5+Qp/YeZ0OtmyZQsZGRnhrkrIqQXwLEydOpWcnBz69evHgAED+Oc//0lBQQG/+MUvwl21iFNWVsY333wTeL1z507y8/Np0aIF7dq1C2PNIs8999zDa6+9xrvvvktycnKgldxutxMfHx/m2kWW3/72t9x4441kZWVx9OhR5s2bx7Jly1i0aFG4qxZxkpOTa10Hm5iYSMuWLXV9bBhMnz6d0aNH065dO4qLi5k1axalpaXcdddd4a5ayCkAnoXbb7+dQ4cOMXPmTAoLC+nRowcffPAB7du3D3fVIs66deu45pprAq9rruG46667mDt3bphqFZlqpkUaNmxY0PoXX3yRCRMmhL5CEWz//v3k5ORQWFiI3W6nV69eLFq0iOHDh4e7aiJhtWfPHn70ox9x8OBBWrVqxVVXXUVubm5E/n5rHkARERGRCKNrAEVEREQijAKgiIiISIRRABQRERGJMAqAIiIiIhFGAVBEREQkwigAioiIiEQYBUARERGRCKMAKCJyjj755BMuueQSfD4fADNmzOCyyy5r9PNeccUVvP32241+HhG58CgAioicowceeIDf/e53WK3n/n+pb731FlFRURQUFNS5/ZJLLuG+++4D4A9/+AO/+c1vAsFTRKS+FABF5ILndrsb7dirVq1i+/bt/OAHP2iQ49188820bNmSl156qda2//u//2Pbtm1MnDgRgJEjR+JwOPjoo48a5NwiEjkUAEUkZIwxPP7443Tq1In4+Hh69+7Nm2++Gdi+bNkyLBYLS5cupV+/fiQkJDBw4EC2bdsWdJz33nuPvn37EhcXR6dOnfjTn/6Ex+MJbLdYLPzjH/9gzJgxJCYmMmvWLABmzZpFWloaycnJ/PSnP+U3v/lNoKt2xYoVxMTEUFRUFHSuadOmMWTIkJO+p3nz5pGdnU1cXNxJy+zcuZPOnTvzy1/+Ep/Ph8vl4oEHHqBNmzYkJibSv39/li1bBkBMTAw5OTnMnTuXE+/U+a9//Yu+ffvSu3dvAKKiorjpppt4/fXXT3puEZE6GRGREPntb39rLrnkErNo0SKzY8cO8+KLLxqbzWaWLVtmjDHm008/NYDp37+/WbZsmdm0aZMZPHiwGThwYOAYixYtMikpKWbu3Llmx44dZvHixaZDhw5mxowZgTKASUtLM//zP/9jduzYYXbt2mVeeeUVExcXZ/71r3+Zbdu2mT/96U8mJSXF9O7dO7Bfly5dzOOPPx547Xa7TVpamvnXv/510vfUu3dv89hjjwWte/jhhwPH3bBhg8nIyDC/+c1vAtvHjRtnBg4caFasWGG++eYb88QTTxibzWa+/vprY4wxmzZtMoD59NNPA/uUlZWZpKQk8+yzzwad69lnnzUdOnQ4zScvIhJMAVBEQqKsrMzExcWZVatWBa2fOHGi+dGPfmSMORYAP/7448D2hQsXGsBUVlYaY4wZPHiwefTRR4OO8fLLL5uMjIzAa8BMmTIlqEz//v3NPffcE7Ru0KBBQQHwv//7v023bt0Cr9955x2TlJRkysrKTvq+7Ha7+fe//x20riYArlq1yrRo0cI88cQTgW3ffPONsVgsZu/evUH7XHfddeahhx4Kqu/48eMDr//1r3+Z+Ph4U1JSErTfu+++a6xWq/F6vSeto4jIidQFLCIhsXnzZqqqqhg+fDhJSUmB5d///jc7duwIKturV6/A84yMDACKi4sByMvLY+bMmUHHmDRpEoWFhVRUVAT269evX9Axt23bxpVXXhm07sTXEyZM4JtvviE3Nxfwd7nedtttJCYmnvR9VVZW1tn9W1BQwPXXX8/vf/97pk+fHlj/xRdfYIyhS5cuQe9h+fLlQZ/DxIkTefPNNzl69GigLrfeeivNmjULOk98fDw+nw+n03nSOoqInCg63BUQkchQM1J14cKFtGnTJmibzWYLeh0TExN4brFYgvb3+Xz86U9/4tZbb611juODWF2hreZYNcwJ19ilpaUxevRoXnzxRTp16sQHH3wQuDbvZFJTUykpKam1vlWrVmRmZjJv3jwmTpxISkpKoP5RUVHk5eURFRUVtE9SUlLg+Q9/+EPuv/9+3njjDYYNG8bKlSuZOXNmrfMcPnyYhIQE4uPjT1lPEZHjKQCKSEh0794dm81GQUEBQ4cOPevj9OnTh23bttG5c+cz2q9r1658/vnn5OTkBNatW7euVrmf/vSn/PCHP6Rt27ZcdNFFDBo06JTHvfzyy9m8eXOt9fHx8bz//vvcdNNNjBgxgsWLF5OcnMzll1+O1+uluLiYwYMHn/S4ycnJ/OAHP+DFF1/k22+/pVOnTgwbNqxWuY0bN9KnT59T1lFE5EQKgCISEsnJyUyfPp37778fn8/H1VdfTWlpKatWrSIpKYm77rqrXsf54x//yKhRo8jKyuIHP/gBVquVr776ig0bNgRG+9bl3nvvZdKkSfTr14+BAwfyxhtv8NVXX9GpU6egciNGjMButzNr1qw6W9xONGLEiDqnbAF/K+TChQu58cYbufHGG1m0aBFdunThjjvuYPz48fz5z3/m8ssv5+DBg3zyySf07NmTm266KbD/xIkTGTx4MJs3b2b69Om1WjABPvvsM7Kzs09bTxGR4+kaQBEJmUceeYQ//vGPzJ49m27dujFixAjee+89OnbsWO9jjBgxgvfff58lS5ZwxRVXcNVVV/Hkk0/Svn37U+53xx138NBDDzF9+nT69OnDzp07mTBhQq3r96xWKxMmTMDr9TJ+/PjT1ufOO+9k8+bNtaaqqZGUlMSHH36IMYabbrqJ8vJyXnzxRcaPH8+0adPo2rUrN998M2vWrCErKyto36uvvpquXbtSWlpaZ0Deu3cvq1at4sc//vFp6ykicjyLOfEiGBGRCDF8+HDS09N5+eWXg9ZPmjSJ/fv3s2DBgnod54EHHsDhcPD88883RjVP6te//jUOh4N//vOfIT2viJz/1AUsIhGhoqKCf/zjH4wYMYKoqChef/11Pv74Y5YsWRIo43A4WLt2La+++irvvvtuvY/9u9/9jr///e94vd5aAzsaU1paWtAIYxGR+lILoIhEhMrKSkaPHs0XX3yB0+mka9eu/P73vw8aTTxs2DA+//xzfv7zn/PUU0+FsbYiIo1LAVBEREQkwmgQiIiIiEiEUQAUERERiTAKgCIiIiIRRgFQREREJMIoAIqIiIhEGAVAERERkQijACgiIiISYRQARURERCKMAqCIiIhIhPn/zajNcx6npLQAAAAASUVORK5CYII=",
"text/html": [
"\n",
"
\n",
"
\n",
" Figure\n",
"
\n",
" \n",
"
\n",
" "
],
"text/plain": [
"Canvas(toolbar=Toolbar(toolitems=[('Home', 'Reset original view', 'home', 'home'), ('Back', 'Back to previous …"
]
},
"metadata": {},
"output_type": "display_data"
}
],
"source": [
"E = energy_scale/1000\n",
"Z = 26\n",
"E_0 = 30\n",
"a = [0, -73.9,1,2446,36.502,148.5, 0.1293,-0.006624,0.0002906]\n",
"g = np.sqrt(Z)* (E_0-E)/E *(a[1]+a[2]*E+a[3]*np.log(Z)+a[4]*E**a[5]/Z)*(1+(a[6]+a[7]*E_0)*Z/E)\n",
"\n",
"\n",
"a = [0,54.86,1.072, 0.2835, 30.4,875,-0.08]\n",
"g2 = np.sqrt(Z)* (E_0-E)/E *(a[1]+a[2]+a[3]*E_0 +a[4]*np.log(Z)+a[5]*E_0**a[6]/Z**2)\n",
"b = [2000,-.6]\n",
"f = (b[0]+b[1]*E_0)*Z/E\n",
"\n",
"plt.figure()\n",
"plt.plot(E,g2, label = 'parametrized')\n",
"plt.plot(E,N_E/100, label = 'Kramer')\n",
"plt.plot(E,g2*detector_Efficiency,label = 'parametrized with Detector')\n",
"plt.xlim(0,5)\n",
"plt.xlabel('energy (keV)')\n",
"plt.legend();"
]
},
{
"cell_type": "markdown",
"metadata": {},
"source": [
"## Fitting Background\n",
"\n",
"Neither Kramer's Law nor any of the parametrized versions of the Bremsstrahlung are usefull for fitting.\n",
"\n",
"The following expression is used for fitting purposes:\n",
"\n",
"$$ N(E) = \\epsilon(E) A(E) \\left[ p_0+ p_1 \\frac{E_0-E}{E} + p_2 \\frac{(E_0-E)^2}{E} \\right]$$\n",
"\n",
"in which we have the fitting parameters ($p_0, p_1, p_2$) of a polynomial of the overvoltage."
]
},
{
"cell_type": "code",
"execution_count": 7,
"metadata": {},
"outputs": [
{
"data": {
"text/plain": [
"(0.0, 4.0)"
]
},
"execution_count": 7,
"metadata": {},
"output_type": "execute_result"
},
{
"data": {
"application/vnd.jupyter.widget-view+json": {
"model_id": "5fb39cdc0ad5437f9c169d02a5a71659",
"version_major": 2,
"version_minor": 0
},
"image/png": "iVBORw0KGgoAAAANSUhEUgAAAoAAAAHgCAYAAAA10dzkAAAAOnRFWHRTb2Z0d2FyZQBNYXRwbG90bGliIHZlcnNpb24zLjEwLjcsIGh0dHBzOi8vbWF0cGxvdGxpYi5vcmcvTLEjVAAAAAlwSFlzAAAPYQAAD2EBqD+naQAAapNJREFUeJzt3Xl8VNX9//HXzGQPyWQjG4QAshtABGQTtS5BBJSqxWqlbkWtW6lY69LF9meltbZ+W7Vara3WDVsVFVEKooLIHonsyJ4QErJP9v3+/rjJQCBhTXJneT8fj/uYm5kzM5/LRfPm3HvOsRmGYSAiIiIifsNudQEiIiIi0rUUAEVERET8jAKgiIiIiJ9RABQRERHxMwqAIiIiIn5GAVBERETEzygAioiIiPgZBUARERERP6MAKCIiIuJnFABFRERE/IwCoIiIiIifUQAUERER8TMKgCIiIiJ+RgFQRERExM8oAIqIiIj4GQVAERERET+jACgiIiLiZxQARURERPyMAqCIiIiIn1EAFBEREfEzCoAiIiIifkYBUERERMTPKACKiIiI+BkFQBERERE/owAoIiIi4mcUAEVERET8jAKgiIiIiJ9RABQRERHxMwqAIiIiIn5GAVBERETEzygAioiIiPgZBUARERERP6MAKCIiIuJnFABFRERE/IwCoIiIiIifUQAUERER8TMKgCIiIiJ+RgFQRERExM8oAIqIiIj4GQVAERERET+jACgiIiLiZxQARURERPyMAqCIiIiIn1EAFBEREfEzCoAiIiIifkYBUERERMTPKACKiIiI+BkFQBERERE/owAoIiIi4mcUAEVERET8jAKgiIiIiJ9RABQRERHxMwqAIiIiIn5GAVBERETEzygAioiIiPgZBUARERERPxNgdQHerKmpiYMHDxIREYHNZrO6HBERETkJhmFQXl5OcnIydrt/9oUpAJ6BgwcPkpKSYnUZIiIichqys7Pp2bOn1WVYQgHwDERERADmX6DIyEiLqxEREZGTUVZWRkpKivv3uD9SADwDLZd9IyMjFQBFRES8jD/fvuWfF75FRERE/JgCoIiIiIifUQAUERER8TMKgCIiIiJ+RgFQRERExM8oAIqIiIj4GQVAERERET+jACgiIiLiZxQARURERPxMlwbAuXPnMnr0aCIiIoiPj2f69Ons2LGjVZubb74Zm83Wahs7dmyrNrW1tdx7773ExcURHh7OlVdeyYEDB1q1KSkpYebMmTidTpxOJzNnzqS0tLRVm6ysLKZNm0Z4eDhxcXHcd9991NXVdcqxi4iIiHiKLg2Ay5Yt4+6772b16tUsWbKEhoYG0tPTqaysbNXu8ssvJzc31719/PHHrV6fPXs28+fPZ968eaxYsYKKigqmTp1KY2Oju80NN9xAZmYmixYtYtGiRWRmZjJz5kz3642NjUyZMoXKykpWrFjBvHnzePfdd5kzZ07n/iGIiIiIWMxmGIZh1ZcXFBQQHx/PsmXLuOCCCwCzB7C0tJT333+/zfe4XC66d+/Oa6+9xnXXXQfAwYMHSUlJ4eOPP2bSpEls27aNIUOGsHr1asaMGQPA6tWrGTduHNu3b2fgwIF88sknTJ06lezsbJKTkwGYN28eN998M/n5+Se1tm9ZWRlOpxOXy6W1gEVERLyEfn9bfA+gy+UCICYmptXzX3zxBfHx8QwYMIBZs2aRn5/vfi0jI4P6+nrS09PdzyUnJ5OWlsbKlSsBWLVqFU6n0x3+AMaOHYvT6WzVJi0tzR3+ACZNmkRtbS0ZGRkdf7AeqqC8lic+3sZXuwqtLkVERES6SIBVX2wYBvfffz/nn38+aWlp7ucnT57M9773PVJTU9m7dy+//OUvufjii8nIyCA4OJi8vDyCgoKIjo5u9XkJCQnk5eUBkJeXR3x8/DHfGR8f36pNQkJCq9ejo6MJCgpytzlabW0ttbW17p/LyspO7+A9RENjE3e9kcG6fSW8uHwPV4/owaNTBhPbLdjq0kRERKQTWRYA77nnHjZu3MiKFStaPd9yWRcgLS2NUaNGkZqaysKFC7n66qvb/TzDMLDZbO6fj9w/kzZHmjt3Lr/5zW/aPygv8+cl37JuXwnBAXbqGpt4b0MOn+/I59EpQ7jm3B7t/jmIiIiId7PkEvC9997Lhx9+yOeff07Pnj2P2zYpKYnU1FR27twJQGJiInV1dZSUlLRql5+f7+7RS0xM5NChQ8d8VkFBQas2R/f0lZSUUF9ff0zPYIuHH34Yl8vl3rKzs0/ugD3Qsm8L+NsXuwH404zhvPfj8QxKjKCkqp4H/vsNP/jHGvYWVp7gU0RERMQbdWkANAyDe+65h/fee4/PPvuMPn36nPA9RUVFZGdnk5SUBMDIkSMJDAxkyZIl7ja5ubls3ryZ8ePHAzBu3DhcLhdr1651t1mzZg0ul6tVm82bN5Obm+tus3jxYoKDgxk5cmSbtQQHBxMZGdlq80Z5rhp++nYmADeO7cXUYcmM6BXNgnvP5+eXDyI4wM7K3UVM+r/lzFubZW2xIiIi0uG6dBTwXXfdxZtvvskHH3zAwIED3c87nU5CQ0OpqKjgscce45prriEpKYl9+/bxyCOPkJWVxbZt24iIiADgxz/+MR999BGvvPIKMTExPPDAAxQVFZGRkYHD4QDMewkPHjzI3//+dwBuv/12UlNTWbBgAWBOA3POOeeQkJDAH//4R4qLi7n55puZPn06zzzzzEkdjzeOImpobOKGf6xh7d5ihiRF8t5d4wkJdLRqs7+okl+8v5kvdxYS5LCzdM6FpMSEWVSxiIhIx/LG398drUt7AJ9//nlcLhcXXXQRSUlJ7u3tt98GwOFwsGnTJq666ioGDBjATTfdxIABA1i1apU7/AE8/fTTTJ8+nRkzZjBhwgTCwsJYsGCBO/wBvPHGGwwdOpT09HTS09MZNmwYr732mvt1h8PBwoULCQkJYcKECcyYMYPp06fz1FNPdd0fiAX+snQna/cWEx7k4LkfnHtM+ANIjQ3n37eex4R+sdQ1NvGHRdstqFREREQ6i6XzAHo7b/sXxIqdhcz85xoMA/56/QiuHJ583PZbD5Yx5ZkvMQx498fjGZkafdz2IiIi3sDbfn93Bq0F7Cfyy2qY/fYGDAOuP6/XCcMfwJDkSK491xyk8/jCrejfCiIiIr5BAdBPPP3pTgor6hiUGMGvpw056fc9MGkgoYEONmSVsnBT7onfICIiIh5PAdBPrNtXDMAD6QPbvO+vPQmRIdx+QV8A/rBoO7UNjSd4h4iIiHg6BUA/UFZTz+6CCgDO6RV1yu+/48K+xEcEk11czasr93VscSIiItLlFAD9wKYDLgwDekaHEncay7yFBQXwQLo5bc8zn+2iuLKuo0sUERGRLqQA6Acys0sBGJ4Sddqfcc3IngxOiqS8poG/Lt3ZMYWJiIiIJRQA/cA3zQHwnJ5Rp/0ZDruNX0wZDMDrq/ezp/mSsoiIiHgfBUA/8M2BUuDMegABJvSL4+JB8TQ0Gcz9RJNDi4iIeCsFQB+X56rhUFktdhuk9TjzyS4fuWIQDruNJVsPsTnH1QEVioiISFdTAPRxLff/DUiIICwo4Iw/r198BFOGJgHw0pd7zvjzREREpOspAPq4lsu/I05j+pf2tMwL+NHGXA6UVHXY54qIiEjXUAD0cS0DQIafwQCQo6X1cDKhXyyNTQb/XLGvwz5XREREuoYCoA9rajLYeMC8T+9MB4Ac7fYLzgJg3rosXFX1HfrZIiIi0rkUAH3YnsIKKmobCA100D++W4d+9gX94xiUGEFVXSOvr9nfoZ8tIiIinUsB0IdlZpu9f0N7OAlwdOypttls7nsBX1m5T2sEi4iIeBEFQB/mvv8vxdkpnz9teDJJzhAKymt5f0NOp3yHiIiIdDwFQB/WEUvAHU+gw86tE/oA8OLyPTQ1GZ3yPSIiItKxFAB9VE19I9tyy4COHQF8tO+fl0JEcAC7Cyr5bHt+p32PiIiIdBwFQB+1NbeMhiaD2PAgekaHdtr3RIQEcsPYXgD8ffnuTvseERER6TgKgD7qmyMu/9pstk79rlsn9CHQYWPdvhK+zirp1O8SERGRM6cA6KM6YwLo9iREhnDVOT0AeHGZlocTERHxdAqAPuob9wTQnTMC+GgtU8L8b2se+4squ+Q7RURE5PQoAPqg0qo69haaIeycThoBfLQBCRFcOKA7hgFvrMnqku8UERGR06MA6INaln/rHRtGVFhQl33vD8elAvCf9dnU1GtiaBEREU+lAOiDvunk+f/ac9HAeHpEhVJaVc/Cjbld+t0iIiJy8hQAfdA3B0qBrhkAciSH3cYNY8wpYV5brfWBRUREPJUCoI8xDMO9BnBX9wACzBiVQqDDRmZ2KZtzXF3+/SIiInJiCoA+5qCrhsKKWgLsNs5Ojuzy7+8eEczlaUkAvK5eQBEREY+kAOhjWu7/G5QUQUigw5Iabmy+DPxB5kHKauotqUFERETapwDoYzK7cALo9pzXJ4YBCd2orm/kvYwDltUhIiIibVMA9DGZFo0APpLNZuPGseaUMK+vycIwDMtqERERkWMpAPqYllU4BiVGWFrHd0f0ICzIwa78ClbvKba0FhEREWlNAdCHNDYZFFbUAeb6vFaKCAlk+ghzfWANBhEREfEsCoA+pKiylsYmA7sNYsO7bgWQ9tw4xrwM/L8teeSX1VhcjYiIiLRQAPQh+WW1AMR2CybAYf2pHZIcycjUaBqaDN5el211OSIiItLM+pQgHSa/3OxlS4gMtriSw24ca04J8+baLBoamyyuRkREREAB0Ke09ADGR1h7/9+RJqclERMeRK6rhqXb860uR0RERFAA9CmH3AHQc3oAQwIdfG9UT0CDQURERDyFAqAPabkEHG/xCOCj3TgmFZsNvtxZyJ6CCqvLERER8XsKgD7EE3sAAVJiwvjOwHgAXl+dZXE1IiIiogDoQwrcg0A8qwcQYOY4c0qY/2ZkU1XXYHE1IiIi/k0B0Id4ag8gwIX9u9MrJozymgY+zDxodTkiIiJ+TQHQRzQ1GRRUmAHQE3sA7Xabe0qYf6/ar/WBRURELKQA6COKKutobDKw2SCum/WrgLTleyNTCA6wszW3jK+zSq0uR0RExG8pAPqIlhHAseGesQpIW6LDg5g2PBmA11bts7YYERERP+aZSUFOWb4H3/93pB82Dwb5eFMehc2XrEVERKRrKQD6CE9cBq4tw3pGMbynk7rGJq0PLCIiYhEFQB9xyAOXgWvPzHG9AXhzTRaNTRoMIiIi0tUUAH2Et/QAAkwdlkRUWCA5pdV8pvWBRUREupwCoI9ouQewuwdOAXO0kEAH141KAeDfGgwiIiLS5RQAfcSh8uY5AD18EEiLHxyxPvDewkqryxEREfErCoA+oqDMvAQc7wU9gAC9YsO4aEB3AF5btd/iakRERPyLAqAPaGoyyC/3jmlgjvTD8b0B+O/6bCpqtT6wiIhIV1EA9AElVXU0NI+m7e5FAfDC/t3pGxdOeW0D72YcsLocERERv6EA6ANapoCJDQ8i0ENXAWmL3W7jpuZewFdW7qNJU8KIiIh0Ce9JC9KulilgvOX+vyNdM7InEcEB7C2sZNnOAqvLERER8QtdGgDnzp3L6NGjiYiIID4+nunTp7Njx45WbQzD4LHHHiM5OZnQ0FAuuugitmzZ0qpNbW0t9957L3FxcYSHh3PllVdy4EDrS4glJSXMnDkTp9OJ0+lk5syZlJaWtmqTlZXFtGnTCA8PJy4ujvvuu4+6urpOOfbO5C3LwLWlW3AAM0abU8L866t91hYjIiLiJ7o0AC5btoy7776b1atXs2TJEhoaGkhPT6ey8vA0IE8++SR//vOfefbZZ1m3bh2JiYlcdtlllJeXu9vMnj2b+fPnM2/ePFasWEFFRQVTp06lsbHR3eaGG24gMzOTRYsWsWjRIjIzM5k5c6b79cbGRqZMmUJlZSUrVqxg3rx5vPvuu8yZM6dr/jA6kDdNAt2Wm8b1xmaD5d8WsCu/wupyREREfJ9hofz8fAMwli1bZhiGYTQ1NRmJiYnG73//e3ebmpoaw+l0Gi+88IJhGIZRWlpqBAYGGvPmzXO3ycnJMex2u7Fo0SLDMAxj69atBmCsXr3a3WbVqlUGYGzfvt0wDMP4+OOPDbvdbuTk5LjbvPXWW0ZwcLDhcrlOqn6Xy2UAJ92+s/xi/iYj9ecfGX9ctN3SOs7Ej15dZ6T+/CPj0fkbrS5FRER8nKf8/raSpfcAulwuAGJiYgDYu3cveXl5pKenu9sEBwdz4YUXsnLlSgAyMjKor69v1SY5OZm0tDR3m1WrVuF0OhkzZoy7zdixY3E6na3apKWlkZyc7G4zadIkamtrycjIaLPe2tpaysrKWm2ewNt7AAFumdAbgHczcnBV1VtbjIiIiI+zLAAahsH999/P+eefT1paGgB5eXkAJCQktGqbkJDgfi0vL4+goCCio6OP2yY+Pv6Y74yPj2/V5ujviY6OJigoyN3maHPnznXfU+h0OklJSTnVw+4ULaOAu0d43yCQFuP6xjIoMYLq+kbeXp9ldTkiIiI+zbIAeM8997Bx40beeuutY16z2WytfjYM45jnjnZ0m7ban06bIz388MO4XC73lp2dfdyaukpByzJwXtwDaLPZuLl5SphXV+6nUVPCiIiIdBpLAuC9997Lhx9+yOeff07Pnj3dzycmJgIc0wOXn5/v7q1LTEykrq6OkpKS47Y5dOjQMd9bUFDQqs3R31NSUkJ9ff0xPYMtgoODiYyMbLVZzTAMr54G5kjTR/QgOiyQnNJqlmw99vyJiIhIx+jSAGgYBvfccw/vvfcen332GX369Gn1ep8+fUhMTGTJkiXu5+rq6li2bBnjx48HYOTIkQQGBrZqk5uby+bNm91txo0bh8vlYu3ate42a9asweVytWqzefNmcnNz3W0WL15McHAwI0eO7PiD7yQlVfXUNzavAtLNe3sAAUICHVx/Xi8A/vXVXourERER8V1dGgDvvvtuXn/9dd58800iIiLIy8sjLy+P6upqwLwMOHv2bJ544gnmz5/P5s2bufnmmwkLC+OGG24AwOl0cttttzFnzhyWLl3Khg0buPHGGxk6dCiXXnopAIMHD+byyy9n1qxZrF69mtWrVzNr1iymTp3KwIEDAUhPT2fIkCHMnDmTDRs2sHTpUh544AFmzZrlET17J+tQmdn7FxMeRFCA98/rPXNcKg67jTV7i9ly0GV1OSIiIj6pSxPD888/j8vl4qKLLiIpKcm9vf322+42Dz74ILNnz+auu+5i1KhR5OTksHjxYiIiItxtnn76aaZPn86MGTOYMGECYWFhLFiwAIfD4W7zxhtvMHToUNLT00lPT2fYsGG89tpr7tcdDgcLFy4kJCSECRMmMGPGDKZPn85TTz3VNX8YHSS/3HsngW5LkjOUyWnmrQCvaGJoERGRTmEzDEN325+msrIynE4nLpfLsl7D/6zP5sF3NnLBgO78+9bzLKmho2XsL+Ga51cS5LCz4uff8fp7G0VExLN4wu9vq3n/NUM/V+BjPYAAI1OjGZkaTV1jE6+s3Gd1OSIiIj5HAdDLtdwD6M1TwLTl9gv6AvDa6v1U1DZYXI2IiIhvUQD0cvllLT2AvnWZ9LLBCfSNC6e8poF5azUxtIiISEdSAPRyh3xgGbi22O02ZjX3Av5zxV7qG5ssrkhERMR3KAB6uXwfWAauPd8d0YO4bsEcdNWwcGPuid8gIiIiJ0UB0IsZhuETy8C1JyTQwc3jUwF4YdluNGBdRESkYygAerHSqnrqmi+NdvehUcBHunFsKmFBDrbnlfPlzkKryxEREfEJCoBerGUS6OiwQIIDHCdo7Z2iwoK4bnQKAC8u32NxNSIiIr5BAdCLtUwB42sjgI922/l9cNhtrNhVyOYcLQ8nIiJyphQAvZh7GTgfvP/vSD2jw5gyNAlQL6CIiEhHUAD0Yv7SAwiHJ4ZeuCmX7OIqi6sRERHxbgqAXsyXRwAfLa2Hk/P7xdHYZPDyir1WlyMiIuLVFAC92OEeQN8PgHC4F/DtddkUV9ZZXI2IiIj3UgD0YvnuHkDfvwQMMLF/HGk9Iqmub+TlFboXUERE5HQpAHoxdw+gH1wCBrDZbNx7cX8AXl25H1dVvcUViYiIeCcFQC9lGMbhUcB+MAikxWWDExiUGEFFbQP//Er3AoqIiJwOBUAv5aqup67Bt1cBaYvdfrgX8F9f7aWsRr2AIiIip0oB0Eu19P45QwMJCfTNVUDaMzktkX7x3SiraeDfK/dZXY6IiIjXUQD0Ui33//nDFDBHM3sB+wHwjxV7qahtsLgiERER76IA6KXyy/zv/r8jTR2WTJ+4cEqr6nl99X6ryxEREfEqCoBe6lC5f40APprDbuPu75i9gC8t30N1XaPFFYmIiHgPBUAv5e89gABXnZNMr5gwiirreGONegFFREROlgKgl8ov9997AFsEOuzcddFZAPx9+R5q6tULKCIicjIUAL2UegBNV5/bkx5RoRSU1/L2umyryxEREfEKCoBe6pB6AAEICrBzZ3Mv4AvLdlPboF5AERGRE1EA9EKGYagH8AgzRvUkMTKEXFcN89aqF1BEROREFAC9UEVtA7V+uApIe4IDHNzTPC/gM5/tpFLzAoqIiByXAqAXKq0ylz8LDrATGuRfq4C057rRKaTGhlFYUce/tEawiIjIcSkAeiFXtRkAnaGBFlfiOQIddu6/bABgjgguraqzuCIRERHPpQDohRQA2zZtWDKDEiMor2ng+WW7rS5HRETEYykAeqGWABgVpgB4JLvdxoOXDwTgla/2keeqsbgiERERz6QA6IVa7gFUD+CxvjMwnlGp0dQ2NPHXz3ZaXY6IiIhHUgD0QocvAQdZXInnsdlsPHj5IAD+sy6bfYWVFlckIiLieRQAvZDuATy+8/rE8J2B3WloMvjzkm+tLkdERMTjKAB6IVe1OcJVAbB9D0wy7wX88JuDbDnosrgaERERz6IA6IU0COTEzk52Mm14MgBP/W+HxdWIiIh4FgVAL6RBICfn/ssG4LDb+HxHAWv3FltdjoiIiMdQAPRCugfw5PSJC+e60SkAPL5wK01NhsUViYiIeAYFQC/kDoC6BHxCP710AN2CA9h4wMV7G3KsLkdERMQjKAB6IZcuAZ+07hHB3HtxPwCeXLSdytoGiysSERGxngKgl2lobKK8OcREKQCelJsn9KZXTBj55bW8oCXiREREFAC9TVnN4R6sSAXAkxIc4OCRKwYD8OLyPRwoqbK4IhEREWspAHqZlvv/woMcBDp0+k7WpLMTGNs3htqGJn7/yXaryxEREbGUEoSXOTwHoJaBOxU2m41fTT0bmw0+2pjL+n2aFkZERPyXAqCXKa0yVwHR5d9TNyQ5ku83TwvzmwWaFkZERPyXAqCXcfcAKgCelvsvG0i34AA25WhaGBER8V8KgF5Gk0Cfme4RwdyjaWFERMTPKQB6Gc0BeOZuOWJamOc+32V1OSIiIl1OAdDLHB4EogB4uoIDHDw6xZwW5qUv97Arv9ziikRERLqWAqCXKW0OgBoEcmbShyRwyaB46hsNHpm/GcPQgBAREfEfCoBeRj2AHcNms/Gbq84mNNDB2r3FvJNxwOqSREREuowCoJfRIJCO0zM6jJ9c2h+AJz7eRnFlncUViYiIdA0FQC/T4YNAstbA69fCsiehsrBjPtOL3HZ+HwYlRlBSVc/vP9lmdTkiIiJdQgHQyxyeB/AMVwIxDFjzd3jlCti1BD7/HTx9Nnx4L+T7TxAKdNj53XfTAPjP+gOs3asVQkRExPcpAHqZ0mrzMuUZ9QDWVcJ7s+CTB6GpAQZcDknnQEMNfP1v+NtY+Pd02LkEmpo6pG5PNjI1huvPM1cIeXT+JuoafP+YRUTEv3VpAFy+fDnTpk0jOTkZm83G+++/3+r1m2++GZvN1mobO3Zsqza1tbXce++9xMXFER4ezpVXXsmBA61v4C8pKWHmzJk4nU6cTiczZ86ktLS0VZusrCymTZtGeHg4cXFx3HfffdTVefY9YLUNjdTUm+HEebqDQIp2wz8uhU3/BZsDJs2F6+fB7V/ALYtg8DSw2WHP5/DGtfDmDGjw7D+XjvDzywcRGx7EzvwKXvpyj9XliIiIdKouDYCVlZUMHz6cZ599tt02l19+Obm5ue7t448/bvX67NmzmT9/PvPmzWPFihVUVFQwdepUGhsb3W1uuOEGMjMzWbRoEYsWLSIzM5OZM2e6X29sbGTKlClUVlayYsUK5s2bx7vvvsucOXM6/qA7UMvlX5sNIoIDTv0Dtn0EL14E+VuhWwLc/BGMu8v8QJsNUsfBda/DfRtg7N0QEGpeHv7op+YlYx8WFRbEL6aacwP+delOsoqqLK5IRESk85xGijh9kydPZvLkycdtExwcTGJiYpuvuVwuXn75ZV577TUuvfRSAF5//XVSUlL49NNPmTRpEtu2bWPRokWsXr2aMWPGAPDSSy8xbtw4duzYwcCBA1m8eDFbt24lOzub5ORkAP70pz9x880387vf/Y7IyMgOPOqO0zIAJDIkELvddmpv3vAGfHCXud9rHHzvFYho+8+Z6N5w+RPQ9yJ46zrIfN187sKfnWbl3mH6OT347/oDrNxdxC8+2Myrt4zGZjvFP2cREREv4HH3AH7xxRfEx8czYMAAZs2aRX5+vvu1jIwM6uvrSU9Pdz+XnJxMWloaK1euBGDVqlU4nU53+AMYO3YsTqezVZu0tDR3+AOYNGkStbW1ZGRkdPYhnrbTngPQMGDF0+b+yFvgpgXth78jDUiHK54y9z9/HL55+9S+18vYbDYen55GUICd5d8W8J/12VaXJCIi0ik8KgBOnjyZN954g88++4w//elPrFu3josvvpja2loA8vLyCAoKIjo6utX7EhISyMvLc7eJj48/5rPj4+NbtUlISGj1enR0NEFBQe42bamtraWsrKzV1pVKT3cKmLyNULQTAkLgst+C4xTeP/o2GH+vuf/B3bBvxal9t5fp270bD6QPAOD/fbSNnNJqiysSERHpeB4VAK+77jqmTJlCWloa06ZN45NPPuHbb79l4cKFx32fYRitLtW1ddnudNocbe7cue6BJU6nk5SUlJM5rA5z2pNAb37XfOyfDiGncXn70t/C4CuhqR7m3QAF3576Z3iR287vy7m9oqiobeDn72zUMnEiIuJzPCoAHi0pKYnU1FR27twJQGJiInV1dZSUlLRql5+f7+7RS0xM5NChQ8d8VkFBQas2R/f0lZSUUF9ff0zP4JEefvhhXC6Xe8vO7tpLhKcVAJuaYPN75n7aNaf3xXY7XP0i9BwNNS5zdHBFwel9lhdw2G089b3hBAfYWbGrkDfXZlldkoiISIfy6ABYVFREdnY2SUlJAIwcOZLAwECWLFnibpObm8vmzZsZP348AOPGjcPlcrF27Vp3mzVr1uByuVq12bx5M7m5ue42ixcvJjg4mJEjR7ZbT3BwMJGRka22rlR6OgHwwDpwZUNQNxgw6fS/PDDUnC4mujeU7oe3vu/T08P07d6NBy8fBMDvFm4ju1ijgkVExHd0aQCsqKggMzOTzMxMAPbu3UtmZiZZWVlUVFTwwAMPsGrVKvbt28cXX3zBtGnTiIuL47vf/S4ATqeT2267jTlz5rB06VI2bNjAjTfeyNChQ92jggcPHszll1/OrFmzWL16NatXr2bWrFlMnTqVgQMHApCens6QIUOYOXMmGzZsYOnSpTzwwAPMmjXLY0cAA5SdziCQze+Yj4OmmCHuTITHwQ/ehZAoyFlvDgzxYbeM7815vWOoqmvkwXc20tSkS8EiIuIbujQArl+/nhEjRjBixAgA7r//fkaMGMGvfvUrHA4HmzZt4qqrrmLAgAHcdNNNDBgwgFWrVhEREeH+jKeffprp06czY8YMJkyYQFhYGAsWLMDhcLjbvPHGGwwdOpT09HTS09MZNmwYr732mvt1h8PBwoULCQkJYcKECcyYMYPp06fz1FNPdd0fxmk45UvAjQ2wZb65n3ZtxxQR1w+ufMbc/+qvsGdZx3yuB7LbbTx57TBCAx2s2lPE62v2W12SiIhIh7AZusP9tJWVleF0OnG5XF3Sc3jLv9by+Y4C/nDNUK4b3evEb9j9Obw2HUKjYc63EHCG6wcf6cP74OtXISIJfrwSwmI67rM9zKsr9/HrD7cQGuhg0eyJpMaGW12SiIicga7+/e2JPPoeQGntcA/gSQa5ltG/Q67q2PAHcPlciO0P5bnw4b0+vVLIzLGpjO0bQ3V9Iz/770YadSlYRES8nAKgFzmlQSANtbDtQ3P/dEf/Hk9QOFzzD7AHwvaPIOOVjv8OD2G323jymuGEBTlYu6+Yv32+y+qSREREzogCoBc5pUEguz8zp2zplgipEzqnoORz4JJfmfuLHvbp+QF7xYbx26vSAPi/pTtZv6/Y4opEREROnwKglzAM49QGgWxqHv179nfB7jh+2zMx7h5zzeCGanj3NrPn0Uddc24PrjonmcYmg5/My3SfDxEREW+jAOglquoaqW807z07YQCsq4QdH5v7Qzto9G977HaY/gKExphLzn32/zr3+yzUslZwr5gwckqrefg9rRIiIiLeSQHQS7T0NgU6bIQFnaBH79tFUF8FUanQo/2JrTtMZBJc9Zy5v/IZ2Ptl53+nRSJCAvnr9SMIsNv4eFMe89Z17WowIiIiHUEB0EuUVh2+/Hu89YqB1ku/nahtRxl0BZx7k7m/4D6o892VM85JieJnk8xJxX+zYAs7D5VbXJGIiMipUQD0Eid9/191KexcbO53xujf40n/fxCRDMV74Iu5XfvdXWzWxL5M7B9HTX0T9761gZr6RqtLEhEROWkKgF7ipAPg9oXQWAfdB0HC2V1Q2RFCnDD1z+b+qmch5+uu/f4uZLfb+NOM4cR1C2J7XjlPfLzN6pJEREROmgKgl3BV1wEnEQC3WHD590gDJ5vLzhlN8ME90FDX9TV0kfiIEP404xwA/r1qPws35lpbkIiIyElSAPQSLvccgMdZ0cMw4MA6c3/A5V1QVTsm/8EcFZy/Bb76i3V1dIELB3TnzgvPAuBn73zDt7ofUEREvIACoJc4chBIuyryzcmfbXaIG9BFlbUhPA4mP2nuL38S8rdbV0sXeCB9AOPPiqWqrpE7X8ugrEbzA4qIiGdTAPQSJ3UPYOEO8zEqFQJDuqCq4xh6LfSfZN6P+OE90OS7gyQCHHaeuX4Eyc4Q9hRWMuc/39Ck9YJFRMSDKQB6iZMKgAXNAbD7oC6o6ARsNnNASFCEeVl67YtWV9SpYrsF8/yNIwly2Fmy9RDPL9ttdUkiIiLtUgD0EqcWAC28/HskZ0+47Dfm/tLfQsk+S8vpbMNTovh/082R108t3sGybwssrkhERKRtCoBe4vAgkJO4BBw3sAsqOkkjb4HUCebKJB/eZw5U8WHXje7F9eelYBjwk3kbyC723QmxRUTEeykAeomT6wH81nzs7kEB0G6HK5+BgFDYuwy+ftXqijrdY1eezfCUKEqr6rnjtQyq63z3/kcREfFOCoBeomUUcLs9gNWlUJFn7ls5ArgtsWfBxb8w9//3C3AdsLaeThYc4OD5H5xLbHgQW3PL+Nk7GhQiIiKeRQHQCzQ1Ge6pRSLb6wEsbO79i0iGkMguquwUjP0x9BwNdeWwYLbPXwpOjgrluR+cS6DDxkcbc3n602+tLklERMRNAdALlNc0uPNSu5eAPW0AyNHsDrjqOXAEwa4l8M1bVlfU6cb2jeV33x0KwDOf7eLdDN/u+RQREe+hAOgFWu7/Cw10EBzgaLuRJw4AOVr3gXDRQ+b+ooegPM/aerrAjFEp3HWRuVLIQ+9tZM2eIosrEhERUQD0Cqc2AMRDewBbjP8JJJ1jrljy0f0+fykY4IH0gVwxNJH6RoM7Xs9gX2Gl1SWJiIifUwD0AqXVdcCJAmDzcmueMAn08TgCzEvB9kDYsRA2v2t1RZ3Obrfxp++dw/CeTkqr6rn1lXWUVtVZXZaIiPgxBUAv4O4BbG8EcH01lGaZ+558CbhFYhpc8IC5/8mDUFlobT1dIDTIwUs3jaJHVCh7Ciu58/UM6hqarC5LRET8lAKgF2iZAqbdHsDCnYABodEQHtd1hZ2J8++HhDSoKoKF/nEpOD4ihJdvHkW34ABW7ynmoXc3anoYERGxhAKgF3CvAnKiKWDiBppr8HqDgKDmS8EBsPUD2PSO1RV1iUGJkTxzwwgcdhvvbchh7ifbrC5JRET8kAKgFyg70SAQ9xQwXnD590jJ58AFD5r7H8+BsoOWltNVvjMwnj9cMwyAl77cy9+X7ba4IhER8TcKgF7ghJeA3QNAvCwAAky8H5LPNUcFf3C3X1wKBrh2ZE8enmwO2Jn7yXb+uz7b4opERMSfKAB6Afcl4PYGgRx5CdjbOALhu3+HgBDY/Rmsf9nqirrMHReexayJfQB46L1NfLr1kMUViYiIv1AA9AIt08C0uQxcYwMUNV9C9PQ5ANvTfQBc+pi5v/iXh4/HDzw8eTBXn9uDxiaDu9/8mvX7iq0uSURE/IACoBdwVTcAEBUWdOyLJXuhqR4CwyGyZxdX1oHOuwN6T4T6Knj/x9DUaHVFXcJut/GHa4Zx8aB4ahuauPWVdezIK7e6LBER8XEKgF7guINAWu7/i+sPdi8+nXY7TP8bBEVA9hpY+VerK+oygQ47z91wLuf2iqKspoEbX17DnoIKq8sSEREf5sWJwX+0rBrRdgD00hHAbYnqBZP/YO5/9jvI22xtPV0oNMjBP28ezaDECArKa7nhpTXsL9KScSIi0jkUAD1cfWMTlXXm5dA25wF0DwDx0vv/jnbODTDwCvOy9nu3Q32N1RV1maiwIF7/0Rj6x3cjr6yG619cTXZxldVliYiID1IA9HAtl3+hnUEg7h5AD18D+GTZbDDtLxDeHfK3wJJfWl1Rl4rrFswbs8bQt3s4B101XP/SanJKq60uS0REfIwCoIcrbQ6AESEBOOxHrfLR1NS8DBy+cQm4Rbd4mP68ub/2RdjxibX1dLH4iBDemjWWPnHhHCip5voXV5Pn8p+eUBER6XwKgB7OdbwBIGUHoL4S7IEQ3aeLK+tk/S+DcfeY++/f5TerhLRIiAzhzVlj6BUTRlZxFde/tJr8MoVAERHpGAqAHs51vFVACprv/4s9CxwBXVhVF7nkV5A0HKqLzfsB/WRqmBZJzlDenDWGHlGh7C2s5PsvqSdQREQ6hgKghzvuKiCFPjQCuC0BwXDNP805Dvd9CSuetrqiLtczOox5t48l2RnCnoJKvvf3lRoYIiIiZ0wB0MMd9xJwywAQb1wC7mTF9YMpT5n7nz8B2WutrccCKTFhvH3HOFJjw8gurubaF1ayK1+TRYuIyOlTAPRwpe5LwG2sAtIyBYyv9gC2GH49DP0eGI3wzm1QXWp1RV0uJSaM/94xjgEJ3ThUVsuMv69mc47L6rJERMRLKQB6uHZ7AA3jiFVAfGQOwPbYbDDlzxCVCq4s+Gi2efx+Jj4yhHm3j2NoDyfFlXVc/9JqMvaXWF2WiIh4IQVAD1da3c4qIJWFUF0C2Mxl4HxdSCRc+0+wB8CW+bD2JasrskRMeBBvzBrD6N7RlNc0MPPlNazcVWh1WSIi4mUUAD1cWXuDQFoGgESnQmBoF1dlkZ6j4LLfmvv/e8Qv7wcEiAwJ5NVbz2Ni/ziq6hq5+ZV1fLIp1+qyRETEiygAerh2LwH7wwCQtoy9C87+rrlU3H9ugooCqyuyRFhQAP+4aRTpQxKoa2jirje/5tWV+6wuS0REvIQCoIdrGQRyzDrA7iXgfPz+v6PZbHDlM+Z9j+UH4Z1boLHB6qosERzg4G8/OJcfjOmFYcCvP9zC7z/ZTlOT/90fKSIip0YB0MO19AAesw5woY+tAXwqgiPgutchqJs5P+Bnv7W6IssEOOw8Pj2NB9LNfwi8sGw3c/77DXUNTRZXJiIinkwB0MOVtnsJuHkKGH+7BNyi+0C46llz/6u/wLYF1tZjIZvNxj0X9+eP1w7DYbcxf0MOt76yjvKaeqtLExERD6UA6MFq6hvdPTmtBoHUVZqXP8E/RgC35+zvHl4veP6PoXCXtfVY7HujUnj5plGEBTlYsauQ6/6+mkNaP1hERNqgAOjBWi7/Ouw2ugUfsdZvWXP4C3ZCaFTXF+ZJLn0Meo2HunJ4+0aorbC6IktdNDCeebePJa5bEFtzy7jy2RV8k11qdVkiIuJhFAA9WMsAkMiQAGw22+EXXAfMx8hkC6ryMI5A+N4r0C0BCrbBe7dDk3/f/zasZxTv/XgC/eNbVg1ZxYffHLS6LBER8SAKgB6s3SlgWnoAFQBNEQlw3RvgCIYdC2HpY1ZXZLlesWG8d9d4vjOwO7UNTdz31gb+tHiHRgiLiAigAOjRSqrMVUCiwo5aB1gB8Fgpo+Gq58z9r/4CG96wth4PEBESyD9uGs3tF/QF4JnPdnHXG19TVeef0+aIiMhhCoAerLQ5AEYfvQpIWY75GNmjiyvycMO+Bxf8zNxf8BPYv9LaejyAw27jkSsG88drhxHksLNoSx7XPL+KnNJqq0sTERELKQB6sJLmewCj1QN48i56BIZcZa4UMu8HULzX6oo8wvdGpfDmrDHEhgexLbeMqX/9khU7tYawiIi/UgD0YCe+BKwewGPY7TD9BUg6B6qL4c3roMZldVUeYVTvGD64ZwJpPSIpqarnh/9cw3Of79J9gSIifqhLA+Dy5cuZNm0aycnJ2Gw23n///VavG4bBY489RnJyMqGhoVx00UVs2bKlVZva2lruvfde4uLiCA8P58orr+TAgQOt2pSUlDBz5kycTidOp5OZM2dSWlraqk1WVhbTpk0jPDycuLg47rvvPurq6jrjsE9baWVLD2B7l4DVA9imoDC4/i2ISDJXTPmv/y4Xd7Se0WG8c+d4ZozqSZMBf/zfDm5/LcM94EhERPxDlwbAyspKhg8fzrPPPtvm608++SR//vOfefbZZ1m3bh2JiYlcdtlllJeXu9vMnj2b+fPnM2/ePFasWEFFRQVTp06lsbHR3eaGG24gMzOTRYsWsWjRIjIzM5k5c6b79cbGRqZMmUJlZSUrVqxg3rx5vPvuu8yZM6fzDv40tPQARocf0QNYX232bIEC4PFEJpshMCAUdi+Fj+eAoZ4ugJBAB09eO5zfXz2UoAA7n247xFXPrmB7XpnVpYmISFcxLAIY8+fPd//c1NRkJCYmGr///e/dz9XU1BhOp9N44YUXDMMwjNLSUiMwMNCYN2+eu01OTo5ht9uNRYsWGYZhGFu3bjUAY/Xq1e42q1atMgBj+/bthmEYxscff2zY7XYjJyfH3eatt94ygoODDZfLddLH4HK5DOCU3nMqvvf8SiP15x8ZH31z8PCThbsM49eRhvF4kmE0NXXK9/qUrR8axq+d5p/Z0setrsbjfJNdYoyfu9RI/flHxsBffGy8m5FtdUkiIp2us39/ewOPuQdw79695OXlkZ6e7n4uODiYCy+8kJUrzdGcGRkZ1NfXt2qTnJxMWlqau82qVatwOp2MGTPG3Wbs2LE4nc5WbdLS0khOPtyDNmnSJGpra8nIyGi3xtraWsrKylptnamkrVHARw4AOXJyaGnb4Gkw5U/m/vInYe1L1tbjYYb1jGLBveczsX8cNfVN3P+fb7j/P5lU1OqSuYiIL/OYAJiXlwdAQkJCq+cTEhLcr+Xl5REUFER0dPRx28THxx/z+fHx8a3aHP090dHRBAUFudu0Ze7cue77Cp1OJykpKad4lKemZRRwq0EgGgF86kbfBhc9bO5//DPY/J619XiYmPAgXrnlPH566QDsNnjv6xymPbOCTQc0eEZExFd5TABsYTuqV8swjGOeO9rRbdpqfzptjvbwww/jcrncW3Z29nHrOhOGYRyeBzD8yB5AzQF4Wi78OYz+EWCYy8Xt+cLqijyKw27jJ5f2Z97t40h2hrC3sJKrn/+Kf3y5B0P3ToqI+ByPCYCJiYkAx/TA5efnu3vrEhMTqauro6Sk5LhtDh06dMznFxQUtGpz9PeUlJRQX19/TM/gkYKDg4mMjGy1dZaK2gYamqfniFYP4Jmz2WDyk63nCDyYaXVVHue8PjF8/JOJTDo7gfpGg8cXbuPWV9ZRWFFrdWkiItKBPCYA9unTh8TERJYsWeJ+rq6ujmXLljF+/HgARo4cSWBgYKs2ubm5bN682d1m3LhxuFwu1q5d626zZs0aXC5XqzabN28mNzfX3Wbx4sUEBwczcuTITj3Ok1XafPk3JNBOSKDj8AsKgKfP7oCrX4LeE6GuAt64Fop2W12Vx4kKC+KFG0fy/6anERRg5/MdBUz+y5d8tv3Yf1iJiIh36tIAWFFRQWZmJpmZmYA58CMzM5OsrCxsNhuzZ8/miSeeYP78+WzevJmbb76ZsLAwbrjhBgCcTie33XYbc+bMYenSpWzYsIEbb7yRoUOHcumllwIwePBgLr/8cmbNmsXq1atZvXo1s2bNYurUqQwcOBCA9PR0hgwZwsyZM9mwYQNLly7lgQceYNasWZ3aq3cqDg8AOXoSaF0CPiMBwfD9NyFxGFQWwKtXQsk+q6vyODabjZljU/nwngkMSOhGQXktt76ynoff26gBIiIiPqBLA+D69esZMWIEI0aMAOD+++9nxIgR/OpXvwLgwQcfZPbs2dx1112MGjWKnJwcFi9eTEREhPsznn76aaZPn86MGTOYMGECYWFhLFiwAIfjcC/ZG2+8wdChQ0lPTyc9PZ1hw4bx2muvuV93OBwsXLiQkJAQJkyYwIwZM5g+fTpPPfVUF/1JnFhx5YlWAVEP4GkLiYQb34W4AVB2AF6ZBqVZVlflkQYlRvLhPefzo/P7YLPBW2uzmfyX5azdW2x1aSIicgZshu7wPm1lZWU4nU5cLleH9xy+vyGH2W9nMv6sWN6cNdZ8sqEOHu9u7v9sD4THduh3+p3yPHhlChTtgqhUuOVjcPa0uiqPtWp3EQ/89xtySqux2eD2iX356WUDWt+iICLiBTrz97e38Jh7AKW1Ni8Blzffs+gIhrAYC6ryMRGJcNMCiO4DpfvhlangyrG6Ko817qxYFs2eyIxRPTEM+PvyPUx/7isKyjVARETE2ygAeqjDcwBqEuhOFZkMN39k9gCW7IVXp0FZ7onf56ciQgJ58trhvPTDUcR1C2J7Xjl3vp5BbUPjid8sIiIeQwHQQ5W21QOoASCdw9mzOQT2guLdZggs14jX47lsSAJv3zGOiJAAMvaX8Oj8zZovUETEiygAeqgT9gBKx4rqBTd9BM4UKNpp3hvoOmB1VR7trO7deO6Gc7Hb4J2MA7y8Yq/VJYmIyElSAPRQbfcAKgB2quhU857AlhD4z8s1T+AJXDCgO7+YMgSAJz7exuc78i2uSEREToYCoIcq0TJw1ojpA7d8ArH9wJUN/5wEeZusrsqj3TKhN98fnUKTAfe9uYFd+eVWlyQiIiegAOihSipbLgGrB7DLRaXALYsgcag5WfQrUyBrjdVVeSybzcZvr0rjvN4xlNc2cNur69092CIi4pkUAD2ULgFbrFt3857AXuOgxgWvTYfdn1ldlccKCrDz/I3n0iMqlP1FVdz1xtfUNTRZXZaIiLRDAdAD1TU0UVlnTqsR3TIIpLEBKvLMfV0C7hqhUXDje9DvUqivgjdmwNYPrK7KY8V2C+YfN40iLMjByt1FXP5/y/l06yGNDhYR8UAKgB6opffPboPIkOYAWHEIjCawB0B4dwur8zNBYfD9t2DIdGiqh//cBKuft7oqjzU4KZLnbxxJXLcg9hRW8qN/r+fGl9ew9WCZ1aWJiMgRFAA9UMsUMM7QQOz25gmfWy7/RiSDXaetSwUEwbX/hFG3AgYsegg+fhCaNPlxWy4c0J3PH7iIH190FkEBdr7aVcSUZ77koXc3kl9eY3V5IiKCAqBHanMZOPcIYN3/Zwm7A6b8GS77rfnz2r/DvB9AbYW1dXmoiJBAfn75IJbefyFThiVhGDBvXTbf+eMX/HXpTiprG6wuUUTErykAeqCWS8CaBNrD2Gww4SfwvVchIAS+/QReuUJLxx1HSkwYz91wLu/cOY7hPZ1U1jXy5yXfcuEfP+eVr/ZqoIiIiEUUAD1QyyVg9QB6qLOnmyOEw+Ig9xv4x6VwaIvVVXm0Ub1jmH/XBP56/Qh6x4ZRWFHHYwu2cvGfvmD+hgM0NmmgiIhIV1IA9EAl7h7AtqaA0Qhgj5AyGn70KcT2h7ID8PIk2P6x1VV5NLvdxpXDk1ly/4U8Pj2N7hHBHCip5qdvf8OUv37J4i15GjEsItJFFAA9UKm7B1CXgD1aTB/40RLoPRHqymHe9fDF76FJlzWPJ9Bh58axqSz72UU8ePlAIkIC2J5Xzu2vZTDt2RWaOkZEpAsoAHqgksqWZeDUA+jxQqNh5nw47w7z5y/mwrwbzMmj5bjCggK466J+fPngd/jxRWcRFuRgc04ZP/r3egVBEZFOpgDogVruAXQPAmlqgnL1AHosRyBc8SRMfx4cwebgkJcuhoIdVlfmFaLCgvj55YNY8fOLufPC1kHwyme/UhAUEekECoAe6Jhl4CoLoKkBbHbolmBhZXJc59wAty6CyJ5QtMsMgds+sroqrxETHsRDkwfx5YPf4Y4L+xIa6GBTjosf/Xs9k//yJR9k5tDQqMvrIiIdQQHQA5UcPQ1MywjgbongCLCoKjkpPc6F27+A1POhrgLe/gEs/iU01ltdmdeI7RbMw5MHs+LnZhAMD3KwPa+cn8zL5OI/LeONNfupqdck3CIiZ0IB0AOVHj0NjAaAeJdu3eGH78OYH5s/r/wr/PNyKNlvaVnepiUIrnzoEuZcNoDosECyiqt4dP5mLnjyc/711V5dGhYROU0KgB7GMAxKqxUAvZ4jECb/Hma8BiFOyFkPL0yErR9YXZnXcYYFcu8l/fnqoYv51dQhJDlDyC+v5TcLtjJvXbbV5YmIeCUFQA9TVtPgnhT3mEvAGgHsfYZcCXd8CT1HQ60L/vND+Oh+qNeauKcqLCiAW8/vw7KffYe7v3MWAE98vI38Mv1ZioicKgVAD9MyACQ00EFIoMN8Uj2A3i06FW75BCbMNn9e/zL84xKNEj5NQQF27r9sIMN6OimvaeCxBVqFRUTkVCkAepgSTQLtmxyBcNlv4MZ3zSXkDm2Gv18Aq5/XxNGnwWG3MffqoTjsNj7elMeSrYesLklExKsoAHqYtpeB0yVgn9HvUvjxV3DWJdBQA4segteuglLdy3aqzk528qOJfQD45fubKa/RSGsRkZOlAOhh3HMAhjf3ABqGegB9TUSi2RM45U8QGAZ7l8Pz4yHzLfN8y0mbfckAesWEkVdWw1P/0yV1EZGTpQDoYUoqW1YBae4BrCqGxlpzPyLJoqqkw9lsMPpHcOeK5gEiZfD+nfCfmVBZaHV1XiM0yMET3x0KwL9X7ydjf4nFFYmIeAcFQA9zeBWQo0YAh8dDQFA77xKvFXsW3LIILv4l2ANg2wJ47jzY+B/1Bp6k8/vHcc25PTEMePi9jdQ16J5KEZETUQD0MCWaBNr/OALgggdg1mcQfzZUFcF7s+CNa6E0y+rqvMIvpgwmNjyIbw9V8OLy3VaXIyLi8RQAPcwxg0A0AMR/JA03l5G7+BfgCIJdn8JzY5tHCmvps+OJDg/iV9OGAPDXz3bx2qp9FFfWWVyViIjnUgD0MKVHTwOjHkD/EhAEF/wM7vwKeo2H+kpzpPDLl8EhzXd3PFcOT+aigd2pa2jilx9s4bzffcqtr6zjg8wcKmsbrC5PRMSjKAB6mBL3PYC6BOzXug+AmxfC1KchOBJyMsyl5BY9AjUuq6vzSDabjed/MJJHrxhMWo9IGpoMPtuez0/mZTLq8U+5760NLN6SR029elNFRAKsLkBaa+kB1DJwgt0Oo26FAZfDJw+aA0RWPweb/guX/RaGf98cTSxuoUEOZl3Ql1kX9GVXfgUffnOQDzNz2FdUZe5/c5BuwQFcNiSBK4YmMbF/3OEVd0RE/IjNMDTU8HSVlZXhdDpxuVxERkZ2yGcO+dUiquoa+eKBi+gdFw7PjIKinXDTR9BnYod8h3ipXZ/CJz+Hol3mzylj4Yo/QtIwa+vycIZhsPGAiw8yD/LJ5lxyXYfXDo4IDuDSIQlMTkvkggHdFQZF/ERn/P72NgqAZ6Cj/wLVNjQy8BeLAPjmV+k4QwPgiR7mfWD3fm1OGSL+raHO7AVc9kfz74WtuZfwokcgPNbq6jxeU5PBhuwSFm7M4+NNueSVHQ6DoYEOvjOoO5POTuTiQfFEhAQe55NExJspACoAnpGO/gt0qKyGMU8sxWG3sfPxydhrS+EPvc0XH82DwNAz/g7xEa4cWPwL2PKe+XOwEy6YA+fdAYEh1tbmJVrC4Ecbc1m85RA5pdXu14Icdsb3i2XS2YlcMiie+Ej9mYr4EgVABcAz0tF/gbbnlXH5/31JbHgQGb9sHvX5/HgIjYGf7+2AisXn7P0S/vcw5G0yf47qBZc+BmdfrfsDT4FhGGzOKWPRllwWbc5jd0Flq9eHp0Rx6aB4Lh2SwKDECGz6sxXxagqAGgTiUQ4vA9d86cmlASByAn0mwu3LYeM8WPr/zImj37nVnDsw/XfQa4zVFXoFm83G0J5OhvZ08rNJg9iVX87/thxi8dZDfJNd6t7+tORbekSFcungeC4enMCYPjG6b1BEvJICoAcpPXoKGFe2+RiVYlFF4hXsdjjnBhgyHVY9Cyv+Dw6sg3+mw8ApcPGjkHC21VV6lX7xEfSLj+Du7/Qjv6yGz7bn8+m2Q3y5s5Cc0mpeXbWfV1ftJzTQwYR+cVw8KJ6LB8WT6NSlYhHxDgqAHqTEPQXMUQHQ2dOiisSrBIXBhQ/CuT+Ez38HG16HHQthx8eQdg185xENJDoN8ZEhfP+8Xnz/vF5U1zWyYlchn20/xGfb8zlUVsun2w7x6bZDAAxJiuQ7g7rznYHxnJMSRYBDU62KiGdSAPQghyeBbr4EXNoSANUDKKcgIhGufAbG3WsGwa3vw+Z3YMt8s6fwwp+rV/k0hQY5uGxIApcNScAwDLbmlvHZtnw+25FPZnYpW3PL2JpbxnOf7yYyJIALBphh8IIB3ekeEWx1+SIibgqAHqSkee3S6PCWHsAD5qN6AOV0dB8AM16F3G/gs9/Bzv/Bhtdg49swYiacP9scNCKnxWazcXayk7OTndx7SX+KKmpZ9m0BX+woYNm3Bbiq6/loYy4fbcwFIK1HJBP7d+eC/t0ZmRpNUIB6B0XEOgqAHqTk6FVA3PcA6pe0nIGk4fCD/0D2Wlj6W9j3Jax/Gb5+FYZfDxPvh5i+Vlfp9WK7BXP1uT25+tyeNDQ28c2BUj7fXsAX3+azOafMvT3/xW7CghyM6xvLxP5xnN+/O2d1D9fIYhHpUgqAHqTVIJDGeig3ew50CVg6RMp5cPNH5tQxy5+EvcvNHsHMN2HYDJg4B+L6W12lTwhw2BmZGsPI1BgemDSQ/PIaVuws5MudhXy5s4DCijqWbs9n6fZ8AJKdIUzoF8f5/eOY0C+OuG66XCwinUsB0IO0ugew7CAYTeAIgvDuFlcmPqXPRHPLWmMGwV2fwjdvwTfz4OzpMP4+6HGu1VX6lPiIEHfvYFOTwfa8cr7cWcDynQWs21fCQVcN/804wH8zzNs+BidFcn6/WMb3i+O83jGEB+t/1SLSsTQR9Bno6IkkL37qC/YUVjLv9rGMtW+HV64wL83dt6EDqhVpR04GLH/KHC3covdEMwj2v0wTSneymvpG1u0rZsXOQlbsKmTLwbJWrwfYbYzoFcX4s8zewXNSonT/oMgZ0kTQ6gH0KCVHXgI+pClgpIv0GAnXvwV5m2HlM+aI4X1fmlv3wTD+Xhj6PQgIsrpSnxQS6GBi/+5M7G/29BdV1PLV7iJW7jID4YGSatbtK2HdvhL+snQnoYEORvWOZmzfWMb2jWVYTyeBmm5GRE6RAqCHaGoycFWbg0CiwwKPmAJGA0CkiySmwdV/h0t+aa4kkvEqFGyDD+4yB4+Mvg1G3gLddEtCZ4rtFsyVw5O5cngyAFlFVXy1u5CvdhWyancRRZV1zfcSFgIQFuRgZGpLIIxhaA/1EIrIiSkAeoiymnqami/GR4UFaRJosY6zJ0z6nTmp9Pp/wZoXzAFJn/8Olv8R0q6FMXdA8jlWV+oXesWG0Su2F9ef14umJoOd+RWs2l3I6j3FrNlbRElVfatAGBJoZ2RqNOf1jmVM3xjOSYnScnUicgwFQA/RMgVMeJDD/Ne7loETq4U4zbkCx94FWz8wg2DOevjmTXNLGQvj7oLBV+o+wS5it9sYmBjBwMQIbp7Qh6Ymg2/zy1m9u4jVe4pZu6+Y4so6vtpVxFe7igAICrAzvKeT8/rEMLp3DCNTo4kICbT4SETEagqAHqLl/r/Dy8C1TAKtACgWCwiCYd8ztwPrzSC4ZT5krza3s78L0/5iBkbpUna7jUGJkQxKjOTmCX0wDINd+RWs3lvMmj1FrNlbTEF5rfseQtiN3QZDkiMZ3dsMhKNSo4mP1BrGIv5GAdBDuOcADA8EwzjiHkBdAhYP0nMU9PwHXPb/YO2LsPKvZhg8uAGu/Zemj7GYzWajf0IE/RMimDk2FcMw2FdUxbq9xazZW8y6fcVkFVe5J6X+11f7AEiJCWVUqtk7OKp3NAPiI7Db1asr4ssUAD1ESWXLAJAgqCqGhmrzBQVA8USRSXDpr2HQFPjvLVCyD15Oh8t+C2N/rEvCHsJms9EnLpw+ceHMGG1eTchz1bB2XzHr9hazfn8J2/PKyC6uJrs4h/kbcgCICA7gnF5RjOgVzbnNj85QXTYW8SUKgB6i1SVgV5b5ZLcECNCKAOLBeo6CO5fDh/fCtgXwv4fN6WOueg7CYqyuTtqQ6AxpNcq4vKaeDVmlrN9fQsb+YjZklVJe29BqYAlAv/hunNsrinN7RTOiVzT94rvhUC+hiNdSAPQQpVVHTgGzx3xS9/+JNwiNhhmvwbp/wP8eMSeUfuF8sycw7RqITLa6QjmOiJBALhjQnQsGmNP7NDQ2sT2vnA1ZJXydVcrXWSXsL6piV34Fu/Ir+M968/7kbsEBnJMSxYhe5ja8ZxSxWsJOxGt43GRRjz32GDabrdWWmJjoft0wDB577DGSk5MJDQ3loosuYsuWLa0+o7a2lnvvvZe4uDjCw8O58sorOXDgQKs2JSUlzJw5E6fTidPpZObMmZSWlnbFIbapdQ9gywAQXf4VL2GzwXmz4EdLIeYsKMuBxb+APw+BV6fB169BjcvqKuUkBDjspPVwMnNcb56+7hyW/ew7rP/Fpbz0w1HcddFZjOsbS1iQg4raBlbsKuSZz3Zx6yvrGfn4p5z/h8+4+82veWn5HtbuLaaqrsHqwxGRdnhkD+DZZ5/Np59+6v7Z4Tg8h9WTTz7Jn//8Z1555RUGDBjA448/zmWXXcaOHTuIiIgAYPbs2SxYsIB58+YRGxvLnDlzmDp1KhkZGe7PuuGGGzhw4ACLFi0C4Pbbb2fmzJksWLCgC4/0sFY9gJoCRrxV0jC4YzlsnAcb/2uOEt673NwWzoEB6WavYP90CAq3ulo5SXHdgrlsSAKXDUkAoLHJ4NtD5WzIKm3uKSxhT2ElB0qqOVBSzcKNuQDYbdA/PoKhPZ0M7+lkaM8oBiVGaF5CEQ/gkQEwICCgVa9fC8Mw+L//+z8effRRrr76agBeffVVEhISePPNN7njjjtwuVy8/PLLvPbaa1x66aUAvP7666SkpPDpp58yadIktm3bxqJFi1i9ejVjxowB4KWXXmLcuHHs2LGDgQMHdt3BNmu1DNwBrQIiXiy4G4z+kbmV7DeXltv4X3NVkW0LzC0wzAyBZ3+3OQyGWV21nAKH3cbgpEgGJ0Vywxjz/1NlNfVsPuAi80Ap32SXkpldyqGyWnYcKmfHoXLeyTCvbAQ0z2U4tIeTtB5OhvZwMlChUKTLeWQA3LlzJ8nJyQQHBzNmzBieeOIJ+vbty969e8nLyyM9Pd3dNjg4mAsvvJCVK1dyxx13kJGRQX19fas2ycnJpKWlsXLlSiZNmsSqVatwOp3u8AcwduxYnE4nK1eubDcA1tbWUltb6/65rKyszXano2Ui6KhWy8DpErB4uehUmDgHzr8fDm2GTf+FLe9D6X7Y+r65tYTBIVdB/8sgOMLiouV0RIYEMr5fHOP7xbmfy3PVsCnHxaYDpXxzwMWmHBfFlXVsOVjGloNlsM78f12A3caAhJZQGMnZPZwMTowkNEihUKSzeFwAHDNmDP/+978ZMGAAhw4d4vHHH2f8+PFs2bKFvLw8ABISElq9JyEhgf379wOQl5dHUFAQ0dHRx7RpeX9eXh7x8fHHfHd8fLy7TVvmzp3Lb37zmzM6vvaUHtkD2HIPoC4Bi6+w2SBxqLld+htz3sCt7x8bBh1B0PciGDQVBk6Gbsf+dyreI9EZQqIzxH3p2DAMckqr2dQcBjfluNic46Kkqp6tuWVszS3j7fXme+02OKt7N85OjiSth5MhyZEMSYo8PFm+iJwRjwuAkydPdu8PHTqUcePGcdZZZ/Hqq68yduxYwJzb6kiGYRzz3NGObtNW+xN9zsMPP8z999/v/rmsrIyUlI4JaS2XgGMCG6CqeeoF9QCKL7LZzAmje5zbOgxu+wiKd8POxea2wAa9xsLAK2DA5RDXX/MLejmbzUbP6DB6RocxeWgScDgUbm4OhFsOmpNUF1bUsjO/gp35FbyfedD9GT2iQhmcFNkcCCMYkuSkZ3SoJq4WOUUeFwCPFh4eztChQ9m5cyfTp08HzB68pKQkd5v8/Hx3r2BiYiJ1dXWUlJS06gXMz89n/Pjx7jaHDh065rsKCgqO6V08UnBwMMHBpz/NQX1jE4fKaugZ3fp+p5r6RmrqmwCIbsw3nwyKgJCo0/4uEa9wdBgs2AHbF8D2hWYwzFplbkt+CTF9zSA4YBL0Gm8uUSde78hQeHnaEf9fL6th80EXW3LKzMeDZRwoqSan1Nw+3Xb4/+HdggMYmBjBoMQIBiVFMrh5vWSteSzSPo8PgLW1tWzbto2JEyfSp08fEhMTWbJkCSNGjACgrq6OZcuW8Yc//AGAkSNHEhgYyJIlS5gxYwYAubm5bN68mSeffBKAcePG4XK5WLt2Leeddx4Aa9asweVyuUNiZ/jHl3v569KdzEkfwM3jexPgMGfhaen9C7DbCK82R8/h7KneDvEvNhvEDzK3C35m3gqxfSF8uwj2rYDiPbD6b+YWFGGuQjL59+Y8hOJz4iNDuDgyhIsHHf5Huau6nu25ZWxrvly8NbeMb/MqqKhtIGN/CRn7S1p9Rs/oUAY1h0FzzeQI+sSFu//fK+LPPC4APvDAA0ybNo1evXqRn5/P448/TllZGTfddBM2m43Zs2fzxBNP0L9/f/r3788TTzxBWFgYN9xwAwBOp5PbbruNOXPmEBsbS0xMDA888ABDhw51jwoePHgwl19+ObNmzeLvf/87YE4DM3Xq1E4bAWwYBmv2FlFd38jjC7fxQeZBfn/NUM5OdrqXgYsKC8SmKWBETM6eMOYOc6sthz1fmGHw28VQmW9ONZO/BW6cD926W12tdAFnaCBj+sYypm+s+7n6xib2FVayNbeM7XnlbG9+zHXVuKel+XRbvrt9kMPOWfHdGJjQjQGJEQyINwNijyhdRhb/4nEB8MCBA1x//fUUFhbSvXt3xo4dy+rVq0lNTQXgwQcfpLq6mrvuuouSkhLGjBnD4sWL3XMAAjz99NMEBAQwY8YMqqurueSSS3jllVdazSf4xhtvcN9997lHC1955ZU8++yznXZcNpuNf908mv+sz+Z3C7exKcfFlc9+xayJfTmvj9mD0XoSaAVAEbfgCBg8zdyamiBrpbkGcd4meOUKmPk+OHtYXaVYINBhp39CBP0TIrjqiOdLq+rYnlfOjrxytueZofDbvHIq6xrZ1tyLeKSwIAf947uZnxXfjQEJEfSL76ZgKD7LZhiGYXUR3qqsrAyn04nL5SIyMvKk35dfXsNvPtzKwk3m5d7QQAfV9Y2M7h3Nf+NfNXs2Lvk1TLz/BJ8k4scKd8G/r4KyAxDVC374IcT0sboq8WBNTQYHSqr5tnluwm8PmQFxT0EldY1Nbb4nLMhBv/hu9OvejbPiu5n78d1IjQnTpWQvdrq/v32JAuAZONO/QEu2HuKX728mr6wGgMuGJPBS469h/wq45mUYem1HlyziW0qzzBBYvAe6JcIPPzDvIRQ5BQ2NTewrqmTnoQq+PVTBzvxydh6qYE9hBfWNbf+KDHTY6B0b7g6EZ3U3t77dwwkP9riLa3IUBUAFwDPSEX+Bymvq+eP/dvDmmiwenTKYW9Zdaf5Su/V/5hQYInJ85Xnw2nchfyuExcKN70HyOVZXJT6gvrGJ/UVV7MovZ1d+Bbuap6XZXVDhnrmhLcnOEPo2h8G+ceHu/WSnLid7CgVABcAz0pF/geobmwi0GfB4PDQ1wE+36p4mkZNVVQyvX21OHRMcCYOvhJTR0PM86D4I7LpUJx2nqcmcu3BXQQW78yvYXVDJ7oIK9hRUUFhR1+77QgLt9I4Np2/3cPrEhdMn7nBI1ATXXUsBUAHwjHT4XyBXDjw9BOwB8It8sGsZJJGTVlMGb30f9n/V+vngSOgxElLOgx6jzDkHw+Pa/gyRM1RSWceewiNDYSV7CirYX1RFQ1P7v26jwgLpHRtO79gweseZAbF3bDi948Jxhmo+w46mAKgAeEY6/C9Q1mr45yTzhvbZm87880T8TWM97FoK2WvgwDrI+RrqK49tF93bDIUtW+IwCAo7tp1IB2lobCK7pJq9hWYo3Ft4eMt11Rz3vdFhgaQ2h8PU2HB6x5mPqTFhxIQHnXAlLDmWAqAC4Bnp8L9Am96Bd2+D1PPhloVn/nki/q6xwbw38MBayF4HB7+Gwm+PbWezm5eKk0eYW9I5kJgGgaFdXrL4n6q6BvYXVbGvsJK9RZXsK6xkX2EV+4oqyS+vPe57uwUH0CsmjNTmcJgaG0avGHNLcoZopHI7FAA9cB5Av1aaZT5qDWCRjuEIgKRh5jb6R+Zz1aXmvYI5GWYPYU4GVOSZQTF/K2S+YbazOSB+sNk7mDQMkoZDQhqE+OcvC+k8YUEBDE6KZHDSsX+3KmvNcJhVXMm+oir2Fx0Oh3llNVTUNrhXRTlagN1Gj+hQesWEkRITRkp0GCkxoaREmwExKixQvYd+TAHQk7RMAq1VQEQ6T2gUnPUdc2tRlmuGwiO3qkI4tNncvnnzcNuYvmYoTBza/JgGEUlaulE6RXhwAEOSIxmSfGw4rKlv5EBJFfuLqppDohkQs4qryC6ppq6hyf1aW7oFB9AzOtQdDntGhzZvZlDUWsq+TQHQk7QsA6ceQJGuFZlkboOuMH82DPMfZHkbIfcbyN1o7pflmHMOFu+Bre8ffn9YrNk7mDjU3BLOhriBEKCRndJ5QgId9IuPoF98xDGvNTUZ5JfXugNhVnEV2c3BMLu4ivzyWipqG8zl8/LK2/x8Z2ggPaIOh8IezQGx5TlnqHoQvZnuATwDHX4PwXNjoWCbOY9Zv0vO/PNEpGNVFjaHwo1mz2DeZvOeQqPx2Lb2ADMEJqaZgTD+bEgYot5C8Qhm76EZBg+UVJn7zY8HSqoprmx/OpsW4UEOejQHwuSoUPd+y8/xEcEeew+i7gFUADwjHfoXyDBgbk+oq4C710H3AR1TpIh0rvoa8x9ueZvM7dAWMxzWuNpuH+KE+CHN2+DDj2ExXVu3yHFU1jZwoKSanNIqcppD4YGSag6UVpNTUnXc+Q5bOOw2EiNDSI4KIckZSlJUCMlOMxwmOUNIjgol2qL7EBUAFQDPSIf+BaougT/0NvcfydWUFCLerOUScss9hHmbIX8bFO1qu7cQIDy+ORAONkckxw+G7gMhNLpraxc5CTX1jeSUVpNTUt3q8WBpNQdd1eSW1hx33sMWIYF2kpyhJEaGkOQMISkqhERnKMnOEBKdZnDsjJCoAKgAeEY69C9Q3iZ44XwIi4MHd3dMgSLiWRpqoXDn4RHHh7aavYctMwC0pVuiGQS7DzLXOY4baP6syazFgzU2GRRW1LrDYa6rmoOlNeS6qsl11XCwtPqkehEBggLsJEa2BMIQEiNDSGgOjAnNP5/q5WYFQA0C8RylGgAi4vMCgs17AhPTWj9fWwEFO8wwmN+8FeyAsgPmFDUVebB3Wev3hMZA3ACI628+dh8Isf0gKtWc/kbEQg67jYTmoHZur7Z7sWvqG8kvq+Wgq5o8Vw25rsMBMddVTZ6rlsKKWuoamtwDWdpjs0Fct2B3OEyIPGLfaf6cEBGiqW+OoP9LeApNASPiv4K7Qc+R5nakmjKzx7BgGxRsbw6J281/MFYXQ/ZqczuSI8icqqYlGMb2N/djz9LlZPEoIYEOesWG0Su2/VueahvMkJhX1hwQS6vJK6vhUFkNeS5zyy+vpaHJoKC8loLyWjbltHP/LRDksBMfGUxMYDu3YvgRBUBP4WqZBFoBUESahUS2HQzrqsz7CQu/NQNi4Q4o+BaKd0NDTXNY3H7s54XFHQ6DsS2P/SC6DwSGdM0xiZyC4ACHOU9hTPshsanJoLCy1gyKrhoOlddwyFXDoebgmF9eS35ZDUWVddQ1NnGgpJqs2vZ7E/2FAqCncF8CVgAUkRMICju8wsmRmprM+UQLd0LRzsMBsWgXlOeak1tnFULWqqM+0GbefhLT1wyFMWeZ+zF9zHWTtSSeeDC73UZ8RAjxESGk9XC2266uoYmCiloOldWwN6eAa/+v62r0RAqAnqLlErDuARSR02W3Q3SqufW/tPVrteVQtNsMg0W7DgfD4j1QW2YGR1f2sfcaAkT2MHsJY5q36D6HA2JI+79wRTxJUIDdPU9hvyiH1eVYTgHQU7SsAqJ7AEWkMwRHQPI55nYkwzAnuC7ebQbE4t2HVzsp3muGw7Icc9u/4tjPDY0xw2B07+Yt9fB+ZA+w6xetiCdSAOxK+1bA/pVw7g8hIvHw8w21UHHI3Hf2sqY2EfFPNht0625uvca2fs0woKr4iEC4B0r2msGwZC9UFpiDUXKKIWf9sZ9tDzCvakQ190pGpbbe7xavVVFELKIA2JVW/Q12LIRlf4CBV8CoW6HPhYcv/waEajUAEfEcNhuEx5pbyuhjX68th5J9ZiAs3W/ut2ylWdBYd/jnvW18viPYvOoR1cvcnCnNITHF3I9IVA+iSCdRAOxKaVeb/1rOWgXbPjS3mLOg1zjz9agU/WtYRLxHcAQkDjW3ozU1mgNPSvabYbB0f/N+82P5QWisPXxPYlvsARCZbF4ZaQmFzp7NWwo4e0BQeOceo4iP0kogZ+C0ZxI/tBXW/xO+mQd15YefP+timDm/4wsVEfE0jfXmfYWlWUdt2ea0WK6c9pfNO1JoNET2NMNgZI/mxyN+jkw2J+AWOYJWAlEAPCNn/BeotgI2vwPrXoa8jXDZ/4MJ93V8oSIi3qalB7G0eXRyaZYZGF0HzK00u/U/oI8nLK65J7Gn+RiR1BwOmx8jkszJuMVvKAAqAJ6RDvsLZBjmSLvgSF0CFhE5WTWu5kCYYy6b58o5HBLLcqDsoDkx9skIdpqBMCIRIpLNx5awGNH8fLd4cAR27jFJl1AA1D2AnsFm01xaIiKnKsRpbglnt/26YUB1SXMozDk8nU1ZrnkPYlnzVlcBtS4ocLW9goqbDcLjmkNiEnRLaA6GCUeExARzCwjqlEMW6SgKgCIi4ptsNnNmhbCYtgeqtKgpMy83lx2E8jwzHJbnHfFzrjlVV1ODOfVNZQHkbTr+d4fGNAfD5kDYLR66tQTE7oeDYmi0rvyIJRQARUTEv4VEmlv3ge23aWoyZ3Eoz20Ohc1bxZH7h8zHpnqzbXUxFGw7/nfbAyG8eR7G8HgzKIZ3b36Mb36++bWwGE2LIx1GAVBERORE7Hbz8m943PF7E5uazMvOFYeO2vIPh8TKAvOxusQMi+UHze1EbHYIi20OhN2b6znysbs54KWlTt1XLsehACgiItJR7PbDk2cnDDl+24a65jCYBxXNl5Yr85v3883Q2HLJuaoYjKbDP58MR1BzYIw7HAzD4pqfizUf3c/Hmpej1cPoNxQARURErBAQZM5X6Oxx4raNDVBV1DokVhUeDoSVR7xWWQT1leZKLOW55nZSbBAa1RwMm7fQ5nsow2IPP4Ye8XNIFDgUJbyRzpqIiIincwSYA0oiEk6ufX01VDYHxKoic7+qsPmxqPVzVcVQUwo0j5quLml/dZa2hDhbh8XQaHM/NPqIn4/aQpy6PG0xBUARERFfExjavM5yysm1b2wwg19LOKwqOhwOj3m+CKpKzKlzwJyPscYF7Dn5+mwOs7cxNNrsRXSHwyOfO2q/pV1gyMl/j7RLAVBERMTfOQKap6fpfvLvaQmN1cVmUKwqOtyDWN0SHIuPeK55q68yl/lrCZOnKiCkeQ7IqCOCYfNjiLN539nGz04IijDv0xQFQBERETkNpxMaAeprjgiJpeblZ3dAPGK/pvTwzzWlZi+j0WSu7lJRY46kPmU2c8oftPSfAqCIiIh0ncAQCEwyl947FU1N5rKpNa7D4fDIx5ZL0dVH7B/5fEMNYJj7taUdekjeSAFQREREPJ/d3nxfYBSQeurvr685HCDzD8DvL+7gAr2LAqCIiIj4vsAQc+sWD0EnOZrah+lOSBERERE/owAoIiIi4mcUAEVERET8jAKgiIiIiJ9RABQRERHxMwqAIiIiIn5GAVBERETEzygAioiIiPgZBUARERERP6MAKCIiIuJnFABFRERE/IwCoIiIiIifUQAUERER8TMKgCIiIiJ+RgFQRERExM8oAIqIiIj4GQVAERERET/j9wHwb3/7G3369CEkJISRI0fy5ZdfWl2SiIiISKfy6wD49ttvM3v2bB599FE2bNjAxIkTmTx5MllZWVaXJiIiItJpbIZhGFYXYZUxY8Zw7rnn8vzzz7ufGzx4MNOnT2fu3LknfH9ZWRlOpxOXy0VkZGRnlioiIiIdRL+//bgHsK6ujoyMDNLT01s9n56ezsqVKy2qSkRERKTzBVhdgFUKCwtpbGwkISGh1fMJCQnk5eW1+Z7a2lpqa2vdP5eVlXVqjSIiIiKdwW97AFvYbLZWPxuGccxzLebOnYvT6XRvKSkpXVGiiIiISIfy2wAYFxeHw+E4prcvPz//mF7BFg8//DAul8u9ZWdnd0WpIiIiIh3KbwNgUFAQI0eOZMmSJa2eX7JkCePHj2/zPcHBwURGRrbaRERERLyN394DCHD//fczc+ZMRo0axbhx43jxxRfJysrizjvvtLo0ERERkU7j1wHwuuuuo6ioiN/+9rfk5uaSlpbGxx9/TGpqqtWliYiIiHQav54H8ExpHiERERHvo9/ffnwPoIiIiIi/UgAUERER8TMKgCIiIiJ+RgFQRERExM8oAIqIiIj4GQVAERERET+jACgiIiLiZxQARURERPyMAqCIiIiIn1EAFBEREfEzCoAiIiIifkYBUERERMTPBFhdgDczDAMwF5UWERER79Dye7vl97g/UgA8A0VFRQCkpKRYXImIiIicqqKiIpxOp9VlWEIB8AzExMQAkJWV5Vd/gcrKykhJSSE7O5vIyEiry+kyOm4dtz/Qceu4/YHL5aJXr17u3+P+SAHwDNjt5i2UTqfTr/7DaREZGanj9iM6bv+i4/Yv/nrcLb/H/ZH/HrmIiIiIn1IAFBEREfEzCoBnIDg4mF//+tcEBwdbXUqX0nHruP2BjlvH7Q903P513EeyGf48BlpERETED6kHUERERMTPKACKiIiI+BkFQBERERE/owAoIiIi4mcUAE/gb3/7G3369CEkJISRI0fy5ZdfHrf9smXLGDlyJCEhIfTt25cXXnihiyrtWKdy3F988QU2m+2Ybfv27V1Y8ZlZvnw506ZNIzk5GZvNxvvvv3/C9/jCuT7V4/aFcw0wd+5cRo8eTUREBPHx8UyfPp0dO3ac8H3efs5P57h94Zw///zzDBs2zD3Z8bhx4/jkk0+O+x5vP9dw6sftC+e6LXPnzsVmszF79uzjtvOFc34qFACP4+2332b27Nk8+uijbNiwgYkTJzJ58mSysrLabL93716uuOIKJk6cyIYNG3jkkUe47777ePfdd7u48jNzqsfdYseOHeTm5rq3/v37d1HFZ66yspLhw4fz7LPPnlR7XznXp3rcLbz5XIP5P/q7776b1atXs2TJEhoaGkhPT6eysrLd9/jCOT+d427hzee8Z8+e/P73v2f9+vWsX7+eiy++mKuuuootW7a02d4XzjWc+nG38OZzfbR169bx4osvMmzYsOO285VzfkoMadd5551n3Hnnna2eGzRokPHQQw+12f7BBx80Bg0a1Oq5O+64wxg7dmyn1dgZTvW4P//8cwMwSkpKuqC6zgcY8+fPP24bXznXRzqZ4/a1c90iPz/fAIxly5a128YXz/nJHLevnvPo6GjjH//4R5uv+eK5bnG84/a1c11eXm7079/fWLJkiXHhhRcaP/nJT9pt68vnvD3qAWxHXV0dGRkZpKent3o+PT2dlStXtvmeVatWHdN+0qRJrF+/nvr6+k6rtSOdznG3GDFiBElJSVxyySV8/vnnnVmm5XzhXJ8JXzvXLpcL4LgLw/viOT+Z427hK+e8sbGRefPmUVlZybhx49ps44vn+mSOu4WvnOu7776bKVOmcOmll56wrS+e8xNRAGxHYWEhjY2NJCQktHo+ISGBvLy8Nt+Tl5fXZvuGhgYKCws7rdaOdDrHnZSUxIsvvsi7777Le++9x8CBA7nkkktYvnx5V5RsCV8416fDF8+1YRjcf//9nH/++aSlpbXbztfO+cket6+c802bNtGtWzeCg4O58847mT9/PkOGDGmzrS+d61M5bl851wDz5s3j66+/Zu7cuSfV3pfO+ckKsLoAT2ez2Vr9bBjGMc+dqH1bz3u6UznugQMHMnDgQPfP48aNIzs7m6eeeooLLrigU+u0kq+c61Phi+f6nnvuYePGjaxYseKEbX3pnJ/scfvKOR84cCCZmZmUlpby7rvvctNNN7Fs2bJ2w5CvnOtTOW5fOdfZ2dn85Cc/YfHixYSEhJz0+3zlnJ8s9QC2Iy4uDofDcUyvV35+/jH/SmiRmJjYZvuAgABiY2M7rdaOdDrH3ZaxY8eyc+fOji7PY/jCue4o3nyu7733Xj788EM+//xzevbsedy2vnTOT+W42+KN5zwoKIh+/foxatQo5s6dy/Dhw/nLX/7SZltfOtenctxt8cZznZGRQX5+PiNHjiQgIICAgACWLVvGX//6VwICAmhsbDzmPb50zk+WAmA7goKCGDlyJEuWLGn1/JIlSxg/fnyb7xk3btwx7RcvXsyoUaMIDAzstFo70ukcd1s2bNhAUlJSR5fnMXzhXHcUbzzXhmFwzz338N577/HZZ5/Rp0+fE77HF8756Rx3W7zxnB/NMAxqa2vbfM0XznV7jnfcbfHGc33JJZewadMmMjMz3duoUaP4wQ9+QGZmJg6H45j3+PI5b5clQ0+8xLx584zAwEDj5ZdfNrZu3WrMnj3bCA8PN/bt22cYhmE89NBDxsyZM93t9+zZY4SFhRk//elPja1btxovv/yyERgYaLzzzjtWHcJpOdXjfvrpp4358+cb3377rbF582bjoYceMgDj3XffteoQTll5ebmxYcMGY8OGDQZg/PnPfzY2bNhg7N+/3zAM3z3Xp3rcvnCuDcMwfvzjHxtOp9P44osvjNzcXPdWVVXlbuOL5/x0jtsXzvnDDz9sLF++3Ni7d6+xceNG45FHHjHsdruxePFiwzB881wbxqkfty+c6/YcPQrYV8/5qVAAPIHnnnvOSE1NNYKCgoxzzz231XQJN910k3HhhRe2av/FF18YI0aMMIKCgozevXsbzz//fBdX3DFO5bj/8Ic/GGeddZYREhJiREdHG+eff76xcOFCC6o+fS3THxy93XTTTYZh+O65PtXj9oVzbRhGm8cMGP/617/cbXzxnJ/OcfvCOb/11lvd/z/r3r27cckll7hDkGH45rk2jFM/bl841+05OgD66jk/FTbDaL7LUURERET8gu4BFBEREfEzCoAiIiIifkYBUERERMTPKACKiIiI+BkFQBERERE/owAoIiIi4mcUAEVERET8jAKgiIiIiJ9RABQRERHxMwqAIiIiIn5GAVBERETEzygAioiIiPgZBUARERERP6MAKCIiIuJnFABFRERE/IwCoIiIiIifUQAUERER8TMKgCIiIiJ+RgFQRERExM8oAIqIiIj4GQVAERERET+jACgiIiLiZxQARURERPyMAqCIiIiIn1EAFBEREfEzCoAiIiIifkYBUERERMTPKACKiIiI+BkFQBERERE/owAoIiIi4mcUAEVERET8zP8HbrTzZnid4vkAAAAASUVORK5CYII=",
"text/html": [
"\n",
"
\n",
"
\n",
" Figure\n",
"
\n",
" \n",
"
\n",
" "
],
"text/plain": [
"Canvas(toolbar=Toolbar(toolitems=[('Home', 'Reset original view', 'home', 'home'), ('Back', 'Back to previous …"
]
},
"metadata": {},
"output_type": "display_data"
}
],
"source": [
"p = [10, 26, 10]\n",
"E = E\n",
"N = detector_Efficiency * (p[0] + p[1]*(E_0-E)/E + p[2]*(E_0-E)**2/E)\n",
"\n",
"plt.figure()\n",
"plt.plot(E,N_E/200*detector_Efficiency)\n",
"plt.plot(E,N)\n",
"\n",
"plt.xlim(0,4)"
]
},
{
"cell_type": "markdown",
"metadata": {},
"source": [
"# Now we put all of that together\n",
"\n",
"and make a function:\n",
"\n",
"The input is in the form of a dictionary.\n",
"\n",
"We note that we have several layers that reduce the efficiency and that the detector crystal itself is not really that importantfor the acceleration voltages in an SEM.\n"
]
},
{
"cell_type": "code",
"execution_count": 16,
"metadata": {},
"outputs": [
{
"data": {
"text/plain": [
"Text(0.5, 0, 'energy (keV)')"
]
},
"execution_count": 16,
"metadata": {},
"output_type": "execute_result"
},
{
"data": {
"application/vnd.jupyter.widget-view+json": {
"model_id": "ae20bc4a28ab4054952fa0762cfdd4f0",
"version_major": 2,
"version_minor": 0
},
"image/png": "iVBORw0KGgoAAAANSUhEUgAAAoAAAAHgCAYAAAA10dzkAAAAOnRFWHRTb2Z0d2FyZQBNYXRwbG90bGliIHZlcnNpb24zLjEwLjcsIGh0dHBzOi8vbWF0cGxvdGxpYi5vcmcvTLEjVAAAAAlwSFlzAAAPYQAAD2EBqD+naQAAVXhJREFUeJzt3Xl8VPW9//H3ZCb7SlYSEiDsm4QQZEepKAgW9epVWlTUYn/Sai1StKC9LtQW26rXei2gRbC0iFTBrVILrbIIKLIEkH0JJEBCSEgmG9km5/dHyGhMwpZlZs68no/HeZCcnDPzOZ7IvPl+z/f7tRiGYQgAAABew8fVBQAAAKBtEQABAAC8DAEQAADAyxAAAQAAvAwBEAAAwMsQAAEAALwMARAAAMDLEAABAAC8DAEQAADAyxAAAQAAvAwBEAAAwMsQAAEAALwMARAAAMDLEAABAAC8DAEQAADAyxAAAQAAvAwBEAAAwMsQAAEAALwMARAAAMDLEAABAAC8DAEQAADAyxAAAQAAvAwBEAAAwMsQAAEAALwMARAAAMDLEAABAAC8DAEQAADAyxAAAQAAvAwBEAAAwMsQAAEAALwMARAAAMDLEAABAAC8DAEQAADAyxAAAQAAvAwBEAAAwMsQAAEAALwMARAAAMDLEAABAAC8DAEQAADAyxAAAQAAvAwBEAAAwMsQAAEAALwMAbCFrF+/XhMnTlRCQoIsFovef//9yzr/mWeekcViabAFBwe3TsEAAMBrEQBbSGlpqVJSUvTqq69e0fkzZ85UdnZ2va1Pnz664447WrhSAADg7QiALWT8+PF67rnndNtttzX688rKSj3++OPq0KGDgoODNWTIEK1du9b585CQELVv3965nT59Wnv37tXUqVPb6AoAAIC3sLm6AG9x//3369ixY3r77beVkJCg9957TzfeeKN2796t7t27Nzh+4cKF6tGjh0aNGuWCagEAgJnRAtgGjhw5omXLlumdd97RqFGj1LVrV82cOVMjR47U4sWLGxxfUVGhpUuX0voHAABaBS2AbWD79u0yDEM9evSot7+iokJRUVENjl+5cqWKi4s1ZcqUtioRAAB4EQJgG6ipqZHVatW2bdtktVrr/SwkJKTB8QsXLtT3v/99tW/fvq1KBAAAXoQA2AZSU1PlcDiUm5t70Wf6MjIy9Nlnn+nDDz9so+oAAIC3IQC2kJKSEh0+fNj5fUZGhtLT0xUZGakePXrorrvu0pQpU/Tiiy8qNTVVeXl5+vTTT3XVVVdpwoQJzvMWLVqk+Ph4jR8/3hWXAQAAvIDFMAzD1UWYwdq1a/W9732vwf57771Xb775pqqqqvTcc89pyZIlOnnypKKiojRs2DA9++yzuuqqqyTVdhV36tRJU6ZM0W9+85u2vgQAAOAlCIAAAABehmlgAAAAvAwBEAAAwMsQAAEAALwMo4CboaamRqdOnVJoaKgsFourywEAAJfAMAwVFxcrISFBPj7e2RZGAGyGU6dOKSkpydVlAACAK5CVlaXExERXl+ESBMBmCA0NlVT7CxQWFubiagAAwKUoKipSUlKS83PcGxEAm6Gu2zcsLIwACACAh/Hmx7e8s+MbAADAixEAAQAAvAwBEAAAwMsQAAEAALwMARAAAMDLEAABAAC8DAEQAADAyxAAAQAAvAwBEAAAwMsQAAEAALwMARAAAMDLEAABAAC8DAHQy+UWl2vuqn366thZV5cCAADaCAHQi1VUO/TjJdv02vqjmvTaZr20+oCqHTWuLgsAALQyAqAXe/qDPdqZVSg/m49qDOmVTw9r0utf6ERBmatLAwAArcg0AXD9+vWaOHGiEhISZLFY9P7771/yuRs3bpTNZtOAAQNarT5389aXmXr7qyz5WKSFUwbplR+mKtTfpm3HCzT+jxv08a5sV5cIAABaiWkCYGlpqVJSUvTqq69e1nl2u11TpkzRmDFjWqky97M9s0BPf/i1JGnmuJ66pkeMbk5J0Kqfj1JqxwgVl1frobe2a/bKXTpX6XBxtQAAoKXZXF1ASxk/frzGjx9/2ec9+OCDmjx5sqxW62W1Gnqq3OJy/eRv21TlMDS+X3v95Nquzp8lRQbp7w8O08v/Pqh5a49o2ZYsZZ4t09+mDpHFYnFh1QAAoCWZpgXwSixevFhHjhzR008/fUnHV1RUqKioqN7mSaocNXp46Q6dLqpQ99gQ/eGOlAbBztfqo8fG9dLfpg6Rv81HGw/na+2BMy6qGAAAtAavDYCHDh3SrFmztHTpUtlsl9YQOnfuXIWHhzu3pKSkVq6yZf3m433acuysQv1teu2eNIX4N33dI7pF674RnSVJv/tkv2pqjDaqEgAAtDavDIAOh0OTJ0/Ws88+qx49elzyebNnz5bdbnduWVlZrVhly/rHrlN6c9MxSdLLPxigLjEhFz3nJ9d2VWiATftzivXRrlOtXCEAAGgrXhkAi4uLtXXrVj388MOy2Wyy2WyaM2eOdu7cKZvNpk8//bTR8/z9/RUWFlZv8xTLv6oNq9Ou7aoxveMu6ZyIID9NO/+M4IurD6qymjkCAQAwA68MgGFhYdq9e7fS09Od27Rp09SzZ0+lp6dryJAhri6xRdXUGErPKpQkTUyJv6xz7x/RWdEh/so8W6blWz2nxRMAADTNNKOAS0pKdPjwYef3GRkZSk9PV2RkpDp27KjZs2fr5MmTWrJkiXx8fNSvX79658fGxiogIKDBfjPIyC9VcXm1Anx91DMu9LLODfKz6ZEx3fTUB3v0yn8O6faBHRTkZ5pfGwAAvJJpWgC3bt2q1NRUpaamSpJmzJih1NRUPfXUU5Kk7OxsZWZmurJEl0nPLJQkXdUhXDbr5d/yH1zdUUmRgTpTXOF8jhAAAHgui2EYDO+8QkVFRQoPD5fdbnfr5wGf+uBrLdl8XA+MTNavvt/nil7jvR0n9OjynQoLsGnD49cpPMi3hasEAKBteMrnd2syTQsgmlb3/N+AjhFX/Bo3p3RQr/ahKiqv1oL1R1qmMAAA4BIEQJMrr3JoX3bthNUpiRFX/DpWH4seG9dTkrR4Y4ZOF5W3RHkAAMAFCIAmtze7SFUOQ9EhfkpsF9is17quV6zSOrVTeVWNXvnPoRaqEAAAtDUCoMntPN/9m5IY0ez1fC0Wi355Yy9JtfMKZtvPNbc8AADgAgRAk3M+/5cU0SKvNzg5UkOSI1VdY+ivm4+3yGsCAIC2RQA0uboAmNJCAVCSpo5MliS9tSVT5yodLfa6AACgbRAATaygtFLH88skNW8AyHeN6R2njpFBKiyr0sodJ1rsdQEAQNsgAJpY+olCSVKX6OAWnbfP6mPRfcM7S5IWfZ6hmhqmkgQAwJMQAE1sZws///dtdwxKVIi/TUfOlGrD4bwWf30AANB6CIAm1hrP/9UJDfDVpKuTJElvfJ7R4q8PAABaDwHQpAzDaNUWQEm6b3hn+Vik9QfP6NDp4lZ5DwAA0PIIgCaVebZMBWVV8rP6qFd8aKu8R1JkkG7oEydJWrzpWKu8BwAAaHkEQJOq6/7tkxAmf5u11d7nRyNqp4RZuf2ECkorW+19AABAyyEAmlRLTwDdlMHJkeqbEKbyqhq9tSWzVd8LAAC0DAKgSbX28391LBaLc2LoJZuPqcpR06rvBwAAmo8AaEKV1TX6+lSRpNYZAfxdN/WPV0yov04XVWjV7uxWfz8AANA8BEATOpBTrMrqGoUH+qpzVFCrv5+/zap7hnaSVDsxtGEwMTQAAO6MAGhC6VkFkmpb/ywWS5u85+QhHeVn89HOE3btON/9DAAA3BMB0ITSs+ySpAGJ4W32ntEh/prYP0GStOxLBoMAAODOCIAmVNcCOKBjRJu+7+QhtSuDfLTrlIrKq9r0vQEAwKUjAJqM/VyVjpwplSSlJEa06XsP7NhO3WNDVF5Vow92nGzT9wYAAJeOAGgyu0/Udv8mRQYqKsS/Td/bYrHoh4M7SpLe2pLFYBAAANwUAdBknANA2rj1r85tAzvIz+ajfdlF2nU+jAIAAPdCADQZ5wCQNpj/rzERQX666ap4SdIyVgYBAMAtEQBN5uDpYklSvw5tNwL4u+q6gT/ceUolFdUuqwMAADSOAGgihmHodFG5JKlDRKDL6ri6czt1jQlWWaVDH6afclkdAACgcQRAEykqr1ZFde1avDGhbTsA5Nu+PRiEbmAAANwPAdBEcs+3/oUF2BTga3VpLbcNTJSf1Ue7T9qdI5MBAIB7IACaSG5xhSQpLizAxZVIkcF+urFfe0nSsq9oBQQAwJ0QAE0kt7i2BTA2zHXdv99W1w38wY6TKmUwCAAAboMAaCKni2pbAGNDXd8CKElDu0QqOTpYpZUO/WMXg0EAAHAXBEATya0LgG7SAmixWPSDq2vXB35rS5aLqwEAAHUIgCbi7AJ2kxZASbo9LVG+Vot2ZhVqzykGgwAA4A4IgCbibAF04RQw3xUd4q+xfc8PBmFKGAAA3AIB0ETqWgDdYRTwt911fjDI+ztOMRgEAAA3QAA0CcMwnNPAuFMLoCQN6xql5OhglVRU66OdDAYBAMDVTBMA169fr4kTJyohIUEWi0Xvv//+BY9fuXKlbrjhBsXExCgsLEzDhg3Tv/71r7YpthWUVFSrrNIhyX0GgdSpXRmkdjDI0i/pBgYAwNVMEwBLS0uVkpKiV1999ZKOX79+vW644QatWrVK27Zt0/e+9z1NnDhRO3bsaOVKW0dd61+ov01BfjYXV9PQf6clsTIIAABuwv2SwhUaP368xo8ff8nHv/zyy/W+/+1vf6sPPvhAH330kVJTU1u4utZ3+vwycDFu1vpXJzLYT+Ovaq8P0k/prS3HNTexv6tLAgDAa5mmBbC5ampqVFxcrMjIyCaPqaioUFFRUb3NXZxx0+f/vm1y3cog6adUXF7l4moAAPBeBMDzXnzxRZWWlurOO+9s8pi5c+cqPDzcuSUlJbVhhRdWNwWMu40A/rbByZHqFhuiskqH3k9nMAgAAK5CAJS0bNkyPfPMM1q+fLliY2ObPG727Nmy2+3OLSvLfVa3qOsCducWwNrBILWtgG99mSnDMFxcEQAA3snrA+Dy5cs1depU/f3vf9f1119/wWP9/f0VFhZWb3MX30wB474tgJJ0+8AO8rf5aF92kdKzCl1dDgAAXsmrA+CyZct033336a233tJNN93k6nKaxbkMnJsOAqkTEeSnm/rHS2JKGAAAXMU0AbCkpETp6elKT0+XJGVkZCg9PV2ZmbUhY/bs2ZoyZYrz+GXLlmnKlCl68cUXNXToUOXk5CgnJ0d2u2dOUfLNMnDu3QIoSXcNqe0G/seuU7KfYzAIAABtzTQBcOvWrUpNTXVO4TJjxgylpqbqqaeekiRlZ2c7w6Akvfbaa6qurtZDDz2k+Ph45/bzn//cJfU3l7ML2M1bACVpYMd26hkXqvKqGr23/YSrywEAwOuYZh7A0aNHX3BQwZtvvlnv+7Vr17ZuQW2otKJaJefX2HXnUcB1LBaL7hraUU99sEdvbcnUvcM7y2KxuLosAAC8hmlaAL1ZXetfkJ9VIf6ekelvTe2gQF+rDp4u0dbjBa4uBwAAr0IANIHc81PAeELrX52wAF9NTDk/GOSL4y6uBgAA70IANIG6FsAYN54DsDF3D+0kSVq1O8e5kgkAAGh9BEAT8IRJoBvTPzFCA5IiVOmo0fKvmBIGAIC2QgA0gbrWM0/qAq4zZVhtK+DSLzNV7ahxcTUAAHgHAqAJeGoLoCRNuCpeUcF+yraX69/7Tru6HAAAvAIB0AQ8aQ7A7wrwteoHg5MkSX/ZxGAQAADaAgHQBOoCYJwHrALSmMlDOsnHIm0+mq9Dp4tdXQ4AAKZHADQBZxewB7YASlKHiEDd0CdOkrRkM62AAAC0NgKghyuvcqi4vHYVkBgPbQGUpCnDOkuSVm4/oeJy1gcGAKA1EQA9XG5RbfdvgK+PwgI8YxWQxgzvGqWuMcEqrXRo5faTri4HAABTIwB6uNPFdSOAAzx6PV2LxaJ7h3eWJC3ZfOyC6zoDAIDmIQB6uLoWQE+cAua7/iu1g4L9rDpyplSbjuS7uhwAAEyLAOjhcos9bx3gpoQG+Or2tERJ0l82HXNtMQAAmBgB0MOdLvLMdYCbcs/59YH/ve+0Thaec3E1AACYEwHQw9W1AHrqFDDf1T0uVMO7RqnGkJZ+wZQwAAC0BgKghzvj4ZNAN6ZuSphlWzJ1rtLh2mIAADAhAqCH8/RJoBtzfe9YJbYLVEFZlVbuOOHqcgAAMB0CoIdzrgNsohZAm9VH949IliS98XmGamqYEgYAgJZEAPRgFdUOFZbVrpoRZ6IWQEm6c1CiQv1tOnqmVGsP5rq6HAAATIUA6MHq5gD0s/koPNDXxdW0rNAAX/1gcJIkaeGGDBdXAwCAuRAAPVhd929MiL9HrwLSlHuHd5bVx6JNR/K155Td1eUAAGAaBEAPlltUNwm0ubp/6yS2C9L4fu0l1T4LCAAAWgYB0IOZcQDIdz0wqosk6aOdp5yBFwAANA8B0IOZbRLoxgxIitCgTu1U5TC0ZDMTQwMA0BIIgB6sbhk4M6wDfCEPjKqdEuZvXx5nYmgAAFoAAdCDOQeBmGQd4Kbc0Ke9kiIDVVhWpRXbmRgaAIDmIgB6sLpn4mJNHgCtPhb96PzE0IuYGBoAgGYjAHqwuhZAs3cBS9Idg5IUGmDT0bxSfXaAiaEBAGgOAqCHqqyu0dnSSknmbwGUpBB/myYP6ShJ+vOGoy6uBgAAz0YA9FB5JbWtf75Wi9oF+bm4mrZx3/DOsvlY9MXRs0rPKnR1OQAAeCwCoIc6ff75v5gQf/n4mG8VkMbEhwfqlgEdJEnzPjvs4moAAPBcBEAP5RwB7AXP/33bT0Z3kcUird57WgdPF7u6HAAAPBIB0EM5B4B4wfN/39YtNlQ39q1dHm7+2iMurgYAAM9EAPRQzilgTLwKSFN+OrqbJOnDnaeUmV/m4moAAPA8BEAPlVtk/nWAm3JVYriu6REjR42hBetpBQQA4HKZJgCuX79eEydOVEJCgiwWi95///2LnrNu3TqlpaUpICBAXbp00YIFC1q/0BZy+vw6wHFe2AIoSQ9/r7YV8N2tJ5wDYgAAwKUxTQAsLS1VSkqKXn311Us6PiMjQxMmTNCoUaO0Y8cOPfHEE3rkkUe0YsWKVq60ZXhzC6AkDU6O1NWd26nSUaOFzAsIAMBlsbm6gJYyfvx4jR8//pKPX7BggTp27KiXX35ZktS7d29t3bpVL7zwgm6//fZWqrLleMs6wBfy0+910/2Lv9LSLzP109Hd1C7YO+ZDBACguUzTAni5Nm/erLFjx9bbN27cOG3dulVVVVWNnlNRUaGioqJ6mytUO2qUX+o9y8A1ZXSPGPWJD1NZpUNvbjrm6nIAAPAYXhsAc3JyFBcXV29fXFycqqurlZeX1+g5c+fOVXh4uHNLSkpqi1IbKDxXJcOo/bpdkK9LanAHFotFD51/FvDNTcdUUlHt4ooAAPAMXhsApdoA8W3G+VT13f11Zs+eLbvd7tyysrJavcbG2M/VtlCG+ttks3r1LdSN/dqrS3Sw7Oeq9NaXx11dDgAAHsFr00P79u2Vk5NTb19ubq5sNpuioqIaPcff319hYWH1NleoC4DhXtz6V8fqY9G00V0lSX/ekKHyKoeLKwIAwP15bQAcNmyY1qxZU2/f6tWrNWjQIPn6unewcgbAQPeus63cOqCDOkQE6kxxhZZtyXR1OQAAuD3TBMCSkhKlp6crPT1dUu00L+np6crMrA0Es2fP1pQpU5zHT5s2TcePH9eMGTO0b98+LVq0SG+88YZmzpzpivIvi72MAPhtfjYf57OAf/rsiMoqeRYQAIALMU0A3Lp1q1JTU5WamipJmjFjhlJTU/XUU09JkrKzs51hUJKSk5O1atUqrV27VgMGDNCvf/1rvfLKKx4xBQwtgA3dMShRHSODlFdSoSWbeRYQAIALMc08gKNHj3YO4mjMm2++2WDftddeq+3bt7diVa2DANiQr9VHj4zprpnv7NRr647oriEdFRrAfx8AABpjmhZAb8IgkMbdOiBBXWKCVVBWpcUbj7m6HAAA3BYB0AMV8gxgo2xWHz16fQ9J0p/XH1VhWaWLKwIAwD0RAD0QXcBNu+mqePVqH6riimr9mTWCAQBoFAHQAxURAJvk42PRozfUtgIu3nhM+SUVLq4IAAD3QwD0QLQAXtjYPnG6qkO4yiodWrDuiKvLAQDA7RAAPVBdAIwI9HNxJe7JYrHoF2NrWwGXbD6u00XlLq4IAAD3QgD0QIXnagc30ALYtGt7xGhQp3aqqK7RvM8Ou7ocAADcCgHQw1RUO1ReVSOJAHghta2APSVJb23J1ImCMhdXBACA+yAAepi67l+LRQoNMM083q1iWNcoDe8apSqHoZfWHHR1OQAAuA0CoIepGwEcFuArHx+Li6txf7PG95Ikrdx+Ul+ftLu4GgAA3AMB0MMwAvjy9E+M0K0DEiRJz32894LLBQIA4C0IgB6GVUAu32M39pKfzUdfHD2r/+zLdXU5AAC4HAHQw9ACePk6RARq6shkSdJv/7lPVY4aF1cEAIBrEQA9DAHwyvx0dFdFBfvp6JlSLduS6epyAABwKQKgh3EGwCAC4OUIDfDV9Ou7S5Je/vchFZVXubgiAABchwDoYXgG8Mr9cHBHdY0J1tnSSs37jCXiAADeiwDoYYroAr5iNquPnpjQW5K0aGOGss4yOTQAwDsRAD0MzwA2z3W9YjWsS5Qqq2v0wuoDri4HAACXIAB6mLoAGEEAvCIWi0VP3tRbFov0QfoppWcVurokAADaHAHQw9AC2Hz9OoTrttRESdKzH+1RTQ2TQwMAvAsB0MMU1i0FRwBslsdv7KlgP6t2ZBbqnW1Zri4HAIA2RQD0MLQAtoy4sAA9ekMPSdLz/9yvgtJKF1cEAEDbIQB6kPIqhyqra1exYB7A5rt3eGf1jAtVQVmV/sCAEACAFyEAepC61j+rj0Wh/jYXV+P5fK0++vWt/SRJy7ZkaicDQgAAXoIA6EHqAmBYgE0Wi8XF1ZjD4ORI3ZbaQYYh/er9r+VgQAgAwAsQAD0Iq4C0jtkTeis0wKbdJ+16i3WCAQBegADoQRgA0jpiQv01c2xPSdIfPtmv/JIKF1cEAEDrIgB6EDtTwLSau4d2Ut+EMBWVV+v5f+53dTkAALQqAqAHca4CEuTn4krMx+pj0ZxbageEvLPthLYeO+viigAAaD0EQA/yTRcwI4BbQ1qndpo0KElS7YCQuil3AAAwGwKgB7GX1U5WzDOAreeX43spMthP+3OKNX/tEVeXAwBAqyAAehAGgbS+yGA/PXtzX0nSq58d0v6cIhdXBABAyyMAehDnM4CBPAPYmr7fP15j+8SpymHo8Xd3qdpBVzAAwFwIgB6EUcBtw2Kx6Llb+ykswKZdJ+xa+HmGq0sCAKBFEQA9SCFdwG0mNixA//P9PpKkl9Yc1JEzJS6uCACAlkMA9CBFBMA29d9pibqmR4wqq2v0+Lu7WCYOAGAapgqA8+bNU3JysgICApSWlqYNGzZc8PilS5cqJSVFQUFBio+P1/3336/8/Pw2qvbyGIbxzSCQIAJgW7BYLJp721UK9rNq2/ECLdl8zNUlAQDQIkwTAJcvX67p06frySef1I4dOzRq1CiNHz9emZmNr+36+eefa8qUKZo6dar27Nmjd955R1999ZUeeOCBNq780pyrcqjKUdsCFUELYJvpEBGo2RN6S5J+/8kBZZ0tc3FFAAA0n2kC4EsvvaSpU6fqgQceUO/evfXyyy8rKSlJ8+fPb/T4L774Qp07d9Yjjzyi5ORkjRw5Ug8++KC2bt3axpVfmrrWP5uPRUF+VhdX410mD+6ooV0ida7KoV+u2KUauoIBAB7OFAGwsrJS27Zt09ixY+vtHzt2rDZt2tToOcOHD9eJEye0atUqGYah06dP691339VNN93UFiVftsKyb57/s1gsLq7Gu/j4WPS72/srwNdHm47ka9FGRgUDADybKQJgXl6eHA6H4uLi6u2Pi4tTTk5Oo+cMHz5cS5cu1aRJk+Tn56f27dsrIiJC//d//9fk+1RUVKioqKje1laYBNq1OkUFO0cF//6TA9p7igmiAQCeyxQBsM53W8YMw2iytWzv3r165JFH9NRTT2nbtm365JNPlJGRoWnTpjX5+nPnzlV4eLhzS0pKatH6L4Q5AF1v8uCOur53nCodNfr52ztUXuVwdUkAAFwRUwTA6OhoWa3WBq19ubm5DVoF68ydO1cjRozQY489pv79+2vcuHGaN2+eFi1apOzs7EbPmT17tux2u3PLyspq8WtpinMVEEYAu4zFYtHvbr9KMaH+OpRbormr9rm6JAAArogpAqCfn5/S0tK0Zs2aevvXrFmj4cOHN3pOWVmZfHzqX77VWju4wjAaf8jf399fYWFh9ba2whyA7iEqxF8v3JEiSfrL5uP6bH+uiysCAODymSIAStKMGTO0cOFCLVq0SPv27dOjjz6qzMxMZ5fu7NmzNWXKFOfxEydO1MqVKzV//nwdPXpUGzdu1COPPKLBgwcrISHBVZfRpG8PAoFrXdsjRj8akSxJeuzdnTpTXOHiigAAuDw2VxfQUiZNmqT8/HzNmTNH2dnZ6tevn1atWqVOnTpJkrKzs+vNCXjfffepuLhYr776qn7xi18oIiJC1113nX73u9+56hIuiEEg7uXxG3tq05E87c8p1uPv7tSi+65mdDYAwGNYjKb6O3FRRUVFCg8Pl91ub/Xu4EeW7dCHO0/pVzf11gOjurTqe+HSHMgp1sRXP1dldY3m3NJXU4Z1dnVJAIBL0Jaf3+7KNF3AZkcLoPvp2T5UT4zvJUn6zcf7tC+bqWEAAJ6BAOghCIDu6d7hnTW6Z4wqqmv006XbVVRe5eqSAAC4KAKghyAAuieLxaKX7hyghPAAZeSV6vF3djU5ihwAAHdBAPQQzgDIPIBuJzLYT/PuTpOv1aJP9uTojc9ZKg4A4N4IgB7AMIxvJoIO9HNxNWjMgKQI51Jxc/+5X18dO+viigAAaBoB0AOUVjrkqKntVqQL2H3dM7STbk5JkKPG0ENLtzM/IADAbREAPUBhWaUkyc/qowBfbpm7slgsmnvbVeoWG6Lc4go9smyHM7gDAOBOSBMeoK77NyzQl8mG3Vywv00L7h6oID+rNh/N10trDri6JAAAGiAAegDn838MAPEI3WJD9fzt/SVJf/rsiFbvyXFxRQAA1EcA9ABFTAHjcW5OSdB9wztLkqYvT2eSaACAWyEAegDmAPRMT97UW8O7Rqms0qEH/rJVeSUMCgEAuAcCoAcoLCMAeiJfq4/m3TVQnaOCdLLwnKb9dZsqqh2uLgsAAAKgJ6AF0HNFBPlp4b1XKzTApq3HC/Tke1+zUggAwOUIgB6AAOjZusWG6E+TB8rHIr277YT+vOGoq0sCAHg5AqAHIAB6vmt6xNRbKeTT/addXBEAwJsRAD0AAdAc7hveWT8cnCTDkB5Zlq4DOcWuLgkA4KUIgB6AAGgOFotFz97cT0OSI1VSUa37F29Rjr3c1WUBALwQAdADOAMgE0F7PD+bjxbcnaYuMcE6ZS/XfYu3qKi8ytVlAQC8DAHQAzhXAqEF0BTaBfvpL/cPVkyov/bnFOvBJUwPAwBoWwRAN1dTY7ASiAklRQZp8X1XK/j8msEz39mlmhqmhwEAtA0CoJsrqaxWXS4IIwCaSr8O4VpwT5psPhZ9tPOU5v5zn6tLAgB4CQKgm7OfXwXE3+ajAF+ri6tBSxvVPUa//+/+kqQ/b8jQQuYIBAC0AQKgm3M+/8cAENO6bWCifnljL0nScx/v00c7T7m4IgCA2REA3RxTwHiHadd20b3DOkmSHl2ezkTRAIBWRQB0cwRA72CxWPTUxL66OSVB1TWGpv1tuzYeznN1WQAAkyIAurnCMgKgt7D6WPTinSm6oU+cKqtr9MBftuqrY2ddXRYAwIQIgG6urgWQEcDewdfqo1cnp+qaHjE6V+XQ/Yu/0q4Tha4uCwBgMgRAN/fNJNB+Lq4EbcXfZtVrd6c5l4ybsmiL9ucUubosAICJEADdHM8AeqdAP6veuO9qpXaMUGFZle5e+KWOnClxdVkAAJMgALq5b1YBsbm4ErS1EH+b3rx/sPomhCmvpFKT//wFIRAA0CIIgG6u8FylJCmceQC9Unigr/46dYh6xIXodFGFJr32hQ6eLnZ1WQAAD0cAdHM8A4jIYD8t+/FQ9Y4PU15JhX7w+hfac8ru6rIAAB6MAOjmGAUMSYoK8deyHw9R/8RwnS2t1OQ/f6mdWYWuLgsA4KEIgG7OzjyAOC8iyE9/e2CIBnaMkP1c7cCQbceZJxAAcPkIgG7MUWOouKJaEgEQtcICfLVk6hANSY5UcUW17nlji744mu/qsgAAHoYA6MaKy6tkGLVfEwBRp2508Kju0SqrdOi+xVtYOxgAcFlMFQDnzZun5ORkBQQEKC0tTRs2bLjg8RUVFXryySfVqVMn+fv7q2vXrlq0aFEbVXtxdc//BflZ5Wcz1a1CMwX6WfXnKYN0Xa9YlVfV6MdLtmnFthOuLgsA4CFMkyqWL1+u6dOn68knn9SOHTs0atQojR8/XpmZmU2ec+edd+o///mP3njjDR04cEDLli1Tr1692rDqC2MSaFxIgK9Vr92TpttSO8hRY+gX7+zU6+uPuLosAIAHMM3swi+99JKmTp2qBx54QJL08ssv61//+pfmz5+vuXPnNjj+k08+0bp163T06FFFRkZKkjp37tyWJV9UIQNAcBG+Vh+9cEeKokL89OcNGfrtqv3KK6nUrBt7ycfH4uryAABuyhQtgJWVldq2bZvGjh1bb//YsWO1adOmRs/58MMPNWjQIP3+979Xhw4d1KNHD82cOVPnzp1ri5IvSUFZ7STQEUwCjQvw8bHoyZv6aPb42tbr19cf1cx3d6rKUePiygAA7soULYB5eXlyOByKi4urtz8uLk45OTmNnnP06FF9/vnnCggI0Hvvvae8vDz99Kc/1dmzZ5t8DrCiokIVFRXO74uKilruIhpR1wLYLohJoHFxD17bVVEh/vrlil1auf2kCsuq9OrkVAX5meJ/cwBACzJFC2Adi6V+l5dhGA321ampqZHFYtHSpUs1ePBgTZgwQS+99JLefPPNJlsB586dq/DwcOeWlJTU4tfwbXUBMIIAiEv032mJ+vOUNAX4+ujT/bma9NoXOl1U7uqyAABuxhQBMDo6WlartUFrX25uboNWwTrx8fHq0KGDwsPDnft69+4twzB04kTjoylnz54tu93u3LKyslruIhpR1wXcji5gXIbresVp6QNDFRnsp90n7brl1Y36+iRLxwEAvmGKAOjn56e0tDStWbOm3v41a9Zo+PDhjZ4zYsQInTp1SiUlJc59Bw8elI+PjxITExs9x9/fX2FhYfW21lTIM4C4Qmmd2un9n45Q99gQ5RSV644Fm7V6T+OPQwAAvI8pAqAkzZgxQwsXLtSiRYu0b98+Pfroo8rMzNS0adMk1bbeTZkyxXn85MmTFRUVpfvvv1979+7V+vXr9dhjj+lHP/qRAgMDXXUZ9RTQBYxm6BgVpBU/Ha5R3aN1rsqhB/+2Ta+vPyKjbnZxAIDXMk0AnDRpkl5++WXNmTNHAwYM0Pr167Vq1Sp16tRJkpSdnV1vTsCQkBCtWbNGhYWFGjRokO666y5NnDhRr7zyiqsuoYHCcwwCQfOEBfhq8X1X6+6hHWUY0m9X7dfslbtVWc0IYQDwZhaD5oArVlRUpPDwcNnt9lbpDr72D5/peH6Z3p02TIM6R7b468N7GIahxRuP6bmP96rGkAZ3jtSf7hqomFB/V5cGAG2utT+/PYFpWgDNqKCUZwDRMiwWi340MlkL7x2kEH+bthw7q4n/97nSswpdXRoAwAUIgG6q2lGjovJqSTwDiJZzXa84vf/QCHWNCVZOUbnuXLBZf/+qdUezAwDcDwHQTdWFP0mKYCk4tKBusSF6/6ERGtsnTpWOGj2+Ypd+9T7PBQKANyEAuqm6OQBDA2yyWblNaFmhAb5acHeafnFDD1ks0t++yNQP//yFcpk0GgC8AsnCTTEHIFqbj49FPxvTXW/cO0ihATZtO16gCa98ro2H81xdGgCglREA3VRBKVPAoG1c1ytOHz48Uj3jQpVXUqG73/hSL60+oGoHXcIAYFYEQDdV4GwBJACi9SVHB+uDh0foh4OTZBjSK58e1uSFX7KOMACYFAHQTdmdk0DTBYy2EeBr1dzb+uuPPxigYD+rtmSc1fg/btDaA7muLg0A0MIIgG6qrgWQLmC0tVsGdNA/HhmlPvFhOltaqfsWf6Xn/7mfUcIAYCIEQDdVtw5wOFPAwAWSo4O18qfDdc/Q2qUUF6w7otvmb9Th3GIXVwYAaAkEQDdV6GwBJADCNQJ8rfr1rf204O6Bigjy1dcni3TTK59ryeZjYgVJAPBsBEA3VXi+BbBdMF3AcK0b+8XrX9Ov0TU9YlRRXaOnPtij+xZ/xZyBAODBCIBuqq4LmFHAcAdxYQH6y/1X69mb+8rf5qN1B89o3Mvr9cnXOa4uDQBwBQiAbso5ETTPAMJNWCwW3Tu8s/7xs5HqEx+mgrIqTfvbNn2QftLVpQEALhMB0E0xChjuqntcqN5/aITuHtpRkvTYu7uUnlXo2qIAAJeFAOiGyqscKq+qnXIjIpgWQLgfP5uP5tzcT9f3jlVldY1+vGSrsu3nXF0WAOASEQDdUN0AEKuPRaH+NhdXAzTOx8eil3+Qqp5xoTpTXKH/t2SbzlU6XF0WAOASEADdUMG3nv+zWCwurgZoWoi/TQvvHaTIYD/tPmnXzHd2MkUMAHgAAqAb+mYdYLp/4f6SIoO04O40+Vot+nh3tv74n0OuLgkAcBEEQDfknAOQASDwEIOTI/WbW6+SJL3870P6eFe2iysCAFwIAdANFTIHIDzQnVcn6YGRyZKkX7yTrvd3nKQ7GADcFAHQDRWwDBw81OwJvTW6Z4zKq2o0fXm6/nvBZu06UejqsgAA30EAdEOFPAMID2X1sWjB3WmaObaHAn2t2na8QLf8aaMee2encotZOg4A3AUB0A2xDBw8WYCvVQ9f112fzRyt21I7yDCkd7ad0HUvrNOCdUdUUc1UMQDgagRAN1TIKiAwgfbhAXpp0gCt/OlwpSRFqKSiWs//c7/GvLhOH6SfVE0NzwcCgKsQAN3QN6OA6QKG5xvYsZ3e+8lwvXhHimJD/XWi4Jx+/na6bv7T59p4OM/V5QGAVyIAuqG6QSDhBECYhI+PRbenJWrtY6M1c2wPhfjb9PXJIt218EtNWbRFe08VubpEAPAqBEA3xDyAMKsgP5sevq671j02WvcN7yxfq0XrD57RTf+3QdPf3qGMvFJXlwgAXoEA6GYMw1DhOQIgzC0qxF/P3NxX/55xrb7fP16GIb2ffkrXv7ROj7+7U1lny1xdIgCYGgHQzRRXVMtx/uF4poGB2XWKCtarkwfqo4dH6ns9Y+SoMfT3rSd03Ytr9av3dyvHztQxANAaCIBuprC0tvUvwNdHAb5WF1cDtI2rEsO1+P7BWvGT4RrZLVpVDkN/+yJT1/zhMz3z4R6CIAC0MAKgmylgChh4sbRO7fS3B4bo7f83VIM7R6qyukZvbjqma37/mZ54bzddwwDQQgiAbqbAuQoIARDea2iXKC1/cKj+NnWIBidHqtJRo7e+zNToF9bqF3/fqSNnSlxdIgB4NAKgm2EOQKCWxWLRyO7R+vuDw7T8/w3VqO7RctQYWrH9hK5/aZ1mLE9XeRWrigDAlbC5ugDUxyogQENDukRpSJcopWcV6tVPD+vf+05r5Y6Tignz1+zxvV1dHgB4HFoA3UzdOsBMAg00NCApQgvvHaQFdw+UJP15/VHtOlHo2qIAwAMRAN3MNy2ABECgKTf2i9fElATVGNLj7+5SZXWNq0sCAI9iqgA4b948JScnKyAgQGlpadqwYcMlnbdx40bZbDYNGDCgdQu8BAWsAgJckmcm9lG7IF/tzynWgnVHXF0OAHgU0wTA5cuXa/r06XryySe1Y8cOjRo1SuPHj1dmZuYFz7Pb7ZoyZYrGjBnTRpVeWN0qIIwCBi6sbjURSfq/Tw/p0OliF1cEAJ7DNAHwpZde0tSpU/XAAw+od+/eevnll5WUlKT58+df8LwHH3xQkydP1rBhw9qo0gur6wKOCKQLGLiYm1MSNKZXrKochh57d5dzFR0AwIWZIgBWVlZq27ZtGjt2bL39Y8eO1aZNm5o8b/HixTpy5IiefvrpS3qfiooKFRUV1dtamnMi6GACIHAxFotFz/1XP4X625SeVag3Nx1zdUkA4BFMEQDz8vLkcDgUFxdXb39cXJxycnIaPefQoUOaNWuWli5dKpvt0mbDmTt3rsLDw51bUlJSs2v/rrql4OgCBi5NfHigZk+onQrmhX8dUGY+q4UAwMWYIgDWsVgs9b43DKPBPklyOByaPHmynn32WfXo0eOSX3/27Nmy2+3OLSsrq9k1f1uVo0bFFdWSGAQCXI4fDk7SsC5ROlfl0KyVu2QYdAUDwIWYIgBGR0fLarU2aO3Lzc1t0CooScXFxdq6dasefvhh2Ww22Ww2zZkzRzt37pTNZtOnn37a6Pv4+/srLCys3taS7OcHgEhSWABzdAOXymKx6Pnbr1KAr482HcnXuJfXa/7aI8q2n3N1aQDglkwRAP38/JSWlqY1a9bU279mzRoNHz68wfFhYWHavXu30tPTndu0adPUs2dPpaena8iQIW1Vej11A0DCAmyyWU1xa4A20ykqWM/depX8bD46eLpEv/tkv4Y//6km//kLvbM1SyXnW9cBACZaCm7GjBm65557NGjQIA0bNkyvv/66MjMzNW3aNEm13bcnT57UkiVL5OPjo379+tU7PzY2VgEBAQ32tyXnHIDBdP8CV+K/0xJ1Q584rdqdrfe2n9SWY2e16Ui+Nh3J1/988LXG9I7TxP4JGt0zRgG+VleXCwAuY5oAOGnSJOXn52vOnDnKzs5Wv379tGrVKnXq1EmSlJ2dfdE5AV2toPT8FDA8/wdcsfBAX/1wcEf9cHBHZZ0t0wfpJ7Vyx0kdPVOqj3dl6+Nd2Qr1t2ls3/aamBKvEd2i5UuLOwAvYzF4WvqKFRUVKTw8XHa7vUWeB/z71iw9/u4uje4ZozfvH9wCFQKQageE7T5p10c7T+kfu7KVbS93/iwy2E/j+rbXTVfFa2iXSB6/ALxAS39+eyLTtACaAZNAA63DYrGof2KE+idGaPb43tp6vEAf7TylVbuzlV9aqWVbMrVsS6baBflqbJ/2mtA/XsO7RtEyCMC0CIBupO4ZQLqAgdbj42PR4ORIDU6O1NMT+2jz0Xyt2p2tf+05rbOllVq+NUvLt2YpPNBX1/eO07i+cbqmB88MAjAXAqAbqWsBZA5AoG3YrD4a1T1Go7rH6Ne31OjLjLPnw2CO8koqtWL7Ca3YfkKBvlZd0yNaY/u015jesfwjDYDHIwC6kYLSulHAdAEDbc1m9dGIbtEa0S1ac27ppy0ZZ7V6b45W7zmtk4Xn9K89p/WvPadl9bFocOdIXd8nTjf0jlPHqCBXlw4Al40A6EYKz9W2AIbzDCDgUlYfi4Z1jdKwrlF66vt9tOdUkVbvPa3Ve3K0P6dYm4/ma/PRfP36H3vVPTZE1/eJ0/W9YzUgqZ2sPg1XHwIAd0MAdCOFdfMA0r0EuA2LxaJ+HcLVr0O4ZtzQQ5n5ZVqz77T+s++0vsw4q0O5JTqUW6L5a48oKthPo3vGakzvWI3qHq3QAP4xB8A9EQDdSAHPAAJur2NUkKaOTNbUkcmyl1Vp7cFc/XtfrtYeyFV+6TfPDfpaawebXNcrTmN6xapzdLCrSwcAJwKgmzAM41ujgGk1ADxBeJCvbhnQQbcM6KAqR42+yjirT/fn6tP9uTqaV6qNh/O18XBtV3HnqCCN7hmra3vEaGiXKAX6MaoYgOswEXQztOREkucqHer91CeSpN3PjKXrCPBwGXml58PgaX159Kyqa775q9bP5qMhyZG6tkeMRveMUdeYEFksPDsItBUmgiYANktL/gKdKjyn4c9/KpuPRYd+M54PA8BEisurtOlIvtYeOKN1B3J16lsrkUhSQniARnWP0TU9YjSyW7TC6QUAWhUBkC5gt1H3/F9EkB/hDzCZ0ABfjevbXuP6tpdhGDqcW6J1B89o7YEz2nLsrE7Zy50TUPtYpJSkiPPzE0ZrQFIEK5IAaHEEQDfxzQhg/uUPmJnFYlH3uFB1jwvVA6O66FylQ19m5Gv9wTytP3RGh3NLtCOzUDsyC/XKfw4pxN+moV0iNbJbtEZ2j1HXmGD+kQig2QiAboIpYADvFOhn1eiesRrdM1ZS7eMgGw6d0YZDedp4OE8FZVX6977akcaSFB8eoGFdozS8a7SGdY1Sh4hAV5YPwEMRAN1EXRcwz/4A3i0hIlCTru6oSVd3VE2Nob3ZRc4wuOXYWWXby7Vy+0mt3H5SktQpKkjDu0ZpWNdoDe0SqdjQABdfAQBPQAB0E9+sA0wABFDLx+ebSah/Mrqryqsc2na8QJuO5GnTkXztOmHX8fwyHc8v07ItWZKkrjHBGtqldhWTIclRign1d/FVAHBHBEA3UUAXMICLCPC1OtcrlmpHF3917Kw2Hc7XpiP52pdTpCNnSnXkTKmWfpkpSeoWG6IhyZEa0iVKQ5MjFRtGCyEAAqDb+PYoYAC4FKEBvrquV5yu6xUnqbYnYUvGWW0+mq8vjp7VvuwiHc4t0eHcEmcgTI4OPh8IIzU4mWcIAW9FAHQTdlYBAdBMEUF+Gtu3vcb2bS9JKiit1JcZZ/VlRr6+PHpW+3KKlJFXqoy8Ur39VW2XcUJ4gK5OjtSgzpEa3DlS3WND5OPDKGPA7AiAbqKAZwABtLB2wX66sV973divNhDay2q7jL/MyNeXGWe151SRTtnL9UH6KX2QfkqSFBZg06DOkUrr1E5pndopJTGCZesAEyIAuolCZwsgXcAAWkd4kK+u7xOn6/vUdhmXVlQrPatQWzLOauvxs9p+vFBF5dXO9YwlyeZjUd+EMA08HwjTOrVTfDjdxoCnIwC6iW9aAAmAANpGsL+t3qCSKkeN9p4q0tbjBdp+vEBbj5/V6aIK7Txh184Tdi3eeExS7VyEAzu2U2rHCKV1aqe+CeHys7FaCeBJCIBuoKbGkP0czwACcC1fq49SkiKUkhShqSOTZRiGThae07bjBdp2vEDbMwu0L7tY2fZyfbw7Wx/vzpYk+dl81DchTKlJ7TSgY4RSkyKU2C6QFUsAN0YAbEMHcoq16PMMPXFTb4UHfhP0isurVWPUfk0ABOAuLBaLEtsFKbFdkG4Z0EGSVFZZrZ1Zdm3PrG0l3J5ZoIKyKufyddpYe250iJ8GJEUoJTFC/ZMilJIYziMugBshALYRwzD0+Ipd2plVqLUHc/X8bf31vV61Sz/Vdf8G+Vnlb+NhawDuK8jPpmFdayealmr/bjuWX6b0rAKlZxZqR1ah9p4qUl5JZb0l7KTaVUv6J9aGwf6JEeqbEKZgfz6GAFewGIZhuLoIT1VUVKTw8HDZ7XaFhYVd9Phtx8/qsXd26WheqSTp9oGJeur7fXQ0r0T/NW+TOkQEauOs61q7bABoVeVVDu05VaT0rELtOlGonVmFOpZf1uA4i0XqFhOiqxLD1b9DuK5KjFCf+DBGHaPVXe7ntxkRAJvhSn6ByqsceuFfB/TGxgwZhhQX5q+brkrQoo0Z6psQpo8fGdXKVQNA27OXVWnXyULtOmHXzqxC7T5pV7a9vMFxVh+LusWEqG+HMF11fhm8PvG0FKJlEQAJgM3SnF+g77YGStKIblFa+sDQli4TANxSbnG5vj5p164Tdu0+P9I4r6SiwXEWi9QlOlh9E8LVNyFMfRLC1DchXJHBPFOIK0MAJAA2S3N/gcqrHHppzUH9ecNRGYY0MSVB//fD1FaoFADcn2EYyi2u0O4Tdn19yq6vT9r19cki5RQ1bCmUaqej6ZsQpt7x32ydIoNYyQQXRQAkADZLS/0CbTteoL9sOqb7R3RWasd2LVghAHi+M8UV2nPKrj2nirT3VJH2nLI3+kyhVDuYrmf70NpAeP7Pnu1DFRrADAv4BgGQANgs/AIBgGsUl1dpf06x9py0a192sfblFOlATrEqqmsaPT6xXaB6tQ9T7/hQ9Wwfql7tQ9U5Klg2KxNYeyM+vwmAzcIvEAC4j2pHjY7ll2pvdrH2ZRdpf3aR9ucUNzrYRKqdwLpbTIh6tq8NhT3jQtWjfagSwgOYxNrk+PwmADYLv0AA4P4Kyyq1P6dY+7OLtC+7WAdOF+vg6WKVVToaPT7E36ZusSHqEReiHnGh6hEXqu5xIWofRjA0Cz6/CYDNwi8QAHimmhpDJwrO6cDpYh3IqW0pPHS6REfzSlTlaPxjMcTfpq6xIep+fut2fktsFyQrA088Cp/fBMBm4RcIAMylylGjY3mlOni6RAfPtxQePF2s4/llqq5p/OPS3+aj5OhgZyCs2zpHBSvAl0mt3RGf3wTAZuEXCAC8Q2V1jY7nl+pwbokO1W2ni3U0r1SVTQw8sVhqB590jQlR15gQdYkJVpfoEHWNCVZMqD/dyS7E5zcBsFn4BQIA7+aoMXSioEyHc0uc26HcEh09U6Ki8uomzwvxtyk5OlhdYoKVHP3N1jk6WGFMWdPq+Pw2WQCcN2+e/vCHPyg7O1t9+/bVyy+/rFGjGl9abeXKlZo/f77S09NVUVGhvn376plnntG4ceMu+f34BQIANMYwDOWVVOromRIdOVOqo2dKdPhMiTLySpV1tkxN9CZLkqJD/NQ56ptA2DkqWJ2jg9Q5Kpgl8VoIn98mCoDLly/XPffco3nz5mnEiBF67bXXtHDhQu3du1cdO3ZscPz06dOVkJCg733ve4qIiNDixYv1wgsv6Msvv1Rq6qWtxsEvEADgclVW1yjzbKmOninV0bzacHgsr0xH80obXQrv22JC/ZV8PhB2igpWp6jaYNgxKoiWw8vA57eJAuCQIUM0cOBAzZ8/37mvd+/euvXWWzV37txLeo2+fftq0qRJeuqppy7peH6BAAAtqbi8Ssfza8PgsbxSZeSV6lh+qY7nl+lsaeUFz40M9lOnqCB1jAxSp8ggJUV+ExJjQvxZIu9b+PyWTNGWXFlZqW3btmnWrFn19o8dO1abNm26pNeoqalRcXGxIiMjmzymoqJCFRXf/OusqKjoygoGAKARoQG+6tchXP06hDf4mb2sSsfyawPhsbwyHT9bGwyP55cpr6RCZ0srdba0UjsyCxuc62/zUVJkbThMaheopPMBseP5P0PoWvY6prjjeXl5cjgciouLq7c/Li5OOTk5l/QaL774okpLS3XnnXc2eczcuXP17LPPNqtWAACuRHiQr1KCIpSSFNHgZyUV1Tp+vqUw82xtKMw6WxsSTxWWq6K6xjlIpTHtgnyVFBmkxHaBSmoXpMTzQTGxXe0+prMxH1MEwDrfHVJvGMYlDbNftmyZnnnmGX3wwQeKjY1t8rjZs2drxowZzu+LioqUlJR05QUDANACQvxt6psQrr4JDVsOqxw1OllwTlkFZco6e06ZZ8vOf10bFgvLqlRQVqWCMrt2nbA3+vrRIf5KbBeoxHaB6tAuUIkRteGwQ7tAdYgIZHCKBzLFHYuOjpbVam3Q2pebm9ugVfC7li9frqlTp+qdd97R9ddff8Fj/f395e/v3+x6AQBoK75Wn9rRxNHBjf68uLxKJwrOKetsmbIKzunE+aB4oqBMJwrOqaSiWnklFcorqVB6VmGjrxER5KsOEbVhMCGiNigmnP+6Q0SgooL9eAbRzZgiAPr5+SktLU1r1qzRf/3Xfzn3r1mzRrfcckuT5y1btkw/+tGPtGzZMt10001tUSoAAG4lNMBXveN91Tu+4WAIwzBkP1cbEOsCYd12svCcThaUqai8WoVlVSosq9KeU40/G+9n9VF8RIDiwwOcoTA+PFDxEQFKOP9nqL+NybHbkCkCoCTNmDFD99xzjwYNGqRhw4bp9ddfV2ZmpqZNmyaptvv25MmTWrJkiaTa8DdlyhT98Y9/1NChQ52th4GBgQoPb9iEDgCAt7FYLIoI8lNEkF+jA1Mkqai8SicLzulkwTmdstcGw1OF5TpZUKZTheU6XVyuSkeNc8BKU4L9rIqPCFR8eMD5rfbr9udDY/twQmJLMk0AnDRpkvLz8zVnzhxlZ2erX79+WrVqlTp16iRJys7OVmZmpvP41157TdXV1XrooYf00EMPOfffe++9evPNN9u6fAAAPFJYgK/CmmhBlGrnPTxdVK5se7lOFdaGxFPnQ+KpwnPKKSpXYVmVSisdFxyoItWGxLjzATEurPbP9mG1X7c//3VUiL+sdDdflGnmAXQF5hECAKD5yiqrlW0vV875kJhtLz//fe3XdSHxUlh9LIoN9VdsWIDah/mrfViAYs+HxLgwf8WFBSjQqFTH+Giv/vw2TQsgAADwTEF+NnWNCVHXmJAmjzlX6VC2vbbFMOd8KMyx1/86r6RCjhrDGSB3NvFaNRVNd0V7CwIgAABwe4F+VnWJCVGXC4TEakeN8koqnYHwdFHtlltcUftnUYVOF5fr7IVX3PMKBEAAAGAKNqtP7bOA4QHSBabpzc0vUNzLbVaWW/JxdQEAAABtiZVNCIAAAABehwAIAADgZQiAAAAAXoYACAAA4GUIgAAAAF6GAAgAAOBlCIAAAABehgAIAADgZQiAAAAAXoYACAAA4GUIgAAAAF6GAAgAAOBlCIAAAABehgAIAADgZQiAAAAAXoYACAAA4GUIgAAAAF6GAAgAAOBlCIAAAABehgAIAADgZQiAAAAAXoYACAAA4GUIgAAAAF6GAAgAAOBlCIAAAABehgAIAADgZQiAAAAAXoYACAAA4GUIgAAAAF6GAAgAAOBlCIAAAABehgAIAADgZUwVAOfNm6fk5GQFBAQoLS1NGzZsuODx69atU1pamgICAtSlSxctWLCgjSoFAABwHdMEwOXLl2v69Ol68skntWPHDo0aNUrjx49XZmZmo8dnZGRowoQJGjVqlHbs2KEnnnhCjzzyiFasWNHGlQMAALQti2EYhquLaAlDhgzRwIEDNX/+fOe+3r1769Zbb9XcuXMbHP/LX/5SH374ofbt2+fcN23aNO3cuVObN2++pPcsKipSeHi47Ha7wsLCmn8RAACg1fH5bZIWwMrKSm3btk1jx46tt3/s2LHatGlTo+ds3ry5wfHjxo3T1q1bVVVV1eg5FRUVKioqqrcBAAB4GlMEwLy8PDkcDsXFxdXbHxcXp5ycnEbPycnJafT46upq5eXlNXrO3LlzFR4e7tySkpJa5gIAAADakCkCYB2LxVLve8MwGuy72PGN7a8ze/Zs2e1255aVldXMigEAANqezdUFtITo6GhZrdYGrX25ubkNWvnqtG/fvtHjbTaboqKiGj3H399f/v7+LVM0AACAi5iiBdDPz09paWlas2ZNvf1r1qzR8OHDGz1n2LBhDY5fvXq1Bg0aJF9f31arFQAAwNVMEQAlacaMGVq4cKEWLVqkffv26dFHH1VmZqamTZsmqbb7dsqUKc7jp02bpuPHj2vGjBnat2+fFi1apDfeeEMzZ8501SUAAAC0CVN0AUvSpEmTlJ+frzlz5ig7O1v9+vXTqlWr1KlTJ0lSdnZ2vTkBk5OTtWrVKj366KP605/+pISEBL3yyiu6/fbbXXUJAAAAbcI08wC6AvMIAQDgefj8NlEXMAAAAC4NARAAAMDLEAABAAC8DAEQAADAyxAAAQAAvAwBEAAAwMsQAAEAALwMARAAAMDLEAABAAC8jGmWgnOFukVUioqKXFwJAAC4VHWf2968GBoBsBny8/MlSUlJSS6uBAAAXK78/HyFh4e7ugyXIAA2Q2RkpCQpMzPTq36BioqKlJSUpKysLK9aQ5Hr5rq9AdfNdXsDu92ujh07Oj/HvREBsBl8fGofoQwPD/eq/3HqhIWFcd1ehOv2Lly3d/HW6677HPdG3nvlAAAAXooACAAA4GUIgM3g7++vp59+Wv7+/q4upU1x3Vy3N+C6uW5vwHV713V/m8Xw5jHQAAAAXogWQAAAAC9DAAQAAPAyBEAAAAAvQwAEAADwMgTAi5g3b56Sk5MVEBCgtLQ0bdiw4YLHr1u3TmlpaQoICFCXLl20YMGCNqq0ZV3Oda9du1YWi6XBtn///jasuHnWr1+viRMnKiEhQRaLRe+///5FzzHDvb7c6zbDvZakuXPn6uqrr1ZoaKhiY2N166236sCBAxc9z9Pv+ZVctxnu+fz589W/f3/nZMfDhg3TP//5zwue4+n3Wrr86zbDvW7M3LlzZbFYNH369AseZ4Z7fjkIgBewfPlyTZ8+XU8++aR27NihUaNGafz48crMzGz0+IyMDE2YMEGjRo3Sjh079MQTT+iRRx7RihUr2rjy5rnc665z4MABZWdnO7fu3bu3UcXNV1paqpSUFL366quXdLxZ7vXlXncdT77XUu1f9A899JC++OILrVmzRtXV1Ro7dqxKS0ubPMcM9/xKrruOJ9/zxMREPf/889q6dau2bt2q6667Trfccov27NnT6PFmuNfS5V93HU++19/11Vdf6fXXX1f//v0veJxZ7vllMdCkwYMHG9OmTau3r1evXsasWbMaPf7xxx83evXqVW/fgw8+aAwdOrTVamwNl3vdn332mSHJKCgoaIPqWp8k47333rvgMWa51992KddttntdJzc315BkrFu3rsljzHjPL+W6zXrP27VrZyxcuLDRn5nxXte50HWb7V4XFxcb3bt3N9asWWNce+21xs9//vMmjzXzPW8KLYBNqKys1LZt2zR27Nh6+8eOHatNmzY1es7mzZsbHD9u3Dht3bpVVVVVrVZrS7qS666Tmpqq+Ph4jRkzRp999llrlulyZrjXzWG2e2232yXpggvDm/GeX8p11zHLPXc4HHr77bdVWlqqYcOGNXqMGe/1pVx3HbPc64ceekg33XSTrr/++osea8Z7fjEEwCbk5eXJ4XAoLi6u3v64uDjl5OQ0ek5OTk6jx1dXVysvL6/Vam1JV3Ld8fHxev3117VixQqtXLlSPXv21JgxY7R+/fq2KNklzHCvr4QZ77VhGJoxY4ZGjhypfv36NXmc2e75pV63We757t27FRISIn9/f02bNk3vvfee+vTp0+ixZrrXl3PdZrnXkvT2229r+/btmjt37iUdb6Z7fqlsri7A3VkslnrfG4bRYN/Fjm9sv7u7nOvu2bOnevbs6fx+2LBhysrK0gsvvKBrrrmmVet0JbPc68thxnv98MMPa9euXfr8888veqyZ7vmlXrdZ7nnPnj2Vnp6uwsJCrVixQvfee6/WrVvXZBgyy72+nOs2y73OysrSz3/+c61evVoBAQGXfJ5Z7vmlogWwCdHR0bJarQ1avXJzcxv8K6FO+/btGz3eZrMpKiqq1WptSVdy3Y0ZOnSoDh061NLluQ0z3OuW4sn3+mc/+5k+/PBDffbZZ0pMTLzgsWa655dz3Y3xxHvu5+enbt26adCgQZo7d65SUlL0xz/+sdFjzXSvL+e6G+OJ93rbtm3Kzc1VWlqabDabbDab1q1bp1deeUU2m00Oh6PBOWa655eKANgEPz8/paWlac2aNfX2r1mzRsOHD2/0nGHDhjU4fvXq1Ro0aJB8fX1brdaWdCXX3ZgdO3YoPj6+pctzG2a41y3FE++1YRh6+OGHtXLlSn366adKTk6+6DlmuOdXct2N8cR7/l2GYaiioqLRn5nhXjflQtfdGE+812PGjNHu3buVnp7u3AYNGqS77rpL6enpslqtDc4x8z1vkkuGnniIt99+2/D19TXeeOMNY+/evcb06dON4OBg49ixY4ZhGMasWbOMe+65x3n80aNHjaCgIOPRRx819u7da7zxxhuGr6+v8e6777rqEq7I5V73//7v/xrvvfeecfDgQePrr782Zs2aZUgyVqxY4apLuGzFxcXGjh07jB07dhiSjJdeesnYsWOHcfz4ccMwzHuvL/e6zXCvDcMwfvKTnxjh4eHG2rVrjezsbOdWVlbmPMaM9/xKrtsM93z27NnG+vXrjYyMDGPXrl3GE088Yfj4+BirV682DMOc99owLv+6zXCvm/LdUcBmveeXgwB4EX/605+MTp06GX5+fsbAgQPrTZdw7733Gtdee22949euXWukpqYafn5+RufOnY358+e3ccUt43Ku+3e/+53RtWtXIyAgwGjXrp0xcuRI4+OPP3ZB1VeubvqD72733nuvYRjmvdeXe91muNeGYTR6zZKMxYsXO48x4z2/kus2wz3/0Y9+5Pz7LCYmxhgzZowzBBmGOe+1YVz+dZvhXjfluwHQrPf8clgM4/xTjgAAAPAKPAMIAADgZQiAAAAAXoYACAAA4GUIgAAAAF6GAAgAAOBlCIAAAABehgAIAADgZQiAANBMn376qXr16qWamhpJ0jPPPKMBAwa0+vteffXVWrlyZau/DwDzIQACQDM9/vjjevLJJ+Xj0/y/UlesWCGr1arMzMxGf96rVy898sgjkqT/+Z//0axZs5zBEwAuFQEQgOlVVVW12mtv2rRJhw4d0h133NEir3fzzTcrKipKf/nLXxr8bOPGjTpw4ICmTp0qSbrppptkt9v1r3/9q0XeG4D3IAACaDOGYej3v/+9unTposDAQKWkpOjdd991/nzt2rWyWCz6z3/+o0GDBikoKEjDhw/XgQMH6r3ORx99pLS0NAUEBKhLly569tlnVV1d7fy5xWLRggULdMsttyg4OFjPPfecJOm5555TbGysQkND9cADD2jWrFnOrtr169fL19dXOTk59d7rF7/4ha655pomr+ntt9/W2LFjFRAQ0OQxGRkZ6tatm37yk5+opqZGlZWVevzxx9WhQwcFBwdryJAhWrt2rSTJ19dX99xzj9588019d6XORYsWKS0tTSkpKZIkq9WqCRMmaNmyZU2+NwA0yrVLEQPwJk888YTRq1cv45NPPjGOHDliLF682PD39zfWrl1rGIZhfPbZZ4YkY8iQIcbatWuNPXv2GKNGjTKGDx/ufI1PPvnECAsLM958803jyJEjxurVq43OnTsbzzzzjPMYSUZsbKzxxhtvGEeOHDGOHTtm/O1vfzMCAgKMRYsWGQcOHDCeffZZIywszEhJSXGe16NHD+P3v/+98/uqqiojNjbWWLRoUZPXlJKSYjz//PP19j399NPO1929e7cRHx9vzJo1y/nzyZMnG8OHDzfWr19vHD582PjDH/5g+Pv7GwcPHjQMwzD27NljSDI+++wz5zklJSVGSEiIMW/evHrvNW/ePKNz584X+S8PAPURAAG0iZKSEiMgIMDYtGlTvf1Tp041fvjDHxqG8U0A/Pe//+38+ccff2xIMs6dO2cYhmGMGjXK+O1vf1vvNf76178a8fHxzu8lGdOnT693zJAhQ4yHHnqo3r4RI0bUC4C/+93vjN69ezu/f//9942QkBCjpKSkyesKDw83lixZUm9fXQDctGmTERkZafzhD39w/uzw4cOGxWIxTp48We+cMWPGGLNnz65X75QpU5zfL1q0yAgMDDQKCgrqnffBBx8YPj4+hsPhaLJGAPguuoABtIm9e/eqvLxcN9xwg0JCQpzbkiVLdOTIkXrH9u/f3/l1fHy8JCk3N1eStG3bNs2ZM6fea/z4xz9Wdna2ysrKnOcNGjSo3mseOHBAgwcPrrfvu9/fd999Onz4sL744gtJtV2ud955p4KDg5u8rnPnzjXa/ZuZmanrr79ev/rVrzRz5kzn/u3bt8swDPXo0aPeNaxbt67ef4epU6fq3XffVXFxsbOW2267TREREfXeJzAwUDU1NaqoqGiyRgD4LpurCwDgHepGqn788cfq0KFDvZ/5+/vX+97X19f5tcViqXd+TU2Nnn32Wd12220N3uPbQayx0Fb3WnWM7zxjFxsbq4kTJ2rx4sXq0qWLVq1a5Xw2rynR0dEqKChosD8mJkYJCQl6++23NXXqVIWFhTnrt1qt2rZtm6xWa71zQkJCnF//4Ac/0KOPPqrly5dr9OjR+vzzzzVnzpwG73P27FkFBQUpMDDwgnUCwLcRAAG0iT59+sjf31+ZmZm69tprr/h1Bg4cqAMHDqhbt26XdV7Pnj21ZcsW3XPPPc59W7dubXDcAw88oB/84AdKTExU165dNWLEiAu+bmpqqvbu3dtgf2BgoP7xj39owoQJGjdunFavXq3Q0FClpqbK4XAoNzdXo0aNavJ1Q0NDdccdd2jx4sU6evSounTpotGjRzc47uuvv9bAgQMvWCMAfBcBEECbCA0N1cyZM/Xoo4+qpqZGI0eOVFFRkTZt2qSQkBDde++9l/Q6Tz31lL7//e8rKSlJd9xxh3x8fLRr1y7t3r3bOdq3MT/72c/04x//WIMGDdLw4cO1fPly7dq1S126dKl33Lhx4xQeHq7nnnuu0Ra37xo3blyjU7ZIta2QH3/8scaPH6/x48frk08+UY8ePXTXXXdpypQpevHFF5Wamqq8vDx9+umnuuqqqzRhwgTn+VOnTtWoUaO0d+9ezZw5s0ELpiRt2LBBY8eOvWidAPBtPAMIoM38+te/1lNPPaW5c+eqd+/eGjdunD766CMlJydf8muMGzdO//jHP7RmzRpdffXVGjp0qF566SV16tTpgufdddddmj17tmbOnKmBAwcqIyND9913X4Pn93x8fHTffffJ4XBoypQpF63n7rvv1t69extMVVMnJCRE//znP2UYhiZMmKDS0lItXrxYU6ZM0S9+8Qv17NlTN998s7788kslJSXVO3fkyJHq2bOnioqKGg3IJ0+e1KZNm3T//fdftE4A+DaL8d2HYADAS9xwww1q3769/vrXv9bb/+Mf/1inT5/Whx9+eEmv8/jjj8tut+u1115rjTKb9Nhjj8lut+v1119v0/cF4PnoAgbgFcrKyrRgwQKNGzdOVqtVy5Yt07///W+tWbPGeYzdbtdXX32lpUuX6oMPPrjk137yySf1pz/9SQ6Ho8HAjtYUGxtbb4QxAFwqWgABeIVz585p4sSJ2r59uyoqKtSzZ0/96le/qjeaePTo0dqyZYsefPBB/e///q8LqwWA1kUABAAA8DIMAgEAAPAyBEAAAAAvQwAEAADwMgRAAAAAL0MABAAA8DIEQAAAAC9DAAQAAPAyBEAAAAAvQwAEAADwMv8fE9RPilhkGmYAAAAASUVORK5CYII=",
"text/html": [
"\n",
"