S
teward
分享是一種喜悅、更是一種幸福
掌機
- LDK GAME (小龍王) -
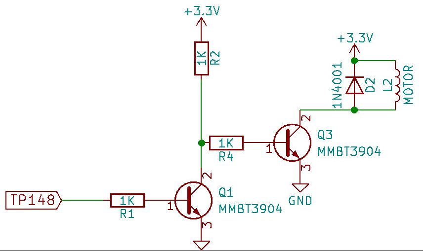
支援振動馬達
鬆開背面螺絲
找尋LCD_SDA位置
開始跳線
3.3V位置
振動馬達擺放位置
二極體防反電動勢
跳線
完成
美美的樣子
電路圖